Hallo Freunde unserer Eindhovener Nachbarn,
im Rahmen der Überarbeitung eines Chassis des Philips Capella 753 - das ist der mit den beiden eisenlosen Endstufen - habe ich mich gegen Ende der Arbeiten an einem hinterhältigen Fehler festgebissen.
Zunächst das Symptom:
Nach dem Einschalten des Gerätes, und nur dann, hört man im Lautsprecher (insbesondere im Mittel-Hochtonkanal) nach etwa einer Minute ein Zischeln und Rascheln, so als ob man ein Streichholz anzündet, nur etwas leiser und länger. Das Ganze dauert etwa 10-20 Sekunden, danach ist wohl Ruhe (das kann ich aber nicht sicher sagen).
Schaltet man das Gerät daraufhin aus und gleich wieder ein, ist alles in Ordnung. Aber nach längerer Ruhe bzw. Abkühlung tritt der Fehler wieder auf.
Damit ist die Fehlersuche langwierig und mühsam, weil der Fehler selbst nur kurz, die Wartezeit dazwischen lang ist.
Bisherige Arbeiten:
Die Papierkondensatoren sind alle ersetzt, das Gerät ist gereinigt, abgeglichen, jede Menge Fehler in der Stromversorgung und im UKW-Teil sind beseitigt, die Röhren teilweise neu.
Das eigentliche NF-Teil besteht aus der Triode der EABC80 hinter dem Lautstärkeregler, dann kommt das Klangregelnetzwerk, dahinter eine Verstärkerstufe mit einer EC92 Triode, die über eine Frequenzweiche die beiden Endstufen ansteuert, eine für den Bassbereich, eine für Mitte-Hoch, jweils mit einer EL84 und einer UL84 bestückt, ohne Ausgangsübertrager.
Die Lautsprecher des Gerätes haben daher um die 800 Ohm.
Da mir diese Latsprecher nicht zur Verfügung stehen, habe ich eigene 4 Ohm Lautsprecher über 100V ELA Trafos angeschlossen.
So, wenn die EABC 80 an den Spielfeldrand gestellt wird, tritt der Fehler auch auf. Die Schaltung davor (Demod, etc.) scheidet als Ursache aus.
Wenn ich die EC92 auf die Reservebank setzte, tritt der Fehler NICHT auf, die Endstufe ist es demnach wohl nicht.
Sobald sie aber eingebaut ist, bei abgehängtem G1 Koppelkondensator, tritt der Fehler auf. Das Klangregelnetzwerk ist also auch aus dem Schneider.
Den Anodenarbeitswiderstand (100K) der EC92 habe ich ersetzt, keine Änderung. Ebenso wurde der Gitterableitwiderstand (1M) ersetzt - auch der war unschuldig.
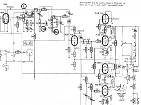
Hier erst einmal das Schaltbild:

Im Moment schaue ich, ob etwa über die Gegenkopplung Störungen in die Kathode der EC92 verschleppt werden, oder ob die Kathodenwiderstände instabil sind.
im Rahmen der Überarbeitung eines Chassis des Philips Capella 753 - das ist der mit den beiden eisenlosen Endstufen - habe ich mich gegen Ende der Arbeiten an einem hinterhältigen Fehler festgebissen.
Zunächst das Symptom:
Nach dem Einschalten des Gerätes, und nur dann, hört man im Lautsprecher (insbesondere im Mittel-Hochtonkanal) nach etwa einer Minute ein Zischeln und Rascheln, so als ob man ein Streichholz anzündet, nur etwas leiser und länger. Das Ganze dauert etwa 10-20 Sekunden, danach ist wohl Ruhe (das kann ich aber nicht sicher sagen).
Schaltet man das Gerät daraufhin aus und gleich wieder ein, ist alles in Ordnung. Aber nach längerer Ruhe bzw. Abkühlung tritt der Fehler wieder auf.
Damit ist die Fehlersuche langwierig und mühsam, weil der Fehler selbst nur kurz, die Wartezeit dazwischen lang ist.
Bisherige Arbeiten:
Die Papierkondensatoren sind alle ersetzt, das Gerät ist gereinigt, abgeglichen, jede Menge Fehler in der Stromversorgung und im UKW-Teil sind beseitigt, die Röhren teilweise neu.
Das eigentliche NF-Teil besteht aus der Triode der EABC80 hinter dem Lautstärkeregler, dann kommt das Klangregelnetzwerk, dahinter eine Verstärkerstufe mit einer EC92 Triode, die über eine Frequenzweiche die beiden Endstufen ansteuert, eine für den Bassbereich, eine für Mitte-Hoch, jweils mit einer EL84 und einer UL84 bestückt, ohne Ausgangsübertrager.
Die Lautsprecher des Gerätes haben daher um die 800 Ohm.
Da mir diese Latsprecher nicht zur Verfügung stehen, habe ich eigene 4 Ohm Lautsprecher über 100V ELA Trafos angeschlossen.
So, wenn die EABC 80 an den Spielfeldrand gestellt wird, tritt der Fehler auch auf. Die Schaltung davor (Demod, etc.) scheidet als Ursache aus.
Wenn ich die EC92 auf die Reservebank setzte, tritt der Fehler NICHT auf, die Endstufe ist es demnach wohl nicht.
Sobald sie aber eingebaut ist, bei abgehängtem G1 Koppelkondensator, tritt der Fehler auf. Das Klangregelnetzwerk ist also auch aus dem Schneider.
Den Anodenarbeitswiderstand (100K) der EC92 habe ich ersetzt, keine Änderung. Ebenso wurde der Gitterableitwiderstand (1M) ersetzt - auch der war unschuldig.
Hier erst einmal das Schaltbild:
Im Moment schaue ich, ob etwa über die Gegenkopplung Störungen in die Kathode der EC92 verschleppt werden, oder ob die Kathodenwiderstände instabil sind.
Achim