Hallo HiFi-Freunde,
den Grundig SV2000 haben wir immer wieder einmal hier erwähnt, die Herausforderungen seiner sehr flachen Bauform für die Entwickler genannt und Details gelobt, aber - so glaube ich - hier noch nie vorgestellt.
Mit seiner Bauhöhe von gerade mal 5cm ist er fast so flach wie eine "1U" Komponente für die 19" Technik. Dennoch hat er es in sich. Bei beachtlicher Leistung, die durch einen ebenfalls extrem(!) flachen großen Schnittbandkernnetztrafo im Zentrum des Gerätes und zwei symmetrisch links und rechts frei liegende große Kühlkörper ermöglicht wird, hat er eine eines großen Vollverstärker würdige Ausstattung an Ein- und Ausgängen, eine sehr ästhetische reduziert und geradezu klassisch gestaltete Front, eine 3-Band Klangregelung und viele nützliche Details. Das alles bei minimalem Platzbedarf.
Die überragende Leistung der Entwickler besteht nun darin, dass all das praktisch ohne Kompromisse bei der Schaltung, der Konstruktion, dem thermischen Design und der technischen Leistungsfähigkeit realisiert wurde.
Ein Blick ins offene Gerät zeigt sofort, WIE durchdacht das ganze Konzept ist, mit welcher Detailversessenheit hier konstruiert wurde und wie hochwertig und mit welchem aus späterer Sicht enomen Materialaufwand der Verstärker letztlich gefertigt wurde.

-Viel Metall für eine stabile Konstruktion, zwei Relais für die beiden Lautoprecherpaare direkt an den Buchsen, der Eingangswahlschalter direkt an den Eingangsbuchsen über Bowdenzug betätigt, ebenso der Monitorschalter, Aufsätze auf den superflachen 6800µF Ladeelkos der Endstufenversorgung, die als Halter für Züge und Leitungen dienen, aufwändige Mu-Metallabschirmung rund um den Netztrafo, stabile Montage des Trafos über zwei Traversen, geschirmter Phono-Vorverstärker, solide Thermoschalter an den Kühlblechen der Endstufen (Grundig-typisch), sehr reichlich dimensionierte Emitterwiderstände thermisch mit Kupfermanschetten mit den Kühlblechen gekoppelt, eine praxistaugliche Mischung von Cynch- und DIN-Buchsen...usw...usf...
Im Moment beschäftige ich mich mit der Schutzschaltung:

Sie schaltet die Lautsprecherausgänge nicht frei, obwohl an den Ausgängen der Endstufen keine DC nachweisbar ist und die Versorgungsspannungen in Ordnung sind.
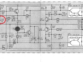
EIn flüchtiger Test ergab einen Schluss und einen Feinschluss im (rot markierten) T21. Ein Ersatz des Transistors änderte nichts an der Sympromatik.
Also muss gründlicher nachgesehen werden. Hier ist das Schaltbild der Schutzschaltung:

Ich werde nun die Spannungswerte überprüfen.
Die +60V Spannung wird im Netzteil separat erzeugt, sie dient auch zur Versorgung der Schutzschaltung.
Weiterhin sieht man oben und unten die Leitungen der Endstufenausgänge. Sie werden über R92 und R93 auf DC überwacht.
Zusätzlich wird über Anschluss "2" (13 im Kabelbaum) aus der AC der der Endstufenversaorgung eine negativwe Spannung über D4 gewonnen, deren korrekte Höhe ebenfalls zur Freigabe der Relais herangezogen wird.
Die beiden Druckschalter für die Lautsprecherwahl schalten den beiden Relais die Masseanschlüsse der Spulen zu, die positive Spannung der Spulen muss über den T23 aber von der Schutzschaltung freigegeben sein, damit die Relais anziehen können.
den Grundig SV2000 haben wir immer wieder einmal hier erwähnt, die Herausforderungen seiner sehr flachen Bauform für die Entwickler genannt und Details gelobt, aber - so glaube ich - hier noch nie vorgestellt.
Mit seiner Bauhöhe von gerade mal 5cm ist er fast so flach wie eine "1U" Komponente für die 19" Technik. Dennoch hat er es in sich. Bei beachtlicher Leistung, die durch einen ebenfalls extrem(!) flachen großen Schnittbandkernnetztrafo im Zentrum des Gerätes und zwei symmetrisch links und rechts frei liegende große Kühlkörper ermöglicht wird, hat er eine eines großen Vollverstärker würdige Ausstattung an Ein- und Ausgängen, eine sehr ästhetische reduziert und geradezu klassisch gestaltete Front, eine 3-Band Klangregelung und viele nützliche Details. Das alles bei minimalem Platzbedarf.
Die überragende Leistung der Entwickler besteht nun darin, dass all das praktisch ohne Kompromisse bei der Schaltung, der Konstruktion, dem thermischen Design und der technischen Leistungsfähigkeit realisiert wurde.
Ein Blick ins offene Gerät zeigt sofort, WIE durchdacht das ganze Konzept ist, mit welcher Detailversessenheit hier konstruiert wurde und wie hochwertig und mit welchem aus späterer Sicht enomen Materialaufwand der Verstärker letztlich gefertigt wurde.
-Viel Metall für eine stabile Konstruktion, zwei Relais für die beiden Lautoprecherpaare direkt an den Buchsen, der Eingangswahlschalter direkt an den Eingangsbuchsen über Bowdenzug betätigt, ebenso der Monitorschalter, Aufsätze auf den superflachen 6800µF Ladeelkos der Endstufenversorgung, die als Halter für Züge und Leitungen dienen, aufwändige Mu-Metallabschirmung rund um den Netztrafo, stabile Montage des Trafos über zwei Traversen, geschirmter Phono-Vorverstärker, solide Thermoschalter an den Kühlblechen der Endstufen (Grundig-typisch), sehr reichlich dimensionierte Emitterwiderstände thermisch mit Kupfermanschetten mit den Kühlblechen gekoppelt, eine praxistaugliche Mischung von Cynch- und DIN-Buchsen...usw...usf...
Im Moment beschäftige ich mich mit der Schutzschaltung:
Sie schaltet die Lautsprecherausgänge nicht frei, obwohl an den Ausgängen der Endstufen keine DC nachweisbar ist und die Versorgungsspannungen in Ordnung sind.
EIn flüchtiger Test ergab einen Schluss und einen Feinschluss im (rot markierten) T21. Ein Ersatz des Transistors änderte nichts an der Sympromatik.
Also muss gründlicher nachgesehen werden. Hier ist das Schaltbild der Schutzschaltung:
Ich werde nun die Spannungswerte überprüfen.
Die +60V Spannung wird im Netzteil separat erzeugt, sie dient auch zur Versorgung der Schutzschaltung.
Weiterhin sieht man oben und unten die Leitungen der Endstufenausgänge. Sie werden über R92 und R93 auf DC überwacht.
Zusätzlich wird über Anschluss "2" (13 im Kabelbaum) aus der AC der der Endstufenversaorgung eine negativwe Spannung über D4 gewonnen, deren korrekte Höhe ebenfalls zur Freigabe der Relais herangezogen wird.
Die beiden Druckschalter für die Lautsprecherwahl schalten den beiden Relais die Masseanschlüsse der Spulen zu, die positive Spannung der Spulen muss über den T23 aber von der Schutzschaltung freigegeben sein, damit die Relais anziehen können.
Achim
Dieser Beitrag wurde bereits 6 mal editiert, zuletzt von „nightbear“ ()
