Forenfreunde,
nachdem wir uns ja schon ausführlich mit den SABA HiFi-Stereo Receivern der Hochzeit von Saba (ca. 1968-1970), HiFi-Studio 8080 und 8120 befasst haben, wollte ich hier einmal einen Vertreter des HiFi Stereo Tiefpreis-Segments vorstellen, zu dem ich seit meiner Jugend eine sentimentale "Haßliebe" entwickelt habe.
Ich meine den Neckermann-Körting HiFi-Stereo-Tuner 821/616 (1968), bzw. deren fast gleiche Varianten 821/667 (1970) und 821/691 (1970).
Die Körting Bezeichnungen lauteten 29713 (1968), 30713 und 30715 (beide 1970)
In Deutschland hatte seinerzeit das Versandhaus Neckermann (Frankfurt/Main) das alleinige Vertriebsrecht für Körting Radio/Fernsehen in Deutschland. Auf den Geräten prangte daher meist "Neckermann-Körting" als Name, statt nur der Herstellername "Körting". Körting vertrieb die Geräte unter seinem eigenem Namen über lokale Importeure nur im Ausland (vorwiegend Österreich, Schweiz und andere benachbarte Länder) unter der Marke "Transmare". Der o.g. Tuner hieß im Ausland "Transmare T 500".
Dieser Tuner wurde erstmals im Neckermann Frühjahr/Sommer-Katalog 1968 als "HiFi-Gerät nach DIN 45500" vorgestellt und kostete 219 DM. Das war weniger als die Hälfte des Preises damaliger Mittelklasse-Tuner der Konkurrenz. Bei Saba, Grundig, Dual,..musste man um die 500 DM für einen HiFi-Stereo-Tuner auf den Tisch legen. Der Körting war also für "das kleine Budget". Ich werde hier noch darauf eingehen, welche technischen Kompromisse dafür gemacht wurden. Zum Vergleich: Ein Mittelklasse-Kofferradio kostete damals von Körting etwa den gleichen Preis (um 180-200 DM), bei anderen Firmen gut 50 bis 100 DM mehr. Das muss man im Kopf behalten: Ein HiFi-Stereo-Tuner zum Preis eines günstigen Kofferradios.


Die Norm DIN 45500 legte bestimmte Mindest-Anforderungen fest. Mit welchem Abstand der Körting Tuner die einhielt, ist nicht bekannt, denn in den Technischen Daten fand man nur die Empfangsbereiche (L,M.K, UKW) mit den Frequenzbereichen, Empfindlichkeit für AM (15µV), Ausgangsspannung an 470 kOhm (80 mV !), 6 AM-Kreise, 10 FM Kreise (davon 8 abstimmbar) und den Satz "Das Gerät entspricht den Anforderungen nach DIN 45500".
DIN 45500 (Blatt 2, Mindestanforderungen an UKW-Empfangsteile) sagt
...bei 1mV HF Antenneneingangsspannung am 240 Ohm Antenneneingang:
Übertragungsbereich 40- 12500 Hz +/- 3dB, 50-6300 Hz +/- 1,5 dB
Kanalunterschied bei Stereo < 3 dB
Klirrfaktor bei 1 kHz und 40 kHz Hub < 2% (Stereo R/L)
Stereo-Übersprechdämpfung wenigstens 26 dB für 250-6300 Hz und wenigstens 15dB für 6300-12500 Hz
Fremdspannungsabstand bezogen auf auf 1kHz mod/40kHz Hub wenigstens 46 dB (NF Bandpass 40Hz bis 15 kHz)
Geräuschspannungsabstand bez. auf 1kHz mod/40 kHz Hub wenigstens 54 dB (NF Bandpass 40Hz bis 15 kHz)
Pilotton-Fremdspannungsabstand bei 67,5 kHz Hub, selektiv wenigstens 20 dB bei 19 kHz, wenigstens 30 dB bei 38 kHz
Ausgangsspannung bei 40kHz Hub an 470 KOhm, parallel 100pF wenigstens 500mV bis max 2V
Inwieweit nun dieser Tuner tatsächlich diesen Anforderungen entspricht, dazu später mehr. Nur schon vorweg: Die allerdings allesamt wesentlich teureren HiFi-Tuner der deutschen Konkurrenz hatten 1968 absolut KEIN PROBLEM diese Mindestanforderungen nicht nur einzuhalten, sondern sie sogar in praktisch allen Punkten weit zu übertreffen.
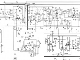
Aufbau des Tuners
Zieht man das Chassis aus dem folierten Pressholz-Gehäuse, erkennt man den sehr materialsparenden Aufbau aus einem gestanzten Blechboden, ab 1969/70 stattdessen nur aus einem dünnen U-förmigen Blechrahmen, der an den offenen Enden durch die Kunststoff-Front zusammengehalten wird. Ein Schwungrad fehlt, die Sendereinstellung geht gebremst, wie bei einem Kofferradio (dort ist ja Leichtgängigkeit auch gar nicht gewünscht, damit bei Bewegung des Geräts die Sender fest stehenbleiben. Das ist bei diesem Körting Stereo-Tuner aber keine Überraschung, denn tatsächlich handelt es sich um nichts anderes als ein in das Pressholz-gehäuse geschobenes Körting Kofferradio (z.B. Körting Arosa 829/234 (29165), Taunus 829/293 (29183), Taunus 829/285 (31183), ), bei dem Lautsprecher und NF-Endstufe entfernt wurden und stattdessen ein kleiner Netztrafo, ein kleines Netzteil und ein Switch-Mode Stereo-Decoder der allereinfachsten Standard-Bauart nachgerüstet wurde. Auf einen Pufferverstärker hinter dem Stereodekoder wurde verzichtet (Kosten), was unangenehme Folgen hat, nicht nur zu geringe Ausgangsspannung, auch dazu später mehr.


Man sieht deutlich dass die Front auch dem Kofferradio entstammt, die Rückseitenbedruckung wurde im 180° gedreht, weil das Radio im Holzgehäuse ja "auf dem Bauch" liegt, und die Drucktasten unten sein sollten. Weil man den Sendereinstellknopf (für die Mehrheit der rechtshänder) rechts haben wollte, wurde er separat rechts aussen angebaut. Die ursprüngliche Öffnung für den Drehknopf vor dem UKW-HF-Kasten blieb hier deshalb leer. Die mittlere der drei Öffnungen, die im Kofferradio für für Bass/Höhen und Lautstärke vorgesehen waren, wird hier nun durch den Stereo-Schalter benutzt.
Wenn es wahr ist, dass es sich um ein für Stereo ergänztes Körting Kofferradio handelt, dann müssten die Schaltungen für das Empfangsteil (HF- und ZF) in diesem Stereo-Tuner dazu baugleich sein. Das trifft tatsächlich auf die oben genannten Kofferradios (und noch einige mehr, die von Körting in verschiedenen Gehäusen aber weitgehend derselben Technik von ca. 1967-1970 verkauft wurden, zu. Auch die verbauten Platinen für FM-HF und ZF und AM und die Abgleichanleitungen sind im 1968er Modell zu den oben genannten Körting Kofferradios identisch.

Das ist zumindest ungewöhnlich, da Stereo eine grössere ZF-Bandbreite als FM-mono benötigt und deshalb auf Trennschärfe ausgelegte Kofferradios normalerweise nicht durch nur Nachrüsten eines Stereodekoders als HiFi-FM-Stereo-Tuner betrieben werden können. Offensichtlich aber wurde bei Körting gefunden, dass ihre Kofferradios eine für Stereo nach DIN45500 ausreichende ZF-Bandbreite haben und sogar der Abgleich dafür nicht geändert werden musste. Der Abgleich wurde im Werk vermutlich effizienter/anders durchgeführt als im Service Manual angegeben (vermutlichdort mit Vorabgleich der einzelnen Platinen/Baugruppen), denn das in der Service-Anleitung angegebene An- und Ablöten von Brücken und Hilfswiderständen, um beim Abgleich Kreise zu dämpfen, ist ausgesprochen umständlich und zeitraubend.
Der Stereodekoder wurde einfach von einem bereits bekannten einfachen Referenzdesign 1:1 kopiert:

Tuning and Adjusting Stereo Decoders - Gordon J. King - Hi-Fi News - November 1969
Lediglich die Spannungsversorgung musste von Körting umgepolt werden. Denn bei Auto-Kofferradios liegt die Versorgung auf "Minus" und Masse auf "Plus", deshalb auch bei diesem Körting Stereo-Tuner.


Der 330 Ohm Widerstand zwischen Basis und Emitter des Schalttransistors für die Stereo-Anzeige, der im Körting Schaltbild auch eingezeichnet ist, ist nicht bestückt.
Es ergeben sich aus der kreativen und kostensparenden Kofferradio-Lösung als HIFI-Stereo-Tuner (es war ja keine Neukonstruktion nötig) mit dem "Spar-Dekoder" einige Nachteile:
Die Bandbreite genügt zwar für HiFi-Stereo nach DIN 45500, aber nur knapp. Das wirkt sich auf die erreichbare Übersprechdämpfung im Stereodekoder aus, es werden gerade 26 dB (Verhältnis 20:1) bei 1 kHz erreicht. Auch ein modernerer PLL-Decoder Toshiba TA7343AP anstelle des Körting Decoders bringt es gerade auf 36dB (seine Minimum-Spezifikation. Bandbreitenerhöhung verbessert ddie Kanaltrennung, allerdings auf Kosten von Empfindlichkeit und Trennschärfe. Nach Körting Abgleichanweisung ist nicht mehr "drin".
Das "Skalenglas" aus Kunststoff (PMMA) ist beim Aufdruck für UKW nicht durchsichtig. Bei Dunkelheit ist die eingestellte Senderfrequenz trotz Belechtung von innen für UKW nicht ablesbar (typisches Kofferradio-Skalendesign aus der Zeit).
Die Unterdrückung von 19kHz Pilotton und 38kHz Hilfsträger ist mangels zusätzlicher low-pass-Filter schlecht. Die Werte nach DIN 45500 werden bei 19 kHz so gerade, bei 38 kHz kaum erreicht. Bandaufnahmen von diesem Tuner verursachten bei Wiedergabe von meinem Tonbandgerät (in jüngeren Jahren) hörbare Pfeifstörungen durch Überlagerung des Hilfsträgers (oder Oberwellen des Pilottons) mit der Oszillatorfrequenz des Bandgeräts (Philips N4414).
Das Tuner Ausgangssignal erreicht bei UKW bei 40 kHz Hub nur etwa 250 mVeff, weil hinter dem Stereodekoder eine Nachverstärkungsstufe bzw. ein Ausgangs-Pufferverstärker eingespart wurde. Das ist weit weniger als DIN 45500 vorsieht. Körting schreibt, dass der Tuner zum Betrieb mit dem "passenden" Körting Verstärker vorgesehen ist. Aber das kann den Mangel nicht beheben. Der passende Körting Verstärker hat zwar einen hochohmigen Eingang (Zin 470 kOhm), aber dennoch muss dort der Lautstärkeregler wegen des zu kleinen Tuner-Ausgangssignals übermässig weit aufgedreht werden, um Zimmerlautstärke zu erreichen. Das weitere Problem ist, dass der Stereodekoder in der gzeigten Bestückung keine normgerechte Deemphasis hat, sodern die Höhen viel zu tief absenkt (1500pF im Deemphasisglied sind zuviel). Bei einem weiteren Exemplar des Tuners gab es sogar ab Werk eine abweichende Fehlbestückung mit 10nF und R825/826 = 7,4kOhm), was an einem Grundig SXV 6000 Vorverstärker mit Zin > 220 kOhm zu einem Höhenverlust von massigen 16dB bei 10kHz (über die korrekte Deemphasis hinaus!) führte. Vermutlich ist die Dimensionierung mit 1500pF im Deemphasis-Glied dafür gedacht, dass ein Verstärker mit ca. 7dB Loudness-Höhenanhebung angeschlossen wird, der den Abfall ausgleicht. Wenn aber der Pegel so gering wie hier ist, genügt das nicht, der Höhenregler am Verstärker muss dann noch weiter als bei anderen Programmquellen aufgedreht werden, da die gehörrichtige Loudness ja bei weiter geöffnetem Lautstärkeregler verringert ist. Das Ergebnis: Ein "flach" und "kraftlos" und etwas zu "dumpf" klingendes Tonbild.
Dass das Fehlen des Pufferverstärkers nach dem Dekoderausgang ein technischer und ein Gebrauchsmangel war, weil ohne diesen Verstärker das Ausgangssignal nicht nur zu niedrig sondern dessen Frequenzgang auch noch von der Eingangsimpedanz des jeweils angeschlossenen (Vor-)Verstärkers abhing, wussten die Körting-Techniker, denn in der ein Jahr nach Erscheinen eingeführten Neuauflage des Tuners war auf der Platine bereits ein zusätzlicher Bereich für diesen Pufferverstärker eingefügt - leider blieb er (vermutlich nach Entscheidung der Geschäftsleute mit Ziel Kostenersparnis) unbestückt. Als ich mir im Alter von 15 von meinem dünnen Taschengeld 1969 diesen Tuner gekauft habe (mit dem dazu passenden Verstärker) hat mich das schwache, dünne Klangbild von Beginn an gestört und ich habe mir nach einigen Monaten eine Verstärkerstufe selbst auf der dafür vorgesehenen Platinenfläche aufgebaut.
Heute, 50 Jahre später, hat mich interessiert, ob ich damals einem "Ausreisser" aufgesessen bin oder ob der damals schon bemerkte Mangel hier "regulär" ist. Heute muss man ja keine 215 DM mehr bezahlen, ich habe zwei dieser Tuner gebraucht für je 10 € erstanden, einen aus der ersten (1968) serie und einen aus der 1969 Neuaflage. Die 1969-Serie hat bis auf eine kleine Änderung im Netzteil und zusätzliche Beleuchtung der Feldstärkeanzeige die gleiche Schaltung. Geändert wurde im HF- und ZF-Teil das Platinenlayout, damit die Bauteilezugänglichkeit verbessert und die Gerätegrundfläche wurde verkleinert, das Chassis wurde weniger tief und die Metall-Grundplatte als Platinenträger wurde durch einen dünnen Blechrahmen ersetzt. Dadurch konnte Material eingespart werden (Metall = Grundplatte entfallen) und das Pressholzgehäuse wurde um 3cm auf 20cm verkürzt. Das gab optisch schlechtere Proportionen aber Einsparung um einige Pfennige. Gleichzeitig wurde der dazugehörige Verstärker ebenfalls überarbeitet und auf das kleinere Gehäusemass gebracht. Weitere Änderungen: Frontblech nun ohne Schrauben, Schriftzug "Neckermann Körting" statt nur "Körting", Tuner-Skala nun mit steigender UKW-Frequenz von links nach recht (statt vorher von recht nach links), Frontscheibe statt aus massivem PMMA nun aus dünnem flexiblen "Plastik". Die letzte Änderung hat sich als nicht langzeitstabil erwiesen. Die Scheiben dieser zweiten Serie sind inzwischen alle dunkelbraun geworden, durch (Tages-/Sonnen-)Licht vergilbt. Er wirkt insgesamt dadurch auch optisch deutlich "billiger".


Es geht nachstehend weiter.
Reinhard
nachdem wir uns ja schon ausführlich mit den SABA HiFi-Stereo Receivern der Hochzeit von Saba (ca. 1968-1970), HiFi-Studio 8080 und 8120 befasst haben, wollte ich hier einmal einen Vertreter des HiFi Stereo Tiefpreis-Segments vorstellen, zu dem ich seit meiner Jugend eine sentimentale "Haßliebe" entwickelt habe.
Ich meine den Neckermann-Körting HiFi-Stereo-Tuner 821/616 (1968), bzw. deren fast gleiche Varianten 821/667 (1970) und 821/691 (1970).
Die Körting Bezeichnungen lauteten 29713 (1968), 30713 und 30715 (beide 1970)
In Deutschland hatte seinerzeit das Versandhaus Neckermann (Frankfurt/Main) das alleinige Vertriebsrecht für Körting Radio/Fernsehen in Deutschland. Auf den Geräten prangte daher meist "Neckermann-Körting" als Name, statt nur der Herstellername "Körting". Körting vertrieb die Geräte unter seinem eigenem Namen über lokale Importeure nur im Ausland (vorwiegend Österreich, Schweiz und andere benachbarte Länder) unter der Marke "Transmare". Der o.g. Tuner hieß im Ausland "Transmare T 500".
Dieser Tuner wurde erstmals im Neckermann Frühjahr/Sommer-Katalog 1968 als "HiFi-Gerät nach DIN 45500" vorgestellt und kostete 219 DM. Das war weniger als die Hälfte des Preises damaliger Mittelklasse-Tuner der Konkurrenz. Bei Saba, Grundig, Dual,..musste man um die 500 DM für einen HiFi-Stereo-Tuner auf den Tisch legen. Der Körting war also für "das kleine Budget". Ich werde hier noch darauf eingehen, welche technischen Kompromisse dafür gemacht wurden. Zum Vergleich: Ein Mittelklasse-Kofferradio kostete damals von Körting etwa den gleichen Preis (um 180-200 DM), bei anderen Firmen gut 50 bis 100 DM mehr. Das muss man im Kopf behalten: Ein HiFi-Stereo-Tuner zum Preis eines günstigen Kofferradios.
Die Norm DIN 45500 legte bestimmte Mindest-Anforderungen fest. Mit welchem Abstand der Körting Tuner die einhielt, ist nicht bekannt, denn in den Technischen Daten fand man nur die Empfangsbereiche (L,M.K, UKW) mit den Frequenzbereichen, Empfindlichkeit für AM (15µV), Ausgangsspannung an 470 kOhm (80 mV !), 6 AM-Kreise, 10 FM Kreise (davon 8 abstimmbar) und den Satz "Das Gerät entspricht den Anforderungen nach DIN 45500".
DIN 45500 (Blatt 2, Mindestanforderungen an UKW-Empfangsteile) sagt
...bei 1mV HF Antenneneingangsspannung am 240 Ohm Antenneneingang:
Übertragungsbereich 40- 12500 Hz +/- 3dB, 50-6300 Hz +/- 1,5 dB
Kanalunterschied bei Stereo < 3 dB
Klirrfaktor bei 1 kHz und 40 kHz Hub < 2% (Stereo R/L)
Stereo-Übersprechdämpfung wenigstens 26 dB für 250-6300 Hz und wenigstens 15dB für 6300-12500 Hz
Fremdspannungsabstand bezogen auf auf 1kHz mod/40kHz Hub wenigstens 46 dB (NF Bandpass 40Hz bis 15 kHz)
Geräuschspannungsabstand bez. auf 1kHz mod/40 kHz Hub wenigstens 54 dB (NF Bandpass 40Hz bis 15 kHz)
Pilotton-Fremdspannungsabstand bei 67,5 kHz Hub, selektiv wenigstens 20 dB bei 19 kHz, wenigstens 30 dB bei 38 kHz
Ausgangsspannung bei 40kHz Hub an 470 KOhm, parallel 100pF wenigstens 500mV bis max 2V
Inwieweit nun dieser Tuner tatsächlich diesen Anforderungen entspricht, dazu später mehr. Nur schon vorweg: Die allerdings allesamt wesentlich teureren HiFi-Tuner der deutschen Konkurrenz hatten 1968 absolut KEIN PROBLEM diese Mindestanforderungen nicht nur einzuhalten, sondern sie sogar in praktisch allen Punkten weit zu übertreffen.
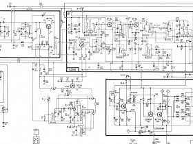
Aufbau des Tuners
Zieht man das Chassis aus dem folierten Pressholz-Gehäuse, erkennt man den sehr materialsparenden Aufbau aus einem gestanzten Blechboden, ab 1969/70 stattdessen nur aus einem dünnen U-förmigen Blechrahmen, der an den offenen Enden durch die Kunststoff-Front zusammengehalten wird. Ein Schwungrad fehlt, die Sendereinstellung geht gebremst, wie bei einem Kofferradio (dort ist ja Leichtgängigkeit auch gar nicht gewünscht, damit bei Bewegung des Geräts die Sender fest stehenbleiben. Das ist bei diesem Körting Stereo-Tuner aber keine Überraschung, denn tatsächlich handelt es sich um nichts anderes als ein in das Pressholz-gehäuse geschobenes Körting Kofferradio (z.B. Körting Arosa 829/234 (29165), Taunus 829/293 (29183), Taunus 829/285 (31183), ), bei dem Lautsprecher und NF-Endstufe entfernt wurden und stattdessen ein kleiner Netztrafo, ein kleines Netzteil und ein Switch-Mode Stereo-Decoder der allereinfachsten Standard-Bauart nachgerüstet wurde. Auf einen Pufferverstärker hinter dem Stereodekoder wurde verzichtet (Kosten), was unangenehme Folgen hat, nicht nur zu geringe Ausgangsspannung, auch dazu später mehr.
Man sieht deutlich dass die Front auch dem Kofferradio entstammt, die Rückseitenbedruckung wurde im 180° gedreht, weil das Radio im Holzgehäuse ja "auf dem Bauch" liegt, und die Drucktasten unten sein sollten. Weil man den Sendereinstellknopf (für die Mehrheit der rechtshänder) rechts haben wollte, wurde er separat rechts aussen angebaut. Die ursprüngliche Öffnung für den Drehknopf vor dem UKW-HF-Kasten blieb hier deshalb leer. Die mittlere der drei Öffnungen, die im Kofferradio für für Bass/Höhen und Lautstärke vorgesehen waren, wird hier nun durch den Stereo-Schalter benutzt.
Wenn es wahr ist, dass es sich um ein für Stereo ergänztes Körting Kofferradio handelt, dann müssten die Schaltungen für das Empfangsteil (HF- und ZF) in diesem Stereo-Tuner dazu baugleich sein. Das trifft tatsächlich auf die oben genannten Kofferradios (und noch einige mehr, die von Körting in verschiedenen Gehäusen aber weitgehend derselben Technik von ca. 1967-1970 verkauft wurden, zu. Auch die verbauten Platinen für FM-HF und ZF und AM und die Abgleichanleitungen sind im 1968er Modell zu den oben genannten Körting Kofferradios identisch.
Das ist zumindest ungewöhnlich, da Stereo eine grössere ZF-Bandbreite als FM-mono benötigt und deshalb auf Trennschärfe ausgelegte Kofferradios normalerweise nicht durch nur Nachrüsten eines Stereodekoders als HiFi-FM-Stereo-Tuner betrieben werden können. Offensichtlich aber wurde bei Körting gefunden, dass ihre Kofferradios eine für Stereo nach DIN45500 ausreichende ZF-Bandbreite haben und sogar der Abgleich dafür nicht geändert werden musste. Der Abgleich wurde im Werk vermutlich effizienter/anders durchgeführt als im Service Manual angegeben (vermutlichdort mit Vorabgleich der einzelnen Platinen/Baugruppen), denn das in der Service-Anleitung angegebene An- und Ablöten von Brücken und Hilfswiderständen, um beim Abgleich Kreise zu dämpfen, ist ausgesprochen umständlich und zeitraubend.
Der Stereodekoder wurde einfach von einem bereits bekannten einfachen Referenzdesign 1:1 kopiert:
Tuning and Adjusting Stereo Decoders - Gordon J. King - Hi-Fi News - November 1969
Lediglich die Spannungsversorgung musste von Körting umgepolt werden. Denn bei Auto-Kofferradios liegt die Versorgung auf "Minus" und Masse auf "Plus", deshalb auch bei diesem Körting Stereo-Tuner.
Der 330 Ohm Widerstand zwischen Basis und Emitter des Schalttransistors für die Stereo-Anzeige, der im Körting Schaltbild auch eingezeichnet ist, ist nicht bestückt.
Es ergeben sich aus der kreativen und kostensparenden Kofferradio-Lösung als HIFI-Stereo-Tuner (es war ja keine Neukonstruktion nötig) mit dem "Spar-Dekoder" einige Nachteile:
Die Bandbreite genügt zwar für HiFi-Stereo nach DIN 45500, aber nur knapp. Das wirkt sich auf die erreichbare Übersprechdämpfung im Stereodekoder aus, es werden gerade 26 dB (Verhältnis 20:1) bei 1 kHz erreicht. Auch ein modernerer PLL-Decoder Toshiba TA7343AP anstelle des Körting Decoders bringt es gerade auf 36dB (seine Minimum-Spezifikation. Bandbreitenerhöhung verbessert ddie Kanaltrennung, allerdings auf Kosten von Empfindlichkeit und Trennschärfe. Nach Körting Abgleichanweisung ist nicht mehr "drin".
Das "Skalenglas" aus Kunststoff (PMMA) ist beim Aufdruck für UKW nicht durchsichtig. Bei Dunkelheit ist die eingestellte Senderfrequenz trotz Belechtung von innen für UKW nicht ablesbar (typisches Kofferradio-Skalendesign aus der Zeit).
Die Unterdrückung von 19kHz Pilotton und 38kHz Hilfsträger ist mangels zusätzlicher low-pass-Filter schlecht. Die Werte nach DIN 45500 werden bei 19 kHz so gerade, bei 38 kHz kaum erreicht. Bandaufnahmen von diesem Tuner verursachten bei Wiedergabe von meinem Tonbandgerät (in jüngeren Jahren) hörbare Pfeifstörungen durch Überlagerung des Hilfsträgers (oder Oberwellen des Pilottons) mit der Oszillatorfrequenz des Bandgeräts (Philips N4414).
Das Tuner Ausgangssignal erreicht bei UKW bei 40 kHz Hub nur etwa 250 mVeff, weil hinter dem Stereodekoder eine Nachverstärkungsstufe bzw. ein Ausgangs-Pufferverstärker eingespart wurde. Das ist weit weniger als DIN 45500 vorsieht. Körting schreibt, dass der Tuner zum Betrieb mit dem "passenden" Körting Verstärker vorgesehen ist. Aber das kann den Mangel nicht beheben. Der passende Körting Verstärker hat zwar einen hochohmigen Eingang (Zin 470 kOhm), aber dennoch muss dort der Lautstärkeregler wegen des zu kleinen Tuner-Ausgangssignals übermässig weit aufgedreht werden, um Zimmerlautstärke zu erreichen. Das weitere Problem ist, dass der Stereodekoder in der gzeigten Bestückung keine normgerechte Deemphasis hat, sodern die Höhen viel zu tief absenkt (1500pF im Deemphasisglied sind zuviel). Bei einem weiteren Exemplar des Tuners gab es sogar ab Werk eine abweichende Fehlbestückung mit 10nF und R825/826 = 7,4kOhm), was an einem Grundig SXV 6000 Vorverstärker mit Zin > 220 kOhm zu einem Höhenverlust von massigen 16dB bei 10kHz (über die korrekte Deemphasis hinaus!) führte. Vermutlich ist die Dimensionierung mit 1500pF im Deemphasis-Glied dafür gedacht, dass ein Verstärker mit ca. 7dB Loudness-Höhenanhebung angeschlossen wird, der den Abfall ausgleicht. Wenn aber der Pegel so gering wie hier ist, genügt das nicht, der Höhenregler am Verstärker muss dann noch weiter als bei anderen Programmquellen aufgedreht werden, da die gehörrichtige Loudness ja bei weiter geöffnetem Lautstärkeregler verringert ist. Das Ergebnis: Ein "flach" und "kraftlos" und etwas zu "dumpf" klingendes Tonbild.
Dass das Fehlen des Pufferverstärkers nach dem Dekoderausgang ein technischer und ein Gebrauchsmangel war, weil ohne diesen Verstärker das Ausgangssignal nicht nur zu niedrig sondern dessen Frequenzgang auch noch von der Eingangsimpedanz des jeweils angeschlossenen (Vor-)Verstärkers abhing, wussten die Körting-Techniker, denn in der ein Jahr nach Erscheinen eingeführten Neuauflage des Tuners war auf der Platine bereits ein zusätzlicher Bereich für diesen Pufferverstärker eingefügt - leider blieb er (vermutlich nach Entscheidung der Geschäftsleute mit Ziel Kostenersparnis) unbestückt. Als ich mir im Alter von 15 von meinem dünnen Taschengeld 1969 diesen Tuner gekauft habe (mit dem dazu passenden Verstärker) hat mich das schwache, dünne Klangbild von Beginn an gestört und ich habe mir nach einigen Monaten eine Verstärkerstufe selbst auf der dafür vorgesehenen Platinenfläche aufgebaut.
Heute, 50 Jahre später, hat mich interessiert, ob ich damals einem "Ausreisser" aufgesessen bin oder ob der damals schon bemerkte Mangel hier "regulär" ist. Heute muss man ja keine 215 DM mehr bezahlen, ich habe zwei dieser Tuner gebraucht für je 10 € erstanden, einen aus der ersten (1968) serie und einen aus der 1969 Neuaflage. Die 1969-Serie hat bis auf eine kleine Änderung im Netzteil und zusätzliche Beleuchtung der Feldstärkeanzeige die gleiche Schaltung. Geändert wurde im HF- und ZF-Teil das Platinenlayout, damit die Bauteilezugänglichkeit verbessert und die Gerätegrundfläche wurde verkleinert, das Chassis wurde weniger tief und die Metall-Grundplatte als Platinenträger wurde durch einen dünnen Blechrahmen ersetzt. Dadurch konnte Material eingespart werden (Metall = Grundplatte entfallen) und das Pressholzgehäuse wurde um 3cm auf 20cm verkürzt. Das gab optisch schlechtere Proportionen aber Einsparung um einige Pfennige. Gleichzeitig wurde der dazugehörige Verstärker ebenfalls überarbeitet und auf das kleinere Gehäusemass gebracht. Weitere Änderungen: Frontblech nun ohne Schrauben, Schriftzug "Neckermann Körting" statt nur "Körting", Tuner-Skala nun mit steigender UKW-Frequenz von links nach recht (statt vorher von recht nach links), Frontscheibe statt aus massivem PMMA nun aus dünnem flexiblen "Plastik". Die letzte Änderung hat sich als nicht langzeitstabil erwiesen. Die Scheiben dieser zweiten Serie sind inzwischen alle dunkelbraun geworden, durch (Tages-/Sonnen-)Licht vergilbt. Er wirkt insgesamt dadurch auch optisch deutlich "billiger".
Es geht nachstehend weiter.
Reinhard
Dieser Beitrag wurde bereits 9 mal editiert, zuletzt von „oldiefan“ ()
.....