Hallo Freunde des guten Saba Tons,
ich habe nun ein ganz besonderes Saba Radio in Angriff genommen, eine von der Zeit und Basteleingriffen stark mitgenomene Sabette 11 von 1961. Das Gerät ist genau so alt wie ich und schon deshalb ist die Betrachtung und Beschäftigung mit der Technik des Geräts etwas Besonderes.
Bezirzt hat mich dieses Modell damit, dass es erstens ein Gehäuse aus Sperrholz / Tischlerplatte hat, einen ziemlich soliden Lautsprecher und weil viele seiner Bauteile und Baugruppen dieselben sind, wie bei viel größeren Geräten.
Das Gehäuse ist noch ganz, hat aber eine vergilbte und teils abgelöste Kunstlederbespannung. Das habe ich nach dem Herauslösen des "Chassis" erst einmal auf die Seite gestellt. Sollte das Radio reparabel sein, kann man sich immer noch darum kümmern.
Im Gehäuse war auch ursprünglich ein Batteriehalter vorgesehen, der fehlt. Allerdings würde ich ohnehin eine Netzversorgung anstreben.
Das Chassis besteht aus einem kleinen Rahmen aus Metall, an den die Platine und seitlich der AM/FM Drehko angebaut sind. Am Drehko wiederum ist die UKW-Box angebracht. Dieses Modell kannte ich noch nicht.
Zunächst ein paar Bilder zur Übersicht:
Chassis noch im Gehäuse,

der Blick auf die Printseite nach dem Ausbau,

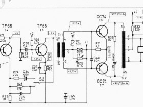
die NF-Sektion - n i c h t eisenlos - mit 2 Übertragern.

Dort sitzt auch die zum Netzteil gehörende berüchtigte "Stabilyt-Zelle", die hier, obwohl schon undicht, keine Schäden auf der Platine verursacht hat.

Hier ein für so ein kleines Kofferradio sehr rustikaler und robuster Tastensatz

und dann die ZF-Sektion mit den auch viel später noch Saba-typischen Filtern.

Dann kommt der grundsolide Doppeldrehko für FM und AM

und schließlich die bemerkenswerte UKW-Box, bei der die Kopplungsschraube des Ausgangsfilters (1.ZF-Filter) wohl früher bei einem Abgleichversuch aus der Führung gesprungen ist.

Das habe ich als Erste Hilfe Maßnahme gleich nach dem Fotografieren wieder eingerenkt.
Ja, was fällt noch auf? Jede Menge Vitrohm Kohlemassewiderstände, eine der Wicklungen auf dem Ferritstab ist völlig zerstört, mehrere Anschlüsse sind abgerissen, alle Dioden und Transistoren sind Germaniumtypen...
Jetzt gilt es, sich über Sinnhaftigkeit und Reihenfolge der nötigen Arbeiten klar zu werden. Anregungen und Meinungen sind willkommen. Hat Jemand hier dieses Radio? Wenn ja, wie sind Klang und Empfangsleistung?
ich habe nun ein ganz besonderes Saba Radio in Angriff genommen, eine von der Zeit und Basteleingriffen stark mitgenomene Sabette 11 von 1961. Das Gerät ist genau so alt wie ich und schon deshalb ist die Betrachtung und Beschäftigung mit der Technik des Geräts etwas Besonderes.
Bezirzt hat mich dieses Modell damit, dass es erstens ein Gehäuse aus Sperrholz / Tischlerplatte hat, einen ziemlich soliden Lautsprecher und weil viele seiner Bauteile und Baugruppen dieselben sind, wie bei viel größeren Geräten.
Das Gehäuse ist noch ganz, hat aber eine vergilbte und teils abgelöste Kunstlederbespannung. Das habe ich nach dem Herauslösen des "Chassis" erst einmal auf die Seite gestellt. Sollte das Radio reparabel sein, kann man sich immer noch darum kümmern.
Im Gehäuse war auch ursprünglich ein Batteriehalter vorgesehen, der fehlt. Allerdings würde ich ohnehin eine Netzversorgung anstreben.
Das Chassis besteht aus einem kleinen Rahmen aus Metall, an den die Platine und seitlich der AM/FM Drehko angebaut sind. Am Drehko wiederum ist die UKW-Box angebracht. Dieses Modell kannte ich noch nicht.
Zunächst ein paar Bilder zur Übersicht:
Chassis noch im Gehäuse,
der Blick auf die Printseite nach dem Ausbau,
die NF-Sektion - n i c h t eisenlos - mit 2 Übertragern.
Dort sitzt auch die zum Netzteil gehörende berüchtigte "Stabilyt-Zelle", die hier, obwohl schon undicht, keine Schäden auf der Platine verursacht hat.
Hier ein für so ein kleines Kofferradio sehr rustikaler und robuster Tastensatz
und dann die ZF-Sektion mit den auch viel später noch Saba-typischen Filtern.
Dann kommt der grundsolide Doppeldrehko für FM und AM
und schließlich die bemerkenswerte UKW-Box, bei der die Kopplungsschraube des Ausgangsfilters (1.ZF-Filter) wohl früher bei einem Abgleichversuch aus der Führung gesprungen ist.
Das habe ich als Erste Hilfe Maßnahme gleich nach dem Fotografieren wieder eingerenkt.
Ja, was fällt noch auf? Jede Menge Vitrohm Kohlemassewiderstände, eine der Wicklungen auf dem Ferritstab ist völlig zerstört, mehrere Anschlüsse sind abgerissen, alle Dioden und Transistoren sind Germaniumtypen...
Jetzt gilt es, sich über Sinnhaftigkeit und Reihenfolge der nötigen Arbeiten klar zu werden. Anregungen und Meinungen sind willkommen. Hat Jemand hier dieses Radio? Wenn ja, wie sind Klang und Empfangsleistung?
Achim
Dieser Beitrag wurde bereits 1 mal editiert, zuletzt von „nightbear“ ()

