Hallo zusammen,
ich habe von meinen Großeltern einen Saba Villingen 100 von 1960 bekommen und versuche zur Zeit, diesen wieder zum laufen zu bringen.
Grundkenntnisse im Bereich Elektrotechnik sind vorhanden, allerdings habe ich von Funktechnik und vor allem von Röhren keine Ahnung. Ich würde mich aber freuen, wenn ich hier etwas dazu lernen kann.
Bei dem Radio habe ich schon alle Papier und Teer Kondensatoren durch Folienkondensatoren bzw Elkos von atr-shop.de ersetzt. Allerdings habe ich mich bei der Bestellung verzählt und einen zu wenig bestellt (C36 mit 47nF) aber Ersatz ist schon unterwegs. Den großen, silbernen Becherkondensator (C52/C53) mit 2 mal 50µF habe ich auch noch nicht ersetzt, weil ich noch keinen passenden Ersatz gefunden habe. Vielleicht trenne ich einfach die Kontakte durch damit es original aussieht und löte auf die Unterseite der Platine zwei 47µF Elkos. Oder kennt von Euch jemand eine Bezugsquelle für einen passenden, neuwertigen Becherkondensator? Die meisten haben ein Gewinde aber ich suche einen für Printmontage.
Außer den Kondensatoren habe ich noch ein paar Kleinigkeiten erneuert: neue Skalenlämpchen, eine neue Sicherung und ein original Saba Netzkabel weil das ursprüngliche irgendwann schon mal durch ein neutrales ersetzt wurde.
Eine Serviceanleitung habe ich schon gefunden und die war auch schon sehr hilfreich. Leider habe ich aber noch keine Bedienungsanleitung gefunden. Hat von Euch zufällig jemand die Bedienungsanleitung als PDF? Zum Beispiel wüsste ich gerne, wofür der „Sprache“ Knopf gut ist.
Grundsätzlich funktioniert jetzt das meiste. Ich habe mal ein Video vom aktuellen Stand gemacht: youtube.com/watch?v=hVTo6ZlvIfw
Es gibt ein starkes Brummen. Ich vermute mal, dass das an den bereits erwähnten Kondensatoren liegt, die ich noch nicht ersetzt habe. Der K-Bereich funktioniert relativ gut. Ich habe auch schon mit zwei Widerständen ein Adapterkabel für den Tonabnehmereingang gebastelt und über einen 3,5mm Stecker mein Handy angeschlossen. Das funktioniert wunderbar. Allerdings funktioniert der UKW-Empfang nicht. Bei manchen Frequenzen emfängt er ein Knistern, das kann man in meinem Video gut hören.
Das „magische Band“ funktioniert prinzipiell, nur zeigt es irgendwie unplausible Werte an. Im K-Bereich funktioniert es noch relativ gut. Wenn man einen Sender richtig eingestellt hat, schlägt das magische Band aus, wenn auch nur minimal. Ich glaube das kann man im Video nicht so gut erkennen. Im UKW Bereich ist das Band immer ziemlich weit ausgeschlagen, egal welche Frequenz man einstellt.
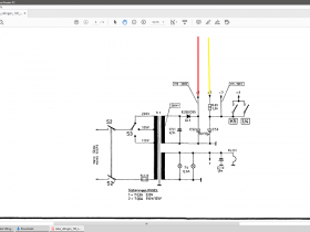
Eine Sache ist mir noch aufgefallen: Auf dem Schaltplan ist zwischen den zwei Polen der Einbauantenne ein 8pF Kondensator eingezeichnet (C122). Den kann ich im Gerät aber nicht finden. Stattdessen sind zwei Kabel der Antenne kurzgeschlossen. Man kann das auf einem der Fotos erkennen. Mir kommt das sehr seltsam vor.
Die Mechanik funktioniert soweit ich das beurteilen kann sehr gut.
Außerdem kann man bei allen Röhren sehen, dass im Inneren etwas glüht.
Habt ihr eine Idee, was ich als nächstes testen sollte?
Vielen Dank im Voraus!
Julian
ich habe von meinen Großeltern einen Saba Villingen 100 von 1960 bekommen und versuche zur Zeit, diesen wieder zum laufen zu bringen.
Grundkenntnisse im Bereich Elektrotechnik sind vorhanden, allerdings habe ich von Funktechnik und vor allem von Röhren keine Ahnung. Ich würde mich aber freuen, wenn ich hier etwas dazu lernen kann.
Bei dem Radio habe ich schon alle Papier und Teer Kondensatoren durch Folienkondensatoren bzw Elkos von atr-shop.de ersetzt. Allerdings habe ich mich bei der Bestellung verzählt und einen zu wenig bestellt (C36 mit 47nF) aber Ersatz ist schon unterwegs. Den großen, silbernen Becherkondensator (C52/C53) mit 2 mal 50µF habe ich auch noch nicht ersetzt, weil ich noch keinen passenden Ersatz gefunden habe. Vielleicht trenne ich einfach die Kontakte durch damit es original aussieht und löte auf die Unterseite der Platine zwei 47µF Elkos. Oder kennt von Euch jemand eine Bezugsquelle für einen passenden, neuwertigen Becherkondensator? Die meisten haben ein Gewinde aber ich suche einen für Printmontage.
Außer den Kondensatoren habe ich noch ein paar Kleinigkeiten erneuert: neue Skalenlämpchen, eine neue Sicherung und ein original Saba Netzkabel weil das ursprüngliche irgendwann schon mal durch ein neutrales ersetzt wurde.
Eine Serviceanleitung habe ich schon gefunden und die war auch schon sehr hilfreich. Leider habe ich aber noch keine Bedienungsanleitung gefunden. Hat von Euch zufällig jemand die Bedienungsanleitung als PDF? Zum Beispiel wüsste ich gerne, wofür der „Sprache“ Knopf gut ist.
Grundsätzlich funktioniert jetzt das meiste. Ich habe mal ein Video vom aktuellen Stand gemacht: youtube.com/watch?v=hVTo6ZlvIfw
Es gibt ein starkes Brummen. Ich vermute mal, dass das an den bereits erwähnten Kondensatoren liegt, die ich noch nicht ersetzt habe. Der K-Bereich funktioniert relativ gut. Ich habe auch schon mit zwei Widerständen ein Adapterkabel für den Tonabnehmereingang gebastelt und über einen 3,5mm Stecker mein Handy angeschlossen. Das funktioniert wunderbar. Allerdings funktioniert der UKW-Empfang nicht. Bei manchen Frequenzen emfängt er ein Knistern, das kann man in meinem Video gut hören.
Das „magische Band“ funktioniert prinzipiell, nur zeigt es irgendwie unplausible Werte an. Im K-Bereich funktioniert es noch relativ gut. Wenn man einen Sender richtig eingestellt hat, schlägt das magische Band aus, wenn auch nur minimal. Ich glaube das kann man im Video nicht so gut erkennen. Im UKW Bereich ist das Band immer ziemlich weit ausgeschlagen, egal welche Frequenz man einstellt.
Eine Sache ist mir noch aufgefallen: Auf dem Schaltplan ist zwischen den zwei Polen der Einbauantenne ein 8pF Kondensator eingezeichnet (C122). Den kann ich im Gerät aber nicht finden. Stattdessen sind zwei Kabel der Antenne kurzgeschlossen. Man kann das auf einem der Fotos erkennen. Mir kommt das sehr seltsam vor.
Die Mechanik funktioniert soweit ich das beurteilen kann sehr gut.
Außerdem kann man bei allen Röhren sehen, dass im Inneren etwas glüht.
Habt ihr eine Idee, was ich als nächstes testen sollte?
Vielen Dank im Voraus!
Julian

da genügt wenn du 25 - 35 Volt einbaust. Der jetztige Elko wird es dir sicher nicht danken. Weil er nie und nimmer die Nachformierung mit max. 12 V der Kathodenspannung von der E(C)
Mia
