9240 Überarbeitung

      9240 Überarbeitung

      Hallo,
      ich bin nun schon seit einiger Zeit ein stiller Mitleser.
      Tolles Forum für Saba-Freunde.
      Vor einiger Zeit habe ich mir einen 9240 zugelegt. Günstig aus Erstbesitz. Nach Inbetriebnahme war der einzige, offensichtliche Defekt lediglich das Zahnrad der Senderabstimmung.
      Nun, nachdem das Gerät einige Zeit im Wohnzimmer spielte, steht es in der Werkstatt zur Revision. Den Ratgeber von Herrn Gertenbach und Herrn Sauer habe ich auch.
      Jetzt stoße ich aber auf das erste Problem. Das FM-ZF-Modul weicht bei einigen Bauteilen extrem vom Schaltplan ab ?(
      Im Detail: C322 Soll 10µF Tantal, ist bei mir 100nF Folienkondensator
      dann gibt es eine Diode, D336
      C336 hat 4,7µF statt 2,2µF
      Die Frage die sich mir nun stellt lautet, soll ich die Bauteile gemäß Schaltplan tauschen? Muss ich dann einen Neuabgleich des Tuners vornehmen? (Da fehlt mir allerdings das Fachwissen, die Erfahrung und vor allem das Messequipment). Oder sollte ich das Modul nicht revidieren, gemäß dem Motto: Don´t touch a running System.

      Vielen Dank schon mal im Voraus....

      Liebe Grüße Jürgen.
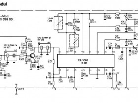
      Hallo Jürgen,

      Du hast offensichtlich diese Schaltung des ZF-Moduls:



      Lass die Schaltung wie sie ist. Sie passt zum verwendeten IC CA3089. Den Elko kannst Du natürlich durch einen neuen ersetzen. Ein Neuabgleich ist danach nicht notwendig.

      Es gibt mehrere Versionen des ZF-Moduls, meist ist der Schaltkreis CA3189 zu finden, der eine geringfügig andere Außenbeschaltung benötigt.

      Viele Grüße,
      Christian
      **************************************************
      2 + 2 = 5 (für extrem große Werte von 2)
      Hallo Michael,

      ich habe da auf meiner Einkaufsliste einen Folienkondensator gesetzt......Wie in einigen Beiträgen insbesondere von Achim stand: bis 4,7µF hätte er alles durch MKP Folienkondensatoren ersetzt. Diese vorgehjensweise versuche ich ebenfalls umzusetzen. Es sei denn es sind bereits Folienkondensatoren verbaut, und diese sehen optisch noch gut aus.
      Gruß
      Jürgen.
      Kann man machen, aber an der Stelle bringt ein Folienkondensator nur Kosten, aber keine Vorteile. Die Bemerkung von Achim und anderen bezieht sich in erster Linie auf Elkos im Signal -- hier hat er eine andere Funktion. Insbesondere liegt immer eine positive Spannung an, sodass ein Elko genau richtig ist. Ein Tantal hat nur leicht bessere Eigenschaften, vor allem bei hoeheren Frequenzen.

      Besten Gruss,

      Michael
      Hallo,
      ich wollte mich nochmals kurz melden. Das gute Stück ist fertig! Vielen Dank nochmal für die Hilfe. Sowohl die Aktive als auch die Inaktive (Lesen im Forum)
      Seit gestern versieht der Receiver seinen Dienst im Wohnzimmer an den Braun L1030 und macht bis jetzt einen fantastischen Eindruck. Wieder ein Saba fit für die nächsten Jahre gemacht (hoffentlich :D ).
      Liebe Grüße Jürgen
      Ich bleibe dem Forum aber erhalten.....
      Hallo,
      leider war die Aussage fertig zu sein etwas verfrüht!
      Der von mir überarbeitete SABA 9240 fing nach einiger Zeit im Loudnessbetrieb an zu knacken. Beim Ausschalten des Loudness, welches von einem weiteren lauten Knacken begleitet wurde, war dieses dann weg. Ich habe den Receiver dann die letzten Tage ohne Loudness und ohne Knacken betrieben. Heute sind die von mir besorgten zwei IC "SD5000N" welche das Loudness schalten angekommen. Eingebaut - Knacken weg!
      Ich wollte Euch diese Information nicht vorenthalten, für alle die ein gleiches bzw. ähnliches Fehlerbild haben oder bekommen.
      In diesem Sinne nochmals vielen Dank für die Unterstützung und eine schöne Weihnachtszeit.
      Bis zum nächsten Projekt!
      Ich werde aber hier aber fleißig weiter lesen und lernen.....
      LG Jürgen