AS5F, Abgleichsender Grundig

      AS5F, Abgleichsender Grundig

      Instandsetzung eines Grundig AS5F

      So etwa vor 10 Jahren bekam ich günstig defekt den Messsender.
      Gut verpackt schlummerte er bei mir, jetzt mache ich gerade eine Instandsetzung.
      Fertig bin ich noch nicht, hier der erste Teil Gerätevorstellung.

      Vermutlich war der AS5(F) ab 1980 bei Grundig erhältlich.
      AS5 und AS5F unterscheiden sich nur gering, hauptsächlich bei der Modulationsmöglichkeit.
      Das Gerät deckt einen weiten Frequenzbereich ab, 0,1 bis 120 MHz in 10 Frequenzbereichen.
      Ausgewählte Bereiche kann man in AM und FM modulieren, intern und extern.
      Somit kann man Radios AM LMK damit überprüfen und auch UKW FM.
      Einen Stereoencoder hat das Gerät anscheinend nicht, geht eventuell über extern.

      Man kann damit auch ZF-Stufen überprüfen, nicht nur 455 kHz und 10,7 MHz, auch TV.
      Auch kann man den Messender als Wobbelgenerator benutzen, schön bei ZF.
      Sogar zwei Marken kann man setzen, sehr hilfreich bei Durchlasskurven.

      Der Frequenzzähler taugt für 50 kHz bis 199,99 MHz, leider nur 4 1/2 Stellen.
      Laut Grundig liegt die Genauigkeit bei bei 10^-4, könnte besser sein.
      Der Takt für den Frequenzzähler kommt von einem Ziehquarzoszillator.
      Läuft der Kasten, werde ich den Oszillator genau abgleichen, habe die Messmittel.

      Das ist die erste Beschreibung mit ein paar Bildern, bin mitten in der Instandsetzung.
      Im Gerät sitzen viele Roedersteine, ab hohem Alter gern Ausfallkandidaten.
      Unterlagen wie Anleitung (englisch) und Schaltpläne findet man im www problemlos.

      Andreas
      Bilder
      • as5f-1.jpg

        124,08 kB, 400×800, 77 mal angesehen
      • as5f-2.jpg

        191,79 kB, 800×533, 47 mal angesehen
      • as5f-3.jpg

        203,92 kB, 800×640, 44 mal angesehen
      • as5f-4.jpg

        115 kB, 551×800, 52 mal angesehen
      Was bedeutet DL2JAS? Amateurfunk, www.dl2jas.com
      Ein feines Gerät! Viel Spaß dabei. Ich hab's leider nie zu einem AS5 gebracht. Heute sind sie ja recht gefragt und noch relativ teuer.
      Der Unterschied ist übrigens, der AS 5F hat gegenüber dem AS 5 zwei weitere Wobbelbereiche, nämlich den Fernseh-Ton-ZF-Bereich (Df) und Bild-Zf-Bereich.
      Der AS 5 ohne "F" wobbelt alle Bereiche die man zum Radio-Abgleich braucht, also Zf und Hf für AM und FM.

      Beide kamen 1979 heraus und liefen einige Jahre. Naja, Hans weiß das alles sicher genauer.
      VG Stefan
      Grundig hatte eine hervorragende Messgeräteentwicklung, Nordmende sollte man auch erwähnen.

      Der AS5 hat gegenüber den asiatischen "Standard-Signalgeneratoren" dieser Zeit (Meguro, Panasonic, Leader,...) den Vorteil, dass man mit ihm auch wobbeln kann. Dafür fehlt beim AS5 der Stereo-Encoder, den Grundig ja als separates Gerät im Programm hatte und deshalb bei Grundig diese Funktion nicht eingebaut sein musste. Die "grösseren" Modelle der Japaner hatten später einen Stereo-Encoder integriert, aber zunächst meist noch ohne Preemphasis.

      Will sagen...die eierlegende Wollmilchsau ist schwer zu finden. An irgendeinem Ende muss man sich mit zusätzlichen Komponenten behelfen oder benötigt noch ein weiteres Gerät, das die Lücke füllt. Für's Hobby soll das ganze auch finanziell im zumutbaren Rahmen bleiben. Auch ein funktionierender AS5 hat ja immer noch einen stolzen Preis.

      Es hat auch entsprechende Messender von HP, Rohde & Schwarz, Wandel & Goltermann u.a. gegeben und in USA war wohl der "Sound Technology ST-1000A" mal recht populär.
      Heutzutage haben ja die besseren einfachen Signalgeneratoren für bis 120 MHz oder mehr auch AM- und FM-Modulation integriert und können auch wobbeln. Da fehlt nur wieder der Stereo-Encoder.

      Gruß
      Reinhard

      Dieser Beitrag wurde bereits 2 mal editiert, zuletzt von „oldiefan“ ()

      Weiter geht es, der erste Abend Instandsetzung!

      Ich arbeite mich von hinten nach vorn durch, also beim Netzteil beginnend.
      Der AS5(F) ist recht servicefreundlich, kein Kamikaze beim Wechseln von Bauteilen notwendig.
      Alle Module sind gesteckt und zusätzlich mit Schrauben und Halterungen gesichert.
      Ohne vorher einzuschalten wechselte ich alle Elkos, muss nicht sein.
      Ich entschied mich dafür, weil bei mir hochwertige Elkos wie F&T, Jamicon und NCC hineinkommen.
      So habe ich hoffentlich mindestens 10 Jahre Ruhe, auch bei häufigerem Gebrauch.
      Elektroniklaien rate ich davon ab, pauschal alle Elkos in einem Arbeitsgang zu tauschen.
      Die Gefahr ist zu groß, daß man sich ungewollt einen Fehler einbaut.
      Macht man kleine Etappen, lässt sich ein Fehler wie Lötklecks oder verpolter Elko schneller finden.
      Die fünf geschirmten Oszillatormodule hinten sollte man nur ausbauen, wenn wirklich notwendig.
      Laut Schaltplan enthalten sie keine Elkos.

      Wir beginnen beim Netzteil.
      Wenn das nicht sicher funktioniert, sollte man woanders gar nicht erst auf Fehlersuche gehen.
      Direkt vor dem Trafo befinden sich drei axiale Elkos 1000 µF und ein Becherelko 10.000 µF.
      Die prüfen und eventuell auf Verdacht wechseln, bei mir Philips (blau) und ROE (goldgelb).

      Nun wagen wir uns an die Netzteilplatine, senkrechte Platine direkt neben dem Trafo.
      Die muss man ausbauen, nicht wirklich kompliziert, wenn man weiß, wie es geht.
      Wir lösen die vier Schrauben in den Ecken der Gehäuserückseite.
      Dann entfernen wir die fünf Schrauben der Halter für die Oszillatormodule.
      Nun lässt sich die Gehäuserückseite zurückziehen, reicht vermutlich.
      Ich sah das nicht sofort, baute zusätzlich auch die Netzteilplatine aus, siehe Bild.
      Das geht recht einfach, man entfernt hinten am Kühlkörper die beiden etwas dickeren Schrauben.
      Diese halten das dicke Alublech, an dem die Transistoren und Regler angeschraubt sind.

      Auf der Platine fand ich drei axiale Philipse, die am Komponententester etwas Ostereiform zeigten.
      Der stehende Elko ROE sah noch gut aus, sollte man aber in der warmen Umgebung lieber wechseln.
      In der Fortsetzung kommen die "dicken Hunde", mehrere Elkos mit sattem Kurzschluss.

      Andreas
      Bilder
      • as5f-5.jpg

        187,16 kB, 800×600, 40 mal angesehen
      Was bedeutet DL2JAS? Amateurfunk, www.dl2jas.com
      Nachtrag Netzteil

      Im Bild sieht man gut den Trafo, die großen Elkos und stehend die Netzteilplatine.
      Oben die Sicherung auf der Platine ist für die Betriebsspannung 5 Volt.
      Löst die aus, leuchtet die rote LED, die man unterhalb der Sicherung sieht.
      Dann hat möglicherweise der große Becherelko auf der Hauptplatine einen Kurzschluss.

      Im zweiten Bild der große Becherelko, den ich auslötete.
      Der sitzt auf der durchkontaktierten Hauptplatine, Leiterbahnen auf der Ober- und Unterseite.
      Das Auslöten mit Lötstation ist etwas Fummelei.
      Einfacher wird es, wenn man die Pins unten fast bündig mit der Platine vorher absägt.
      Ich nahm dafür eine Minibohrmaschine mit kleiner Trennscheibe.
      Etwas aufpassen, nicht die Leiterbahnen beschädigen!
      Immer kurz hintereinander ein Lötauge erhitzen und mit Gefühl etwas hebeln.
      Das bringt dann jeweils zehntel Millimeter, bis der Elko draußen ist.
      Manche nehmen an solchen Stellen ein Heißluftgebläse, nicht so mein Fall.

      Andreas
      Bilder
      • as5f-netzteil.jpg

        220,41 kB, 800×800, 26 mal angesehen
      • b-elko.jpg

        104,19 kB, 600×600, 32 mal angesehen
      Was bedeutet DL2JAS? Amateurfunk, www.dl2jas.com
      Hallo Andreas,

      mein Exemplar leistet mir schon lange gute Dienste. Bisher zeigt es nur eine Schwäche: im UKW-Frequenz Bereich driftet die Frequenz etwas. Nicht dramatisch, aber so, dass man immer wieder einige 10 kHz nachjustieren muss. Das lässt auf eine Temperaturabhängigkeit schließen. Andere Frequenzbereiche sind stabiler. Im Web habe ich schon ähnliche Beschreibungen vom AS5 gehört.

      Viele Grüße,
      Christian
      **************************************************
      2 + 2 = 5 (für extrem große Werte von 2)
      Mein Radiometer Copenhagen re101 driftet nach Einschalten auch. Erst nach ca. einer bis zwei Stunde Aufwärmzeit ist er ausreichend "stabil". Das heisst, dass die Frequenz in einer Stunde nicht mehr als 10 kHz "wandert".
      Die Spezifikation des re101 sagt: "Nach einer Stunde Aufwärmzeit wandert die Frequenz um weniger als 10 kHz innerhalb von drei Stunden und weniger als 5 kHz in 15 Minuten."
      In ppm/Stunde sind das 10 ppm/Stunde Drift bei 100 MHz. Aber erst nach wenigstens einer Stunde Aufwärmzeit.

      Lt. Grundig Spezifikation nach 2,5 Stunden Aufwärmzeit kann die Drift des AS5 immer noch bis zu 600 ppm /Stunde betragen. Das ist leider die von Andreas schon benannte Schwäche dieses Geräts, die Christian auch bestätigt. Man sollte also bereits einen Tag vorher den AS5 einschalten und dabei die Raumtemperatur konstant halten, damit er zu Messbeginn vollständig aufgewärmt ist und die Temperaturdrift weitgehend abgeklungen ist. Der AS5 hat einen miserablen Temperaturkoeffizienten für die Frequenzstabilität von 500 ppm/K (Datenblatt). Offenbar ist der AS5 darauf ausgelegt, in konstant 23 °C warmem Raum ohne Sonneneinstrahlung und ohne Luftzug betrieben zu werden (s. Spezifikationen) und im Dauerbetrieb zu laufen.

      Mein Japaner, LG 3216, ist bereits ab Einschaltmoment bzw. nach 15 Minuten, langzeitstabil. Spezifiziert ist er mit < 50 ppm Langzeitstabilität. Tatsächlich rührt sich die digitale Frequenzanzeige (MHz) mit vier Nachkommastellen auch in der vierten/letzten Nachkommastelle selbst bei 100 MHz auch nach Stunden noch nicht mal um 1 kHz. Also tatsächlich sogar deutlich besser als 10 ppm und das Raumtemperatur-unabhängig.

      Gruß
      Reinhard

      Dieser Beitrag wurde bereits 8 mal editiert, zuletzt von „oldiefan“ ()

      Christian, ist im Hinterkopf abgespeichert!

      Es ist ganz normal, daß Messgeräte wie AS5 erst mal warmlaufen sollten.
      Ich habe mehrere Generatoren mit Quarzofen, Dekaden genauer.
      Je nach Messung lasse ich dann so einen Kasten drei Tage warmlaufen.
      Häufig haben so Dinger stand by, dann läuft nur der Oszillator im Quarzofen.

      Ich deutete an, daß ich den AS5F abgleichen werde, den Frequenzzähler.
      Das mache ich mit so einem zuvor genannten Kasten mit entsprechender Warmlaufzeit.
      Auch den AS5F lasse ich dann mehrere Stunden vor Abgleich warmlaufen.
      Wichtig, das Gehäuse bleibt dann geschlossen, wird nur kurz zum Abgleich geöffnet.
      Dann wieder Deckel drauf, Stunde warten, kontrollieren, eventuell nochmals justieren.

      Andreas
      Was bedeutet DL2JAS? Amateurfunk, www.dl2jas.com
      Wir gehen auf Los und ziehen von der Bank 10.000 Mark ein!

      Nach dem Netzteil empfiehlt es sich, direkt zur Front zu gehen, die Platine Bedienteil.
      Dort befinden sich 6 schwarze Elkos 1000 µF 16 Volt von Roederstein.
      Drei von denen zeigten bei mir satten Kurzschluss, somit ist es sinnvoll, alle zu wechseln.
      Im Gerät war kaum Staub und Wärmespuren waren nicht erkennbar, auch nicht auf der Netzteilplatine.
      Daraus folgere ich, mein AS5F hat nur wenige Betriebsstunden hinter sich.
      Manche Roedersteine fallen immer wieder unangenehm auf, selbst bei Neuware NOS Defekte.

      Wie kommen wir servicefreundlich an die Bedienteilplatine an der Front?
      Zuerst entfernen wir die vier Schrauben an den Ecken der Frontplatte.
      Anschließend müssen die unteren drei Knöpfe entfernt werden, sind Spannzangenknöpfe.
      Im Bild sind die drei gut zu sehen, Abdeckungen abgenommen.
      Jetzt kann man die Front abziehen und wie im nächsten Bild um 90 ° drehen.

      Die kleineren braunen Elkos sind schon ersetzt, jetzt Nippon Chemicon.
      Noch original sind die größeren schwarzen von Roederstein, wenige Minuten später gewechselt.
      Weitere Elkos befinden sich nicht auf der Bedienteilplatine.

      Demnächst geht es weiter mit den gesteckten senkrechten Platinen in der Mitte.
      Böse Überraschungen sind da eher nicht zu erwarten, alles kleinere Elkos.
      Je nach Betriebsstunden, bei meinem Gerät gering, sind natürlich mehr Ausfälle möglich.

      Andreas
      Bilder
      • knop-front.jpg

        184,01 kB, 1.000×480, 32 mal angesehen
      • as5f-6.jpg

        175,11 kB, 469×800, 44 mal angesehen
      Was bedeutet DL2JAS? Amateurfunk, www.dl2jas.com
      Hallo Andreas,

      Vor kurzem habe ich auch einen AS5 bekommen. Dieser ist mir ja bei der Geschichte mit dem FM200 einfach von einer Sekunde auf die andere abgeraucht. Schuld daran war hauptsächlich der große Röderstein Elko im Netzteil, welcher einfach ohne vorwarnung einen Kurzschluss aufwies. Alle Braunen und orangenen Elkos, die ich ersetzt habe wiesen größtenteils abweichungen jenseits von Gut und Böse auf. Dein Hinweis mit der Frontblende ist echt Gold Wert, da ich diese 4 auch noch tauschen will und einfach nicht gewusst habe, wie man da vernünftig hin kommt.

      Ein kleiner Tipp für die Steckkarte mit dem TTL-Grab drauf für den Frequenzzähler: Durch schlechte Erfahrungen mit etwas älteren Tantalkondensatoren habe ich mir die auf der Frequenzzählerplatine auch einmal angeschaut, diese ausgebaut und wenigstens einmal die Kapazität und den ESR gemessen. Die Kapazität war bei allen in Ordnung. Aber bei einigen mit größeren Kapazität war der ESR bei 15 bis 20 Ohm. Diese habe ich auch gleich alle durch Elkos ersetzt.

      Herzliche Grüße
      Fabian
      Fabian, besten Dank für den Hinweis!

      Bis jetzt lief mein AS5F noch nicht wieder, Teile bestellt.
      Der große Becherelko Roederstein zeigt bei mir etwas seltsames Verhalten.
      So Elkos habe ich normalerweise nicht auf Lager, deswegen bestellt.
      Eventuell baue ich kurzfristig provisorisch was ein, bis ich passenden Ersatz habe.

      Die Tantals untersuchte ich (noch) nicht, selten defekt, sofern nicht stark beansprucht.
      Da schaue ich einfach mal, was beim Einschalten nach Dornröschenschlaf passiert.
      Sehr ungern baue ich Elkos als Ersatz für Tantals ein.
      Elkos taugen nicht für hohe Frequenzen, da sind Tantals wesentlich besser.
      Hohe Frequenzen sind im TTL-Grab, kurze Betriebsspannungseinbrüche.
      Damit meine ich, wenn ein Gatter schaltet, Induktivitäten der Leiterbahnen.

      Andreas
      Was bedeutet DL2JAS? Amateurfunk, www.dl2jas.com
      Hauptplatine und Steckkarten

      An die Bauteile, Elkos, der Hauptplatine gelangt man recht gut.
      Den großen Becherelko stufte ich als verdächtig ein, Fabian diagnostizierte bei diesem Kurzschluss.

      Wir schauen uns die beiden Bilder an.
      Die Steckkarten sind mit einem Halter und Schrauben von der Unterseite gesichert.
      Oben den Halter markierte ich im Bild mit einem roten Punkt, wir entfernen den Halter.
      Wir ziehen nur die erste etwas kleinere Platine.
      Dazu muss man unten die beiden Schrauben lösen, ich setzte im Bild direkt daneben die roten Punkte.
      Die größere Platine mit den Logik-ICs direkt dahinter muss man nicht ausbauen.
      Dort sitzt nur ein Elko, den man jetzt gut wechseln kann.

      Andreas
      Bilder
      • plat-halter.png

        840,62 kB, 720×540, 35 mal angesehen
      • plat-schrauben.png

        837,11 kB, 720×540, 42 mal angesehen
      Was bedeutet DL2JAS? Amateurfunk, www.dl2jas.com
      Elkos vergessen!

      Ein kleiner befindet sich auf der Bedienteilplatte, eher unwichtig.
      Er gehört zu einem kleinen einstellbaren Netzteil, laut Grundig nur bis 5 mA gedacht.
      Vermutlich baue ich das später mal reversibel um für ein paar mA mehr.

      Zuvor schrieb ich, hinten in den abgeschirmten Modulen befinden sich die Oszillatorbaugruppen.
      Die Büchse direkt neben dem Trafo beinhaltet den Eingangsverstärker Frequenzzähler und Teiler.
      Wie man im Bild sieht, sitzen dort drei stehende axiale Elkos 10 µF.
      Bei C22 nahm ich statt üblichem Elko einen Tantal.
      Muss man nicht machen, jedoch sinnvoll, weil dahinter die Logik-ICs sitzen.
      Die Büchse öffnete ich nur, weil mich als HF-Mensch der Aufbau des Eingangsverstärkers interessiert.
      Später werde ich zu dem Verstärker einen eigenen Beitrag schreiben, es gibt da Besonderheiten.

      Im letzten Bild die Elkos, die ich ausbaute.
      Viele waren noch recht brauchbar, Tausch hätte nicht sein müssen.
      Am unauffälligsten waren mal wieder die weinroten Roedersteine.
      Mehrere Volltreffer mit Kurzschluss waren die etwas größeren schwarzen ROE 1000 µF.
      Ich überlasse es dem Leser, ob wer was wie tauscht.
      Hat das Gerät deutlich Betriebsstunden hinter sich, sollte man eher großzügig wechseln.
      In manchen Werkstätten laufen Messgeräte durchgehend 24 Stunden über Jahre.

      Andreas
      Bilder
      • count-in.jpg

        178,72 kB, 800×600, 32 mal angesehen
      • as5f-elkos.jpg

        108 kB, 600×600, 35 mal angesehen
      Was bedeutet DL2JAS? Amateurfunk, www.dl2jas.com
      Eingangsverstärker Frequenzzähler

      Ich beziehe mich auf das Modul im Blechgehäuse, Bild zuvor.
      Es handelt sich um einen mehrstufigen Eingangsverstärker und anschließend Teiler 1:10.
      Grundig nennt in den Spezifikationen, am Eingang sollten mindestens 500 mV effektiv anliegen.
      Anbei das Schaltbild, lud ich mir aus dem Internet herunter, daraus Ausschnitt.

      Auffallend die HF-Transistoren AF379 Germanium.
      Vermutlich handelt es sich um Resteverwertung, Überbleibsel aus Fernsehtunern.
      Bei mir sind BF479 verbaut, also Silizium, auch rundes Gehäuse.
      Habe ich jetzt nicht näher überprüft, vermutlich sind die Widerstände geringfügig anders.
      Das deswegen, damit man mit den Siliziumtransistoren auf den richtigen Arbeitspunkt kommt.
      Beide Transistoren wird man kaum noch bekommen, hier kann man gut Vergleichstypen nehmen.
      Nicht ausprobiert, BF679, BF680 und BF681 sollten gut passen, auch PNP im runden Gehäuse.

      Im Schaltbild sieht man mehrfach die Diode BA182, damit wird das HF-Signal geschaltet.
      Werden manche nicht kennen, Dioden kann man zum Schalten von HF-Signalen benutzen.
      Ist die Diode (wenige mA) leitend, geht das HF-Signal voll durch, hier etwa 1 Ω Widerstand für HF.
      Im Sperrbetrieb ist sie sehr hochohmig, eigentlich nur die Sperrkapazität.
      BA182 gibt es schon lange nicht mehr, vor vielen Jahren kaufte ich mal günstig eine Tüte.
      Die BA482 ist vermutlich identisch, hat Glasgehäuse, nicht das schwarze Kunststoffgehäuse.
      Bei mir die Dioden (Bild) sind im Glasgehäuse, sind vermutlich BA482, leider kein Aufdruck.
      Die Platine (Layout) dürfte die sein, die auch schon bei den ersten AS5(F) verwendet wurde.

      Auffallend ist die zusätzliche zweite Platine, früher offensichtlich nicht vorhanden.
      Bei den frühen AS5(F) werkelt als Teiler 1:10 ein 95H90, so etwa bis gut 250 MHz geeignet.
      Der ist bei mir nicht mehr vorhanden, deswegen die grüne Zusatzplatine.
      Dort, etwas moderner, sieht man den SP8680B von Plessey, auch kaum noch beschaffbar.
      War in einem etwas andern Zusammenhang, Reinhard gab mir einen guten Tip für Teiler 1:10.
      Aktuell in Produktion ist der MC12080 von ON, sogar bis 1,1 GHz geeignet.
      Der ist allerdings SMD, man muss sich eine Zusatz- oder Adapterplatine bauen.
      Netter Nebeneffekt, mit dem MC12080 kann man auch Teiler durch 20, 40 und 80 realisieren.

      Andreas
      Bilder
      • hf-in-freq.png

        264,42 kB, 945×619, 34 mal angesehen
      Was bedeutet DL2JAS? Amateurfunk, www.dl2jas.com
      Ein paar kleine Ergänzungen!

      Ich schrieb, laut Grundig sollte für sichere Messung das Eingangssignal mindestens 0,5 V eff betragen.
      An anderer Stelle erwähnt, demnächst plane ich das Thema Messverstärker.
      Es bietet sich somit an, dort einen Verstärker für Frequenzzähler vorzustellen.
      Besonders linear muss der nicht sein und das Ausgangssignal darf auch langsam zum Rechteck werden.

      Vorhin schaute ich, wie gut noch BA482 erhältlich sind, auch nicht mehr rosig.
      PIN-Dioden wie BA479, für HF-Abschwächer gedacht, sind für solche Zwecke eher nicht geeignet.
      Sinnvollen gut erhältlichen Ersatz fand ich bis jetzt noch nicht.

      Für HF-Schaltzwecke macht sich BA157 ganz gut, jedoch eher was für Kurzwelle, weniger für UKW.
      Haken, die Sperrkapazität ist recht hoch, ca. 10 pF bei Ur = 7 Volt.
      Mehrfach reparierte ich mit BA157 Amateurfunkgeräte Kurzwelle, z.B. DRAKE TR7.
      Somit ist der Tip mit BA157 eher an unsere Funkamateure gerichtet.
      Mit Langdrahtantenne hat man bei Gewitterluft schnell mal weit über 1000 Volt am Antenneneingang.
      Nicht ohne Grund hieß es damals: "Vergessen Sie nicht, Ihre Antennen zu erden!"

      Andreas, DL2JAS
      Was bedeutet DL2JAS? Amateurfunk, www.dl2jas.com
      Hurra, das Paket ist da!

      Gestern kamen einige wichtige Ersatzteile, auch die Elkos für den AS5F.
      Seit mehreren Jahren lege ich mir große Elkos axial oder Becherelkos nicht mehr auf Lager.

      Im ersten Bild Ausbau und Neuware, Vergleich.
      Bei den axialen Elkos achtete ich auf die richtige Länge, heute sind die Durchmesser kleiner.
      Beim Becher ist es was komplizierter, Roederstein hat meist 4 Pins bei den Bechern.
      Der Pinabstand passt prima, jedoch sitzt der Jamikon nicht mehr mittig, nächstes Bild.
      Auch sind seine Pins vom Durchmesser etwas zu dick.
      Die machte ich mit einer Minibohrmaschine und Trennscheibe schmaler, Feile geht auch.
      Die Platine sollte man nicht aufbohren, sonst zerstört man die Durchkontaktierungen, Vias.

      Erster Funktionstest, nicht beglückend, die Anzeige zeigt 0,000 in allen Modi Betriebsart.
      Vermutlich ist da noch ein Folgefehler durch die Kurzschluss-Elkos.
      Mir fiel auf, hinten der große Kühlkörper Netzteil wird sehr handwarm, noch anfassbar.
      Ob das so seine Richtigkeit hat, wage ich zu bezweifeln.
      Die Nacht suche ich nicht mehr nach Fehlern, erst mal darüber schlafen.

      Andreas

      Edit, Nachtrag 04.07.2023
      Wie man im zweiten Bild sieht, sind die Netzteilelkos C13 bis C16 getauscht.
      Anbei die gemessenen Gleichspannungswerte über diesen bei korrekter Funktion des AS5(F):
      C16 (35/40 V), Becherelko 10.000 µF 12,0 Volt
      C15 (35/40 V), Axialelko 1000 µF 28,7 Volt
      C14 (35/40 V), Axialelko 1000 µF 28,8 Volt
      C13 (63 V), Axialelko 1000 µF 35,2 Volt
      Beim Becherelko habe ich den Verdacht, daß es sich um Lagerreste von HIFI-Verstärkern handelte.
      Die Spannungsfestigkeit ist unnötig hoch, hätte nicht sein müssen, 25 Volt reicht auch.
      Ebenfalls ist die Kapazität ungewöhnlich hoch, 4700 µF sollte mehr als locker reichen.
      C13 bis C15 sind bei der Spannungsfestigkeit sinnvoll gewählt, hinreichend Reserve.
      Bei C13 würde ich nicht unnötig 40 Volt nehmen, sollte schon Minimum 50 Volt sein.


      Bilder
      • as5f-elkos2.jpg

        153,25 kB, 800×444, 23 mal angesehen
      • as5f-elkos3.jpg

        206,13 kB, 900×700, 19 mal angesehen
      • as5f-test1.jpg

        148,61 kB, 800×440, 22 mal angesehen
      Was bedeutet DL2JAS? Amateurfunk, www.dl2jas.com
      Sind es nicht die Elkos, muss man den Fehler suchen!

      Vorab, ich habe den Fehler noch nicht, lediglich einen Verdacht.
      Interessanterweise zeigt jetzt die Frequenzanzeige was an, sogar einen sinnvollen Wert.
      Nur kann man an den Knöpfen drehen, der Wert ändert sich nicht, wie eingefroren.

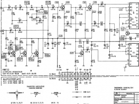
      Geht man systematisch vor, beginnt man üblicherweise beim Netzteil, siehe Bild.
      Unten die Spannung von GL1 interessiert nicht, geht zum einstellbaren Netzteil an der Front.
      Wichtig sind die Systemspannungen, die man an BU700.03 abgreifen kann.
      Grundig ist da vorbildlich, die Pins der Buchse sind entsprechend beschriftet.
      Alle Spannungen stimmen bei mir, teilweise sogar bis auf die zweite Nachkommastelle.
      Zusätzlich warf ich den Oszilloguck an, ob auf den DC-Spannungen Sauereinen zu sehen sind.
      Alles prima, kein Brumm und auch keine Schwingereien.

      Im Schaltbild sieht man die Punkte TS6 bis TS8.
      Das sind Lötbrücken, die man bei Bedarf, Fehlersuche, öffnen kann.
      Hat man z.B. einen unentdeckten Kurzschluss-Elko, ist das eine hilfreiche Sache!

      Andreas
      Bilder
      • as5f-nt.jpg

        161,86 kB, 1.000×580, 23 mal angesehen
      Was bedeutet DL2JAS? Amateurfunk, www.dl2jas.com
    • Benutzer online 8

      8 Besucher