Guten Abend,
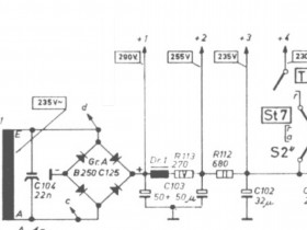
kennt jemand die Werte der Siebdrossel am Gleichrichter des Meersburg Automatic 125?
Durch einen defekten Gleichrichter hat meine Siebdrossel einen Defekt bekommen, wahrscheinlich einen Windungsschluss.
(Die Drossel glimmt an einer Stelle hell auf, wenn ich das Gerät einschalte. Der Gleichrichter wurde zwischenzeitlich ersetzt. Beim "Durchbrennen" hat er vermutlich den Schaden an der Drossel verursacht).
Ich kann mit meinem Messgerät nur ca. 108 Ohm an der Drossel messen, die Induktivität kann ich leider nicht erfassen.
Da ich versuche, bei "die Wuestens" eine Ersatzdrossel zu bestellen, brauche ich auch den Wert der Induktivität in Henry.
Grüße
Michael
kennt jemand die Werte der Siebdrossel am Gleichrichter des Meersburg Automatic 125?
Durch einen defekten Gleichrichter hat meine Siebdrossel einen Defekt bekommen, wahrscheinlich einen Windungsschluss.
(Die Drossel glimmt an einer Stelle hell auf, wenn ich das Gerät einschalte. Der Gleichrichter wurde zwischenzeitlich ersetzt. Beim "Durchbrennen" hat er vermutlich den Schaden an der Drossel verursacht).
Ich kann mit meinem Messgerät nur ca. 108 Ohm an der Drossel messen, die Induktivität kann ich leider nicht erfassen.
Da ich versuche, bei "die Wuestens" eine Ersatzdrossel zu bestellen, brauche ich auch den Wert der Induktivität in Henry.
Grüße
Michael
