Moin zusammen,
ich bin neu hier im Forum und zu einem SABA Freudenstadt 125 Stereo gekommen, wie die
Jungfrau zum Kinde - mit der Bitte, das Gerät vom leidigen Knacksen zu befreien. Ich bin zwar
kein Radio+Fernsehtechniker, habe aber Grundlagenwissen in meiner Ausbildung vor über
40 Jahren mitbekommen (Transistortechnik). Röhren sind ein bisschen Neuland für mich.
Ein netter Mensch in einem Repair Cafe hat sie professionell durchgemessen und ich
habe die ‚verschlissenen‘ getauscht. Mindestens eine der beiden EL95 hatte die Grätsche gemacht – das
Knacksen hatte sich mit dem Tausch dann erledigt. Und der Klang ist wunderbar:-)
Jetzt möchte ich noch die Kondensatoren – wo nötig – tauschen, und wende mich daher mal
an die Fachleute.
Ich habe einen etwas verwaisten Teer-Kondensator gefunden, zu dem ich folgende Fragen habe:
Die Kapazitäts- und Toleranzangaben passen anscheinend nicht zu der Ersatzteilbeschreibung für C44:

Die Daten interpretiere ich als 0,015 µF +/- 20% - gemessen habe ich 0.001 µF.
Das ist (vermutlich) die SABA Bestell-Nr. für C44, die ich allerdings nicht in der Ersatzteilliste gefunden habe:

Hier der Auszug aus der SABA-Ersatzteilliste (Kapazität passend zum Schaltplanwert, allerdings ist die
Toleranz mit 10% angegeben.):
Auszug_SABA-Ersatzteilliste.png
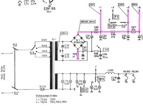
C44 am Höhenregler P2/1:
Auszug_Schaltplan.png
Jetzt weiß ich nicht, welchen Austauschkondensator ich einsetzen soll.
Zudem hing ein Anschlussdraht mit dem markierten Ende in der Luft –
ich bin mir aber nicht sicher, wo er sich gelöst hat - vermutlich an der markierten
Lötöse. Der andere Anschlussdraht ist an einer Chassis-Lötfahne befestigt.

Vielleicht kann mir ja jemand von euch einen Hinweis geben.
Zum Schluss hab ich noch eine Frage zu weiteren verbauten Kondensatoren:

Sind die silbernen Kondensatoren mit der blauen Aufschrift Styroflex Kondensatoren
(die nicht zwingend getauscht werden müssen?)?
Das wäre es mal fürs Erste ...
Vielen Dank vorweg für eure Hinweise und beste Grüße
Andreas
ich bin neu hier im Forum und zu einem SABA Freudenstadt 125 Stereo gekommen, wie die
Jungfrau zum Kinde - mit der Bitte, das Gerät vom leidigen Knacksen zu befreien. Ich bin zwar
kein Radio+Fernsehtechniker, habe aber Grundlagenwissen in meiner Ausbildung vor über
40 Jahren mitbekommen (Transistortechnik). Röhren sind ein bisschen Neuland für mich.
Ein netter Mensch in einem Repair Cafe hat sie professionell durchgemessen und ich
habe die ‚verschlissenen‘ getauscht. Mindestens eine der beiden EL95 hatte die Grätsche gemacht – das
Knacksen hatte sich mit dem Tausch dann erledigt. Und der Klang ist wunderbar:-)
Jetzt möchte ich noch die Kondensatoren – wo nötig – tauschen, und wende mich daher mal
an die Fachleute.
Ich habe einen etwas verwaisten Teer-Kondensator gefunden, zu dem ich folgende Fragen habe:
Die Kapazitäts- und Toleranzangaben passen anscheinend nicht zu der Ersatzteilbeschreibung für C44:
Die Daten interpretiere ich als 0,015 µF +/- 20% - gemessen habe ich 0.001 µF.
Das ist (vermutlich) die SABA Bestell-Nr. für C44, die ich allerdings nicht in der Ersatzteilliste gefunden habe:
Hier der Auszug aus der SABA-Ersatzteilliste (Kapazität passend zum Schaltplanwert, allerdings ist die
Toleranz mit 10% angegeben.):
Auszug_SABA-Ersatzteilliste.png
C44 am Höhenregler P2/1:
Auszug_Schaltplan.png
Jetzt weiß ich nicht, welchen Austauschkondensator ich einsetzen soll.
Zudem hing ein Anschlussdraht mit dem markierten Ende in der Luft –
ich bin mir aber nicht sicher, wo er sich gelöst hat - vermutlich an der markierten
Lötöse. Der andere Anschlussdraht ist an einer Chassis-Lötfahne befestigt.
Vielleicht kann mir ja jemand von euch einen Hinweis geben.
Zum Schluss hab ich noch eine Frage zu weiteren verbauten Kondensatoren:
Sind die silbernen Kondensatoren mit der blauen Aufschrift Styroflex Kondensatoren
(die nicht zwingend getauscht werden müssen?)?
Das wäre es mal fürs Erste ...
Vielen Dank vorweg für eure Hinweise und beste Grüße
Andreas