Hallo Kollegen,
ich brauche heute mal die Hilfe von Fachleuten auf dem Gebiet der TTL-Technik, auch wenn es kein SABA Gerät betrifft.
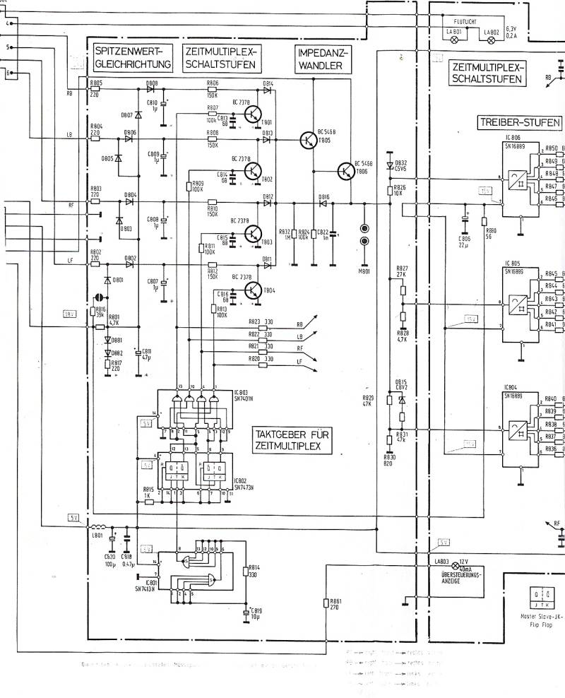
Ich habe ja diesen riesigen Telefunken TRX3000 Receiver bis auf eine Sache wieder fertig gemacht, bei der ich nicht mehr weiter komme. Es sind die VU-Anzeigen.
Das Gerät besitzt 4 mal 15 LEDs zur Aussteuerungsanzeige für die beiden Endstufen und deren beiden Kanäle. Die LEDs werden von 4 Treiberstufen ganz rechts auf dem Bild angesteuert. Davor sitzt ein Multiplexer mit seinem Taktgeber, der über einen Impedanzwandler die Treiber ansteuert.
Die LEDs bleiben dunkel, folgende Fakten stehen fest:
- Alle Versorgungsspannungen sind i. O.
- Wenn ich den Eingang der A/D Wandler auf + lege, leuchten die LEDs
- Hinter der Spitzenwertgleichrichtung ist ein lautstärkeabhängiges Signal vorhanden
Der Fehler muß wohl im Taktgeber bzw. in den Schaltstufen zu suchen sein, nur habe ich kein Ahnung, welche Meßwerte wo anzuliegen haben.
Über Unterstützung wäre ich dankbar.

Gruß, Dieter
ich brauche heute mal die Hilfe von Fachleuten auf dem Gebiet der TTL-Technik, auch wenn es kein SABA Gerät betrifft.
Ich habe ja diesen riesigen Telefunken TRX3000 Receiver bis auf eine Sache wieder fertig gemacht, bei der ich nicht mehr weiter komme. Es sind die VU-Anzeigen.
Das Gerät besitzt 4 mal 15 LEDs zur Aussteuerungsanzeige für die beiden Endstufen und deren beiden Kanäle. Die LEDs werden von 4 Treiberstufen ganz rechts auf dem Bild angesteuert. Davor sitzt ein Multiplexer mit seinem Taktgeber, der über einen Impedanzwandler die Treiber ansteuert.
Die LEDs bleiben dunkel, folgende Fakten stehen fest:
- Alle Versorgungsspannungen sind i. O.
- Wenn ich den Eingang der A/D Wandler auf + lege, leuchten die LEDs
- Hinter der Spitzenwertgleichrichtung ist ein lautstärkeabhängiges Signal vorhanden
Der Fehler muß wohl im Taktgeber bzw. in den Schaltstufen zu suchen sein, nur habe ich kein Ahnung, welche Meßwerte wo anzuliegen haben.
Über Unterstützung wäre ich dankbar.

Gruß, Dieter
Gruß, Dieter





