9241 Lautsprecherrelais

      Guten Tag,

      ich bin schon seit ein paar Tagen damit beschäftigt sämtliche Bauteile zu prüfen, die für ein relativ seltsames Problem meines geschenkt bekommenen 9241 verantwortlich sein könnten. Da mir so langsam nichts mehr einfällt dachte ich ich frage mal im Forum.

      Zur Fehlerbeschreibung:
      Nach dem ersten Einschalten zieht das Lautsprecherrelais nicht an. Wenn man das Gerät eingeschaltet lässt, sprich Schalter gedrückt lässt, eine Weile wartet, dann ausschaltet und wieder ein zieht das Relais an.
      Bei jedem weiteren Einschalten danach zieht das Relais sofort an.
      Außer man wartet ein paar Minuten dann beginnt alles von vorn (Bedeutet: Das Relais zieht zum ersten mal wieder nach dem zweiten einschalten an.)

      Sobald ich den linken Treiber herausziehe funktioniert das Gerät wie es soll!

      Meine Vermutung:
      Irgendein Kondensator lädt sich zu langsam auf das Relais zieht auf Grund eines Kurzschlusses nicht an. Während der kurzen Einschaltdauer lädt sich der Kondensator allerdings etwas auf (hat dann einen Widerstand) ist kein Kurzschluss mehr und das Relais zieht an. Parallel wird irgendein Widerstand geschalten sein über den sich der Kondensator wieder entladen kann, deshalb zieht das Relais nach ein paar Minuten/Sekunden Wartezeit auch nicht wieder an.

      Was ich bis jetzt ausschließen kann und warum:

      Alle Module im NF-Teil des Gerätes. Am HF-Teil wird es ja sicher nicht liegen.
      Ich habe alle Module im NF-Teil gegen andere getauscht und sämtliche Bauteile überprüft. Besonders gründlich habe ich die linke Endstufe, den linken Treiber und das Relais-Modul durchgemessen.

      Der Fehler muss irgendwo nach dem Treiber-Modul sein, aber nach dem Treiber kommt die Endstufe und diese funktioniert zu 100% es macht auch keinen Unterschied wenn ich sie ablöte, der Fehler besteht dann weiterhin.

      Dann habe ich alle Elkos auf der Grundplatte überprüft die funktionieren laut Ohmmeter auch (erst kleiner Widerstand dann ein paar MOhm).

      Ich hoffe jemand hat noch eine Idee an was es liegen könnte. Vielen Dank im voraus für euere Antworten.
      Gruß Michael
      Sind die Endstufen korrelt eingestellt - Ruhestrom + Gleichstrom 0??
      Beim kalten Einschalten mal mit einem Gleichspannungsmessgerät die Ausgänge der Endstufen messen (nicht hinter dem Relais messen - das ist ja noch aus). Hier müssen nach ganz kurzer Zeit 0mV sein!
      Die Trimmpotis auf den Endstufen sind Wackelkandidaten - unbedingt ersetzen.
      Das Problem ist, dass das Relais NICHT anzieht solange (geringste) Gleichspannungen auf den Ausgängen der Endstufen vorhanden sind. Diese können das Ergebnis eines falschen 0V Abgleichs, eines gealterten Trimmpotis für die 0V Einstellung sein oder aus einer vorgelagerten Verstärkerstufe verschleppt sein, da über weite Teile der Schaltung galvanisch gekoppelt ist.
      Alle Elkos im Signalweg stehen unter Verdacht (insb. Tantal und ROEderstein Krücken). Elkos werden bei derartigen Fehlern nicht mit dem Ohmmeter geprüft, da nicht aussagekräftig, sondern ersetzt
      Achim
      Guten Abend,

      das Problem ist gelöst! Das Relais zieht nun auf Anhieb an. Nach dem Austausch von 2 Elkos neben dem Relais-Modul auf der Grundplatte ging alles wieder.

      So bald ich dazu komme werde ich mich an die Digital Anzeige machen. Diese zeigt nach dem Austausch eines defekten 4700µF Kondensators(auf der Nezteilplatte) welcher auch für die defekte Sicherung verantwortlich war wenigstens ein "Standbild" an.

      Dann brauche ich noch die Lämpchen für abstimmung/fm-mitte und für die Skala, findet man diese bei Reichelt?

      Vielen Dank an Achim und Dieter für eure Tipps.
      Gruß Michael
      Hallo,

      nach einigen weiteren Stunden am 9241 zeigt die Digital Anzeige immer noch: "-1. 8. 8." Das tut sie direkt nach dem Einschalten nach einem Quellenwechsel meistens nicht mehr.

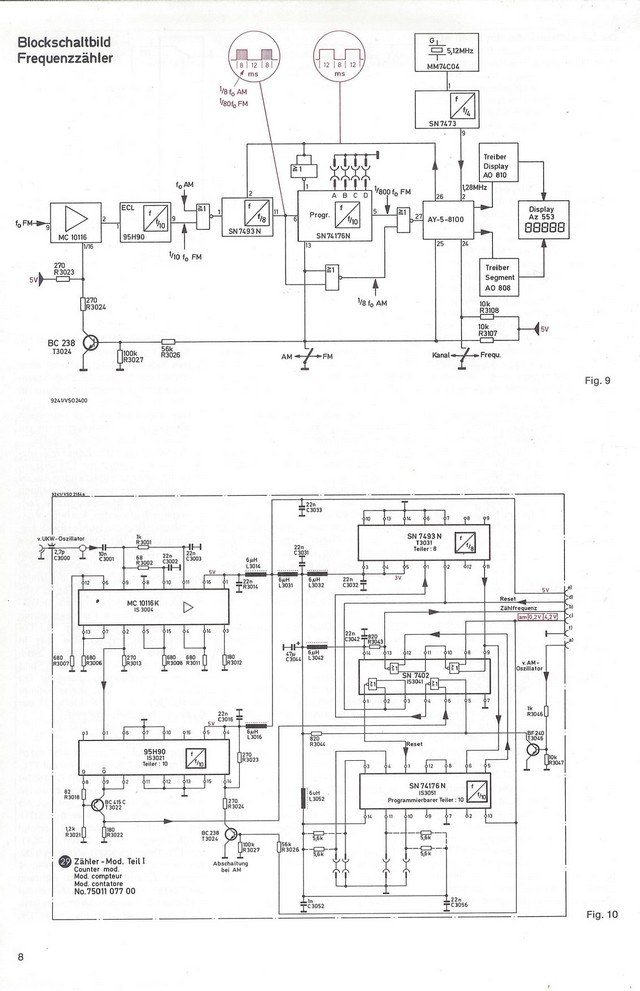
      Das Zähler-Modul bekommt:
      -21,56V; 11,5V im Schaltplan stehen -17V; 9V ist das noch im grünen Bereich oder sollte ich das Netzteil-Modul nochmal prüfen?
      Gruß Michael
      Hallo Michael,
      im Netzteil würde ich erstmal nicht suchen, das Zählermodul hat ja seine eigene Stabilisierunsschaltung eingebaut. Da kannst Du prüfen, ob die 5V etc stimmen und sauber sind.
      Im Übrigen löst man die allermeisten Probleme der DigiBox durch VOLLSTÄNDIGES Nachlöten beider Platinen und Reinigung der Kontaktschwerter für die Verbindung der Platinen untereinander.
      Achim
      Hallo,

      die Spannungen im Modul sollten mit -12V und 4,91V doch recht gut stimmen. Bis jetzt habe ich nur die Lötstellen nachgelötet, welche besonders kalt aussahen, die Kontaktschwerter habe ich auch schon gereinigt. Ich werde jetzt aber doch nochmal alles nachlöten. Vielen Dank für den Tipp.
      Gruß Michael
      Hallo Michael,

      schau' Dir auch nochmal die Beinchen von den großen Single-In-Line ICs an, bei meinem 9241 hatte ich mal die ärgerliche Tatsache, daß ein solches Beinchen über der Platine gebrochen war, die Lötstelle selbst sah gut aus. (offensichtlich Folge von zu häufigem Hin- und Herschleppen...)

      Viel Erfolg erstmal, wenn die Anzeige irgendwas anzeigt, ist nicht alle Hoffnung verloren.

      Gruß, Gunnar
      Gruß, Gunnar
      Guten Abend,

      heute habe ich den gesamten Mittag mit dem Zähler-Modul verbracht, alles nachgelötet, Elkos getauscht...
      Beim Nachlöten ist mir aufgefallen, dass 3 Beinchen des großen Widerstandsnetzwerkes nicht sichtbar gebrochen waren. Das müsste ich bei den ICs auch nochmal prüfen, aber beim Nachlöten ist mir nichts aufgefallen.
      Ansonsten ist mir noch aufgefallen, dass eine Leiterbahn unterbrochen war, ist das Absicht? Ich werde morgen nochmal schauen welche genau es war. Ich habe sie auf jeden Fall wieder verbunden.

      Morgen werde ich alle Widerstände durchmessen. Kann es sein, dass eines der ICs defekt ist? Welches IC tausche ich am sinnvollsten zu erst?

      Nach dem Beheben aller von mir gefundenen Fehler zeigt das Display dasselbe wie gestern.

      FM:



      AM:

      Gruß Michael
      Gute Nacht,

      heute bzw. gestern habe ich alle Widerstände überprüft --> alle in Ordnung.
      Die zuvor verbundene Leiterbahn habe ich wieder getrennt, wird wohl Absicht sein ansonsten würde ein Widerstand überbrückt. Von richtiger Funktion trotzdem keine Spur. Auf den Fön reagierte die Digital-Anzeige auch nicht. Wenn ich wieder dazu komme kontrolliere ich nochmal die Beinchen der ICs und ob die Mini-Spulen alle Verbindung haben und wenn ich schon mal dabei bin messe ich auch noch die übrigen Bauteile (Kerkos, Transistoren).

      Wobei ich vermute, dass eines der ICs defekt ist, gibt es eines weches typischerweise für diese Fehler verantwortlich ist?

      Es folgen weitere Bilder von der momentanen Anzeige bzw. die Anzeigen zwischen denen sie wechselt. Meistens zeigt die Anzeige jedoch: "-1. 8. 8."





      Gruß Michael
      Guten Abend,

      was ich noch alles gemacht habe:
      alle Elkos getauscht, alle Kondensatoren geprüft(Kerkos), alle Transistoren geprüft, alle Spulen auf Durchgang überprüft, alle Bauteile auf abgebrochene Beinchen kontrolliert, alles zum zweiten mal Nachgelötet, die Schwerter gründlichst gereinigt, ICs auf abgebrochene Beinchen überprüft, IC-Sockel gereinigt.

      Gestern Abend hab ich die Spannungen die im Schaltplan stehen nachgemessen, Überall wo 5V sein sollen sind 4,85, müsste in Ordnung sein. Bei dem SN 7493 N sollten an Pin 3,4 und 5 drei Volt anliegen. Dort hab ich allerdings auch die 4,85V. Ist das normal?

      Welches IC könnte den Fehler auslösen? Bei mir bewegt sich die Anzeige ja nicht mal. Wäre es sinnvoll das AY-5-8100 zu tauschen?

      Gruß Michael
      Hallo Michael,

      vor dem Tausch von ICs (die ja bekanntlich fast nie kaputt sind), wären noch ein paar Hausaufgaben zu machen:

      ERSATZ der Spannungsregler LM 309K und LM 320K auf dem Zählerbaustein. (mit den 4,85 ist mir nicht so wohl, ob sie sauber sind, wissen wir auch nicht...)

      Kontrolle der +5V und -12V hinter den Reglern auf Sauberkeit mit dem Oszilloskop sofern möglich...

      Ggf. Prüfung des Keramiktrimmers beim Quartz, und Überprüfung, ob überhaupt ein zu zählendes Signal ankommt. (Ich weiss nicht, was der Zähler normalerweise anzeigt, wenn kein Eingangssignal vorhanden ist.)
      Wenn all das wirklich o.B. ist, kann man mit drem testweisen Ersatz der ICs beginnen (die billigsten zuerst .)
      Achim
      7493 ist ein Teiler.

      Wenn Du das Datenblatt haben möchtest, gebe in eine Suchmaschine ein:
      7493.pdf
      Die Angabe 3 Volt dürfte ein Fehler im Schaltplan sein, an Pin5 ist die Betriebsspannung, die annähernd 5 Volt betragen sollte.
      Wenn Du ein Oszilloskop hast, betrachte mal die Ein- und Ausgänge dieses Zählers, da muß sich was bewegen.

      Andreas, DL2JAS
      Was bedeutet DL2JAS? Amateurfunk, www.dl2jas.com
    • Benutzer online 2

      2 Besucher