Eigentlich wollte ich kein Gebiss mehr....
-
-
-
So, habe den Tastensatz wieder zusammen-> Probelauf.
Funktioniert alles soweit ganz gut. Was mir jetzt auffällt ist
ein deutliches Brummen bei ganz zugedrehten Lautstärkeregler.
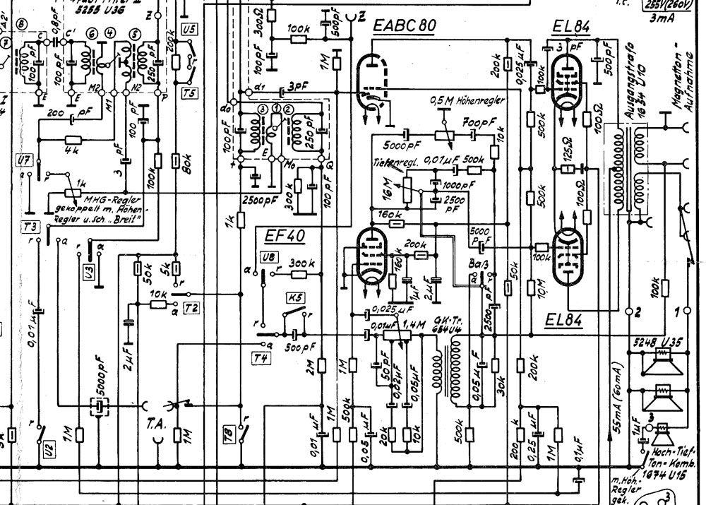
Ist das normal? Das Brummen ist auf allen Bereichen sowie TA.
Außerdem läßt es sich wesentlich mit dem Bassregler beeinflussen.
Bei aufgedrehtem Höhenregler kommt eher ein schnarren dazu.
Die EABC und die EL habe ich versuchsweise mal getauscht, kein
Unterschied. Vielleicht muß das so, aber bei meinem 7er Meersburg ist
nichts zu hören. Den Siebelko habe ich durch 2 neue Elkos ersetzt.
Zwecks Chassisreinigung hatte ich alle Trafos und Drosseln ausgebaut,
möglich das ich irgendwo was falsch angelötet habe, soll ja vorkommen.
Andererseits funktioniert ansonsten alles. Hat jemand eine Idee?
Gruß
Frank -
Hallo Frank,
ich habe einige Überlegungen zu post41 getätigt. Dabei bin ich zu dem Ergebnis gekommen, dass es sich offensichtlich nicht negativ bemerkbar macht, wenn U9 dauerhaft geschlossen ist. Es ist eher eine scheinbar höhere Empfindlichkeit auf UKW zu bemerken; der Ausschlag des magischen Auges wird größer.
Die Verstärkung des ZF-Teiles und damit die Empfindlichkeit des Empfägers haben, wegen der höheren Schirmgitterspannung, in der Tat etwas zugenommen aber nicht der Rauschabstand - er wird durch die Eigenschaften des Mischteils (UKW-Box) bestimmt.
Jetzt fragt man sich wirklich: was wird mit der Verringerung der Schirmgitterspannung der ersten und zweiten ZF-Röhre bezweckt, zumal die letzte ZF-Röhre EAF42 gezielt als Begrenzerröhre ausgelegt ist und auch der Ratio Detektor über begrenzende Eigenschaften verfügt?
Deshalb sollte man sich jetzt daran erinnern, dass die Signalinformation in der Frequenzänderung des gesendeten Signals enthalten ist (Achim sagte dies bereits) und Amplitudenschwankungen sich als Störungen bemerbar machen.
Und weil man mit sehr unterschiedlichen Empfangsfeldstärken rechnen muß und Röhrenstufen keine so scharfe Begrenzerwirkung zeigen, hat man diese über mehrere Stufen verteilt und deshalb auch die beiden ersten ZF-Stufen in den Begrenzermechanismus einbezogen. Damit lassen sich auch größere Feldstärkeschwankungen bewältigen, ohne dass sich die dem Demodulator zugeführte Eingangspannung nennenswert ändert. Und auf der anderen Seite werden amplitudenmodulierte Störungen (z.B. Zündstörungen) weitgehend unwirksam.
So hat man die Dimensionierung des ZF-Verstärkers als Kompromiss zwischen max. erreichbarer ZF-Verstärkung und wirksamer Begrenzug ausgelegt - bei dem hier im WIII verwendeten 3-stufigen ZF-Teil konnte man aufgrund der vorhandenen Verstärkungsreserven etwas mehr Augenmerk auf die Begrenzung richten.
----------
Mit den verkohlten Schaltern, das ist wohl ein Standardfehler bei den älteren Geräten. Bei meinem WIII bot sich ein ähnliches Blid; eine Reparatur war nur durch Ausbau der einzelnen Kontaktstreifen und großzügigem Ausräumen der verbrannten Bereiche möglich (sch... Arbeit). Läßt sich aber bei den Saba Tastensätzen wenigstens beheben. Bei meinem Gerät war auch der Kontakt U5 kohlemäßig überbrückt, das wirkte sich durch eine nahezu maßlos ansteigende Spannung am Ratio Elko aus, was ich zunächst als hervorragende Empfangsleistung ansah...
Ich denke, dass diese Geräte lange Zeit in feuchter Umgebung verbracht haben und man ihnen vor der anschließenden Inbetriebnahme nicht genügend Zeit zum Austrocknen gab und dann vielleicht noch, um Kontaktprobleme zu beseitigen, maßlos mit Kontaktspray überflutet hat und auch dabei nicht auf gute Trocknung achtete. Oft befindet sich aber auch ein undefinierbarer schmieriger Dreck im Tastensatz, welcher bis tief in die Struktur des "Pertiknax" eingedrungen ist - da muß es einfach zu Kokeln beginnen...Freundliche Grüsse, sagnix -
Hallo Peter,
danke Dir für deine ausführliche Antwort, hatte ich schon gar nicht mehr mit gerechnet.
Ich habe den Kontaktstreifen erfolgreich, dank reichlich Bildern
tauschen können, danke nochmal an Ivica für den Ersatz. In der Tat ist das
keine schöne Arbeit, zumal man bei dem Kontakttausch äußerst vorsichtig
vorgehen muß damit die Kontakte beim biegen nicht auseinanderbrechen.
Deine Vermutung bezüglich der Ratiospannung scheint ein Volltreffer zu sein.
Ich hatte am Anfang mal von über 60 Volt Ratiospannung berichtet, dachte
auch "toller Empfang". Nach Tausch der Kontaktleiste hatte ich nur noch
max.38 Volt, wobei die EM gerade schließt, denke das ist der Normalzustand.
Bei extrem abweichender Ratiospannung sollte unbedingt der entsprechende
Kontakt überprüft werden.
Das Problem mit dem Brummen habe ich auch gefunden, schon hundertmal
gelesen und jetzt mach ich selber den Fehler. Der Siebelko scheints hinter
sich zu haben. Schlauerweise habe ich unten 2 Elkos eingelötet und natürlich
mit Minus aufs Chassis gelegt und nicht an den Widerstandsteiler. So was blödes,
passiert mir nicht nochmal. Ein geringer Brumm ist zwar noch vorhanden aber als normal einzustufen.
Welche Funktion hat eigentlich der Kontakt am Tiefenregler, eine Art Loudness?
Bezüglich der Kontaktstreifen stelle ich demnächst noch ein CADfile im DXF Format
ein. Damit könnte man zum örtlichen Wasserstrahlschneider gehen und sich
einen Satz neue aus Epoxyd mit Glasfaser (Platine) ausschneiden lassen.
Sind die gleichen Streifen eigentlich in mehreren Geräten verbaut?
Gruss
Frank -
So, hier mal ein PDF mit einer bemaßten Kontaktleiste
für den Freiburg W3, vielleicht kann das mal jemand gebrauchen.
http://saba-forum.dl2jas.com/bildupload/kontaktleiste_w3.pdf
und hier das ganze im DXF Format, damit sollte jeder Wassserstrahlschneidbetrieb was anfangen können.
http://saba-forum.dl2jas.com/bildupload/kontaktleiste_w3.dxf.pdf
Die Endung .PDF entfernen, da DXF nicht erlaubt ist.
Mit Rechtsklick "Ziel speichern unter" abspeichern.
Gruss
Frank
-
Kaum ist ein halbes Jahr vergangen und schon ist das Radio fertig. Wenn ich davon leben müßte wäre ich schon verhungert...
Diese kleinen Rostpickel auf den Lautsprechern habe ich gelassen, selbst auf dem kupfernen UKW Teil sind welche. Ich denke das daß Chassis nicht restlos vom Metallstaub befreit wurde und anschließend lackiert worden ist. Durch die Feuchtigkeit rosten dann die Partikel.
Der orginal Lack sieht noch ganz gut aus, ein wenig polieren reichte aus.
Natürlich nicht mit der Perfektion von Franz zu vergleichen.
Vielen Dank an alle die mir dabei unter die Arme gegriffen haben und nicht müde werden mir die Details zu erklären.
Gruß
Frank -
Hallo Frank - sieht doch sehr gut aus und brauch in dem guten Zustand sicher keine 'Franzination' :bier:
Der ganze Schmonz steht mir mit meinem auch noch bevor:
http://saba.magnetofon.de/showtopic.php?threadid=4285#66917
Das will ich in den Sommerferien richten (ich graul mich schon vor dem Tastensatz)
--
Gruss - Heiner -
-
-
-
Hallo Frank,
so ganz unkritisch ist er nun auch wieder nicht
Wenn dieser Kondensator, der ja die (6dB) Frequenzweiche für den Hochtöner darstellt, durch Alterung / gezogene Feuchtigkeit einen erniedrigten Isolationswiderstand und/oder eine andere Kapazität aufweist, kann das dazu führen, dass der Hochtöner zu hohe Pegel niedrigerer Frequenzen zugeführt bekommt, was er nicht gut verträgt und wodurch er bei höheren Lautstärken beschädigt werden kann.
Ersetze ihn besser durch einen Kunststofffolienkondensator!Achim -
Hallo,
habe gerade nochmal meinen W3 ausprobiert. Mir ist aufgefallen das wenn ich
den Höhenregler etwas zurückdrehe ein deutlicher Brumm zu hören ist.
Die Höhen werden ganz normal geregelt. Bei voll aufgedrehten Höhenregler ist
kein Brumm zu hören, d.h wenn der kleine Schalter am Höhenregler geschlossen ist brummt es.
Hat jemand eine Idee. Es kann ja nicht an dem Kontakt für den Hochtöner liegen, tippe auf die MGH Schaltung,
welche auch mit dem Regler gekoppelt ist.

Gruss
Frank -
-
-
Mittlerweile habe ich den Fehler selbst gefunden. Warum auch immer habe ich den Massedraht an Pin2 der Lautsprecherbuchse nicht wieder mit Masse verbunden. War nur schwer zu erkennen, hing wenige mm darüber. Der 2µF Elko welcher über den 200k am Schirmgitter der EF40 hängt hatte somit auch keine Masseverbindung und der AÜ auch nicht. Da ich vorher noch kein W3 gehört habe dachte ich, naja so berauschend ist der Klang auch wieder nicht. Das hat sich jetzt schlagartig geändert, beeindruckend. Somit hat sich der Ausbau des Chassis doch sehr gelohnt. Der Klang war vorher eigentlich auch nicht schlecht nur etwas dünn.

Gruß
Frank
-
Benutzer online 1
1 Besucher

