Restaurationsbericht Grundig 5010
- 
			
- 
			Hallo Achim,
 
 das mit dem Zinn wollte ich auch noch erwähnen. Das Zusammenwirken dieser beiden Geruchs-Komponenten läßt mich schlagartig wieder jung werden und versetzt mich in die Zeit meiner Lehre zurück.
 
 Hin und wieder findet sich noch ein Rest Zinn aus dieser Aera und von den alten Wimas habe ich auch noch einige vorrätig, dann gönne ich mir schon hin und wieder mal eine solche "Geruchsorgie" nach diesem altem Rezept.Freundliche Grüsse, sagnix
- 
			Hallo Peter,
 es freut mich sehr, daß Dir das Radio gefällt. Vielen Dank noch für den ausführlichen Bericht bezüglich der Siebdrossel, auch an Heino.
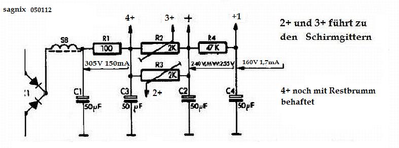
 Mir ist aufgefallen, daß meine Capella 753 bei abgedrehter Lautstärke lauter brummt als der Grundig 5010. Die Capella hat Siebwiederstände verbaut. Ob es wohl daran liegt? Vielleicht hat Philips bei diesem Modell zu viel in die Motorsteuerung investiert und desshalb an der Siebung gespart?
 
 Gruß Udo
- 
			Hallo Udo,
 
 vielleicht sollte man es so formulieren, dass es Philips bei dem Capella 753 und anderen mit der Siebung nicht gerade übertrieben hat. Zudem ist die Arbeitspunkteinstellung für die Endstufe etwas suboptimal gelöst, indem als Siebwiderstand genutzte Potis dazu "missbraucht" werden. Dadurch ist auch eine zusätzlich vom eingestellten Arbeitspunkt abhängige Brummintensität zu erwarten, denn je nach Stellung des Schleifers wird den Schirmgittern eine mehr oder weniger "brummige" Spannung zugeführt.Freundliche Grüsse, sagnix
- 
			Hallo,
 
 es folgte die Zerlegung des Tastensatzes und der Ausbau der Schieber. Anschließendes reinigen war angesagt (siehe Post015).
 Die Arbeiten stellten sich schwieriger da als bei meinem Freiburg WIII. Es ist einfach weniger Platz vorhanden. Einer der mittleren Tastenschieber mußte drin bleiben (siehe Bild 4 ).Er passte nicht durch die Öffnung und ich wollte auch nichts verbiegen:
 
 
  
 
  
 
  
 
  
 
  
 
 
 Nach erfolgter Reinigung habe ich alles wieder zusammengebaut und zm Schluß die Schrauben mit Sicherungslack gesichert.
 Beim einführen der Tastenschieber mußte ich höllisch aufpassen, daß ich mit den Kontaktschwertern zwischen die Kontaktzungen und nicht daneben traf.
 
  
 
 
 Gruß Udo
- 
			
- 
			
- 
			Hallo,
 
 anschließend wurde ein neuer Becherelko von F&T mit einer Spannungsfestigkeit von 450/500V in den alten Becher implantiert. Ich habe ihn mit etwas Alufolie mittig fixiert.
 Das Ausbohren des Altteils stellte sich als sehr schwierig da. Zum Schluß bin ich dann doch noch mit dem Fräser abgerutscht und die Becherhülle war durch. Ich mußte Ersatz aus einem 4010 Schrottchassis nehmen und nochmal von vorne beginnen. Alles reine Nervensache.
 
 Hier ein Bild des fertigen Elkos. Man sieht deutlich die Umbördelung:
 
 
  
 
 
 Dann habe ich noch einige Widerstände getauscht, u.a. den 20Meg Gitterableitwiderstand der EABC80. Er hatte seinen Wert auf ca.28Meg verändert.
 Außerdem baute ich am Höhenpoti noch einen Parallelwiderstand ein, da der Wert nicht stimmte.
 Nach Anschluß der Lautsprecher folgte ein erster Test der ernüchternt ausfiel.
 Das Radio spielte extrem leise, nur auf ein bis zwei Sendern auf UKW war Empfang. Das mag. Auge zeigte keinen Ausschlag.
 Nach langem suchen stellte ich (mit Hilfe) einen Kabelbruch am Sockel der EF80 fest. Ein seltener Defekt.
 Danach stellte sich Empfang auf allen Wellenbereichen ein, das Mag. Auge hatte Ausschlag und auf UKW war eine enorme Klangfülle zu vernehmen. Bei höherer Lautstärke spürt man den Luftdruck des Tieftöners deutlich.
 
 
  
 
 
 
 Ich möchte an dieser Stelle nochmal allen danken die mich während der Restauration begleitet haben und telefonisch oder per E-Mail Hilfestellung geleistet haben.
 
 Insbesondere bei Achim (nightbear), Franz (lollocat) und Peter(sagnix).
 
 Ohne Euere Hilfe wäre das Projekt zum scheitern verurteilt gewesen.
 
 
 
 
 Hier steht das Gerät noch in meiner bescheidenen "Werkstatt":
 
  
 
  
 
  
 
  
 
  
 
  
 
  
 
  
 
  
 
  
 
 Hier sieht man die Siebdrossel nochmal. So groß wie mancher Ausgangsübertrager:
  
 
 Vorher:
  
 
 Nachher:
  
 
 
 
 Das Gehäuse habe ich mehrere Stunden lang mit Pronto abgerieben. Es war stumpf und mit einem festen Belag überzogen. Danach kam die Maserung viel deutlicher zur Geltung. Der Lack glänzt jetzt.
 Der Lautsprecherstoff wurde nach reiflicher Überlegung auf der Schallwand belassen, durch festtackern gesichert und anschließend mit Feinwaschmittel gewaschen. Ich hatte Bedenken, daß die Beize den Stoff verfärbt. Zum Glück ist nichts dergleichen passiert. Getrocknet habe ich die Schallwand zwischen Handtüchern und mit dem Haarfön.
 
 
 Gruß Udo
- 
			
- 
			
- 
			Tres bien!
 
 Das war wirklich High End bzw. Fine Arts der Fünfziger Jahre.
 Das Radio hatte großes Glück, in die richtigen Hände zu kommen.
 
 So sehen wir ein gutes Beispiel dafür, wie das Ergebnis aussehen kann, wenn man sich bei der Arbeit Zeit lässt und sorgfältig, systematisch und wohlüberlegt arbeitet.Achim
- 
			Hallo Udo,
 
 besonders "geil" sehen die EL12 in der Coke-Bottle Form mit den rot auflackierten Bauchbinden aus. Diese Röhren machten optisch noch Eindruck, man sah ihnen regelrecht ihre Kraft an. Dagegen sieht die neuere Form der EL12 nichtssagend aus.
 
 Nach den Fotos zu urteilen verfügst du über mindestens vier Tungsram EL12, denn bei einer sitzt der Schriftzug etwas tiefer, während er an den anderen seitlich etwas verschoben ist; die Beschriftug unterlag da wohl einer gewissen künstlerischen Freiheit.
 
 Deine Chassisbilder sind sehr eindrucksvoll und lassen deine detailgetreue mit viel Sorgfalt durchgeführte Arbeit erkennen. Auch die unbeschädigte originale Beschriftung der Valvo Röhren ergänzt das Gesamtbild wirkungsvoll. Das Valvo-Zeichen war in der Röhrenzeit ein Symbol von Zuverlässigkeit - sie bauten auch recht gute Tubes.Freundliche Grüsse, sagnix
- 
			Hallo Achim,
 
 vielen Dank! Dein Lob ehrt mich.
 
 Einen Wehmutstropfen gibt es aber:
 
  
 
 Die Membrane ist durchgerissen. Trotzdem spielt der Hochtöner meiner Meinung nach einwandfrei. Wie ist das möglich?
 So lange er spielt sehe ich keinen Handlungsbedarf. Sollte er ausfallen versuche ich die Reparatur mit einer Rettungsdecke. Diese Folie ist auf einer Seite leitfähig.
 Wenn ich das Radio einschalte, hört man manchmal ein Knackgeräusch aus dem Lautsprecher. Vielleicht ein Funkenüberschlag.
 
 Gruß Udo
- 
			Hallo Udo,
 
 Ein wunderschönes Gerät !
 
 das hat sich gelohnt,ich hatte bisher noch nicht das Vergnügen mit einem 5010er,aber er spornt einen an zu einer aufwändigen Restauration,man hat Platz,grosse Kondensatoren zum aushöhlen,da kann es losgehen.Leider sind bei weitem nicht alle Geräte so "restauratorenfreundlich" im Gegenteil.
 Ich wünsche dir jedenfalls viel Freude mit diesem Prunkstück.
 
 Gruss
- 
			Hallo Peter,
 alle Achtung, Du beobachtest sehr genau was den Schriftzug und die Anzahl der vorhandenen EL12 Tungsram betrifft. Ich besitze in der Tat 4 Stück davon.
 
 Ich hatte ja einen Kathodenelko versehentlich falsch gepolt eingelötet. Nach ca. 10 Stunden Spieldauer verabschiedete er sich mit einem lauten Knall. Nach dem ich ihn ersetzt hatte, mußte ich feststellen, daß eine der beiden EL12 bläulich leuchtete. Sie hatte wohl Schaden genommen und ich habe sie ausgetauscht. Danke für die Anerkennung auch an Peter (Skyline).
 
 Gruß Udo
- 
			Hallo Udo,
 
 von den Elektrostaten habe ich auch zwei in meinem 5050W. 1981 waren sie noch o.k...wer weiß, wie es heute aussieht.
 
 Ich würde mal annehmen, dass so ein feiner Riss kein grosses Problem darstellt. Die metallisierte Folie wird beim Elektrostaten ja flächig vom Gegenpol angezogen. Es kommt jetzt drauf an, wie die Kontaktierung gelöst ist. Wenn das abgetrennte Stück noch Spannung bekommt, kann es gut sein, dass beide Folienteile noch brav schwingen. An der Rißnaht gibt es dann feine Luftverwirbelungen, bei höheren Pegeln vielleicht Verzerungen.
 Bei einem dynamischen Lautsprecher ist ein abgetrennter Membranteil dagegen vom Antrieb ausgeschlossen und bei tieferen Frequenzen würde ich mit akustischem Kurzschluss rechnen.
 
 Solange der Elektrostat sauber spielt - so what?Achim
- 
			
- 
			
- 
			
- 
			
 
											



