Hallo Dieter,
vielleicht hilft es dir weiter, wenn du in -- http://saba.magnetofon.de/showtopic.php?threadid=5096 -- systematisch ab post 014 vorgehst.
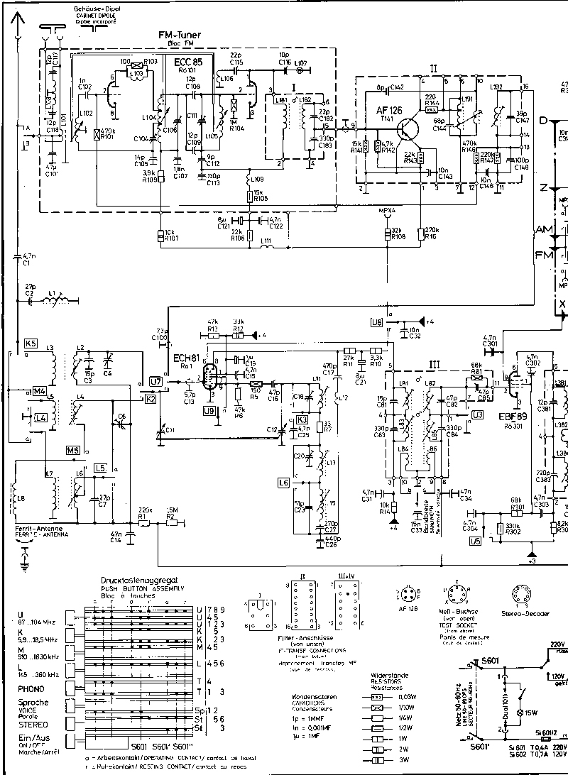
Vordergründig sind die beiden Widerstände R16 (220k) und R302 (330k) verdächtig und sollten als erstes überprüft werden.
Korrigiert: Es muss natürlich R302 heissen...
vielleicht hilft es dir weiter, wenn du in -- http://saba.magnetofon.de/showtopic.php?threadid=5096 -- systematisch ab post 014 vorgehst.
Vordergründig sind die beiden Widerstände R16 (220k) und R302 (330k) verdächtig und sollten als erstes überprüft werden.
Korrigiert: Es muss natürlich R302 heissen...
Freundliche Grüsse, sagnix


