Neues UHC 9941
-
-
Hallo Alex,
Die von Andreas geschilderte Situation ist Wechselspannungsmässig mit der meinen identisch; die ca. 0,7V UBE sind notwendig, um dem Transistor einen definierten Arbeitspunkt zu geben. Wenn ich diese UBE jetzt mit meiner Signalspannung überlagere gibt es einen Bereich, in welchem ein analoger Zusammenhang zwischen UBE und UCE bzw. IB und IC besteht - der Transistor wird also in diesem nutzbaren Austeuerungsbereich nicht sofort stromlos oder voll leitend. Dazwischen befindet sich die vielfältige Welt der Analogtechnik.Freundliche Grüsse, sagnix -
Alles klar Peter.
Aber meine Überlegung versteht ihr, oder?
Den Abschnitt 3 habe ich noch nicht ganz verstanden.
Ich versuche ihn mir schnell herzuleiten:
Wird über den Differenzverstärker ein Signal verstärkt, dann dann sinkt die Spannung am Kollektor von T633. Daraus folgt, dass T641 weniger Strom durchlässt. Es fließt also von der Masse über Ri ein stärkerer Strom.
Aber was soll das bringen?
Dadurch verändert sich doch das Signal am Ausgang des Differenzverstärkers nicht. -
Betrachte erst mal alles ab 3 als Black Box.
Das mit den 0,7 Volt Schwellspannung ist eine vereinfachte Faustregel. Du darfst davon ausgehen, daß ein Transistor bei 0,6 Volt gerade anfängt zu leiten und bei 0,8 Volt voll durchgeschaltet ist. Im Schaltbild ist übrigens 0,65 Volt UBE für den gewählten Arbeitspunkt der Schaltung angegeben.
Der Differenzverstärker ist übrigens ein sehr einfacher realer Operationsverstärker. Mit geringen Einschränkungen gilt alles, was Du zur Theorie eines idealen Operationsverstärkers findest. Diese Schaltungsvariante wird hier benutzt:
http://www.elektronik-kompendium.de/sites/slt/0210151.htm
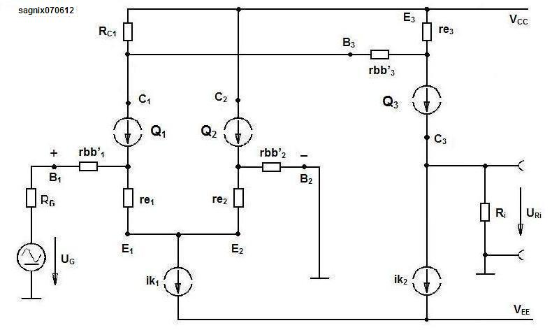
Der positive Eingang ist die Basis von T633 und der negative Eingang die Basis von T634. Alles, was ab 3 in Peters schöner Darstellung kommt, ist sozusagen der "Nachbrenner", der die Leistung für die Lautsprecher erbringt.
Andreas, DL2JASWas bedeutet DL2JAS? Amateurfunk, www.dl2jas.com -
Hallo Alex,
ich habe soeben noch einmal deine Frage genauer nachvollzogen. Und deine Folgerungen sind weitgehend logisch und lassen erkennen, dass du dich mit der Schaltung beschäftigst und Interesse daran zeigst. Das gefällt mir.
Der Ri ist, wie auch schon in der Skizze steht, der Eingangswiderstand der folgenden "Power-Stufe". Er trägt zwar nichts zur direkten Schaltungsfunktion bei, aber er ist wichtig, weil er wesentlichen Einfluss auf die mit T641 erzielbare Verstärkung ausübt.
Zur Beantwortung deiner Frage kann ich jetzt erst nur sagen, dass ich die Schaltung so dargestellt habe, dass man vordergründig die offene Verstärkung derselben ermitteln kann.
Dabei habe ich die positive Eigenschaft des Differenzverstäkers zurückgestellt, indem ich den zweiten Eingang an Masse gelegt habe. Dadurch ist der Sinn des zweiten Transistors T634 nicht wirklich nachvollziehbar. Dieser Eingang wird, wie im Hauptschaltbild (Saba) erkennbar, natürlich auch genutzt. Über diesen - den negierenden - Eingang wird die Gegenkopplung zugeführt. Das wollte ich noch in einem weitern Schritt behandeln.
Aber vom Prinzip her kannst du die Arbeitsweise des gesamten Endverstärkers als einen mit entsprechender Gegenkopplung versehenen OP's ansehen, wie es in dem von Andreas eingeblendetem Link dargestellt wird.
Und ich denke, wenn wir die Diskussion weiter führen und dein Intersse erhalten bleibt, können wir noch einige Fragen bezüglich der vorliegenden Endstufe klären.
Das erfordert noch einiges an Aufwand und lässt die Frage aufkommen, ob es dann nicht zu viel Theorie wird. Und ist vordergründig nicht wirklich bei deiner Reparatur hilfreich (wahrscheinlich ist es am Ende nur ein Transistor, der heimlich vor sich hin brodelt), aber möglicherweise erschliesst sich dir dadurch ein neuer Blickwinkel auf das Gerät.Freundliche Grüsse, sagnix -
-
Hallo Alex, hallo allerseits,
es geht weiter. Damit wir in der „Spur“ bleiben ist eine strukturierte Vorgehensweise sinnvoll. Daher habe ich im weiteren Verlauf die Abarbeitung folgender Punkte vorgesehen.
1) Berechnung der offenen Verstärkung unter Anwendung einer einfachen üblichen Ersatzschaltung.
2) Gegenkopplung: a) Gleichspannung, b) Wechselspannung
3) Einschleifen der Power Endstufe
4) Funktionsprinzip und Berechnung der Konstantstromquellen
5) Prinzip des „UBE-Multipliers“ zur Einstellung des Endstufenruhestromes
6) Ergänzungen und abschließende Diskussion und Vertiefung der erzielten Ergebnisse...
Und hier gleich das angekündigte Ersatzschaltbild: In Wechselspannungs-Ersatzschalbildern wird davon ausgegangen, dass die Arbeitspunke korrekt eingestellt sind. Die Betriebsspannungen liegen wechslespannungmässig auf Massepotential. Alle in den Berechnungen genannten Spannungen sind Wechselsignale.
Freundliche Grüsse, sagnix -
Alex, der Peter macht dir einen richtig guten Vortrag auf verständlichem Niveau!
So schnell bekommt man nicht erklärt, wie ein Verstärker aufgebaut ist mit Beschreibung der einzelnen Stufen. Der Verstärker von SABA ist relativ einfach, der ist gut als Beispielobjekt geeignet. Peters Ausarbeitung wird bestimmt auch einige stille Mitleser interessieren.
Andreas, DL2JASWas bedeutet DL2JAS? Amateurfunk, www.dl2jas.com -
-
Und hier gleich die Verstärkung der ersten Stufe Q1...
Und damit es nicht langweilig wird, folgt in Kürze die Verstärkung der zwiten Stufe mit Q3. Bei dieser Stufe besteht der Arbeitswiderstand vorwiegend aus dem Eingangswiderstand (Ri) der Power-Endstufe. Dieser widerum ist der mit B transfomierte Lastwiderstand(Lautsprecher) von 4Ohm. Die Lesitungsendstufe besteht aus einer komplementären Darlington-Transistorkombination. Man kann die Stromverstärkung dieser Stufe miit ca. 40 in den Endtransistoren und ca. 100 in den Treiber-Transistoren definieren. so ergäbe sich eine resultierende Gesamtstromverstärkung von 4000-fach. Daher kann man mit einem in den Basiskreis der Treiberstufe transformierten Eingangswiderstand von ca. 16 kOhm rechnen. Um noch eine angemessene WorstCase Sicherheitsreserve zu berücksichtigen, rechnen wir mit einem Ri von 12kOhm.
Freundliche Grüsse, sagnix -
-
Hallo Alex,
du brauchst dir keinen Stress zu machen und dazu solltest du dir schon ein wenig Zeit und Ruhe nehmen. Bestimmt werden da auch noch einige Fragen offen bleiben, welche ich nach Möglichkeit gerne bereit bin zu beantworten. Ich kämpfe momentan selbst auch noch ein wenig mit meinem Simulationsprogramm, denn es behauptet, dass die erste Stufe Q1 nur etwa 7,7-fach verstärkt. Und Spice hat natürlich immer recht - Nur kann man eben mit den einfachen Ersatzschaltungen nicht alles so haargeneau nachvollziehen. Aber wir sind gar nicht so weit von den Spice Ergebnissen entfernt - manchmal muss man da noch ein wenig basteln; wir werden sehen... Das Prizip steht zwar, aber trotzdem ist noch mit kleinen Nachbesserungen ist zu rechnen.
Ich habe die Berechnungen entsprechend der allgemeinen Methoden aus den Lehrbüchern durchgeführt. Gelegentlich versuchten wir auch mit grösserem mathematischen Aufwand genauere Ergebnisse zu erzielen. Leider kamen auch dabei keine wirklich genaueren Werte zu Stande. Es dauerte nur länger und am Ende blickte kaum noch jemand durch...
Das Problem besteht darin, die passenden Eingaben zu machen - nur wo findet man die speziell geeigneten Daten zu den gerade gültiigen Betriebsbedingungen. Daher muss man sich bei nicht lokal gegengekoppelten Transistorschaltungen mit näherungsweisen Ergebnissen begnügen. Diese reichen in den meisten Fällen zur Orientierung und zum Verständnis der Schaltung aus.
Genauere Ergebnisse erhält man mit speziellen Simulationsprogrammen. So hat meine "Handrechnung" eine offene Verstärkung von 19500-fach ergeben, während P-Spice 15660-fach ausweist.
Für die weiteren Betrachtungen spielt es ohnehin keine wesentliche Rolle ob die Leerlaufverstärkung nun 15000- oder 19000-fach ist. Wir müssen jetzt durch gegenkoppeln diese hohe Verstärkung "bändigen" und an die gewünschten Eigenschaften anpassen. Dazu wird jetzt der bisher unbeachtete - invertierende - Eingang des Differenzverstäkers genutzt. Dazu folgendes Bildchen...
Für Gleichspannung ist die resultierenede Verstärkung etwa 1-fach. Die Skizze zeigt, dass die Gegenkopplung, wegen C2, über Ra "ungebremst" auf den negierenden Eingang wirkt. Das bedeutet, die gesamte Leerlaufverstärkung wird zur Stabilisierung der "Nullspannung" am Ausgang -Lautsprecher- genutzt. So wird die geringste Abweichung der Ausgangsruhespannung dem negativen Eingang des "OP's" mitgeteilt, wodurch die Abweichung sofort wieder ausgeregelt wird.
Bei Wechselspannungen stellt sich nach Überschreiten der Grenzfrequenz Rb/C2 (ca. 4,8Hz) ein Verstärkungsfaktor von 1+Ra/Rb = 23-fach ein - dies entspricht 27,23dB.Freundliche Grüsse, sagnix -
-
Hallo Alex,
Das SB in post046 ist das Ersatzschaltbild zu der Schaltung von post038. Solche Ersatzschaltbilder werden verwendet, um die Berechnungen anschaulicher zu gestalten. Es gibt da mehrere Modelle, wobei die einen mehr für den NF-Bereich geeignet sind, während andere mehr das Verhalten im HF-Bereich nachbilden.
Die in post46 gewählte Variante ist die für den NF-Bereich vorgesehene und entspricht damit den hier geforderten Bedingungen. Ich werde versuchen das Ersatzbild noch etwas zu erläutern - am besten mit folgendem Bild und einem einfachen Beispiel: Überführung der Normalschaltung in Ersatzschaltung.
Jetzt die passenden Berechnungen dazu:
Weitere Berechnungen...werden noch etwas dauern... grübel, denk, schwitz, uswFreundliche Grüsse, sagnix -
-
Tut mir Leid, ich wollte es nicht einschlafen lassen.
Aber am Monatg ist die Schule losgegangen, da hatte ich keine Lust, Gestern hatte ich am bis halb zehn ein Seminar an der Uni gehabr. Außerdem war heute Physikschulaufgabe.
Bin jetzt aber wieder da, und lese mir alles durch!
Edit: Ich würde gerne nochmal auf Schaltbild in 046 und den Berechnungen in 049 näher eingehen: Was ist "S" in den Berechnungen?
Edit2: Oh da haben sich dein Beotrag und mein Edit wohl etwas überschnitten. Kein Problem Peter, hauptsache ich verstehe am Ende alles. -
Hallo Alex, ...so meinte ich es nicht, ich hatte selbst auch nicht viel Zeit, und manchmal mangelt es auch ein wenig an der Motivation.
Hallo allerseits,
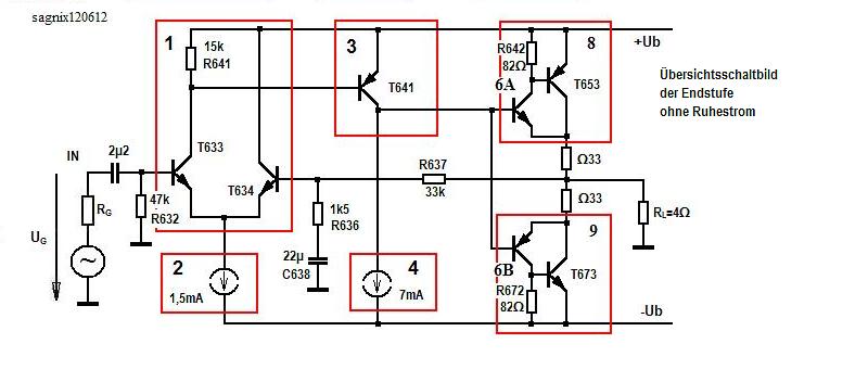
aus gegebenem Anlass (Deltamik's 9240S) ziehe ich jetzt die Beschreibung der Baugruppe zur Ruhestromeinstellung vor. Zunächst das dazu aktuelle Gesamtbild:
An dem Bild erkennt man, dass Block5 vom Strom der letzten Verstärkerstufe durchflossen wird und somit T644. Der Zweck dieser Anordnung ist es einen Ruhestrom durch die Endtransistoren fliessen zu lassen, um die Übernahmeverzerrungen zu minimieren. Dies wird durch eine Vorspannung der Basen von 6A und 6B erreicht. Diese Vorspannung muss einstellbar sein und der Temperaturdrift der UBE (-2,2mV/°K) der "Treibertransistoren" entgegenwirken.
Dies wird in diesem Falle durch einen Transistor mit veränderlichem Basisspannungsteiler erreicht, welcher sich wie eine "einstellbare" Z-Diode verhält. Durch thermische Kopplung dieser Z-Diode mit den Endtransitoren wird der UBE-Temperaturgang weitgehend kompensiert. Zum Ausgleich des "Restfehlers" dienen die 0,33Ohm Widerstände mit ihrer gegenkoppelnden Wirkung im Ausgangskreis. Die Funktion im Einzelnen soll an den folgenden Skizzen verdeutlicht werden.
Die Funktion ist folgende; wenn die Spannung +Ub langsam erhöht wird, steigt die UBE über RV und den Teiler Rce/Rbe solange kontinuierlich an, bis die Schwellenspannung UBE=0,7V erreicht wird-jetzt wird die CE-Strecke leitend und übernimmt den Stromfluss, sodass bei weiter zunehmender +Ub keine nennenswerte Spannungserhöhung Uce mehr erfolgt. Die spannung wird jetzt, ähnlich einer Z-Diodenstabilisierung auf dem durch den Spannungsteiler eingestellten Wert festgehalten. Die Einstellung erfolgt in unserem konkreten Anwendungsfall mittels Trimmpoti P642 und deckt einen Einstellbereich von "A"= 1,178V bis "B"= 1,429V ab. Dies ermöglicht eine recht "feinfühlige" Einstellung des vorgeschriebenen Endstufenruhestromes. --- Achtung! Die angegebenen Berechnungen erfolgten unter Vernachlässigung des Basisstromes ---
Da die resultierende UCE bei dieser Anordnung multiplikativ von der Größe des Widerstandes zwischen BE und des Summenwiderstandes zwischen CE abhängt, haben die Amerikaner diese Schaltung UBE-Multiplier getauft. Und da sich auch die UBE-Spannungsdrift mit dem Faktor multipliziert läuft diese auch entsprechend mit und entspricht bei ca. 1,4V in etwa dem Temperaturgang von zwei in Reihe liegenden BE-Strecken.
-----
Hallo Ulrich, danke für deinen Hinweis; ich hoffe die Schreibweise ist jetzt korrekt. Zusätzlich wird durch die Änderung jetzt auch noch transparenter, warum diese Anordnung UBE-Multiplier genannt wird.Freundliche Grüsse, sagnix -
-
-
-
Benutzer online 1
1 Besucher

