Freiburg 6-3D klingt wie eine Blechbüchse

      Hallo ihr,
      Zur Zeit habe ich wieder ein wenig Zeit und der Schreibtisch stand auch leer, daher wollte ich mich mal an ein Problem machen, was schon seit geraumer Zeit besteht.

      Mein absolutes Lieblings-Tischradio, mein Freiburg 6-3D klingt wie eins dieser kleinen, asiatischen Kofferradios, die in Zeitschriften gerne verschenkt werden :(

      Zimmerlautstärke wird erst kurz vorm Anschlag des Lautstärkereglers erreicht, es fehlen Bässe und Höhen und irgendwie macht es so allmählich keinen Spaß mehr.

      Aus Erfahrung weiß ich, dass Ferndiagnosen sehr schwer und eigentlich nicht machbar sind, ich hoffe aber, dass ihr mir vielleicht kleine Denkanstöße geben könnt.

      Aus diesem Grund möchte ich ein paar Spannungsmessungen durchgeben:
      +1 Soll: 280V Ist: 285V
      +2 Soll: 260V Ist: 267V
      +3 Soll: 250V Ist: 253V
      +4 213V

      Bis Hierhin scheint alles in Ordnung zu sein, aber jetzt kommt es:
      ECC83 Anode1 Soll: 70V Ist: 107V
      ECC83 Anode2 Soll: 145V Ist: 182V

      Bei beiden ist die Spannung genau 37V zu hoch. Wie kann das sein? Die Widerstände zur Hauptversorgungsspannung wurden überprüft und sind in Ordnung.

      Jetzt such ich halt eben eine Lösung, kann es mir aber mit meinem begrenzten Wissen nicht erklären.
      Hoffentlich habt ihr ein paar Denkanstöße parat, die mir helfen könnten.
      Vielen Dank schon einmal für eure Hilfe.


      Viele Grüße,
      Thorben
      Mein Name ist Hase, ich weiß bescheid! :)
      Hallo Thorben.
      Dieses Problem dass Spannungen nach Kohm- Widerstaenden zu hoch gemessen werden , hatten wir hier schon mehrfach (auch mit mir) behandelt.
      Die Werte der Oldtimer sind mit Voltmetern mit 333Ohm/ bis 1000 ohm/ Volt gemessen. Das belastet den Stromkreis.

      Bei, FR 6-3 mit 333Ohm/Volt das sind im 100Volt- Bereich: 33,33 Kohm und im 300Volt 99,99 Kohm die dabei von Anode nach Masse liegen.

      Wird mit einem 10Meg oder aehnlichem VM gemessen, sind logischerweise
      die Werte an den niederohmigen Punkten O. K. an hochohmigen aber nicht.
      hans
      Hallo Hans,
      Danke für die Erklärung ;)
      Aber wenn es nicht das ist, hast du vielleicht eine Idee, woran es liegen könnte, dass der Freiburg irgendwie nicht mehr so will, wie er sollte?

      Ich hatte ja schon erwähnt, dass ich weiß, dass Ferndiagnosen schwer und beinahe unmöglich sind.
      Ich steh nur zur Zeit auf dem Schlauch und habe wirklich keine Idee, wie ich am besten an das Problem rangehen soll.



      Viele Grüße,
      Thorben
      Mein Name ist Hase, ich weiß bescheid! :)
      Hallo Thorben.

      Dialoge wie: ich weis jetzt nichts (mehr) weist du was?
      Sind meine Lieblingsthemen.




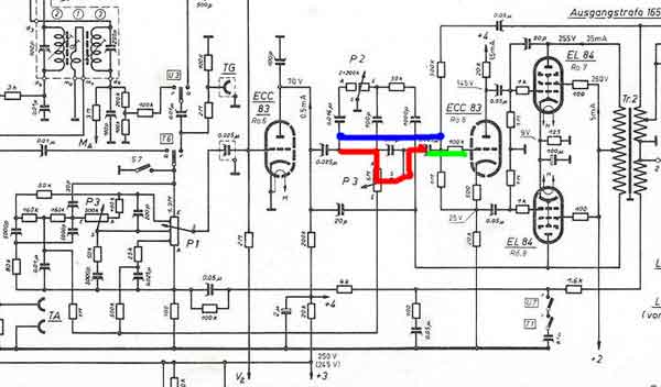
      Vielleicht, ist der Tiefton elektrisch abgekoppelt oder defekt.
      Oder der Bass-Regler hat Kontaktprobleme.
      Wenn der rote und der gruene Pfad unterbrochen ist, hat man Blechsound.
      Verbinden die 2 Punkte "blau" miteinander oder mit einem 0,1 bis 0,47uF Kondensator, aus Sicherheitsgruenden, damit keine Gleichspannung vo der Anode ECC83 I ans G1 der ECC83 II gelangt.
      hans -
      Hallo Hans, hallo an alle anderen,
      Getestet habe ich deinen Vorschlag, leider ohne Erfolg.

      Ich möchte aber von einer anderen Sache erzählen, jetzt wo ich mich wieder tiefer mit diesem Problem befasst habe.

      Dass ich den Freiburg repariert habe, ist ja nun schon ein paar Jahre her, damals noch recht unerfahren (wie jetzt auch immer noch, wie ich selbst anmerken möchte), habe ich den 0,1µF Kondensator, der am Schalter T1 liegt, direkt mit dem 1,6kOhm und 4KOhm Widerstand verbunden.
      Sowas fällt eben auf, wenn man zulässt, sich selbst ab und an zu misstrauen.

      Jedenfalls will ich noch nichts sagen, man interpretiert ja viel in den Klang rein, wenn man will.

      Anmerken möchte ich jetzt aber auch noch was, was ich vorher so subjektiv gar nicht wahrgenommen habe.
      Drehe ich vom Linksanschlag "stumm" den Lautstärkeregler bis zu 1/3 des Vollanschlags, wird der Freiburg langsam lauter, drehe ich ihn weiter bis 2/3 des Vollanschlags ändert sich die Lautstärke nur minimal.
      Einen kleinen Ticken über 2/3 des Vollanschlags und der Freiburg wird schlagartig lauter.

      Hat dies etwas mit der sogenannten Gehörrichtigen Lautstärkeregelung zu tun?
      Kann dort der Hase etwa begraben liegen?
      Ich habe nunmal leider nicht das Wissen und die Erfahrung, um diese Gehörrichtige Lautstärkeregelung komplett zu verstehen, hoffentlich gibt es einen Weg, irgendwie an das Problem rangehen zu können.

      Danke bis Hierhin schon einmal und vielen Dank für eure weiteren Hilfsvorschläge.


      Viele Grüße,
      Thorben
      Mein Name ist Hase, ich weiß bescheid! :)
      Thorben postete
      Hallo Hans, hallo an alle anderen,
      Getestet habe ich deinen Vorschlag, leider ohne Erfolg.

      Ich möchte aber von einer anderen Sache erzählen, jetzt wo ich mich wieder tiefer mit diesem Problem befasst habe.

      Dass ich den Freiburg repariert habe, ist ja nun schon ein paar Jahre her, damals noch recht unerfahren (wie jetzt auch immer noch, wie ich selbst anmerken möchte), habe ich den 0,1µF Kondensator, der am Schalter T1 liegt, direkt mit dem 1,6kOhm und 4KOhm Widerstand verbunden.
      Sowas fällt eben auf, wenn man zulässt, sich selbst ab und an zu misstrauen.

      Jedenfalls will ich noch nichts sagen, man interpretiert ja viel in den Klang rein, wenn man will.

      Anmerken möchte ich jetzt aber auch noch was, was ich vorher so subjektiv gar nicht wahrgenommen habe.
      Drehe ich vom Linksanschlag "stumm" den Lautstärkeregler bis zu 1/3 des Vollanschlags, wird der Freiburg langsam lauter, drehe ich ihn weiter bis 2/3 des Vollanschlags ändert sich die Lautstärke nur minimal.
      Einen kleinen Ticken über 2/3 des Vollanschlags und der Freiburg wird schlagartig lauter.

      Hat dies etwas mit der sogenannten Gehörrichtigen Lautstärkeregelung zu tun?
      Kann dort der Hase etwa begraben liegen?
      Ich habe nunmal leider nicht das Wissen und die Erfahrung, um diese Gehörrichtige Lautstärkeregelung komplett zu verstehen, hoffentlich gibt es einen Weg, irgendwie an das Problem rangehen zu können.

      Danke bis Hierhin schon einmal und vielen Dank für eure weiteren Hilfsvorschläge.


      Viele Grüße,
      Thorben
      Thorben postete
      Hallo Hans, hallo an alle anderen,
      Getestet habe ich deinen Vorschlag, leider ohne Erfolg.

      Ich möchte aber von einer anderen Sache erzählen, jetzt wo ich mich wieder tiefer mit diesem Problem befasst habe.

      Dass ich den Freiburg repariert habe, ist ja nun schon ein paar Jahre her, damals noch recht unerfahren (wie jetzt auch immer noch, wie ich selbst anmerken möchte), habe ich den 0,1µF Kondensator, der am Schalter T1 liegt, direkt mit dem 1,6kOhm und 4KOhm Widerstand verbunden.
      Sowas fällt eben auf, wenn man zulässt, sich selbst ab und an zu misstrauen.

      Thorben


      Die Funktion dieses Kondensators, kannst Du hier

      http://saba.magnetofon.de/showtopic.php?threadid=5909

      nachlesen.

      Das Problem mit dem Lautstaerkeregler, kann ich online nicht klaeren, das ist die komplizierteste Version einer Physiologie die ich kenne.
      243 replys halten meine Nerven nicht mehr aus. Da muss die Jugend ran!

      Sorry! hans
    • Benutzer online 4

      4 Besucher