Hallo,
Bei meinem 9260 kommt auf UKW kein Signal auf dem Linken Kanal, die Feldstärkeanzeige ist Null und geht teilweise ins "Negative". Das Rechte Signal ist sauber und die Stereo LED arbeitet korrekt.
Bei MONO und den anderen Stereo Quellen arbeiten beide Kanäle einwandfrei.
Ich habe den Stereo Decoder und das FM-ZF-Modul bezüglich Lötstellen überprüft, die ECs und den TCA4500A / CA3189E ersetzt - ohne Erfolg.
Hat jemand eine Idee ?
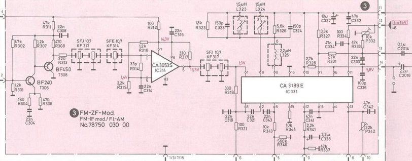
Bei meinem 9260 kommt auf UKW kein Signal auf dem Linken Kanal, die Feldstärkeanzeige ist Null und geht teilweise ins "Negative". Das Rechte Signal ist sauber und die Stereo LED arbeitet korrekt.
Bei MONO und den anderen Stereo Quellen arbeiten beide Kanäle einwandfrei.
Ich habe den Stereo Decoder und das FM-ZF-Modul bezüglich Lötstellen überprüft, die ECs und den TCA4500A / CA3189E ersetzt - ohne Erfolg.
Hat jemand eine Idee ?
Grüße Tommy

