Hallo,
habe gerade eine Kombi Saba-VS80/TS80 bei mir.
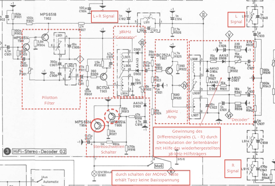
Der TS80 machte kein Stereo. Fehler war eigentlich einfach - T904 schaltete nicht. Habe ihn durch einen BC-547 ersetzt - sicherheitshalber auch den T906.
Jetzt zu meiner Frage:
Der Saba TS80 macht Stereo - hört man und sieht man auch..
Wenn ich den Sender verstimme geht die Lampe auch aus - soll sie ja auch.
Aber wenn ich MONO drücke bleibt sie an, obwohl der Empfänger ein Mono Signal ausgibt - hört am, aber man sieht es nicht.
Ich das normal bei diesem Tuner oder muss ich weitersuchen?
LG Jonas
habe gerade eine Kombi Saba-VS80/TS80 bei mir.
Der TS80 machte kein Stereo. Fehler war eigentlich einfach - T904 schaltete nicht. Habe ihn durch einen BC-547 ersetzt - sicherheitshalber auch den T906.
Jetzt zu meiner Frage:
Der Saba TS80 macht Stereo - hört man und sieht man auch..

Wenn ich den Sender verstimme geht die Lampe auch aus - soll sie ja auch.
Aber wenn ich MONO drücke bleibt sie an, obwohl der Empfänger ein Mono Signal ausgibt - hört am, aber man sieht es nicht.
Ich das normal bei diesem Tuner oder muss ich weitersuchen?
LG Jonas

