Hallo an die Radiofreunde,
am Wochenende ergatterte ich in Bayern auf dem Flohmarkt in meiner Heimatstadt dieses schöne Grundig Gerät.


Nach der ersten Durchsicht stellen sich mir ein paar Fragen:
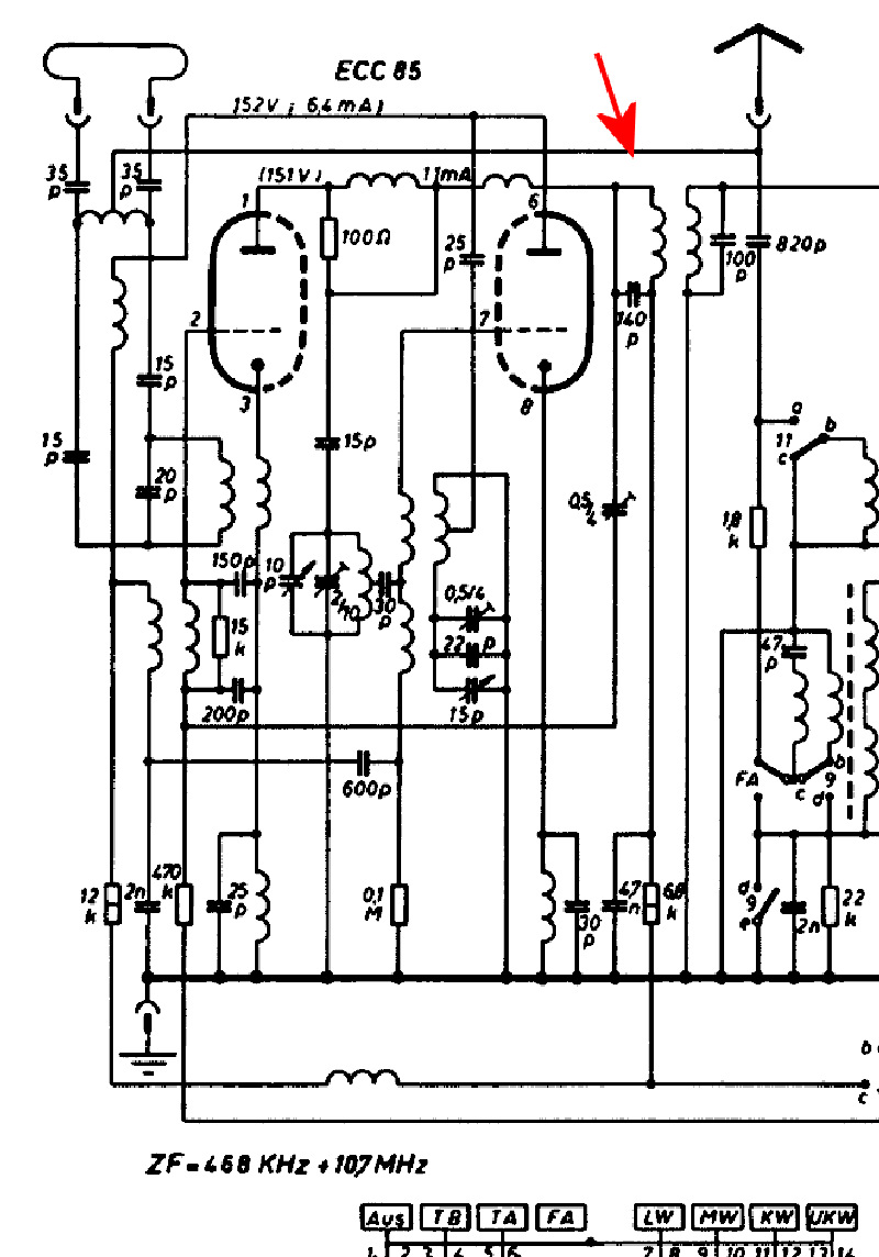
1. Am Chassis in der Nähe des Antenneneingangs fand ich diese merkwürdige Lüsterklemme mit zwei nach außen geführten Drähten und sehr zweifelhafter Isolierung. Die Nachverfolgung ergab, dass damit die markierte Verbindung zwischen der AM-Antenne und der Mittelanzapfung der FM-Koppelspule aufgetrennt werden kann.
Was hat es damit auf sich ? Wozu dient diese Leitung ?


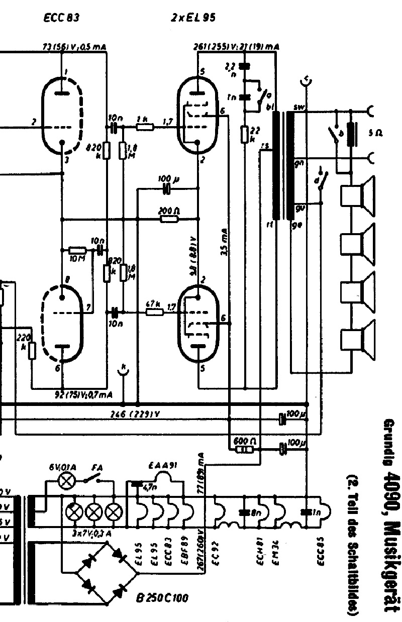
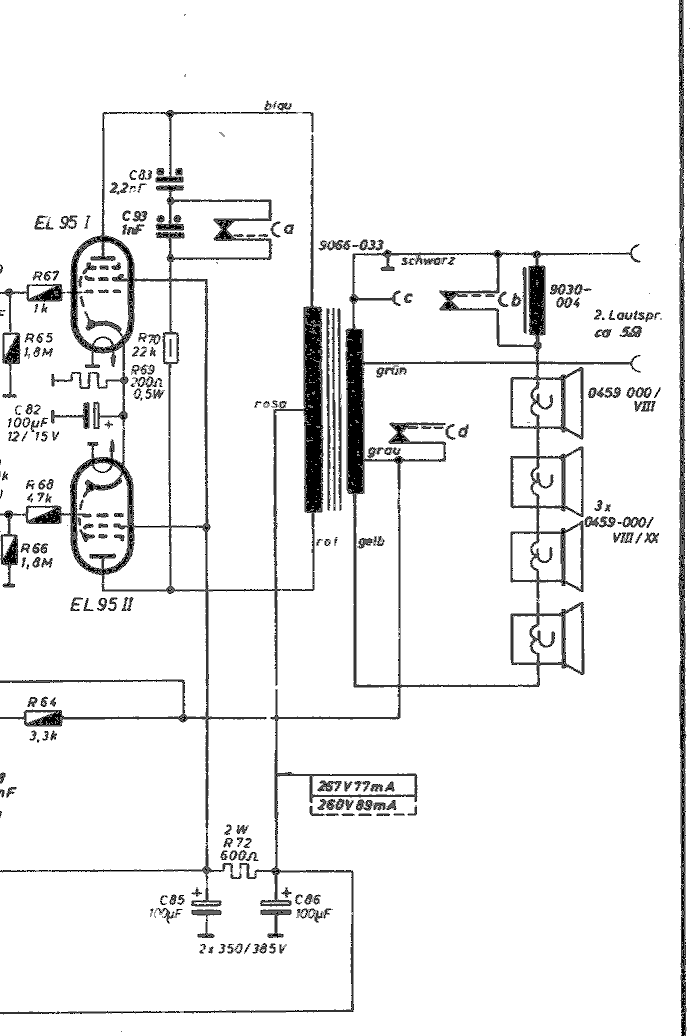
2. Die Gegentaktendstufe mit 2 x EL95 arbeitet auf 4 in Serie geschaltete Lautsprecher, die wohl alle Breitbänder sein müssen, da keine Frequenztrennung stattfindet.
- Ist das ein 16 Ohm Ausgangsübertrager ?
- Die Lautsprecher scheinen bzgl. des Magneten doch nicht identisch zu sein. Was hat es damit auf sich ?


Der erste Test am Regeltrafo verlief positiv: sehr guter Empfang, Klangregelung down (sehr häufig bei den Zauberklängen), Tastensatz kracht. Die nächsten Tage werde ich ihn mal weiter zerlegen, mit seinen 71 cm Breite stellt er doch etwas dar.
Ach ja, da ja eigentlich immer die EM35 verbaut wurde, wunderte ich mich über eine EM34 in diesem Gerät und siehe da, sie scheint irgendwann ersetzt worden zu sein, da ihr Leuchtschirm noch verdammt hell und unverbraucht ist.
Hans, ich mag deine Radios !!
Gruß, Dieter
am Wochenende ergatterte ich in Bayern auf dem Flohmarkt in meiner Heimatstadt dieses schöne Grundig Gerät.


Nach der ersten Durchsicht stellen sich mir ein paar Fragen:
1. Am Chassis in der Nähe des Antenneneingangs fand ich diese merkwürdige Lüsterklemme mit zwei nach außen geführten Drähten und sehr zweifelhafter Isolierung. Die Nachverfolgung ergab, dass damit die markierte Verbindung zwischen der AM-Antenne und der Mittelanzapfung der FM-Koppelspule aufgetrennt werden kann.
Was hat es damit auf sich ? Wozu dient diese Leitung ?


2. Die Gegentaktendstufe mit 2 x EL95 arbeitet auf 4 in Serie geschaltete Lautsprecher, die wohl alle Breitbänder sein müssen, da keine Frequenztrennung stattfindet.
- Ist das ein 16 Ohm Ausgangsübertrager ?
- Die Lautsprecher scheinen bzgl. des Magneten doch nicht identisch zu sein. Was hat es damit auf sich ?


Der erste Test am Regeltrafo verlief positiv: sehr guter Empfang, Klangregelung down (sehr häufig bei den Zauberklängen), Tastensatz kracht. Die nächsten Tage werde ich ihn mal weiter zerlegen, mit seinen 71 cm Breite stellt er doch etwas dar.
Ach ja, da ja eigentlich immer die EM35 verbaut wurde, wunderte ich mich über eine EM34 in diesem Gerät und siehe da, sie scheint irgendwann ersetzt worden zu sein, da ihr Leuchtschirm noch verdammt hell und unverbraucht ist.
Hans, ich mag deine Radios !!

Gruß, Dieter
Gruß, Dieter

