Netzteil- Elkos

      Hallo an alle,

      es hat sich eine neue Frage ergeben.
      Beim Austausch von Netzteil- Elkos ist jetzt ein für mich neues Problem aufgetreten.
      Spannungen bis ca. 400V kannte ich schon.
      Die Anoden- Kaltspannung beträgt gemessene 472V. Die tatsächliche Spitze dürfte wohl noch etwas höher liegen.
      Die verfügbaren Elkos haben eine Betriebsspannung von 450V.
      Somit nutzt man bei jedem einschalten des Gerätes den „Sicherheitsbereich“ der Elkos.
      Frage: Ist das problematisch?

      Mit freundlichen Grüßen

      Mathias
      Ich frage mich auch, wo diese hohen Spannungen vorkommen. Vor etlichen Jahren hatte ich einen PPP-Verstärker mit 4 x EL34 gebaut, da brauchte es schon ordentliche Anodenspannungen. Aber das waren auch "nur" 2 x 400 Volt. Selbst beim Hochlaufen hatte ich da (aus der Erinnerung) nicht mehr als 450 Volt gemessen. Allerdings war die Gesamt-Potentialdifferenz von 800 Volt schon beeindruckend.
      Welche normale Radioröhre operiert denn mit so hohen Spannungen?
      Gruß, Gunnar
      Bei Niederspannungen hätte ich keine Bedenken, gute Elkos sind sozusagen überformiert. Aber in solchen Spannungsbereichen hör ich schon die Heide wackeln, da muß man nur einen miesen Elko dabei haben der das Wasser nicht halten kann.
      Gruß Jogi,
      der im Forum von jedem dahergelaufenen Neuling verspottet, beleidigt und als charakterlos tituliert werden darf.
      Hallo,

      vielen Dank für die vielen hilfreichen Antworten.
      Wenn ich das Radio zum funktionieren bringen kann, kaufe ich zum endgültigen Ersatz ein paar 550V oder 600V Elkos. Sicher ist sicher.
      Bei „Frag Jan zuerst“ habe ich eine tolle Auswahl von Elkos für den Hochvoltbereich gefunden.
      Entschuldigung, das Gerät habe ich nicht genannt, weil es kein Saba ist und eigentlich nicht in dieses Forum passt.
      Es ist ein Telefunken POLO. Kürzlich erstanden, original bestückt, vor Jahrzehnten
      kaputt repariert( 1 Spule abgerissen- irreparabel, 1 Spule abgeschnitten- reparabel)
      Org. Kondensatoren 1000- 1500V, Elkos 550/600V.
      Wie schon gesagt, bislang kannte ich derart hohe Einschaltspannungen auch nicht.
      Die normale Arbeitsspannung beträgt lt. Schaltplan 258V.
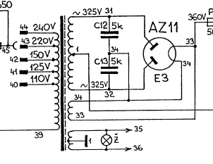
      Gespeist wird die AZ11 mit 2x 325V
      P.S. Da anscheinend alle erstaunt sind werde ich mit einem anderen Messgerät noch mal messen.

      Gruß Mathias
      http://www.radiojournal.cz/radiojournal/pdf/tfkpolo.pdf
      da isses!

      Ein kleiner Hinweis: Die beiden Trafowicklungen sekundär liegen parallel an der AZ11, also nicht 2x325V sondern nur 1x. An der Drossel liegen 350V= nach der Drossel noch 258V und dann über den AÜ an der Anode der EL 11 noch 232V.
      Wegen der Röhrengleichrichtung wird keine Überspannung beim Einschalten an den Elkos entstehen, damit genügen 350V Spannungsfestigkeit allemal!
      Gruß Heino - der Unkaputtbare
      ich muss da noch mal nachfragen.
      Als Nichtfachmann lerne immer neues, wenn Probleme und deshalb Fragen entstehen.
      Anscheinend habe ich ein Problem die Schaltung von Gleichrichterröhren zu verstehen.
      Nach meinem Verständnis werden hier 2x 325V angelegt.



      und hier 1x 300V




      Vielleicht kann mir das jemand genauer erklären.

      Vielen Dank im Voraus

      Gruß Mathias
      Hallo,

      mein Dank an Heino und Ulrich.
      Ich denke, nun habe ich verstanden.
      Den Begriff "Mittelpunktgleichrichtung" kannte ich nicht.
      Also nochmals danke Ulrich, der Link war sehr hilfreich.
      Mein Bild 1 zeigt eine Mittelpunktgleichrichtung, die mit weniger Nachglättung auskommt als Bild 2 mit der Einwegegleichrichtung.
      D.h. bei einer Mittelpunktgleichrichtung sind kleinere Elkos möglich und es ist ev. kein Widerstand zur Begrenzung des Ladestroms nötig.

      Gruß Mathias
      Hallo Mathias,
      gut und vor allem selbst herausgearbeitet. Ich hoffe du hattest meine kurzen Beitrag mit dem „bösem“ Wikipedialink nicht als „Überheblich“ angesehen, so was ist in der Vergangenheit leider schon vorgekommen.

      @Heino, tut mir Leid aber ich kann nicht widerstehen.
      Das ist mir erst jetzt aufgefallen. Aus 325Volt wurden bei dir 253Volt, aus 2*253Volt „parallel“ 235Volt. Die Wunder der Elektrotechnik. Aber was solls, bei drei Zahlen bleiben ja noch ein paar Variationsmöglichkeiten übrig :).

      Gruß Ulrich
      Hallo Ulrich,

      Dein Link war hilfreich, die Erklärung auf Wiki gut verständlich.
      Zuvor war es mir immer ein Rätsel warum in vielen Geräten 50µF oder mehr verwendet werden und wie in meinem jetzigen Fall nur 8+4µF ausreichen sollen.
      Manchmal ist des Rätsels Lösung simpel, man muss es nur (Grundlagen-)wissen.

      an alle,

      Wenn ich nun noch heraus kriege warum auf MW und LW der Empfang unter aller S... ist und auf KW gar nichts ist.
      An der EF12 ist die Anodenspannung zu niedrig, an der EL11 etwas zu hoch, obwohl scheinbar alle Kondensatoren und Widerstände o.k. sind.
      Die Kondensatoren sind geprüft und größtenteils ersetzt worden.

      Gruß Mathias