bi wiring sinnvoll? Saba mi215
-
-
Was meinst Du genau?
Wenn Du das meinst, was ich darunter verstehe, wird das nichts ohne Eingriff am Verstärker.
Ich kenne "bi wiring" so:
Der Lautsprecher wird ganz normal angeschlossen.
Zusätzlich geht vom Lautsprecher eine zweite Leitung zum Verstärker zurück an einen speziellen Eingang.
Das ist ein Gegenkopplungseingang, der nichts mit den schaltbaren Lautsprechern zu tun hat.
Hintergedanke dieser Technik, Verluste auf der speisenden Leitung werden kompensiert.
Die zurückkommende Leitung ist nur eine Signalleitung.
Auf diese Weise kann man sich dicke Speiseleitungen sparen.
Ganz geheuer ist mir diese Technik nicht, zumindest nicht bei längeren Leitungen.
In meinen Augen ist die Gefahr groß, daß man sich über diesen langen Regelkreis Schwingneigung einfängt.
Außerdem kann sich die Rückleitung fremde Signale einfangen, als Antenne wirken.
Ein üblicher HIFI-Verstärker ist praktisch ein Operationsverstärker, der für mehr Leistung gebaut ist.
AndreasWas bedeutet DL2JAS? Amateurfunk, www.dl2jas.com -
Mit Gruß Dietmar M. aus W.
In Bearbeitung / Nutzung befindet sich eine Anlage mit MI-215 - MT-201 - CD-262 und die seit dem 07.03.2016 noch ein PSP-350 dazu hat
Hinzugekommen ist bereits ein 2ter MI-215 und ein weiterer PSP-350 ( Reserven sind immer gut
) -
Moin!
Nachtrag von mir:
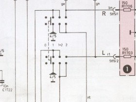
Als Besitzer des MI-215 habe ich mal schnell ins Schaltbild geschaut.
Also Schalterstellung 1 + 2 (A + B) macht aus meiner Sicht keinen Sinn, weil damit ja dann die LS-Chassis in Reihe geschaltet werden.
Wenn du also unbedingt mal Bi-Wiring ausprobieren möchtest, einfach doppelte LS-Kabel an je eine der LS-Buchsen, die Brücken (wenn LS für Bi-Wiring ausgelegt!?) an den LS rausnehmen und je ein Adernpaar an die Bässe und das andere Adernpaar an die Mittel-Hochtöner.
( - - - Natürlich dabei auf richtige Polung achten
- - - )
Die Hinweise in diesem Link scheinen mir ganz sinnvoll (ohne Gewähr!)
fairaudio - hifi lexikon - bi wiringMit Gruß Dietmar M. aus W.
In Bearbeitung / Nutzung befindet sich eine Anlage mit MI-215 - MT-201 - CD-262 und die seit dem 07.03.2016 noch ein PSP-350 dazu hat
Hinzugekommen ist bereits ein 2ter MI-215 und ein weiterer PSP-350 ( Reserven sind immer gut
)Dieser Beitrag wurde bereits 3 mal editiert, zuletzt von „didi-aus-w“ ()
-
warum soll man groß diskutieren,wenn das Ergebnis einen Mausscroll tiefer steht !didi-aus-w schrieb:
Mein Tipp wäre dies mal zu lesen.
Bi-Wiring
Wieder mal ein Hexenhumbuk mit dem man hoffentlich niemanden abzocken kann.
Gruß, DieterGruß, Dieter -
Über den Humbug des sog. Bi-Wiring braucht man nicht weiter diskutieren. LS-Kabel sind keine Wasserschläuche in denen große Abnehmer den kleineren den Wasserdruck abgraben und sie so modulieren können. Der Rest ist Voodoo-Gequatsche.
Bei Verstärkern mit gutem Dämpfungsgrad und fester Gegenkopplung, alle ohne Ausgangsübertrager also und viele der Vorzeit mit Ausgangsübertrager auch, kann man sowas vergessen. Einen Restinhalt bekam sowas lediglich in weitschweifenden ELA-Netzen mit mehreren Kilometern Klingeldraht zu den LS-Ortsstellen. Dies löste man aber nicht durch Bi-Tri-Multi-Wiring sondern mit der 75/100V Technik. Da gab es dann wieder nur örtliche Sternverteiler mit gemeinsamer Zuleitung.
Die Idee die Baßleitungen einzeln zu verlegen entspringt der Bühnentechnik. Aiuch da macht sie Sinn, die Baßlautsprecher sind an räumlich anderer Position als die Satelliten, es müssen also drahtgebundene Verbindungen einzeln verlegt werden, es sei denn man benutzt Siemens-Luftleitungen
Auch bei Heim-Satellitensystemen ist die getrennte Kabelverlegung eine physikalische Notwengikeit, irgendwo steht ein einzeln angeschlossener Subwoofer herum und irgendwo anders die Satelliten. Aber Chassis in gemeinsamer Box müssen nicht einzeln an den Verstärker angeschlossen werden, es sei denn man benutzt auch aus irgendwelchen Gründen autarke Endstufen. Nur hat sich hier etabliert wegen anderer Vorteile die getrennten Endstufen in solchen Fällen direkt und ohne Weichen an die Chassis zu schaffen (Aktiv-LS-Box) und nicht in einem Vollverstärkergehäuse unterzubringen.
Oder konkret und kurz - SABA Heimtechnikanlagen - Biwiring = QuatschGruß Jogi,
der im Forum von jedem dahergelaufenen Neuling verspottet, beleidigt und als charakterlos tituliert werden darf. -
...die dann am jeweiligen Ende natürlich mit SIEMENS-Lufthaken befestigt werden müssen !Jogi schrieb:
es sei denn man benutzt Siemens-Luftleitungen
Das Bi-wiring kommt im Stellenwert bestimmt noch vor dem legendären SIEMENS-Luftbefestigung- und verlegsystem....
Gruß, DieterGruß, Dieter -
An der Entwicklung dieser, lieber Dieter, hatte ich zu meiner Siemens-Zeit ein reges Interesse.
An meinem Labor-Arbeitsplatz löste ich das Gute-Laune-Beschallungsproblem aber ganz konservativ, Autoradio im Schreibtisch eingebaut und zwei schöne Hutablage-Aufbau-Lautsprecherboxen mit Zwillingslitzen angeschlossen auf dem Board auf dem die Meßgeräte standen
Für den Schreibtisch gab es das gleiche in schön. Eine ausgeweidete 1941er "Göbbelsschnautze", darin eingebaut an Stelle des Bedienteiles ebenfalls ein Autoradio. Das sah gut authentisch aus und spielte so gut das es auch dem Gröfaz gefallen hätte.
Jaja Siemens, Technik der Welt, oder war das noch woanders?
Gruß Jogi,
der im Forum von jedem dahergelaufenen Neuling verspottet, beleidigt und als charakterlos tituliert werden darf.