Philips Capella 753 mit tückischem NF-Fehler

      Philips Capella 753 mit tückischem NF-Fehler

      Hallo Freunde unserer Eindhovener Nachbarn,

      im Rahmen der Überarbeitung eines Chassis des Philips Capella 753 - das ist der mit den beiden eisenlosen Endstufen - habe ich mich gegen Ende der Arbeiten an einem hinterhältigen Fehler festgebissen.

      Zunächst das Symptom:
      Nach dem Einschalten des Gerätes, und nur dann, hört man im Lautsprecher (insbesondere im Mittel-Hochtonkanal) nach etwa einer Minute ein Zischeln und Rascheln, so als ob man ein Streichholz anzündet, nur etwas leiser und länger. Das Ganze dauert etwa 10-20 Sekunden, danach ist wohl Ruhe (das kann ich aber nicht sicher sagen).
      Schaltet man das Gerät daraufhin aus und gleich wieder ein, ist alles in Ordnung. Aber nach längerer Ruhe bzw. Abkühlung tritt der Fehler wieder auf.

      Damit ist die Fehlersuche langwierig und mühsam, weil der Fehler selbst nur kurz, die Wartezeit dazwischen lang ist.

      Bisherige Arbeiten:
      Die Papierkondensatoren sind alle ersetzt, das Gerät ist gereinigt, abgeglichen, jede Menge Fehler in der Stromversorgung und im UKW-Teil sind beseitigt, die Röhren teilweise neu.

      Das eigentliche NF-Teil besteht aus der Triode der EABC80 hinter dem Lautstärkeregler, dann kommt das Klangregelnetzwerk, dahinter eine Verstärkerstufe mit einer EC92 Triode, die über eine Frequenzweiche die beiden Endstufen ansteuert, eine für den Bassbereich, eine für Mitte-Hoch, jweils mit einer EL84 und einer UL84 bestückt, ohne Ausgangsübertrager.
      Die Lautsprecher des Gerätes haben daher um die 800 Ohm.
      Da mir diese Latsprecher nicht zur Verfügung stehen, habe ich eigene 4 Ohm Lautsprecher über 100V ELA Trafos angeschlossen.

      So, wenn die EABC 80 an den Spielfeldrand gestellt wird, tritt der Fehler auch auf. Die Schaltung davor (Demod, etc.) scheidet als Ursache aus.
      Wenn ich die EC92 auf die Reservebank setzte, tritt der Fehler NICHT auf, die Endstufe ist es demnach wohl nicht.
      Sobald sie aber eingebaut ist, bei abgehängtem G1 Koppelkondensator, tritt der Fehler auf. Das Klangregelnetzwerk ist also auch aus dem Schneider.
      Den Anodenarbeitswiderstand (100K) der EC92 habe ich ersetzt, keine Änderung. Ebenso wurde der Gitterableitwiderstand (1M) ersetzt - auch der war unschuldig.

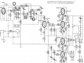
      Hier erst einmal das Schaltbild:



      Im Moment schaue ich, ob etwa über die Gegenkopplung Störungen in die Kathode der EC92 verschleppt werden, oder ob die Kathodenwiderstände instabil sind.
      Achim
      An der Gegenkopplung kann ich die Störimpulse messen. Sie haben eine Amplitude von etwa 50-100mV.
      Dann habe ich an R91-C109 gemessen (südliches Ende im Schaltbild), dort sieht man die Impulse mit viel höherer Amplitude.
      Also war mein erster Gedanke, dass der Auskoppelelko C107 Isolationsfehler haben muss. Ein testweiser Ersatz bewirkte keine Besserung.
      Die beiden in Serie liegenden Widerstände R90 / R91 zwischen den beiden Ausgängen könnten auch zu DC-Verschiebungen und Störungen führen, wenn sie etwa Kontaktprobleme haben. Aber auch sie sind unschuldig.

      Nun bleiben eigentlich nur noch R70 und R72 an der Kathode der EC92 übrig. Wenn dort Kontaktprobleme wären, würden die natürlich verstärkt und am Ausgang der Endstufe auftreten.
      Achim
      Hallo Achim
      Ich haette zwar auch auf die 3Widerstaende im Anoden-Katodenkreis getippt.
      Wenn das beige PHILIPS sind nein, Kohle-Massetypen ja.
      Aber jetzt noch die Fassung der EC92, wenn da einer K60 reingespritzt, der tut das genausol
      Es beginnt regeneriert sich und kommt zurueck. Unter Spannung wird K60 leitend-
      Siehe SABA UKW-Schieber. In der Steinzeit habe ich so einen, sehenden Auges, damit abgefackelt.
      hans
      Grüß Dich Hans,

      da sind im NF-Teil fast ausschließlich graue Rosenthal verbaut. Es gibt in diesen Capellas auch etliche Kohlemasse-Widerstände, aber hauptsächlich im ZF-VErstärker.
      Ich habe nun den 33R an der Kathode ersetzt, das Gerät hat jetzt wieder Ruhepause, mal sehen, was passiert. Der 1K ist ein grüner Typ, Hersteller habe ich noch nicht ermittelt. Den werde ich auch noch ersetzen.

      Ja, die Fassung der EC 92, das ist dann ein heißes Thema. K60 Orgien konnte ich nicht finden, die Fassung ist auch nicht aus Pertinax, sondern aus schwarzem Kunststoff. Aber man weiß ja, WIE hinterhältig Röhrenfassungen sein können.

      Wichtig ist, so denke ich, dass der Fehler sowohl zu einem Problem in der Fassung, als auch zu einem Fehler in der Gegenkopplung passt - in beiden Fällen kommt er nicht zum Tragen, wenn die EC nicht drin ist.

      Fortsetzung: Auch die beiden Kathodenwiderstände 33R und 1K sind nicht die Ursache.
      Ich fürchte, ich muss die Fassung ersetzen.
      Achim

      Dieser Beitrag wurde bereits 2 mal editiert, zuletzt von „nightbear“ ()

      Hallo Achim,

      das sieht ja nach einem sehr heimtückischen Fehler aus. Hast du denn bereits getestet wie sich der Fehler bei aufgetrennter Gegenkopplung verhält? Ist der Fehler dann noch mit der gleichen Intensität vorhanden?

      Durch Auftrennen der GK-Schleife kann man bei offener Verstärkung besser die Ursache bzw. Entstehung des Störsignales herausfinden. Natürlich ist das Aufspüren der Ursache wegen des zeitlich begrenzten Auftretens besonders erschwert. Jedoch hast du in deiner Beschreibung erwähnt, dass doch einige Messungen möglich waren - also sollte das auch bei offener Schleife möglich sein. Bei konstant vorhandenem Fehler wäre dies aus meiner Sicht die systematischste Vorgehensweise.

      Jetzt gilt es abzuwägen welche Massnahme weniger schweißtreibend ist - das Tauschen der Röhrenfassung oder die mühevolle Suche nach einer möglichen sonstigen Ursache. Bei einer schadhaften Röhrenfassung wäre ein Einschleichen der Störung vorrangig in den Gitterkreis der EC92 zu vermuten - was geschieht denn wenn du das Gitter and GND legst - tritt der Fehler dann noch auf? Wenn "Nein" wäre tatsächlich ein Defekt der Röhrenfassung naheliegend.

      Leider verlieren bei solchen Fehlern die Gesetze der Logik schnell ihre Gültigkeit. Deshalb, und besonders wegen des zeitlich begrenzt auftretenden Fehlers, ist ein zielführender Rat ebenso wage wie Lesen aus dem Kaffeesatz.
      Freundliche Grüsse, sagnix
      Da hilft vielleicht die schnelle Welle, schwapp-schwapp.
      Fassung mit viel Druck durchgespült mit Sprühalkohol und nach der Trocknung sparsame Anwendung von Ballistol in den Kontaktfedern.

      Vor der Ballistolkur alle Lötstellen restlos ablöten und mit frischem Lot wieder anlöten (säurefrei).
      Alle Rückstände pingelig abranzen, gerne mit einer Isopropanol-getunkten Zahnbürste die auch unter den Rand kommt.

      Erspart vielleicht das um die Ecken denken und langes Suchen.
      Gruß Jogi,
      der im Forum von jedem dahergelaufenen Neuling verspottet, beleidigt und als charakterlos tituliert werden darf.
      Hallo Peter, Hallo Jogi,

      ich musste gestern feststellen, dass ich keine 7-poligen Fassungen mehr am Lager habe, daraufhin habe ich erstmal welche in Keramikausführung mit Abschirmkragen bestellt.
      Ich habe also übers Wochenende Zeit, weiter zu forschen und zu testen.

      Zunächst muss ich heute eine ganze Reihe von Änderungen zurückbauen, die aus dem testweisen Ersatz von Bauteilen resultieren, sonst wird es irgendwann instabil und unübersichtlich.

      Der Fehler hat mich schon mehrfach genarrt, indem er nach Änderungen für einen halben Tag nicht mehr auftrat, nur um sich am nächsten Tag boshaft zurückzumelden.
      Im Moment gehe ich mit dem Oszilloskop immer vor dem Eischalten an einen Punkt und beobachte das Signal (bzw. das Grundrauschen) beim Einschalten. Meist kommen dann kleine Störimpulse, die innerhalb einer Minute ein mehr oder weniger ausgeprägtes Maximum erreichen, bevor sich alles wieder beruhigt. Die tatsächliche Höhe der Impulse ist nicht exakt reproduzierbar, ist bei jedem Einschalten anders. Ziemlich sicher ist nur, DASS nach längerer Ruhezeit etwas passiert. Wie lange und wie ausgeprägt, weiß man vorher nicht.

      Der Tip mit aufgetrennter GK zu messen, ist genau richtig! Sonst ist nie ganz klar, ob der Salat in der GK-Schleife entsteht und dann verstärkt wird, oder ob ein anderweitig entstehendes Signal einfach nur logischerweise in der GK auftaucht.

      Ein Problem bei den Capellas sind übrigens die Lötösen für Masse an den Lötleisten. Sie sind nicht mit dem Chassis verschweißt oder verlötet, sondern nur mit einer M3 Schraube festgeschraubt. All diese Schrauben waren locker und mussten nachgezogen werden.
      Ich hatte schon den Verdacht, hier die Ursache zu finden, aber das war nicht der Fall.

      Leider ist die vorhandene Fassung der EC92 genietet und von unten sind ihre Lötstellen durch das Dickicht der Bauteile nur sehr mühsam zu erreichen. Sowohl ein Ersatz, als auch ein wirklich gründliches Reinigen sind aufwändig, obwohl sie nur 5 belegte Pole plus Massehülse hat.

      Ich mache später noch Bilder vom Ort des Geschehens.

      Nachtrag:
      Nach Rückbau der Änderungen auf der Chassisoberseite habe ich mit an Masse gelegtem G1 der EC92 getestet - der Fehler tritt auf.
      Ohne die EC92 tritt er nicht auf, das verifiziere ich aber später noch einmal, weil der Fehler hinterhältigerweise manchmal pausiert.

      1. Tritt er bei einem Testlauf auf, ist sicher, dass er vorhanden ist.

      2. Tritt er bei einem Testlauf jedoch nicht auf, ist keine sichere Aussage darüber möglich, ob die Fehlerursache noch besteht, oder nicht.

      Hier sind Fotos von der Chassisoberseite im Bereich der NF-Verstärker:





      Man sieht die leere Fassung der EC92, die Lötleiste mit den Widerständen und Kondensatoren der Gegenkopplung und zwei 4W Drahttrimmpotis zur Einstellung der G2 der beiden EL84. Sie ersetzen die wenig betriebssichere und nur hakelig einstellbare Originallösung mit Drahtwiderständen mit verschiebbarer Schelle.

      Weiterhin wurden die beiden Kathodenelkos und -widerstände von der Chassisoberseite unter das Chassis verbannt, wo sie nun direkt an den Röhrenfassungen angelötet sind.
      Dadurch entsteht auf der Oberseite freier Platz, so dass die beiden Auiskoppelelkos nebeneinander, jeder mit einer eigenen Befestigungsschelle, montiert werden kännen.

      Nun ist das GK-Netzwerk von der Kathode der EC92 getrennt, stattdessen hat sie jetzt einen separaten Kathodenwiderstand von 1K.
      Ich werde jetzt testen...
      Achim

      Dieser Beitrag wurde bereits 5 mal editiert, zuletzt von „nightbear“ ()

      Hallo Achim,

      man erkennt hier wieder deine akkurat sorgfältige Vorgehensweise bei den Geräten, welche deiner Behandlung unterzogen wurden. Eine kleine Beanstandung habe ich dennoch: Der gelbe Isolierschlauch -letztes Bild- könnte mit etwas mehr Abstand an der UL84 vorbei verlegt werden - wenn das Foto nicht täuscht, berührt dieser fast den Röhrenkolben.

      Dass der Fehler auch bei geerdetem Gitter der EC92 auftritt, spricht eigentlich gegen eine defekte Fassung - aber die Wege solcher Fehler sind oft unergründlich. Besonders deshalb wünsche ich dir viel Erfolg bei der Auffindung des hinterhältigen Zeitfehlers... bin gespannt was sich da letztendlich als Ursache herausstellen wird.

      Schaun wir erst einmal, wie der Test mit der abgetrennten Gegenkopplung verläuft.
      Freundliche Grüsse, sagnix

      Dieser Beitrag wurde bereits 1 mal editiert, zuletzt von „sagnix“ ()

      Hallo Peter,

      das hast Du gut gesehen! Der Isolierschlauch war noch ein Relikt des Wiedereinbaus des ursprünglichen Koppelelkos. Da brauchte ich Platz, um die Heißluft an den Schrupfschlauch zu bringen. Der Schlauch ist inzwischen wieder einen Zentimeter auf Abstand zur Fassung.
      Philips ist übrigens hier nicht zimperlich mit Leitungen in der Nähe der Endröhren. Alle Drähte, die zu den Lautsprechern und zur EM80 gehen, kommen genau neben den Röhren von unten durchs Chassis und schmiegen sich fast zwangsläufig an die heißen Röhrenkolben. Einige sind schon verfärbt und verhärtet. Und oben am Kolben ist die Strahlungswärme ja noch viel intensiver als unten am Chassisblech. Ein Lochkranz um die Fassungen, wie bei Grundig oft vorhanden, brächte etwas Kühlung und durch die Sogwirkung auch Belüftung unter das Chassis. Aber nun ja -"Nimm doch Philips"...
      Die Qualitäten dieses Ausnahmeradios liegen ja auch in anderen Bereichen.

      Zurück zum Fehler. Mir ist folgendes aufgefallen: Die EC92 sieht ja so aus



      Die Anode ist auf 1, das G1 an 6. Das ist gut so, der Abstand ist sehr groß, dazwischen liegt die Lücke im Pinkreis. Die Anodenspannung der Triode hat nur 80V, das schreit nicht gerade nach Kriechstecken und Feuerwerk.

      So, Pin 5 ist nicht belegt. Ihn hat Philips aber ausgerechnet als Lötstützpunkt für R60-R71 genommen.
      Da liegen immerhin etwa 175V, und direkt daneben an Pin 6 ist das G1.
      *)
      Um Kriechstrecken als Ursache auszuschließen wurde diese Verbindung hochgelegt, aber auch das war nicht das Problem.
      Weiterhin habe ich den zweiten Auskoppelelko testweise ersetzt, ohne Erfolg.
      Es raschelt jetzt auch mit abgetrennter Gegenkopplung.
      -> allerdings nur mit einer meiner 3 EC92, das könnte jetzt auch mit der Röhre zu tun haben. Die hatte ich schon ab Punkt *) verwenet. Aber auch mit der originalen EC92 raschelt es, nur etwas schwächer.
      So langsam bekomme ich wirklich richtig schlechte Laune.

      Das ist schon ein rechter Hundskrüppel...

      Also habe ich die Fassung jetzt ausgebaut. So ganz koscher sieht sie nicht aus. Normalerweise ist das schwarze Pressstoffmaterial ja glänzend an der Oberfläche, nur da, wo Flussmittel verlaufen ist, sind dessen Spuren zu sehen. Hier ist alles wie von einem Nebel bedeckt, die Oberfläche ist matt, wie mit der Blumenspritze benebelt. Außerdem riecht die gesamte Fassung stark nach den Schmiermitteln, die früher in den 50ern z.B. bei VHF Kanalwählern für die Mechanik verwendet wurden. Mit irgendetwas scheint mir die Fassung regelrecht "getränkt" worden zu sein.
      Ich werde wohl auf die Keramikfassungen warten, um zu vermeiden, dass ich einem Phantom nachlaufe, während die ganze zeit die Fassung der Grund ist, wie Hans schon weiter oben vermutet hat.


      Achim

      Dieser Beitrag wurde bereits 9 mal editiert, zuletzt von „nightbear“ ()

      Hallo Achim,

      so wie du die Fassung beschreibst, rückt sie jetzt doch sehr in den Focus des Verdachtes. Ich hatte ja noch Hoffnung, dass der Fehler ohne GK verschwindet, denn das hätte dann ein Hinweis für Schwingerscheinungen sein können. Ich denke nun ist alles soweit abgeleuchtet, dass es nahezu nur noch an der Fassung liegen kann.

      Auch mit der Anordnung der Elektroden der EC92 bezüglich der Abstände in der Fassung hatte ich ähnliche Überlegungen getätigt, wie du sie gerade beschrieben hast - deshalb und auch weil es keine Pertinaxvariante ist, wollte ich nicht widerstandlos an eine defekte Fassung glauben. Aber wer weiss, worin man sie einst "ersäuft" hat.

      So hoffe ich, dass der Wechsel den gewünschten Erfolg zeitigt, es bleibt weiterhin spannend. - Ich wünsche noch einen schönen Sonntag.
      Freundliche Grüsse, sagnix
      Hallo Peter,

      ich denke, es bleibt nicht mehr viel übrig, außer der Fassung. Aber ein Restrisiko bleibt, wel der Fehler unfairerweise manchmal mehrfach ausbleibt und einen zu falschen Schlüssen verleitet.
      EIn Problem ist auch immer, dass man die Vorgeschichte eines Gerätes nie genau kennt. Was geschah bei der Produktion, beim Käufer, bei Reparaturen in der Werkstatt...?

      Übrigens, dieses Gerät hatte ein 2faches Brummproblem (ich dokumentiere das noch, wenn ich Zeit habe).

      Es gab einen deutlichen Netzbrumm und auch einen 50Hz Brumm durch Einstrahlung.
      Zum Netzbrumm hast Du dich einmal dankenswerterweise hier geäußert und darauf hingewiesen, dass der Aufwand, den Philips bei der Siebung betrieben hat, sich in Grenzen hält.
      Da der Selengleichrichter schon mit Si-Dioden bestückt war, habe ich daher statt des Vorwiderstandes eine Siebdrossel mit ca. 7H eingebaut. Sie hat um die 100 Ohm und in Verbindung mit einer zusätzlichen Stufe in der Siebkette ist der Netzbrumm Geschichte.



      Zudem sitzt der Gleichrichter auf dem Chassis ganz links vorne, die Lade- und Siebelkos sitzen am anderen Ende ganz rechts hinten. Der Gleichrichter lag "vor Ort" mit seinem Minusanschluss am Chassis, die Elkos ebenso. Nun ist es nicht günstig, wenn die mit Brumm und Schaltimpulsen befrachtete Versorgungsspannung diagonal durch das gesamte Chassisblech fließt, bis sie an der Siebkette am anderen Ende "gereinigt" wird.
      Also habe ich den Gleichrichterminusanschluss getrennt und eine separate Leitung isoliert für die Masseführung bis direkt an die Anschlussringe der Becherelkos gelegt. Auch das dürfte von Nutzen sein.



      Weiterhin ist die NF-Sektion sehr einstrahlfreudig. Hinter dem Lautstärkeregler kommen schließlich auch noch zwei Verstärkerstufen plus Endstufe.
      Die alten Kondensatoren waren durch 1500V Typen ersetzt, die mechanisch ziemlich groß sind. Teilweise mussten wegen weniger gebräuchlicher Werte Parallel- und Serienschaltungen gebildet werden. All diese großen Bauteile waren dann richtig gute 50 Hz Antennen, haben wahrscheinlich auch Kopplungen untereinander durch räumliche Nähe und ihre große Oberfläche gehabt.
      Ich musste daher die meisten dieser Kondensatoren durch kleine Bauformen mit passenden Nennspannungen und Werten ersetzen. So wurde die Brummfreudigkeit extrem reduziert.
      Achim

      Dieser Beitrag wurde bereits 10 mal editiert, zuletzt von „nightbear“ ()

      Es geht doch nichts über eine saubere Masseführung, am Besten getrennt nach den Funktionen:
      Rückleitung (Minus), Schrimung, Erdung (nur bei geeigneter Schutzklasse zulässig).
      Und alles schön sternförmig mit Hauptsternpunkt (am Standard-Röhrenradio der Lade-Elko) und Regionalsternen (am Standardröhrenradio die Stufensterne an der Röhren-Fassung).

      Der Mörder ist immer der Gärtner... :whistling:
      Gruß Jogi,
      der im Forum von jedem dahergelaufenen Neuling verspottet, beleidigt und als charakterlos tituliert werden darf.
      Hier ist ja der Gleichrichter vorne links. Direkt dahinter, etwa 8 cm entfernt liegt das NF-Teil. Dort ist an der besagten EC92 von ihrer Massehülse aus ein sehr dicker Draht direkt zum Chassis geführt und dort auch verlötet. Die Kathoden der Endröhren und die Minusanschlüsse der Lautsprecherausgänge sind ebenfalls in unmittelbarer Nähe am Chassis angeschlossen.
      Die Lade- und Siebelkos aber liegen 50cm weit entfernt ganz rechts hinten in der HF-Sektion. Die gesamte Siebfunktion läuft nun in der Originalverdrahtung diagonal über das ganze Chassis, während die NF-Röhren direkt vorne links über eine ganz kurze Verbindung mit dem Gleichrichterminus verbunden waren.
      Jetzt gehen + und - erst einmal isoliertl direkt zur Siebung, danach - und dann ist der Innenwiderstand der Anodenspannungsquelle höher, der Brumm und Schaltimpulse sind beseitigt, läuft der Plus über die Verschaltung mit Drähten, der Minus über das Chassisblech. Aber da ist die DC schon sauber und kleine Widerstände stören nicht.

      Ich gehe auch davon aus, dass diese Problematik stärker zum Tragen kommt, sobald der original Selengleichrichter durch Siliziumdioden ersetzt wird. Infolge der anderen Schaltcharakteristik besitzt das Ausgangssignal einen höheren Anteil von Oberschwingungen, die zu mehr Störungen bei nicht ausrechend wirksamer Siebung führen.
      Achim

      Dieser Beitrag wurde bereits 2 mal editiert, zuletzt von „nightbear“ ()

      Hallo Rolf,

      die ULs sind derzeit von Ultron, die ELs müssten Russen sein. Ich habe auch Sovteks aus meinem Bestand probiert, habe die Pärchen zwischen den Kanälen gewechselt. Das hatte keinen Einfluss auf den Fehler.
      Ich habe immer an einem Ausgang meinen Lautsprecher über den Übertrager, den jeweils anderen Ausgang schließe ich mit 800 Ohm ab. Auch ohne Abschlusswiderstand dieselbe Symptomaik.
      Und dann tritt der Fehler ja ohne die EC92 nicht auf, wenn beide Endstufen ganz normal laufen.
      Ich teste immer ohne Signal. Wenn es raschelt, sind die Auskoppelelkos DC-mäßig schon fertig geladen.

      Ich hoffe ja, dass die Fassung die Ursache war - sonst wird es richtig spannend....
      Achim
      Um bis zum Eintreffen der neuen Fassungen keine Zeit zu verlieren, habe ich der EC92 jetzt provisorisch eine "Luftfassung" verpasst.



      Dieses Konstrukt ist jetzt in die Schaltung eingebaut, das lässt sich als Testaufbau gut bewerkstelligen, ist natürlich keine Dauerlösung.

      Beim ersten Einschalten zeigte sich der Fehler nicht.
      Das bedeutet allerdings noch GAR nichts. Gerade nach Lötarbeiten in diesem Bereich war der Fehler häufig zunächst "stumm", nur um nach längerer Betriebspause umso prominenter wieder aufzutreten.
      Ich teste nun im Abstand von ein paar Stunden...

      Die alte Fassung sieht in der Vergrößerung so aus:



      Ich finde, gerade oben rechts, im Bereich um Pin 1 herum, sieht es etwas fettig aus.
      Achim

      Dieser Beitrag wurde bereits 1 mal editiert, zuletzt von „nightbear“ ()

      Das erinnert mich langsam an den legendären Thread von Chrisoph (littledennis). Der hieß "Habe heute erst den Fehler von...gefunden". Die langjährigen Mitglieder werden sich noch erinnern. Dort ging es um einen extrem hinterhältigen ZF-Fehler, der immer wieder auftrat, obwohl er schon x-mal beseitigt zu sein schien.

      Ich habe den Fehler noch nicht gefunden. Er trat selbstverständlich schon bald wieder auf.
      An irgendeiner Stelle hat er mich bei den Tests wohl genarrt, indem er sich mehrmals zurückgehalten hat und mich so zu falschen Schlüssen verleitet hat.

      Ich mache jetzt alle Testläufe zur Sicherheit noch häufiger, um das auszuschließen. Im Folgenden werde ich nur Aussagen auflisten, die wirklich sicher bewiesen sind.
      Fest steht:

      1.) Wenn C98 abgetrennt ist tritt der Fehler trotzdem auf. Die Schaltung davor kann also ausgeschlossen werden.

      2.) Wenn C 99 abgetrennt ist, tritt der Fehler nicht auf (Das teste ich gerade.)

      Es geht also um diesen Bereich:




      Noch ein allgemeiner Hinweis:
      In der Klangregelung haben Im Schaltbild
      R68 470K
      R65 220K
      Im Gerät sind die beiden Positionen vertauscht bestückt, also
      R68 220K
      R65 470K
      Was richtig ist, weiß ich nicht. Meistens hat ja die Bestückung recht...


      Achim

      Dieser Beitrag wurde bereits 4 mal editiert, zuletzt von „nightbear“ ()

      Hallo Achim und Leser.
      Nachdem es die Fassung nicht ist, noch eine Idee.
      Nehmen wir an, in den Endstufen gibt es Ionisierungen /leichte Überschläge in den Powertubes. Diese koppeln kapazitiv (durch die Luft) von den Anodenblechen oder Kabeln auf die EC92. Steck dazu einen geerdeten Schirm auf die EC92. Dann ist das Thema auch weg.
      hans

      Dieser Beitrag wurde bereits 1 mal editiert, zuletzt von „decoder“ ()

      Hallo Hans,

      das werde ich morgen testen.
      Was ich noch beobachtet habe, ist, dass sich das Geräusch manchmal wie ein hohes Schwingen, wie ein Zahnarztbohrer anhört. Es ist ja auch nur im Hochtonkanal zu hören.
      Dann ist es bei einer bestimmten EC92, die eigentlich in einer UKW-Box einwandfrei lief, ganz besonders stark.
      Die EC ist jetzt auch sehr nahe an einem der großen Trimmpotis für die G2 Einstellung der EL84. Deren Gehäuse liegen nicht auf Masse. Ursprünglich waren da Drahtwiderstände mit verschiebbarer Anzapfung. Ob da etwas einstrahlen kann?
      Achim

      Dieser Beitrag wurde bereits 1 mal editiert, zuletzt von „nightbear“ ()