LUXMAN FQ-990 – die Zweite
Da mich der LUX (Luxman) FQ-990 Receiver (in USA/Kanada Typenbezeichnung BIC 71/2R), den ich weiter oben vorgestellt hatte (und der mir leider nicht selbst gehört hat), wegen seines Klangs beeindruckt hat, habe ich zugegriffen, als ich einen bekommen konnte.
Ich habe damit (Freude! Oder ?) einen der allerersten FM-stereo Receiver bekommen, die Luxman (LUX Corporation) gebaut hat, die Seriennummer ist #990 00129. Dabei ist hier 990 der Gerätetyp (FQ990) und 129 die laufende Seriennummer, also das 129ste Gerät der FQ-990 Serie, die etwas früher datiert als der bauähnliche FQ-900 (BIC 71/3R) Typ, der sich hauptsächlich durch geringere Railspannung an den Endstufen und etwas einfacheres FM-Frontend unterscheidet. Die BIC Typennummer steht für British Industries Corporation (der Garrard Nordamerika-Importeur) und 71 steht für das Jahr. Der FQ-990 kam (wie auch sein kleinerer 900-Bruder) 1971 auf den Markt.
Bei meinem „Urserien-Exemplar“ fallen mehrere Unterschiede zum Gerät aus der späteren Serie auf, das ich vorher in den Händen hatte.
In der ersten Serie (gegenüber späteren Serienänderungen):

Die Änderungen wurden offenbar zu unterschiedlichen Zeiten in der laufenden Serie sowohl beim FQ-900 wie auch beim FQ-990 eingeführt. So habe ich einen Schaltplan vom FQ-990, der schon die neuere Schaltung im Stereodekoder zeigt, aber noch nicht den Schalttransistor für das Muting, den Widerstand am AM-Antenneneingang und auch noch immer die Kerkos am Tape Ausgang enthält sowie das T-Notch-Filter immer noch auf 60 Hz statt auf 120 Hz abgestimmt hat. Ein anderer Schaltplan vom FQ-900, vermutlich jüngeren Datums, hat dagegen die genannten Änderungen fast alle berücksichtigt (bis auf das Notch T-Filter in der Abstimmspannungsversorgung, das hat der FQ900 gar nicht, da er auch ein anderes HF-/Mischteil als der FQ-990 enthält).
Übrigens wurden noch später offensichtlich auch die Leistungs-Endstufen etwas geändert. In Bildern vom Web findet sich nämlich ein weiteres Trimmpoti oben an
den Endstufenblöcken, das zunächst nicht vorhanden war (weder beim Frühserienmodell, noch dem späteren mit Seriennummer um die 1000). Offenbar hat man bei Luxman zuletzt den Ruhestrom doch noch einstellbar gemacht.
Im Prinzip funktionierte mein FQ-990, so wie ich ihn bekam, aber mehr schlecht als recht:
Die Mutingfunktion und Mittenanzeige nennt Luxman etwas hochtrabend „Electronic Tuning by Computer“. Darunter stellt man sich ja wenigstens eher so etwas wie AFC vor, wobei die Frage bleibt, was „Computer“ meint. Das ist es aber nicht, man muss schon noch von Hand auf Maximum der Abstimmanzeige abstimmen. Allerdings begrenzt die „Automatik“ („Computer“) den abstimmbaren Bereich um das Feldstärkemaximum, ausserhalb wird stummgeschaltet und die „Center-Tuning“ Anzeige erlischt. Im Grunde, die Funktion, die Grundig mit dem Tunoskop und der Mutingfunktion z.B. im T 3000 (R2000, R3000) bei FM auch realisiert hatte. Die Luxman Schaltung ist allerdings sowohl bei UKW, wie auch auch bei MW aktiv und nicht völlig abschaltbar, lediglich zwischen zwei Ansprechschwellen, „Local“ und „Distant“ umschaltbar. Allerdings ist da nichts wirklich „computerized“ in dem Sinn, wie wir das heutzutage (digital) verstehen. Die Schaltung arbeitet mit einer ausgeklügelten Logik auf der Basis von Transistorschaltern und voreingestellten Spannungsschwellen für die Umschaltung.
Luxman preist diese Muting und Center-Tuning Indikator Schaltung, die zuerst im FQ-990/FQ-900 verwendet wurde ein Jahr später (1972) genauso im exklusiven und
ultra-seltenen Tuner WL-212 an, der auch sonst offenbar weitgehend identische Technik enthält – allerdings dort in einem sehr eleganten 70iger Design statt im nüchtern-funktionalen „Messgeräte-Look“, die das Äußere des FQ-990 und FQ-900 kennzeichnen. Die technische Beschreibung der speziellen Schaltungen und Eigenschaften des FQ-990 und des WL-212 sind in den Luxman Produktdateninformationen beider Geräte wortgleich. Ich möchte deshalb annehmen, dass hier dieselbe Technik in zwei ganz unterschiedlichen Verkleidungen verpackt wurde, wobei im WL-212 Tuner ein 5-fach Preomat (statt 3-fach im FQ990) und zusätzlich ein regelbarer KH-Ausgang, Ausgangspegelsteller und Noise-Filter (Auslöschung gegenphasigem Rauschen in Stereo über Kondensatorbrücke zwischen den beiden Kanälen) verbaut wurden.
audio-creativ.de/wordpress/wp-…Luxman-Tuner-212-WL-2.jpg
bilder.hifi-forum.de/medium/256785/pic3829_16015.jpg
Leider habe ich keinen Schaltplan vom WL-212 Tuner finden können. Der könnte die Vermutung bestätigen.
Hier die Beschreibung von Luxman für den FQ-990, die sich so wortgleich im Prospekt des WL-212
wiederfindet:

Der AM-Abgleich führt zum guten Ergebnis. Ich zeige die ZF-Durchlasskurve (Mittenfrequenz 455 kHz) nach dem Abgleich. Auf der horizontalen Achse ist die Einheit 2kHz= 1Div. (über die gesamte Scope-Breite also +/- 10 kHz).
Die Doppelhöckerkurve lässt sich (bei Verwendung eines Wobblers oder auf neuenglisch: Sweep-Generator) leicht nach Service-Anweisung auf max. Höhe und Symmetrie abgleichen.

Wie zuvor, habe ich die AM-Pfeifsperre auf 9 kHz abgeglichen (statt auf 10 kHz, wie für den US-Markt im Service vorgesehen).
Der Abgleich der Kreise in der Mutingschaltung (einschl. S-Kurve auf 0V) muss abweichend von der üblichen Praxis ausnahmsweise bei hoher HF-Eingangsspannung (70-90 dB) vorgenommen werden. Im FM-ZF-Teil ist nur die „Diskriminatorspule“ (unterer Spulenkern für S-Kurvenmaximum, oberer für S-Kurven-Nullpunkt) abgleichbar, in der frühen Serie die Ziehtrimmer für die Toyo-Quarzkristallfilter nicht verwendet werden, sondern einfach 10pF Kerkos. Man könnte dort Keramiktrimmer nachrüsten. Da aber die Platine Service-unfreundlich nur nach Ablöten zahlreicher Anschlussleitungen herausnehmbar ist, habe ich mir das erspart. Beim Einstellen der Keramiktrimmer muss man zudem auch sehr vorsichtig arbeiten, da es an den Drahtherausführungen der sehr sehr seltenen ZF-ICs um runden Metallbecher eng zugeht. Dort muss an einem der Pins das Signal für das Sichtgerät beim Wobbeln abgenommen werden. Ich habe mir mal durch eine Unvorsichtigkeit dort einen solchen raren IC (RCA, CA3043) durch versehentlichen Massekontakt zerschossen und dann mit Schweiss auf der Stirn die ganze Nacht im Web gesucht, wo ich dieses Teil noch bekomme. In Kanada habe ich glücklicherweise noch jemanden gefunden, der auf „Vintage-Bauelemente“ spezialisiert war und der mich gerettet hat. Als Ersatz für den CA3043 kann man ausser dem RCA Original noch die baugleichen ECG786 oder NTE786 verwenden. Die findet man aber praktisch auch so gut wie nicht mehr.
Das Görler Frontend ist bzgl. Abgleich/Service in den Luxman Service-Unterlagen nicht eingeschlossen. Der Abgleich dort ergibt sich aber einfach aus dessen Aufbau. Nach Identifizierung, welche der Spindeltrimmer und Spulen für den Oszillator und welche für Vorkreis, Zwischenkreis und IF-Ausgangskreis „zuständig“ sind, geht das bei 88 Mhz (Spulen) und 108 Mhz (Spindeltrimmer) bei kleinem HF-Eingangspegel problemlos. Normalerweise muss und soll man da nicht schrauben. Da ich aber davon
ausgehen musste, dass hier und da im Gerät wahllos mal rumgedreht wurde, habe ich es ebenfalls nachgeglichen. Nur der Eingangskreis brauchte bei 108 Mhz (Spindeltrimmer) eine deutliche Korrektur, um die beste Empfindlichkeit bei hohen Empfangsfrequenzen zu bekommen.
Im Muting/Center-Indikator Bereich für FM ist die genaue Einstellung des Bandfilters im Demodulator kritisch, das genau auf das Maximum der wirklichen Feldstärke (nicht Feldstärkeanzeige auf dem Abstimminstrument!) abgestimmt werden muss. Die Service-Anleitung sieht vor, dass das mit einem Wobbler gemacht werden soll (Bandfilterdurchlass genau auf ZF 10.7 MHz abgleichen). Es geht mit Fingerspitzengefühl auch ohne Wobbler (aber umständlicher), wenn man zunächst den Empfang genau auf Sendefrequenz stellt, und dann in winzigen Schritten die Spule gerade so verdreht, dass das geräteinterne Abstimminstrument bei dieser Frequenz das Maximum anzeigt. Dann sind Anzeige und Sendermitteneinstellung richtig „synchronisiert“. Schliesslich gibt es noch einige Widerstandstrimmer mit denen die richtigen Schaltspannungen für die Mutingautomatik nach Service-Anleitung eingestellt werden müssen.
Danach ist noch der Stereodekoder neu einzustellen (Stereokoder erforderlich). Bei jeder Einstellung / Veränderung in der ZF-Bandbreite verändert sich auch die Stereo-Übersprechdämpfung und muss mit den beiden Widerstandstrimmern zur korrekten Phasenkompensation neu auf das Optimum justiert werden.
Ergebnis:
Nach dem ganzen Aufwand belohnt das der FQ-990 mit guter Empfangs-Empfindlichkeit und rauschfreiem UKW Empfang. Der Klang ist sehr gut. Bei FM mag dazu beitragen, dass der FQ-990 etwas „gesounded“ ist. Tatsächlich ist die verwendete Kombination aus 38kHz Notch T-Filter und einer 470 pF Zusatzkapazität um ungefähr auf 50 µs Deemphasis zu kommen, nicht ideal. Der Höhenabfall beginnt zu früh und ist zu stark. Das wird der Hörer aber dadurch auszugleichen versuchen, indem er den Höhenregler aufdreht. Im Effekt führt das zusammen aber zu einer Höhenanhebung im oberen Mitteltonbereich (2 kHz-8 kHz). Diese „Präsenz“ ist
sehr angenehm (für mich Schwerhörigen sowieso!), da sie viele Instrumente und Stimmen deutlicher hervortreten lässt, allerdings ohne nasal zu werden, wie eine Höhenanhebung im Mitteltonbereich, zentriert bei 2 kHz (Sprache).
Ich habe den Kondensator 470pF (in der Europa Version, in der US-Version, im Schaltplan, ist er mit 750p bestückt) durch 180pF ersetzt. Dadurch kann die Anhebung mit dem Höhenregler bei UKW unterbleiben. Bei Mittelstellung der Klangregler ist die Anhebung im Bereich 2kHz-8kHz dann (gemessen) </=2 dB und bei 14 kHz -3dB. Der FQ-990-typische angenehme, transparente Klang ist erhalten geblieben.

Zurück zu den Änderungen in der Serie:
Abblock-Kerkos am Tape-out Ausgang
Die Absicht der Entwickler, gegen HF-Einkopplung abzuschirmen, war gut, verträgt sich aber nicht mit hohen Eingangspegeln. Bei der Überprüfung des NF-Teils über den AUX Eingang viel mir auf, dass es bei Eingangspegeln von 1Veff und darüber zu Verzerrungen im Hochtonbereich (>10 kHz) kommt. Das konnte man auf dem Oszilloskop als Veränderung des Sinus in Richtung Sägezahnkurve verfolgen. Nachdem ich (nach langem Suchen und Prüfen) einen technischen Defekt ausschließen konnte, habe ich auch in LTSpice das gleiche Ergebnis erhalten. Bei 0,5Veff Eingangspegel von 20 Hz bis 20 kHz noch verzerrungsfrei, bei 1Veff (Amplitude +/- 1.4V)
aber Klirrfaktor von bereits 1%. Bei 1,5Veff Eingangspegel (Amplitude +/- 2V) bereits Sägezahn.


Das NF-Signal am Ausgang des Impedanzwandlers (Transistor) muss den 10 nF HF-Abblock-Kerko laden. Bei hohen Frequenzen ist die Zeitkonstante für den Lade-/Entladevorgang nicht mehr vernachlässigbar, daher die Verzerrung.
Luxmann hat deshalb in der späteren Serie diese Abblockkondensatoren ganz entfernt und wirbt (seitdem?) mit „overload characteristic, never achieved before“:


Alternativ könnte man auch deren Wert verkleinern. Mit 1nF statt 10nF wäre das Problem auch gelöst.
Es geht weiter...
Gruß
Reinhard
Da mich der LUX (Luxman) FQ-990 Receiver (in USA/Kanada Typenbezeichnung BIC 71/2R), den ich weiter oben vorgestellt hatte (und der mir leider nicht selbst gehört hat), wegen seines Klangs beeindruckt hat, habe ich zugegriffen, als ich einen bekommen konnte.
Ich habe damit (Freude! Oder ?) einen der allerersten FM-stereo Receiver bekommen, die Luxman (LUX Corporation) gebaut hat, die Seriennummer ist #990 00129. Dabei ist hier 990 der Gerätetyp (FQ990) und 129 die laufende Seriennummer, also das 129ste Gerät der FQ-990 Serie, die etwas früher datiert als der bauähnliche FQ-900 (BIC 71/3R) Typ, der sich hauptsächlich durch geringere Railspannung an den Endstufen und etwas einfacheres FM-Frontend unterscheidet. Die BIC Typennummer steht für British Industries Corporation (der Garrard Nordamerika-Importeur) und 71 steht für das Jahr. Der FQ-990 kam (wie auch sein kleinerer 900-Bruder) 1971 auf den Markt.
Bei meinem „Urserien-Exemplar“ fallen mehrere Unterschiede zum Gerät aus der späteren Serie auf, das ich vorher in den Händen hatte.
In der ersten Serie (gegenüber späteren Serienänderungen):
- Der beleuchtete Skalenzeiger ist breiter und kürzer (ich habe den genau angeschaut, er ist nicht abgebrochen oder wurde sehr geschickt bearbeitet und die Führung und alle Teile daran sehen original aus). In der späteren Serie reicht das rote Leuchtsegment über die UKW-Skala unten. In meinem (FQ-990, Ser. Nr. 129) nur gerade über die obere Mittelwellenskala und endet knapp über der UKW-Skala. Bei einem FQ-900 mit Ser. Nr. 120, der im Web zu sehen ist, ist der Zeiger allerdings der lange, schmale. Die FQ-900 Serie ist aber vermutlich einige Wochen später als der 990 aufgelegt worden (an den BIC-Bezeichnungen zu sehen: FQ990 = BIC 71/2 R; FQ900= BIC 71/3 R; 71= Jahr, 2, bzw. 3 = Monat oder Quartal), so dass dies nicht letzte Klarheit bringt. Falls jemand zu einem FQ-990 mit Seriennummer von unter 129 in dieser Hinsicht was sagen kann, wäre das aufzulösen. Sonst ist es vielleicht doch ein Ersatzzeiger, der genau passt, aber nicht original ist (falls einem früheren Reparateur, z.B. beim Birnchenwechsel am Zeiger, ein Malheur passiert ist).
- Der Tape-out Ausgang ist an den hinteren RCA-Buchsen noch gegen unerwünschte HF-Einstrahlung mit 10nF Kerkos abgeblockt. Diese, auch im Schaltplan eingetragen, entfielen später, sowohl beim FQ-900 als auch beim FQ-990 – aus gutem Grund, dazu später mehr.
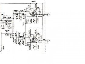
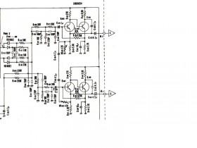
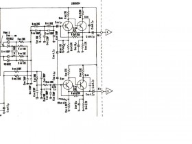
- Der Stereodekoder in der ersten Serie enthält auf dem Bereich der Platine, die die Schaltspannung für die Stereo-Anzeigelampe (12V/1W) und die Vorspannung für die 38 kHz Schalt-Dioden bei Monosignal bereitstellt (damit deren Kennlinie nicht zu erhöhtem Klirr bei Monoausstrahlung führt), zwei Germaniumtransistoren 2SB187 und drei Widerstände. In der neueren Serie befindet sich dort stattdessen ein Si-Transistor und ein 220µ Elko sowie zusätzlich ein Tantalkondensator 4,7µ. Die Schaltungsvariante der frühen Serie mit den beiden Ge-Transistoren zeige ich im Vergleich mit der späteren Serienänderung weiter unten.
- Die Knack-/Klick-Unterdrückung für die Senderumschaltung am Preomat ist durch einen Wisch-Schaltkontakt realisiert, der in der frühen Serie die Spannungsversorgung am ZF-Verstärkerteil unterbricht. In der späteren Serie wirkt der Wischkontakt auf einen Schalttransistor, der seinerseits ein kurzzeitiges Muting der Mutingschaltung bewirkt. Dieser Schalttransistor befindet sich auf einer kleinen Hilfsplatine, die in der neueren Serie vor den grossen Siebelkos senkrecht mit einem Winkel montiert ist.
- Das Notch T-Filter für die Abstimmspannung habe ich in der ersten Serie (wie im Schaltplan, der mir vorliegt), auf 60 Hz (US-Norm) abgestimmt vorgefunden. Das spätere Gerät (Seriennummer über 1000) hatte dieses Filter vernünftigerweise auf 120 Hz abgestimmt (Brummunterdrückung von Restwelligkeit aus dem Netzteil).
- Der 2,2 MegOhm Widerstand, der den AM-Eingang mit Masse verbindet, fehlt noch in der frühen Serie. Er war beim späteren FQ-990 vorhanden.
- In der frühen Serie sind die Kondensatoren an den FM-ZF Quarz-Kristallfiltereingängen (10pF Kerko) nicht abstimmbar. In der neueren Serie sind sie als Keramiktrimmer (3-12pF) ausgeführt, wodurch sich die Durchlassbereiche der Filter noch etwas ziehen lassen, so dass man bestmögliche Überlappung der beiden Festfilter einstellen kann und dadurch etwas besseren Klirrfaktor bei uneingeschränkter ZF-Bandbreite bekommen kann.
Die Änderungen wurden offenbar zu unterschiedlichen Zeiten in der laufenden Serie sowohl beim FQ-900 wie auch beim FQ-990 eingeführt. So habe ich einen Schaltplan vom FQ-990, der schon die neuere Schaltung im Stereodekoder zeigt, aber noch nicht den Schalttransistor für das Muting, den Widerstand am AM-Antenneneingang und auch noch immer die Kerkos am Tape Ausgang enthält sowie das T-Notch-Filter immer noch auf 60 Hz statt auf 120 Hz abgestimmt hat. Ein anderer Schaltplan vom FQ-900, vermutlich jüngeren Datums, hat dagegen die genannten Änderungen fast alle berücksichtigt (bis auf das Notch T-Filter in der Abstimmspannungsversorgung, das hat der FQ900 gar nicht, da er auch ein anderes HF-/Mischteil als der FQ-990 enthält).
Übrigens wurden noch später offensichtlich auch die Leistungs-Endstufen etwas geändert. In Bildern vom Web findet sich nämlich ein weiteres Trimmpoti oben an
den Endstufenblöcken, das zunächst nicht vorhanden war (weder beim Frühserienmodell, noch dem späteren mit Seriennummer um die 1000). Offenbar hat man bei Luxman zuletzt den Ruhestrom doch noch einstellbar gemacht.
Im Prinzip funktionierte mein FQ-990, so wie ich ihn bekam, aber mehr schlecht als recht:
- Die Glühbirnen der Skalenbeleuchtungen (getrennt geschaltet für UKW bzw. MW) gehen manchmal, manchmal auch nur teilweise. Erneuerung war angesagt.
- MW war tot – der HF-Eingangstransistor (2SC381) auf der MW-HF-Platine war schon mal abgeknipst worden, dann aber auf den Beinstümpfchen von oben wieder aufgelötet worden. Nach Ersatz dieses kaputten (!) durch einen BF241 (andere Pinfolge!) ging wieder Mittelwelle, aber eher schlecht.
- UKW Empfang in stereo vorhanden, aber nur wenn man vom Feldstärkemaximum weg verstimmte. Auf Senderanzeigenmitte nur in mono. Also Abgleich daneben.
- Lautsprecherterminals durch Licht oder Lösungsmittel (?) bröselig geworden, einige der Klemmen fallen fast auseinander. Mussten ersetzt werden.
- Nach längerem Probelauf des Verstärkerteils bei 5W an 8 Ohm Ausfall der linken Endstufe mit Auslösen der 5A-Sicherung in der Emitterstrom-Versorgung. Einen der seltenen Endstufentransistoren 2SD218 hat es leider ohne erkennbaren Grund dahingerafft. Eine fehlerhafte Ruhestromeinstellung oder defektes Ruhestrom-Trimmpoti kommt dafür nicht infrage. Die gibt es nicht. Der Ruhestrom ist über Festwiderstände fest eingestellt. Das einzige Trimmpoti in der Endstufe ist für den DC-Offset, vergleichsweise unkritisch. Ich konnte über die Bucht einen gebrauchten (dafür aber „echten“) 2SD218 aus Kanada besorgen. Sonst sind angebliche 2SD218 in der Bucht überwiegend „fakes“. Die Endstufe arbeitet danach wieder ordentlich. Auch Klirrfaktor ist nicht erhöht, alles wie gewünscht.
- Im rechten Kanal auffälligerAnstieg des Klirrfaktors bei >10kHz über die Spezifikationsgrenze. Dieser Fehler konnte durch Erneuerung beider Transistoren (XA495C) der Differenzverstärkerstufe durch BC556 als Ersatz (andere Pinbelegung!) behoben werden. Die beiden ersetzten XA495C hatten am Transistortester stark voneinander verschiedene Beta, das wird der Grund für den erhöhten Klirr gewesen sein.
Die Mutingfunktion und Mittenanzeige nennt Luxman etwas hochtrabend „Electronic Tuning by Computer“. Darunter stellt man sich ja wenigstens eher so etwas wie AFC vor, wobei die Frage bleibt, was „Computer“ meint. Das ist es aber nicht, man muss schon noch von Hand auf Maximum der Abstimmanzeige abstimmen. Allerdings begrenzt die „Automatik“ („Computer“) den abstimmbaren Bereich um das Feldstärkemaximum, ausserhalb wird stummgeschaltet und die „Center-Tuning“ Anzeige erlischt. Im Grunde, die Funktion, die Grundig mit dem Tunoskop und der Mutingfunktion z.B. im T 3000 (R2000, R3000) bei FM auch realisiert hatte. Die Luxman Schaltung ist allerdings sowohl bei UKW, wie auch auch bei MW aktiv und nicht völlig abschaltbar, lediglich zwischen zwei Ansprechschwellen, „Local“ und „Distant“ umschaltbar. Allerdings ist da nichts wirklich „computerized“ in dem Sinn, wie wir das heutzutage (digital) verstehen. Die Schaltung arbeitet mit einer ausgeklügelten Logik auf der Basis von Transistorschaltern und voreingestellten Spannungsschwellen für die Umschaltung.
Luxman preist diese Muting und Center-Tuning Indikator Schaltung, die zuerst im FQ-990/FQ-900 verwendet wurde ein Jahr später (1972) genauso im exklusiven und
ultra-seltenen Tuner WL-212 an, der auch sonst offenbar weitgehend identische Technik enthält – allerdings dort in einem sehr eleganten 70iger Design statt im nüchtern-funktionalen „Messgeräte-Look“, die das Äußere des FQ-990 und FQ-900 kennzeichnen. Die technische Beschreibung der speziellen Schaltungen und Eigenschaften des FQ-990 und des WL-212 sind in den Luxman Produktdateninformationen beider Geräte wortgleich. Ich möchte deshalb annehmen, dass hier dieselbe Technik in zwei ganz unterschiedlichen Verkleidungen verpackt wurde, wobei im WL-212 Tuner ein 5-fach Preomat (statt 3-fach im FQ990) und zusätzlich ein regelbarer KH-Ausgang, Ausgangspegelsteller und Noise-Filter (Auslöschung gegenphasigem Rauschen in Stereo über Kondensatorbrücke zwischen den beiden Kanälen) verbaut wurden.
audio-creativ.de/wordpress/wp-…Luxman-Tuner-212-WL-2.jpg
bilder.hifi-forum.de/medium/256785/pic3829_16015.jpg
Leider habe ich keinen Schaltplan vom WL-212 Tuner finden können. Der könnte die Vermutung bestätigen.
Hier die Beschreibung von Luxman für den FQ-990, die sich so wortgleich im Prospekt des WL-212
wiederfindet:
Der AM-Abgleich führt zum guten Ergebnis. Ich zeige die ZF-Durchlasskurve (Mittenfrequenz 455 kHz) nach dem Abgleich. Auf der horizontalen Achse ist die Einheit 2kHz= 1Div. (über die gesamte Scope-Breite also +/- 10 kHz).
Die Doppelhöckerkurve lässt sich (bei Verwendung eines Wobblers oder auf neuenglisch: Sweep-Generator) leicht nach Service-Anweisung auf max. Höhe und Symmetrie abgleichen.
Wie zuvor, habe ich die AM-Pfeifsperre auf 9 kHz abgeglichen (statt auf 10 kHz, wie für den US-Markt im Service vorgesehen).
Der Abgleich der Kreise in der Mutingschaltung (einschl. S-Kurve auf 0V) muss abweichend von der üblichen Praxis ausnahmsweise bei hoher HF-Eingangsspannung (70-90 dB) vorgenommen werden. Im FM-ZF-Teil ist nur die „Diskriminatorspule“ (unterer Spulenkern für S-Kurvenmaximum, oberer für S-Kurven-Nullpunkt) abgleichbar, in der frühen Serie die Ziehtrimmer für die Toyo-Quarzkristallfilter nicht verwendet werden, sondern einfach 10pF Kerkos. Man könnte dort Keramiktrimmer nachrüsten. Da aber die Platine Service-unfreundlich nur nach Ablöten zahlreicher Anschlussleitungen herausnehmbar ist, habe ich mir das erspart. Beim Einstellen der Keramiktrimmer muss man zudem auch sehr vorsichtig arbeiten, da es an den Drahtherausführungen der sehr sehr seltenen ZF-ICs um runden Metallbecher eng zugeht. Dort muss an einem der Pins das Signal für das Sichtgerät beim Wobbeln abgenommen werden. Ich habe mir mal durch eine Unvorsichtigkeit dort einen solchen raren IC (RCA, CA3043) durch versehentlichen Massekontakt zerschossen und dann mit Schweiss auf der Stirn die ganze Nacht im Web gesucht, wo ich dieses Teil noch bekomme. In Kanada habe ich glücklicherweise noch jemanden gefunden, der auf „Vintage-Bauelemente“ spezialisiert war und der mich gerettet hat. Als Ersatz für den CA3043 kann man ausser dem RCA Original noch die baugleichen ECG786 oder NTE786 verwenden. Die findet man aber praktisch auch so gut wie nicht mehr.
Das Görler Frontend ist bzgl. Abgleich/Service in den Luxman Service-Unterlagen nicht eingeschlossen. Der Abgleich dort ergibt sich aber einfach aus dessen Aufbau. Nach Identifizierung, welche der Spindeltrimmer und Spulen für den Oszillator und welche für Vorkreis, Zwischenkreis und IF-Ausgangskreis „zuständig“ sind, geht das bei 88 Mhz (Spulen) und 108 Mhz (Spindeltrimmer) bei kleinem HF-Eingangspegel problemlos. Normalerweise muss und soll man da nicht schrauben. Da ich aber davon
ausgehen musste, dass hier und da im Gerät wahllos mal rumgedreht wurde, habe ich es ebenfalls nachgeglichen. Nur der Eingangskreis brauchte bei 108 Mhz (Spindeltrimmer) eine deutliche Korrektur, um die beste Empfindlichkeit bei hohen Empfangsfrequenzen zu bekommen.
Im Muting/Center-Indikator Bereich für FM ist die genaue Einstellung des Bandfilters im Demodulator kritisch, das genau auf das Maximum der wirklichen Feldstärke (nicht Feldstärkeanzeige auf dem Abstimminstrument!) abgestimmt werden muss. Die Service-Anleitung sieht vor, dass das mit einem Wobbler gemacht werden soll (Bandfilterdurchlass genau auf ZF 10.7 MHz abgleichen). Es geht mit Fingerspitzengefühl auch ohne Wobbler (aber umständlicher), wenn man zunächst den Empfang genau auf Sendefrequenz stellt, und dann in winzigen Schritten die Spule gerade so verdreht, dass das geräteinterne Abstimminstrument bei dieser Frequenz das Maximum anzeigt. Dann sind Anzeige und Sendermitteneinstellung richtig „synchronisiert“. Schliesslich gibt es noch einige Widerstandstrimmer mit denen die richtigen Schaltspannungen für die Mutingautomatik nach Service-Anleitung eingestellt werden müssen.
Danach ist noch der Stereodekoder neu einzustellen (Stereokoder erforderlich). Bei jeder Einstellung / Veränderung in der ZF-Bandbreite verändert sich auch die Stereo-Übersprechdämpfung und muss mit den beiden Widerstandstrimmern zur korrekten Phasenkompensation neu auf das Optimum justiert werden.
Ergebnis:
Nach dem ganzen Aufwand belohnt das der FQ-990 mit guter Empfangs-Empfindlichkeit und rauschfreiem UKW Empfang. Der Klang ist sehr gut. Bei FM mag dazu beitragen, dass der FQ-990 etwas „gesounded“ ist. Tatsächlich ist die verwendete Kombination aus 38kHz Notch T-Filter und einer 470 pF Zusatzkapazität um ungefähr auf 50 µs Deemphasis zu kommen, nicht ideal. Der Höhenabfall beginnt zu früh und ist zu stark. Das wird der Hörer aber dadurch auszugleichen versuchen, indem er den Höhenregler aufdreht. Im Effekt führt das zusammen aber zu einer Höhenanhebung im oberen Mitteltonbereich (2 kHz-8 kHz). Diese „Präsenz“ ist
sehr angenehm (für mich Schwerhörigen sowieso!), da sie viele Instrumente und Stimmen deutlicher hervortreten lässt, allerdings ohne nasal zu werden, wie eine Höhenanhebung im Mitteltonbereich, zentriert bei 2 kHz (Sprache).
Ich habe den Kondensator 470pF (in der Europa Version, in der US-Version, im Schaltplan, ist er mit 750p bestückt) durch 180pF ersetzt. Dadurch kann die Anhebung mit dem Höhenregler bei UKW unterbleiben. Bei Mittelstellung der Klangregler ist die Anhebung im Bereich 2kHz-8kHz dann (gemessen) </=2 dB und bei 14 kHz -3dB. Der FQ-990-typische angenehme, transparente Klang ist erhalten geblieben.
Zurück zu den Änderungen in der Serie:
Abblock-Kerkos am Tape-out Ausgang
Die Absicht der Entwickler, gegen HF-Einkopplung abzuschirmen, war gut, verträgt sich aber nicht mit hohen Eingangspegeln. Bei der Überprüfung des NF-Teils über den AUX Eingang viel mir auf, dass es bei Eingangspegeln von 1Veff und darüber zu Verzerrungen im Hochtonbereich (>10 kHz) kommt. Das konnte man auf dem Oszilloskop als Veränderung des Sinus in Richtung Sägezahnkurve verfolgen. Nachdem ich (nach langem Suchen und Prüfen) einen technischen Defekt ausschließen konnte, habe ich auch in LTSpice das gleiche Ergebnis erhalten. Bei 0,5Veff Eingangspegel von 20 Hz bis 20 kHz noch verzerrungsfrei, bei 1Veff (Amplitude +/- 1.4V)
aber Klirrfaktor von bereits 1%. Bei 1,5Veff Eingangspegel (Amplitude +/- 2V) bereits Sägezahn.
Das NF-Signal am Ausgang des Impedanzwandlers (Transistor) muss den 10 nF HF-Abblock-Kerko laden. Bei hohen Frequenzen ist die Zeitkonstante für den Lade-/Entladevorgang nicht mehr vernachlässigbar, daher die Verzerrung.
Luxmann hat deshalb in der späteren Serie diese Abblockkondensatoren ganz entfernt und wirbt (seitdem?) mit „overload characteristic, never achieved before“:
Alternativ könnte man auch deren Wert verkleinern. Mit 1nF statt 10nF wäre das Problem auch gelöst.
Es geht weiter...
Gruß
Reinhard
Dieser Beitrag wurde bereits 8 mal editiert, zuletzt von „oldiefan“ ()