Luxman FQ-990 - die Zweite

      Luxman FQ-990 - die Zweite

      LUXMAN FQ-990 – die Zweite

      Da mich der LUX (Luxman) FQ-990 Receiver (in USA/Kanada Typenbezeichnung BIC 71/2R), den ich weiter oben vorgestellt hatte (und der mir leider nicht selbst gehört hat), wegen seines Klangs beeindruckt hat, habe ich zugegriffen, als ich einen bekommen konnte. ^^

      Ich habe damit (Freude! Oder ?) einen der allerersten FM-stereo Receiver bekommen, die Luxman (LUX Corporation) gebaut hat, die Seriennummer ist #990 00129. Dabei ist hier 990 der Gerätetyp (FQ990) und 129 die laufende Seriennummer, also das 129ste Gerät der FQ-990 Serie, die etwas früher datiert als der bauähnliche FQ-900 (BIC 71/3R) Typ, der sich hauptsächlich durch geringere Railspannung an den Endstufen und etwas einfacheres FM-Frontend unterscheidet. Die BIC Typennummer steht für British Industries Corporation (der Garrard Nordamerika-Importeur) und 71 steht für das Jahr. Der FQ-990 kam (wie auch sein kleinerer 900-Bruder) 1971 auf den Markt.

      Bei meinem „Urserien-Exemplar“ fallen mehrere Unterschiede zum Gerät aus der späteren Serie auf, das ich vorher in den Händen hatte.

      In der ersten Serie (gegenüber späteren Serienänderungen):
      • Der beleuchtete Skalenzeiger ist breiter und kürzer (ich habe den genau angeschaut, er ist nicht abgebrochen oder wurde sehr geschickt bearbeitet und die Führung und alle Teile daran sehen original aus). In der späteren Serie reicht das rote Leuchtsegment über die UKW-Skala unten. In meinem (FQ-990, Ser. Nr. 129) nur gerade über die obere Mittelwellenskala und endet knapp über der UKW-Skala. Bei einem FQ-900 mit Ser. Nr. 120, der im Web zu sehen ist, ist der Zeiger allerdings der lange, schmale. Die FQ-900 Serie ist aber vermutlich einige Wochen später als der 990 aufgelegt worden (an den BIC-Bezeichnungen zu sehen: FQ990 = BIC 71/2 R; FQ900= BIC 71/3 R; 71= Jahr, 2, bzw. 3 = Monat oder Quartal), so dass dies nicht letzte Klarheit bringt. Falls jemand zu einem FQ-990 mit Seriennummer von unter 129 in dieser Hinsicht was sagen kann, wäre das aufzulösen. Sonst ist es vielleicht doch ein Ersatzzeiger, der genau passt, aber nicht original ist (falls einem früheren Reparateur, z.B. beim Birnchenwechsel am Zeiger, ein Malheur passiert ist).


      • Der Tape-out Ausgang ist an den hinteren RCA-Buchsen noch gegen unerwünschte HF-Einstrahlung mit 10nF Kerkos abgeblockt. Diese, auch im Schaltplan eingetragen, entfielen später, sowohl beim FQ-900 als auch beim FQ-990 – aus gutem Grund, dazu später mehr.
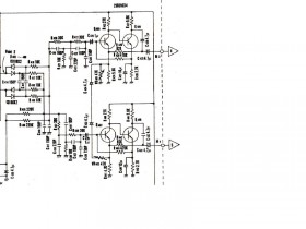
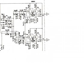
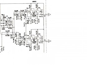
      • Der Stereodekoder in der ersten Serie enthält auf dem Bereich der Platine, die die Schaltspannung für die Stereo-Anzeigelampe (12V/1W) und die Vorspannung für die 38 kHz Schalt-Dioden bei Monosignal bereitstellt (damit deren Kennlinie nicht zu erhöhtem Klirr bei Monoausstrahlung führt), zwei Germaniumtransistoren 2SB187 und drei Widerstände. In der neueren Serie befindet sich dort stattdessen ein Si-Transistor und ein 220µ Elko sowie zusätzlich ein Tantalkondensator 4,7µ. Die Schaltungsvariante der frühen Serie mit den beiden Ge-Transistoren zeige ich im Vergleich mit der späteren Serienänderung weiter unten.
      • Die Knack-/Klick-Unterdrückung für die Senderumschaltung am Preomat ist durch einen Wisch-Schaltkontakt realisiert, der in der frühen Serie die Spannungsversorgung am ZF-Verstärkerteil unterbricht. In der späteren Serie wirkt der Wischkontakt auf einen Schalttransistor, der seinerseits ein kurzzeitiges Muting der Mutingschaltung bewirkt. Dieser Schalttransistor befindet sich auf einer kleinen Hilfsplatine, die in der neueren Serie vor den grossen Siebelkos senkrecht mit einem Winkel montiert ist.
      • Das Notch T-Filter für die Abstimmspannung habe ich in der ersten Serie (wie im Schaltplan, der mir vorliegt), auf 60 Hz (US-Norm) abgestimmt vorgefunden. Das spätere Gerät (Seriennummer über 1000) hatte dieses Filter vernünftigerweise auf 120 Hz abgestimmt (Brummunterdrückung von Restwelligkeit aus dem Netzteil).
      • Der 2,2 MegOhm Widerstand, der den AM-Eingang mit Masse verbindet, fehlt noch in der frühen Serie. Er war beim späteren FQ-990 vorhanden.
      • In der frühen Serie sind die Kondensatoren an den FM-ZF Quarz-Kristallfiltereingängen (10pF Kerko) nicht abstimmbar. In der neueren Serie sind sie als Keramiktrimmer (3-12pF) ausgeführt, wodurch sich die Durchlassbereiche der Filter noch etwas ziehen lassen, so dass man bestmögliche Überlappung der beiden Festfilter einstellen kann und dadurch etwas besseren Klirrfaktor bei uneingeschränkter ZF-Bandbreite bekommen kann.

      Die Änderungen wurden offenbar zu unterschiedlichen Zeiten in der laufenden Serie sowohl beim FQ-900 wie auch beim FQ-990 eingeführt. So habe ich einen Schaltplan vom FQ-990, der schon die neuere Schaltung im Stereodekoder zeigt, aber noch nicht den Schalttransistor für das Muting, den Widerstand am AM-Antenneneingang und auch noch immer die Kerkos am Tape Ausgang enthält sowie das T-Notch-Filter immer noch auf 60 Hz statt auf 120 Hz abgestimmt hat. Ein anderer Schaltplan vom FQ-900, vermutlich jüngeren Datums, hat dagegen die genannten Änderungen fast alle berücksichtigt (bis auf das Notch T-Filter in der Abstimmspannungsversorgung, das hat der FQ900 gar nicht, da er auch ein anderes HF-/Mischteil als der FQ-990 enthält).

      Übrigens wurden noch später offensichtlich auch die Leistungs-Endstufen etwas geändert. In Bildern vom Web findet sich nämlich ein weiteres Trimmpoti oben an
      den Endstufenblöcken, das zunächst nicht vorhanden war (weder beim Frühserienmodell, noch dem späteren mit Seriennummer um die 1000). Offenbar hat man bei Luxman zuletzt den Ruhestrom doch noch einstellbar gemacht.


      Im Prinzip funktionierte mein FQ-990, so wie ich ihn bekam, aber mehr schlecht als recht:
      • Die Glühbirnen der Skalenbeleuchtungen (getrennt geschaltet für UKW bzw. MW) gehen manchmal, manchmal auch nur teilweise. Erneuerung war angesagt.
      • MW war tot – der HF-Eingangstransistor (2SC381) auf der MW-HF-Platine war schon mal abgeknipst worden, dann aber auf den Beinstümpfchen von oben wieder aufgelötet worden. Nach Ersatz dieses kaputten (!) durch einen BF241 (andere Pinfolge!) ging wieder Mittelwelle, aber eher schlecht.
      • UKW Empfang in stereo vorhanden, aber nur wenn man vom Feldstärkemaximum weg verstimmte. Auf Senderanzeigenmitte nur in mono. Also Abgleich daneben.
      • Lautsprecherterminals durch Licht oder Lösungsmittel (?) bröselig geworden, einige der Klemmen fallen fast auseinander. Mussten ersetzt werden.
      • Nach längerem Probelauf des Verstärkerteils bei 5W an 8 Ohm Ausfall der linken Endstufe mit Auslösen der 5A-Sicherung in der Emitterstrom-Versorgung. Einen der seltenen Endstufentransistoren 2SD218 hat es leider ohne erkennbaren Grund dahingerafft. Eine fehlerhafte Ruhestromeinstellung oder defektes Ruhestrom-Trimmpoti kommt dafür nicht infrage. Die gibt es nicht. Der Ruhestrom ist über Festwiderstände fest eingestellt. Das einzige Trimmpoti in der Endstufe ist für den DC-Offset, vergleichsweise unkritisch. Ich konnte über die Bucht einen gebrauchten (dafür aber „echten“) 2SD218 aus Kanada besorgen. Sonst sind angebliche 2SD218 in der Bucht überwiegend „fakes“. Die Endstufe arbeitet danach wieder ordentlich. Auch Klirrfaktor ist nicht erhöht, alles wie gewünscht.
      • Im rechten Kanal auffälligerAnstieg des Klirrfaktors bei >10kHz über die Spezifikationsgrenze. Dieser Fehler konnte durch Erneuerung beider Transistoren (XA495C) der Differenzverstärkerstufe durch BC556 als Ersatz (andere Pinbelegung!) behoben werden. Die beiden ersetzten XA495C hatten am Transistortester stark voneinander verschiedene Beta, das wird der Grund für den erhöhten Klirr gewesen sein.
      Nach dem der Endstufenschaden behoben war und auch sonst kein elektrischer Fehler mehr erkennbar war, ging es an den Neuabgleich, für den das Service-Manual hier unabdingbar ist, da die komplizierte und in dieser Form sonst nicht übliche Muting- und Mittenanzeige mit in den Abgleich einbezogen werden musste.

      Die Mutingfunktion und Mittenanzeige nennt Luxman etwas hochtrabend „Electronic Tuning by Computer“. Darunter stellt man sich ja wenigstens eher so etwas wie AFC vor, wobei die Frage bleibt, was „Computer“ meint. Das ist es aber nicht, man muss schon noch von Hand auf Maximum der Abstimmanzeige abstimmen. Allerdings begrenzt die „Automatik“ („Computer“) den abstimmbaren Bereich um das Feldstärkemaximum, ausserhalb wird stummgeschaltet und die „Center-Tuning“ Anzeige erlischt. Im Grunde, die Funktion, die Grundig mit dem Tunoskop und der Mutingfunktion z.B. im T 3000 (R2000, R3000) bei FM auch realisiert hatte. Die Luxman Schaltung ist allerdings sowohl bei UKW, wie auch auch bei MW aktiv und nicht völlig abschaltbar, lediglich zwischen zwei Ansprechschwellen, „Local“ und „Distant“ umschaltbar. Allerdings ist da nichts wirklich „computerized“ in dem Sinn, wie wir das heutzutage (digital) verstehen. Die Schaltung arbeitet mit einer ausgeklügelten Logik auf der Basis von Transistorschaltern und voreingestellten Spannungsschwellen für die Umschaltung.

      Luxman preist diese Muting und Center-Tuning Indikator Schaltung, die zuerst im FQ-990/FQ-900 verwendet wurde ein Jahr später (1972) genauso im exklusiven und
      ultra-seltenen Tuner WL-212 an, der auch sonst offenbar weitgehend identische Technik enthält – allerdings dort in einem sehr eleganten 70iger Design statt im nüchtern-funktionalen „Messgeräte-Look“, die das Äußere des FQ-990 und FQ-900 kennzeichnen. Die technische Beschreibung der speziellen Schaltungen und Eigenschaften des FQ-990 und des WL-212 sind in den Luxman Produktdateninformationen beider Geräte wortgleich. Ich möchte deshalb annehmen, dass hier dieselbe Technik in zwei ganz unterschiedlichen Verkleidungen verpackt wurde, wobei im WL-212 Tuner ein 5-fach Preomat (statt 3-fach im FQ990) und zusätzlich ein regelbarer KH-Ausgang, Ausgangspegelsteller und Noise-Filter (Auslöschung gegenphasigem Rauschen in Stereo über Kondensatorbrücke zwischen den beiden Kanälen) verbaut wurden.

      audio-creativ.de/wordpress/wp-…Luxman-Tuner-212-WL-2.jpg

      bilder.hifi-forum.de/medium/256785/pic3829_16015.jpg

      Leider habe ich keinen Schaltplan vom WL-212 Tuner finden können. Der könnte die Vermutung bestätigen.

      Hier die Beschreibung von Luxman für den FQ-990, die sich so wortgleich im Prospekt des WL-212
      wiederfindet:




      Der AM-Abgleich führt zum guten Ergebnis. Ich zeige die ZF-Durchlasskurve (Mittenfrequenz 455 kHz) nach dem Abgleich. Auf der horizontalen Achse ist die Einheit 2kHz= 1Div. (über die gesamte Scope-Breite also +/- 10 kHz).
      Die Doppelhöckerkurve lässt sich (bei Verwendung eines Wobblers oder auf neuenglisch: Sweep-Generator) leicht nach Service-Anweisung auf max. Höhe und Symmetrie abgleichen.



      Wie zuvor, habe ich die AM-Pfeifsperre auf 9 kHz abgeglichen (statt auf 10 kHz, wie für den US-Markt im Service vorgesehen).

      Der Abgleich der Kreise in der Mutingschaltung (einschl. S-Kurve auf 0V) muss abweichend von der üblichen Praxis ausnahmsweise bei hoher HF-Eingangsspannung (70-90 dB) vorgenommen werden. Im FM-ZF-Teil ist nur die „Diskriminatorspule“ (unterer Spulenkern für S-Kurvenmaximum, oberer für S-Kurven-Nullpunkt) abgleichbar, in der frühen Serie die Ziehtrimmer für die Toyo-Quarzkristallfilter nicht verwendet werden, sondern einfach 10pF Kerkos. Man könnte dort Keramiktrimmer nachrüsten. Da aber die Platine Service-unfreundlich nur nach Ablöten zahlreicher Anschlussleitungen herausnehmbar ist, habe ich mir das erspart. Beim Einstellen der Keramiktrimmer muss man zudem auch sehr vorsichtig arbeiten, da es an den Drahtherausführungen der sehr sehr seltenen ZF-ICs um runden Metallbecher eng zugeht. Dort muss an einem der Pins das Signal für das Sichtgerät beim Wobbeln abgenommen werden. Ich habe mir mal durch eine Unvorsichtigkeit dort einen solchen raren IC (RCA, CA3043) durch versehentlichen Massekontakt zerschossen und dann mit Schweiss auf der Stirn die ganze Nacht im Web gesucht, wo ich dieses Teil noch bekomme. In Kanada habe ich glücklicherweise noch jemanden gefunden, der auf „Vintage-Bauelemente“ spezialisiert war und der mich gerettet hat. Als Ersatz für den CA3043 kann man ausser dem RCA Original noch die baugleichen ECG786 oder NTE786 verwenden. Die findet man aber praktisch auch so gut wie nicht mehr.

      Das Görler Frontend ist bzgl. Abgleich/Service in den Luxman Service-Unterlagen nicht eingeschlossen. Der Abgleich dort ergibt sich aber einfach aus dessen Aufbau. Nach Identifizierung, welche der Spindeltrimmer und Spulen für den Oszillator und welche für Vorkreis, Zwischenkreis und IF-Ausgangskreis „zuständig“ sind, geht das bei 88 Mhz (Spulen) und 108 Mhz (Spindeltrimmer) bei kleinem HF-Eingangspegel problemlos. Normalerweise muss und soll man da nicht schrauben. Da ich aber davon
      ausgehen musste, dass hier und da im Gerät wahllos mal rumgedreht wurde, habe ich es ebenfalls nachgeglichen. Nur der Eingangskreis brauchte bei 108 Mhz (Spindeltrimmer) eine deutliche Korrektur, um die beste Empfindlichkeit bei hohen Empfangsfrequenzen zu bekommen.

      Im Muting/Center-Indikator Bereich für FM ist die genaue Einstellung des Bandfilters im Demodulator kritisch, das genau auf das Maximum der wirklichen Feldstärke (nicht Feldstärkeanzeige auf dem Abstimminstrument!) abgestimmt werden muss. Die Service-Anleitung sieht vor, dass das mit einem Wobbler gemacht werden soll (Bandfilterdurchlass genau auf ZF 10.7 MHz abgleichen). Es geht mit Fingerspitzengefühl auch ohne Wobbler (aber umständlicher), wenn man zunächst den Empfang genau auf Sendefrequenz stellt, und dann in winzigen Schritten die Spule gerade so verdreht, dass das geräteinterne Abstimminstrument bei dieser Frequenz das Maximum anzeigt. Dann sind Anzeige und Sendermitteneinstellung richtig „synchronisiert“. Schliesslich gibt es noch einige Widerstandstrimmer mit denen die richtigen Schaltspannungen für die Mutingautomatik nach Service-Anleitung eingestellt werden müssen.

      Danach ist noch der Stereodekoder neu einzustellen (Stereokoder erforderlich). Bei jeder Einstellung / Veränderung in der ZF-Bandbreite verändert sich auch die Stereo-Übersprechdämpfung und muss mit den beiden Widerstandstrimmern zur korrekten Phasenkompensation neu auf das Optimum justiert werden.


      Ergebnis:

      Nach dem ganzen Aufwand belohnt das der FQ-990 mit guter Empfangs-Empfindlichkeit und rauschfreiem UKW Empfang. Der Klang ist sehr gut. Bei FM mag dazu beitragen, dass der FQ-990 etwas „gesounded“ ist. Tatsächlich ist die verwendete Kombination aus 38kHz Notch T-Filter und einer 470 pF Zusatzkapazität um ungefähr auf 50 µs Deemphasis zu kommen, nicht ideal. Der Höhenabfall beginnt zu früh und ist zu stark. Das wird der Hörer aber dadurch auszugleichen versuchen, indem er den Höhenregler aufdreht. Im Effekt führt das zusammen aber zu einer Höhenanhebung im oberen Mitteltonbereich (2 kHz-8 kHz). Diese „Präsenz“ ist
      sehr angenehm (für mich Schwerhörigen sowieso!), da sie viele Instrumente und Stimmen deutlicher hervortreten lässt, allerdings ohne nasal zu werden, wie eine Höhenanhebung im Mitteltonbereich, zentriert bei 2 kHz (Sprache).

      Ich habe den Kondensator 470pF (in der Europa Version, in der US-Version, im Schaltplan, ist er mit 750p bestückt) durch 180pF ersetzt. Dadurch kann die Anhebung mit dem Höhenregler bei UKW unterbleiben. Bei Mittelstellung der Klangregler ist die Anhebung im Bereich 2kHz-8kHz dann (gemessen) </=2 dB und bei 14 kHz -3dB. Der FQ-990-typische angenehme, transparente Klang ist erhalten geblieben.




      Zurück zu den Änderungen in der Serie:

      Abblock-Kerkos am Tape-out Ausgang

      Die Absicht der Entwickler, gegen HF-Einkopplung abzuschirmen, war gut, verträgt sich aber nicht mit hohen Eingangspegeln. Bei der Überprüfung des NF-Teils über den AUX Eingang viel mir auf, dass es bei Eingangspegeln von 1Veff und darüber zu Verzerrungen im Hochtonbereich (>10 kHz) kommt. Das konnte man auf dem Oszilloskop als Veränderung des Sinus in Richtung Sägezahnkurve verfolgen. Nachdem ich (nach langem Suchen und Prüfen) einen technischen Defekt ausschließen konnte, habe ich auch in LTSpice das gleiche Ergebnis erhalten. Bei 0,5Veff Eingangspegel von 20 Hz bis 20 kHz noch verzerrungsfrei, bei 1Veff (Amplitude +/- 1.4V)
      aber Klirrfaktor von bereits 1%. Bei 1,5Veff Eingangspegel (Amplitude +/- 2V) bereits Sägezahn.






      Das NF-Signal am Ausgang des Impedanzwandlers (Transistor) muss den 10 nF HF-Abblock-Kerko laden. Bei hohen Frequenzen ist die Zeitkonstante für den Lade-/Entladevorgang nicht mehr vernachlässigbar, daher die Verzerrung.

      Luxmann hat deshalb in der späteren Serie diese Abblockkondensatoren ganz entfernt und wirbt (seitdem?) mit „overload characteristic, never achieved before“:





      Alternativ könnte man auch deren Wert verkleinern. Mit 1nF statt 10nF wäre das Problem auch gelöst.

      Es geht weiter...

      Gruß
      Reinhard
      Bilder
      • FQ990_Frontend.jpg

        146,5 kB, 863×634, 11 mal angesehen
      • FQ990_ohneTape_out_Kerkos.jpg

        132,65 kB, 863×634, 17 mal angesehen

      Dieser Beitrag wurde bereits 8 mal editiert, zuletzt von „oldiefan“ ()

      und weiter...


      Stereo-Dekoder

      Die Fotos zeigen den Dekoder in der frühen Ausführung und in der späteren Ausführung.



      In
      der frühen Serie ist die Ansteuerung der Lampe (12V/1W) für die Stereo-Empfangsanzeige über eine Differenzverstärker-Schaltung mit zwei Germaniumtransistoren 2SB187 realisiert, in der späteren Serie wird stattdessen nur ein Si-Transistor verwendet.

      Wie üblich wird vom 38kHz „Schalttrafo“, an den die Diodenmatrix angezapft ist, das 38kHz Signal, das ja nur bei Stereo-Empfang anliegt, abgenommen und daraus wird über eine Diode eine positive Spannung gewonnen, die einen Schalttransistor ansteuert. Dieser Teil ist in der frühen und in der neueren Ausführung gleich. In der frühen Version wird daraus über zwei Ge-Transistoren in Differenzverstärker-Schaltung die „Sprungspannung“ gewonnen, die wiederum einen Schalttransistor ansteuert, der die Lampe, die selbst an 11.5V liegt, nach Masse durchschaltet. Diese Schaltung hat eine ausgesprochen deutliche Rechteck-Sprung-Charakteristik, d.h. bei einem Schwellenwert (das von der Grösse des 38 kHz Pegels bestimmt wird) schaltet die Lampe schlagartig durch, bei kleinerem Pegel bleibt sie dunkel. Ein Zwischenbereich „Lampe leuchtet nur etwas“ existiert praktisch nicht.

      In der neueren Version, in der die Differenzverstärkerschaltung durch einen einfachen Si-Schalttransistor ersetzt wurde, ist dagegen das Durchschalten im Grenzbereich nicht so schlagartig, sondern mit abnehmendem 38kHz Pegel geht der Lampenstrom graduell zurück. In der Praxis hat dies aber keine negative Auswirkung, denn im Frequenzbereich nahe um die Soll-Empfangsfrequenz ist der 38kHz-Pegel ausreichend hoch, um die Stereo-Lampe voll durchzuschalten und etwas weiter entfernt schaltet die Muting-Automatik sowieso stumm. Tatsächlich ist das langsamere Durchschalten oft von Vorteil, da die Stereolampe so auch als zusätzlicher Indikator für die Sendermitteneinstellung genutzt werden kann.





      Es bleibt also die Frage, warum Luxman anfänglich die umständlichere Differenzverstärker-Schaltung gewählt hat, und das auch noch mit Germaniumtransistoren?

      Nach Simulation eignen sich auch Si-Transistoren (BC560B) statt der Ge-Typen 2SB187 (ohne Schaltungsänderung), bieten zudem noch den Vorteil geringeren Lampen-Dunkelstroms.

      Die frühe Schaltung mit Ge-Transistoren ist auch im etwa zeitgleichen Luxman Tuner WL-717 in ähnlicher Weise verbaut.

      In der Abbildung der Platinenbestückung fällt noch der 220µF Elko bei der neueren Version auf, der bei der älteren nicht vorhanden ist. Bei der älteren Version wird die Vorspannung bei Mono-Betrieb für die Diodenschaltmatrix des Decoders von der Differenzverstärkerschaltung vor dem unteren (Schaltbild der der Simulation) 180 Ohm Widerstand abgenommen. Bei der neueren Version kommt sie vom letzten Schalttransistor vor der Lampe. Dort liegen ja permanent 11.5V an, werden bei Stereo aber auf Masse gezogen. Der 220µ Elko und ein weiterer 4,7µ Tantalkondensator filtern höherfrequente Beimischungen aus der Vorspannung, so dass diese nicht auf die Schaltdioden gelangen.

      Notch-Filter für Abstimmspannung

      Schon im ersten Beitrag bin ich auf die Unstimmigkeit bei der Bestückung des T-Filters eingegangen. Die Vermutung, dass Luxman im Plan zwar zunächst als Notch-Frequenz 60 Hz (USA, Kanada) vorgesehen hatte, dann aber später tatsächlich auf 120 Hz bestückt hat, ist nun mit dem Frühserienmodell bestätigt. Das Frühserienmodell enthielt tatsächlich den Notchfilter für 60Hz, das Gerät mit späterer Seriennummer, das ich zuerst vorgestellt hatte, aber 120Hz.

      Ich habe daher das 60 Hz Filter auf europäische Frequenz (100 Hz nach Doppelweggleichrichtung) umbestückt. Die dafür verwendeten Werte seht Ihr hier:






      FAZIT:

      Insgesamt
      also ein schöner und klanglich besonderer Receiver, der damals als erster LUX(MAN) Receiver schnell auf den Markt musste/sollte(?) und daher in der Serie nach und nach noch mehrere Änderungen gesehen hat. Dennoch ist offensichtlich die Serie nicht sehr groß gewesen, deshalb gilt er heute als selten. Das liegt sicher nicht an der Lebensdauer, alles ist sehr massiv und wertig ausgeführt (auch an meinem Ur-Serienmodell funktionierte bis auf den Transistorausfall im AM-Teil und den späteren Endtransistorausfall alles. Wegen der massiven Konstruktion ist der FQ-990 ein schwerer Brocken.

      An meinem Ur-Serienmodell #129 habe ich drei Änderungen gemacht:
      • T-Filter für Abstimmspannung auf 100Hz Notchfrequenz umbestückt
      • HF-Abblock-Kondensatoren an den Tape-out Ausgängen entfernt
      • 470pF Kondensatoren im 38kHz/Deemphasis Netzwerk durch 180pF ersetzt

      Herzlichen Gruß

      Reinhard

      Dieser Beitrag wurde bereits 4 mal editiert, zuletzt von „oldiefan“ ()

      So, jetzt habe ich wohl doch noch etwas zu tun.

      Meine Massnahme, im Stereodecoder den 470pF Styroflex Kondensator durch einen kleineren zu ersetzen, um den FM-Höhenabfall auszugleichen, kuriert nicht das Problem, sondern nur das Symptom.

      Denn...die Schaltung ist - wie von Luxman realisiert - in Ordnung und sollte über die 50µs Deemphasis hinaus keinen Höhenabfall verursachen. Deemphasis von -4dB bei 4 kHz und -10.5dB bei 10kHz sind in Ordnung, sagt auch die Simulation. Da habe ich also doch noch irgendwo etwas zu tun, ggf noch ein tauber Elko. Hinter dem Stereodekoder kann es nicht sein, denn der Frequenzgang über AUX ist linear. Also steht jetzt an, die Elkos im Decoder selbst noch zu erneuern.

      Dann müssen die beiden 180 pF auch wieder raus und die originalen 470pF wieder zurück.



      Reinhard
      Nach Rückbau auf 470pF (tatsächlicher Messwert 455pF) und Ersatz aller Elkos im Stereodekoder habe ich bei 10 kHz ca. 2-2,5 dB gewonnen. Es hat also etwas gebracht. Sämtlich der ersetzten Kleinelkos zeigten mit meinen Messgeräten fast doppelt so grosse Kapazität und grossen ESR.

      Ich möchte das Thema "richtige Messung von Kapazität" hier nicht aufwärmen, und ob die angezeigten Werte absolut richtig sind, bzw. messgeräte-abhängig und messmethodenabhängig. Das ist bereits mehrfach an anderen Stelle genügend zerpflückt. Tatsache ist, dass neue Elkos den Nennwert geben und das Symptom "viel zu hohe Kapazität angezeigt" ein Zeichen deutlicher Alterung ist, vor allem wenn diese Beobachtung durch deutlich erhöhten ESR (oder Impedanz, je nach Messmethode) ergänzt wird. Bei den ausgebauten Elkos lieferten z.B. die verbauten 1µ Sanyo Messwerte von 2-3µ und "ESR" von bis zu 15 Ohm (gemessen nicht mit LC-Messbrücke, sondern mit einem sog. "Transistortester"). Neue 1µ/50V Elkos (Panasonic FC) messen mit demselben Gerät zum Vergleich 1,0µ, ESR 2,5 Ohm und WIMA 1µF/63V MKS-2 (Polyester-Folienkondensator) 1,0µ und ESR 0,5Ohm.

      Allerdings ist bei der Deemphasis die Absenkung bei 10 kHz immer noch 2 dB zu viel. Bei 4 kHz und 5 kHz stimmt es noch, danach beginnt zunehemde Abweichung von der 50µs Soll-Deemphasis Kurve. Der Stereodekoder ist nach Service-Manual neu abgeglichen und ich erziele die spezifizierte links/rechts Übersprechdämpfung von 36-40dB bei 1 kHz.

      In der obigen Simulation der Schaltung, die den Soll-Frequenzgang ziemlich genau reproduziert, hatte ich als seriellen Widerstand der Quelle nur 1 kHz angenommen. Die Quelle ist ja der 38-kHz Schalttrafo, der die Schaltdioden ansteuert. Dessen Ausgangsimpedanz kenne ich nicht. Nehme ich dafür 12 kOhm an, habe ich auch in der Simulation die jetzt gemessene 2 dB Absenkung bei 10 kHz.

      Das gleiche Verhalten hatte ich ja auch bereits bei meinem ersten FQ-990 und auch dort musste mit dem Höhenregler etwas nachgeholfen werden, um dem Abfall entgegenzuwirken (dort hatte ich den Stereodekoder auch überholt). Ist also durch die Schaltung bedingt. Die Folgerung, dass bei der Korrektur im Hochtonbereich mit dem Höhenregler auch die oberen Mitten geringfügig angehoben werden, was auch das Klangbild (angenehm) beeinflusst, bleibt also gültig.

      Ich bekomme (bei der genannten Anpassung mit dem Höhen- und Tiefenregler) bei 20 Hz und bei 14 kHz -3dB Abweichung vom Soll und bei 60Hz und bei 7 kHz "nach oben" von max. 1 dB. Das ist gut so, kann so bleiben.

      Nach nochmaliger kleiner Korrektur am Bandfilter des Zwischenkreises im FM-Frontend belohnt mich der FQ-990 nun mit einem für sein Erscheinungsjahr (1971) sagenhaft niedrigen Klirrfaktor (FM-stereo, 40 kHz Hub, 7.5 kHz Pilotton Dev., 1mV HF, L/R) von < 0,1% in stereo und mono über den Frequenzbereich von 40Hz bis zur oberen Grenze des Übertragungsbereichs. :) :) :)

      Der FQ-990 ist so wieder in guter Form und macht Freude.

      Foto folgt noch!


      Gruß
      Reinhard

      Dieser Beitrag wurde bereits 2 mal editiert, zuletzt von „oldiefan“ ()

      Hallo Reinhard,

      ich erinnere mich bei der Frühzeit der HiFi-Technik an häufige Diskussionen über die Deemphasis bei Komponenten aus USA oder aus Japan, die für den US-Markt optimiert waren. Immer wusste niemand so genau. ob denn die Entzerrungskurve wirklich passt.
      Aber auch wenn sie passte, wusste man seinerzeit, dass importierte HiFi Komponenten regelmäßig eben nicht auf neutrale Wiedergabe mit linearem Freqquenzgangverhalten gebaut wurden, sondern ein ganz bestimmter "Sound", der vom Publikum im Absatzland gemocht wurde, angestrebt wurde. Ganz besonders traf das auf Lautsprecher zu, aber auch auf Verstärker und Tuner.
      In Europa / Deutschland hatte man das schon hinter sich, setzte auf Neutralität und geriet im direkten Hörvergleich im HiFi Studio des Händlers so ins Hintertreffen, weil man nicht so gefällig und effektvoll klang.
      Ich gehe davon aus, das oft beim Hersteller durch gezielte Schaltungsänderungen der "Sound" fürs Publikum einen gefälligen touch bekam.

      Dein Bericht gefällt mir gut, die Schaltungsdetails, das Görler(!) Frontend und der heuitige Zustand vor der Überarbeitung sind hochinteressant. Ich hoffe, Du bringst noch ein Übersichtsfoto vom Innenleben?
      Achim
      Hallo Achim,

      danke, diese sehr technischen Dinge treffen nicht so sehr auf Resonanz beim breiten Forenpublikum, umso mehr schätze ich Dein Interesse und das der interessierten Mitleser!

      Skepsis zur Einhaltung der hiesigen 50µs Deemphasis sind m.E. bei frühen ex Japan-Geräten durchaus angebracht, jedenfalls noch zu Ende der 60iger und Anfang 70iger Jahre. Neulich habe ich mich um einen Sansui 2000A Receiver gekümmert, der dort auch Korrekturbedarf hatte. Habe noch nicht darüber berichtet, steht aber auf dem Plan.

      Hier noch weitere Fotos.

      MW und UKW schalten die Beleuchtung von verschiedene Skalen. Dafür sorgen 10 (zehn!) Birnchen, je 5 pro Wellenbereich.






      Ganz links, neben dem Schirmblech Impedanzwandler der NF-Eingangsstufe und Phono-Vorverstärker. Rechts neben dem Trennblech Stereo-Dekoder. Das IC des Stereodekoders ist kein Decoder-IC, sondern enthält einfach 5 Transistoren ohne Aussenbeschaltung. In der Mitte, große Platine enthält UKW-ZF im vorderen Teil und Muting-Automatik für AM und FM im hinteren Teil. Rechts direkt hinter der Front, Görler HF-FM-Mischteil, dahinter unten der Drehkondensator für MW, Achse mit Drehpoti für FM-Varaktortuning, oben auf dem Görler Tuner dessen Aussenbeschaltung und T-Filter für Abstimmspannung. Oben auf dem Drehkondensator MW- Frontend und ZF-Teil.



      Im hinteren Teil sieht man die beiden Endstufenblöcke. Übrigens gab es im Test in "Audio Magazine Vol 56, No. 02, Feb1972 (americanradiohistory.com/Archive-Audio/70s/Audio-1972-02.pdf) auf Seite 50, ff. einen Test des etwas leistungsschwächeren FQ900 mit schon japanischem UKW-Tuner (Mitsumi?), aber gleiche Endstufen, niedrigere Spannung. Dort wurde die (damals) aussergewöhnliche Fähigkeit dieses Receivers hervorgehoben, selbst Rechteckimulse niedriger und hoher Frequenz ungewöhnlich gut wiedergeben zu können.




      In der Ansicht von hinten sieht man die Lampengalerie und das massive Schwungrad gut.





      Der Görler 4-fach FET Kaskode Tuner mit Kapazitätsdiodenabstimmung erlaubt die Verwendung von Festsenderspeicher (Preomat).





      AM Frontend und AM-ZF Teil.





      Das UKW-ZF Teil verwendet zwei langzeitstabile Toyo Quarzkristallfilter und bereits eine integrierte Schaltungen (von RCA, in den runden Metallbechern) für die ZF-Verstärkung und Demodulator. Die Kristallfilter in den grossen Metallbechern wurden damals nur von wenigen Firmen in ihren Oberklassemodellen verwendet. Offenbar habe sie eine Stange Geld gekostet. Ähnliche habe ich bisher nur im Kenwood KT- 7000 gesehen. Der schwarze 14-Pin IC-Schaltkreis ist wieder nur die integrierte Bauweise von 5 Transistoren ohne Aussenbeschaltung.





      Endstufenblock von der Leistungstransistorseite. Die NEC 2SD218 sind inzwischen schwer zu bekommen (neu sowieso nicht mehr, alles Fakes!).





      Der Netzstecker ist ein Highlight. Noch das Japan-Original mit Europa-Adapter. Sowas war damals möglich.




      Gruß
      Reinhard

      Dieser Beitrag wurde bereits 3 mal editiert, zuletzt von „oldiefan“ ()

      Hallo Reinhard,

      das ist in der Tat ein bemerkenswertes Gerät. Für damalige japanische Verhältnisse sehr sauber konstruiert und aufgebaut (im Gegensatz etwa zu "Marantz"), schaltungstechnisch aufwändig, mit viel Bedienungskomfort, einer sehr gelungenen Frontplattengestaltung / klassischem Japan-Design und vielen Zusatzfunktionen. Darüber hinaus ein optischer Genuss.
      Hier ist ein Receiver, der äußerlich auf Qualität und technische Brillianz setzt und dieses Versprechen auch im Inneren erfüllt, was bei manchem Japaner damals überhaupt nicht der Fall war.

      Auch sieht man die für die 70er in Japan häufige Großzügigkeit bei Material und Komponenten (Chassis, Front, Kühlkörper, Filter, UKW-Box...), womit sich die großen japanischen Hersteller ihren Weltruf erarbeitet haben.

      Luxman hat es ja im Verlauf der 70er geschafft, zu einer der hochrespektierten Marken im oberen Qualitätssegment aufzusteigen. Ich habe Bekannte, die heute noch große Luxman Fans sind.
      Ich kann gut nachempfinden, warum Du diesen Receiver in die eigene Sammlung aufgenommen hast.
      Achim
      Hallo Achim,

      das stimmt, das war der Grund, weshalb ich diesen Luxman haben wollte! Solide bis ins Mark, 18kg schwer, gute technische Leistung (für die Zeit) und bestimmt kein Mainstream Look.

      Hier noch zwei weitere Fotos:

      Phono-Pre und Impedanzwandlerplatte an der linken Außenseite (Gerät steht kopfüber). Die integrierte Schaltung dort enthält zwei OpAmps, je einen für den linken und rechten Kanal des Phonovorverstärkers.




      Das "Kellergeschoss" des FQ-990:



      Hier befinden sich vorne quer die Platine des Klangregel-/Vorverstärkers, die grössere Netzteilplatine, eine Potiplatte mit drei Trimmpotis für einen Teil der Justagen für die Mutingautomatik. Hier unten habe ich an den beiden 3300 µF/60V Siebelkos für die positive und negative Versorgungsspannung der Endstufen noch jeweils die beiden dunkelblauen 2200/63V Elkos parallel angebracht. Die (gemessene) Gesamtkapazität steigt dadurch auf 2 x 6000µF bei einer Railspannung von +/- 50V. Die neuen 2200µ Elkos messen jeweils 10% weniger als der Nominalwert, 2000µF, die großen grauen Original Siebelkos haben immer noch jeweils 4000 µF (also habe ich insgesamt die Kapazität um fast 50% vergrössert). Sowohl Trafo wie auch Gleichrichterdioden (4 Dioden 3E4, IFSM=300A) sind ausreichend bemessen, um 6000µF (7,5W bei 50V; Peak Ladestrom ca. 30-150A, bei 10ms-2ms Ladezeit) noch sicher zu versorgen. Noch grösser würde ich die Kapazität aber nicht machen wollen, damit Trafo und Gleichrichterdioden durch die hohen Ladestromspitzen nicht überlastet werden (insbesondere Trafo).

      Die gespeicherte Energie für jeden Spannungszweig ist mit 6000µF/Spannungszweig (1/2 x CU^2) = 7,5 J. Andere Geräte dieser Zeit hatten bei etwa gleicher Leistung von 50W Sinus/Kanal an 4 Ohm z.B. 2x15000 µF bei +/- 20-25V, also gespeicherte Energie pro Spannungszweig von 3-5 J. Die Siebkondensator Dimensionierung des FQ-990 war also auch bereits ohne die ergänzte Zusatzkapazität (nominal 3000µF) mit 3,75 J im Rahmen dessen, was damalige Oberklasseverstärker aufwiesen (z.B. ein Grundig SV80 und SV140; ein Saba 8120 hatte dagegen nur 1,4 J gespeicherte Energie/Spannungszweig).


      Gruß
      Reinhard

      Edit: Watt (W) in Joule (J) berichtigt (24.12.). 1J (Joule)= 1 Ws (Wattsekunde)

      Dieser Beitrag wurde bereits 4 mal editiert, zuletzt von „oldiefan“ ()

      Forenkollegen,

      da die "Signalqualität" des Luxman FQ-990 im französischen Testbericht "tuner-ampli - assayé pour vous" anhand der Wiedergabe von 20 Hz Rechtecksignalen so herausgestellt wurde, wollte ich das mal nachvollziehen.

      Interpretation:
      sound.whsites.net/articles/squarewave.htm
      kennethkuhn.com/students/ee351/square_wave_testing.pdf

      Das ist unabhängig von der Frage, inwieweit die Fähigkeit von Verstärkern, niederfrequente Rechtecksignale möglichst getreu wiederzugeben, tatsächlich etwas mit "Klangqualität" zu tun hat. Zwar benutzten Tests in HiFi-Magazinen diese Eigenschaft in Vergangenheit und auch noch heute, allerdings war es mir selbst bisher nicht möglich, gehörmässig solchen Verstärkern bessere Klangqualität zuschreiben zu können, als solchen, die das weniger gut können. Z.B., reproduzieren Endstufen, die kapazitiv gekoppelt sind, ein Rechtecksignal von 20 Hz nur mit ausgeprägter Dachschräge. Vollständig direkt gekoppelte Stufen erlauben dagegen weitgehend originalgetreue Rechteckwiedergabe. Das kann man leicht am Oszilloskop sehen, einen Unterschied hören konnte ich nicht. Mag sein, dass ich nicht mehr gut höre, mag auch sein, dass meine Lautsprecher unfähig sind, diese Unterschiede zu reproduzieren (bei 20 Hz sowieso), selbst bei 50-100Hz.

      Da mein digitaler Signalgenerator (DDS 30 von ELV) Rechtecksignale selbst sehr geringer Frequenz, wie 20Hz) nahezu perfekt beherrscht, jedenfalls deutlich besser als das im zitierten Zeitschriftenartikel verwendete Gerät (den Oszilloskop-Screenshots nach beurteilt), wollte ich mal sehen, wie die Messung bei meinem FQ-990 Exemplar aussieht.

      Zum Vergleich mit dem 1971er FQ-990 habe ich einen etwas jüngeren Verstärker herangezogen, der bei mir gerade greifbar war, ein Grundig R 2000 Receiver aus 1980. Es hätte auch ein anderer Verstärker sein können, die Wahl des Grundig ist hier rein zufällig. Der Grundig R 2000 hat die gleiche Verstärkersektion wie ein R 3000 und ein V 2000. Einen V 2000 betreibe ich bei mir als Verstärker standardmässig und bin sehr zufrieden mit dessen Klang.

      Das Ergebnis (Zweistrahldarstellung; oben Signalgenerator; unten am LS-Ausgang, abgeschlossen mit 8 Ohm, über Spannungsteiler abgenommen):



      FQ-990 und R 2000 sind bei 20kHz praktisch ununterscheidbar.
      Bei 20Hz ist die Rechteckverzerrung beim FQ-990 weniger stark als beim R 2000.

      Die Reproduktion von 20Hz in meinem FQ-990 Test kommt sichtlich schlechter raus als im Magazin Test. Woran liegts - jedenfalls nicht am Signalgenerator. Vielleicht am Kabel (Kabelkapazität-Einfluss?). Auch deshalb die Vergleichsmessung. Vielleicht hat auch beim Testexemplar im Magazin-Test eine kleine Bassanhebung bestanden, die Dachschräge beim 20Hz-Rechteck mehr nivelliert hat. Durch Drehen am Bassregler kann man das in Grenzen "hindrehen".

      Bei beiden Geräten war Loudness ausgeschaltet und die Klangregler abgeschaltet (FQ-990), bzw. in Mittelrast-Stellung (R 2000). Das bessere Messergebnis beim FQ-990 ist evtl. darauf zurückführbar, dass die Abschaltung des Bass-Stellers dort das Bass-Klangregelnetzwerk überbrückt. Dagegen, schaltet die "Linear"-Taste des R 2000 nur die gehörrichtige Loudness-Korrektur ab, das Kuhschwanz-Klangregelnetzwerk bleibt aber weiterhin eingeschleift, damit zusätzliche kapazitive Kopplungen, die der FQ-990 unter den "Linear-Bedingungen" nicht hat. Der FQ-990 Receiver (20Hz: -0,1dB) hat eine bessere Pegel-Linearität zu kleineren Frequenzen als der R 2000 (20Hz; -0,6 bis -1,0 dB).

      Sowohl schon geringe Bassanhebung, wie auch Absenkung führen zu starker Verformung des Rechtecksignals, das verschlechtert aber nicht den Klang, sondern ist je nach Hörraum, Möblierung, Bodenbelag Stand und Art der Lautsprecherboxen ein Klanggewinn und zur guten Anpassung erforderlich. Meine Erfahrung, bis heute jedenfalls, aber Puristen sehen das wahrscheinlich anders, da zählt nur "ultra-linear".

      Rechteck-Signalgüte scheint mir deshalb eine Messgrösse, die über Klang nichts aussagt.
      Klirrfaktor (sofern nicht grösser als ca. 0,3-0,5%, oder bei Röhrenverstärkern sogar bis in den einstelligen %-Bereich) wird man wahrscheinlich ebenfalls nicht mehr für "klangbestimmend" ansehen können. Die Frage ist, wie groß dürfen IM- und TIM-Verzerrungen sein, um auch dort von "nicht mehr relevant fürs Hören" ausgehen zu können?

      Gruß
      Reinhard

      Dieser Beitrag wurde bereits 4 mal editiert, zuletzt von „oldiefan“ ()

      Hallo Reinhard,

      wenn nun statt eines 8R Lastwiderstandes ein realer Lautsprecher angeschlossen ist, der ja mit seiner Eigeninduktivität und den Bauteilen der Frequenzweiche eine komplexe Last ist (beim TT ein eine Spule in Serie, ein Kondensator parallel, dazu noch die Filterbauteile der übrigen Chassis), sähe das Signal wohl schon wieder ganz anders aus, in Abhängigeit von der Aussteuerung würde es sich auch verändern.

      So wäre nur das Ergebnis einer ganz konkreten Kombination aus Verstärker und Lautsprecherbox wirklich relevant. Klangverfärbungen könnten sich kompensieren oder verstärken. Lätztlich zählt doch nur, was beim Zuhörer im konkreten Wohnraum hörbar wird.
      Daher ging und geht auch nichts über vergleichende Hörtests vor Ort im Wohnraum, wie gute HiFi Händler sie - zumindest früher - angeboten haben. Ein Rechteck im Labor am ohmschen Widerstand kann sie nicht ersetzen.
      Achim
      Btw. und ot - reine Interessensbekundung. Ich lese mit habe aber zu Japanern naturgemäß weniger zu sagen.

      Nur vielleicht das, Klangsteller Mitte ist oft nicht vergleichbar mit Klangstell-Netzwerk komplett aus dem Signalweg genommen, da darüber bestenfalls ein "Gleichgewicht des Schreckens" erreichbar ist, also je Steller ein Hyperbel-Minima zwischen gegensätzlichen Phasenverschiebungen. Dieses ist umso ungenauer zu treffen je mehr das Klangstell-Netzwerk vom rechnerischen Idealfall abweicht, am deutlichsten wirkt sich das bei Passiv-Netzwerken mit log-Potis aus, eine elektrische Mitte im Punkt der geometrischen Mitte ist hier eher nicht sehr wahrscheinlich.

      Desweiteren bedeuten abfallende Rechteckdächer beim Schirmbild in der Verstärkertechnik Verluste in der Tieftonverarbeitung.
      Gruß Jogi,
      der im Forum von jedem dahergelaufenen Neuling verspottet, beleidigt und als charakterlos tituliert werden darf.

      Dieser Beitrag wurde bereits 2 mal editiert, zuletzt von „Jogi“ ()

      Hallo Achim,

      was Du sagst, trifft es! Es war auch mein Schluss, dass Rechtecksignal-Tests zwar die physikalisch-technischen Eigenschaften der Verstärkerschaltung an ihren Grenzen (Phasenverzerrungen usw.) auslotet, aber nur unter unrealistischen "Laborbedingungen". In Realität braucht man doch ein Klangregelnetzwerk und hat Weichen in den Boxen mit Spulen und Kapazitäten, die alle schönen Messungen am Verstärker selbst hinfällig machen.

      Hallo Jogi,

      Deine Antwort geht ja auch in die gleiche Richtung. Selbst wenn das Klangregelnetzwerk ganz umgangen würde (was hier bei meinen beiden speziellen Kandidaten aber nicht vollständig (Luxman) bzw. gar nicht (Grundig) gegeben ist, wäre ich mit DEM KLANG bei meinen Hörbedingungen dann sicher nicht zufrieden, selbst wenn nun ein Super-Rechtecksignal bei niedriger Frequenz auf dem Oszilloskop erscheinen würde.

      Dass der größere Bassabfall mit stärkerer Dachschräge beim niederfrequenten Rechteck verbandelt ist, hatte ich ja quantifiziert (bei 20 Hz: -1dB Grundig; -0,1dB Luxman).



      Fazit (wenn ich die Überlegungen von Achim, Jogi und mir zusammenziehe):
      Es ist offensichtlich, dass (theoretisch) ein als perfekt angenommener Verstärker auch Rechtecksignale perfekt wiedergeben sollte. Die nächste Frage ist dann aber: an welcher Last, einer perfekten (rein ohmsche Last) oder einer realen Last (komplex, d.h. mit kapazitiven und induktiven Elementen, wie sie in einer LS-Box unvermeidlich sind)? Und...da Klangregler unvermeidbar Phasenverzerrungen beitragen, sollte man sie in puristischer Manier verbannen? Wenn man das tut, verliert man Flexibilität bei den akustischen Bedingungen der Boxen, des Hörraums, usw. und man muss lange Boxen suchen, die "harmonieren" (wenn überhaupt). Bei einem Umzug oder Um-Möblierung ist alles wieder perdu...

      Selbst, wenn man das Problem Verstärker/Box lösen könnte (das geht dann in Richtung aufwendig optimierter Aktivbox, um Frequenzgang und Phasenlinearität für jedes Chassis und im Zusammenspiel zu optimieren), das Problem der Abstimmung auf Boxenstandort und Hörraum bleibt dann noch immer und maskiert am Ende die subtilen Effekte, die ein "Rechtecktest" unter Laborbedingungen zutage fördern kann. Der Rechtecksignaltest zeigt sehr empfindlich Phasenverzerrungen an. Nur sind gerade die nur unter besonderen Bedingungen, meist aber gar nicht hörbar (nach Testergebnissen publiziert in audioholics.com).

      Ein Voll-Verstärker (oder Vor-Endverstärker-Kombi) mit insgesamt sehr gutem Rechteckverhalten (über Vor- und Endverstärker) muss dabei nicht schlechter klingen, aber er kann...Und dasselbe gilt für einen mit nicht so gutem Rechteckverhalten...Was nützt dann in der Praxis der Rechtecksignal-Test ?

      Gruss,
      Reinhard
      Hallo Reinhard,

      der Rechtecksignal-Test kann schon etwas nützen, nämlich bei der Untersuchung realer Verstärker/Lautsprecher-Kombinationen. Da das Rechtecksignal aus einem Signalgemisch besteht bekommt man einen recht guten Überblick wie sich Verstärker und Lautsprecher miteinander vertragen. Ich habe da schon interessante Dinge gesehen, wie auftretende Sinusschwingungen auf der steigenden oder fallenden Flanke, beeindruckendes Über- oder Unterschwingen, usw. usw..
      Ist das Rechteck am Ausgang des Verstärkers unter realen Bedingungen sauber, kann man sich bei der Klangoptimierung auf andere Faktoren konzentrieren.

      Bestes Beispiel ist und bleibt mein SABA 9240S, der mit meinen ersten Selbstbauboxen nicht klar kam. Der Klang war "komisch" und das Rechtecksignal war es auch. Mit einem Grundig R45 gab es diese Probleme mit den gleichen Boxen weder akustisch noch messtechnisch. Der Grundig R45 hat, soweit ich weiß, übrigens die gleiche (hervorragende) Endstufe wie der V2000.


      Fazit: Für mich ist der Rechtecksignaltest das ultimative Mittel zu prüfen, ob Verstärker und Boxen zusammenpassen.

      Gruß

      Rolf
      Rechteckmessungen halte ich für ziemlich wichtig, sagen sie doch viel mehr aus als Sinusmessungen.
      So gut wie jeder Fehler bildet sich dabei ab.

      Eine stramm geführte Endstufe muß auch an komplexen Lasten, selbst bei langen Leitungen also, saubere Sprungantworten der Flanken liefern.
      Bei den real existierenden 08/15 Transistor-Endstufen früherer Zeiten - wozu ich die Siebziger fast ganz zähle - wird man aber nicht oft ein (annähernd) ideales Rechtecksignal unter allen Betriebsbedingungen messen können, es bedarf dazu vieler Vorraussetzungen die man erst in den Achzigern regelmäßig verwirklichte.

      Ein paar zur Verdeutlichung:
      Keine Phasendrehungen vom Eingang zum Ausgang (DC-Kopplung und keine oder überbrückte Baxandall-Entzerrer)
      Symmetrische Stufenversorgung
      OPAMP-Schaltung (geht auch mit diskreten Transistoren)
      Schnelle, ladungsspeicherungsarme Endstufen-Transistoren (VMOS - bei Siemens PMOS o.ä.)
      Stufeninterne stramme Rückkopplungswege (keine Überalles-Verzögerungsschleifen)
      Extrem niederohmige Auslegung des gesamten Leistungskreises der Endstufe ab Netzteil (Mehremitter-Bipolar-Transistoren oder auch wieder VMOS)

      Ca. 1978 habe ich mir so eine Endstufe mal konstruiert und später zum Vollverstärker ausgebaut.
      Der Kasten wog eine halbe Tonne und war ein Massengrab von OPAMPs, damals sogar noch diskret aufgebaut, da es noch nicht die große Auswahl an guten Audio-OPAMPs in integrierter Form gab. Es gab eine DC- und Subfrequenzkontrolle - ohne Koppelkondensatoren sind Rumpelgeräusche aus Plattenspielern sonst recht schnell tödlich für weich aufgehängte Baßlautsprecher.
      Am Ende war das Rechteckverhalten fast perfekt, bis auf einen kleinen aufgesetzten Überschwinger bei LS-Leitungen mit über 20m Länge bei 2x1,5qmm Zwillingslitze. Ab 2x4qmm war die Kompensation nicht mehr nötig, ab 2x10qmm waren nicht mal mehr Andeutungen über.
      (Dazu zu sagen ist das ich einen kompletten Brüel & Kjær Audiomeßplatz samt Operator dafür ausbeuten konnte - so ein Aufwand lohnt sich normal nicht, außer wenn man kommerziell tätig werden will und somit dokumentationspflichtig wird - lohnt sich auch nicht mehr, es gibt in FO Verstärker-Frickler ohne Ende die für Trinkgelder arbeiten)

      ---
      Von all dem abgesehen und auf normales Hobbymaß zurückgeschraubt benötige ich auch, so wie so viele Andere, Klangverdreher.
      Bei meinem gerade im Hintergrund laufenden Telefunken-Verstärker stehen zwar alle Räder auf Null (Mitte, Neutral) aber dafür hat der eine (justierbare) Loudness-Schaltung die an meinen LS unwahrscheinlich wohlklingende Bässe hervorbringt und das sind derzeit nur einfache 20l Regalboxen, die 1,50m hohen Vierwege-"Pötte" mit Duobaß-System haben Urlaub, erst muß der Putz an den Wänden wieder festgemacht werden. Je nach Schallplatte oder Zustand eines alten Tonbandes muß ich da schon auch mal kräftig an einem (zumeist dem Höhen- oder Mitteltonsteller drehen, an Bässen mangelt es fast nie).
      Gruß Jogi,
      der im Forum von jedem dahergelaufenen Neuling verspottet, beleidigt und als charakterlos tituliert werden darf.
      Gut!

      Gerne lese ich das!

      Dann werde ich in Zukunft mit Rechteckmessungen mehr Erfahrungen (ein)sammeln. Bisher hatte ich sie beiseite gelassen. Aber die Messung selbst ist ja unkompliziert, wenn das Oszilloskop ausreichend Bandbreite hat und der Generator gutes Rechteck macht.

      Macht Euch auf mehr Schirmbilder in Zukunft gefasst - dann auch von SABA. Allerdings an ohm'schem Lastwiderstand. Freue mich auf weiteres Interesse.

      Gruß
      Reinhard
      Dann bin hocherfreut, lieber Reinhard, dir ein weiteres Interessengebiet aufgetan zu haben.

      Ich muß für mich selber gestehen das in meiner Brust zwei Herzen schlagen.
      Herz 1, rein technokratisch und technologisch angetrieben, das Elektroingenieursherz, will Zahlen sehen, Daten eingesammelt wissen, rechnenschieberschwingend aktiv sein, alles vor- wie rückwärts überdenken, abwägen, ist nie zufrieden mit einer einfachen Handlungsweise.
      Herz 2, das Bastlerherz, emotionaler als Herz 1, will probieren, basteln, hören, das Ergebnis genießen.

      Privat - und das gönne ich mir einfach nach dem vielfältigen und ereignisreichen Arbeitsleben - messe ich nur noch was ich muß und wenn ich Lust habe. Ich bin dabei bestrebt so einfache Mittel wie möglich zu nutzen, das was sich jeder 14-jährige Bastler von seinem Taschengeld auch leisten könnte, so kann man - natürlich unter Inanspruchnahme bereits gesammelter Erfahrungen aus langen Jahren - auch seine eigenen, nicht mehr durchkommerzialisierten Wünsche erfüllen.

      Das versuche ich hier wie anderswo als reiner Privatier unter einen Hut zu bringen, ich empfinde mich also nicht als Meßsklave, nicht als Fachbuchvorleser (Fachbücher kann sich jeder selber holen und die Inhalte in sich aufsaugen und Erkenntnisse für alles was er machen will erlangen), auch nicht als Vorreiter von Entwicklungen. Das meiste was ich schreibe ist daher auch aus Lust und Laune und wo es geht aus dem Gedächtnis heraus niedergelegt. Eine Konkurrenzsituation mit anderen Schreibern sehe ich nicht, bei beliebten Forenspielen nach dem Motto "Wer weiß mehr, wer ist der Größte usw. " spiele ich deshalb auch nie mit, und muß sagen das man in diesem Forum hier auch erfrischend frei davon ist und in Ruhe gelassen wird, was hoffentlich immer so bleiben wird.

      Naja, schon wieder eigentlich zuviel Schmonzes, aber konkret kann man wirklich sehr viel durch einfache, spaßbringende Ableitungen erreichen was einem am Ende komplizierteste Abhandlungen auch nicht komplett anders ergeben würden.
      Gruß Jogi,
      der im Forum von jedem dahergelaufenen Neuling verspottet, beleidigt und als charakterlos tituliert werden darf.
      Forenfreunde,

      inzwischen habe ich mir den LUX FQ-990 nochmal vorgenommen, dabei auch den Skalenzeiger ausgetauscht - der vorhandene war an der Zeigerspitze abgebrochen und von einem Vorbesitzer irgendwie "zurechtgefeilt" weiterverwendet worden. Bild nach dem Tausch folgt noch.

      Vor allem aber, haben mich jetzt die beiden Drucktasten Tape Head "3 3/4" und "7 1/2" an der Front links unten näher interessiert. Der FQ-990 Receiver hat einen regulären Band-Eingang für Abspielen vom Line-Ausgang des Bandgeräts und einen Band-Ausgang für die Aufnahme auf einem Bandgerät. Ausserdem einen Hochpegel "AUX"-Eingang und zwei Phono-Eingänge mit nachgeschaltetem Phono-Entzerrer-Vorverstärker für MM-Systeme. Gern hätte man noch einen weiteren AUX-Eingang. Den aber hat nur das kleinere Schwestermodell FQ-900, der FQ-990 hat stattdessen einen "Tonkopf-direkt" (Tape-Head) Eingang. Einen solchen Eingang habe ich bisher bei keinem anderen Heim-HiFi-Verstärker gesehen. Ich kenne bisher auch kein Heim-Studio-Tonbandgerät, das einen direkten Ausgang vom Wiedergabekopf, also ohne zwischengeschalteten Wiedergabeverstärker, aufweist.



      Der Wiedergabeverstärker im Bandgerät bringt nicht nur das sehr schwache Signal vom Wiedergabe-Tonkopf auf normalen Line-Pegel, sondern sorgt auch für die korrekte Entzerrung, um einerseits die Vorverzerrung vom Aufsprechverstärker im Bandgerät und andererseits zusätzlich die Wiedergabecharakteristik aufgrund des frequenzabhängigen magnetischen Flusses im Magnetband und in Abhängigkeit der Bandgeschwindigkeit auszugleichen, also über alles zu linearisieren. Insofern übernimmt er eine vergleichbare Funktion wie ein Phonovorverstärker, hat aber natürlich eine andere Entzerrungscharakteristik. Die Zeitkonstante der Entzerrung wird im Bandgerät anhand der eingestellten Bandgeschwindigkeit geschaltet.

      Der Wiedergabe (re-play) Tape Head Vorverstärkereingang im FQ-990 Receiver übernimmt diese Aufgabe, vorausgesetzt, man hat ein seltenes Bandgerät mit einem direkten Tape-Head Ausgang. Deshalb muss auch hier die Bandgeschwindigkeit zusätzlich eingestellt werden, was durch Drücken der entsprechenden Drucktaste "3 3/4" ips (inch per second) = 9,5 cm/s oder entsprechend "7 1/2" ips = 19 cm/s erfolgt.

      Ich habe den Frequenzgang des Tape Head Eingangs für die beiden Geschwindigkeitseinstellungen aufgenommen. Eingangssignal war ein amplitudenkonstanter Sinus-Sweep von 20Hz bis 20kHz. Toneinstellungen am Verstärker alle auf "linear".




      Die obere (blaue) Frequenzgangkurve ist für 9,5 cm/s und die untere (rote) für die Geschwindigkeit von 19 cm/s. Die zugehörigen Zeitkonstanten sind 50µs bzw. 90µs, und in beiden Fällen zusätzlich 3180µs. Es gibt verschiedene Konventionen/Normen (IEC, NAB, IEC II, DIN home, DIN studio, usw.), die sich alle etwas unterscheiden. Natürlich passt so streng genommen eine Hardware nur zu einer Norm, im vorliegenden Fall sind IEC, NAB, DIN home für 9,5 cm/s und 19 cm/s identisch. Die gemessenen Frequenzgänge halten die standardisierten Normen/Vorgaben gut ein.

      allegrosound.com/Tape_Replay_EQ_and_Head_Standards.html


      Vorverzerrung bei der Aufnahme (REC, record) und Nachentzerrung bei der Wiedergabe (PB, playback) nach jrfmagnetics.com/Nortronics_pr…ortronics_Silvr_pp1-9.pdf



      Ich empfinde den Tape-Head Eingang als recht unnötigen Luxus, da wie gesagt, mir bekannte Heim-Bandgeräte keinen Ausgang dafür haben. Selbst, solche, die so einen Ausgang haben, haben doch sicher auch einen normalen "Line-out" Ausgang über einen in der Bandmaschine integrierten Wiedergabe-Entzerrer. Warum also dieser Tape-Head-Eingang?

      Habt Ihr eine Erklärung? Die allgemeine Gerätebeschreibung für den Receiver FQ-990 schweigt sich aus und das detaillierte "Owners Manual" für dieses Gerät habe ich leider nicht und konnte es auch im WEB nicht aufspüren.


      Reinhard



      Nachtrag 09.01.2019 02:52h:
      Meine Recherche hat bisher ergeben, daß die SONY Verstärker TA-1120 (1970), TA-2000 und die frühe Serie von STR-6120 auch einen Tape Head Eingang hatten. In der späteren Serie des STR-6120 hat SONY ihn dann durch einen weiteren AUX-Eingang ersetzt. Hatten SONY Bandmaschinen von 1970-72 einen Tape Head Ausgang?

      Dieser Beitrag wurde bereits 6 mal editiert, zuletzt von „oldiefan“ ()

      Möglicherweise habe ich eine Erklärung!

      Damit dürfte eher eine Nische im amerikanischen Markt bedient worden sein.
      Wir erinnern uns an die Bezeichnung Tape Deck.
      Im heutigen Sprachgebrauch ist damit eher ein Kassettenrekorder gemeint.
      Vor den Kassettenrekordern waren Tonbandgeräte üblich.
      Übersetzt man Tape Deck, ist es am ehesten ein Bandlaufwerk, kein komplettes Tonbandgerät.
      So nackte Bandlaufwerke gab es tatsächlich, also ohne die Verstärker für A und W.
      Interessierte sollten bezüglich Geschichte amerikanischer Tonbandgeräte recherchieren.

      Andreas
      Was bedeutet DL2JAS? Amateurfunk, www.dl2jas.com
    • Benutzer online 4

      4 Besucher