Guten Abend zusammen,
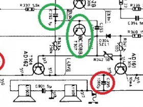
heute habe mal eine Frage zu Kondensatoren. Ich habe ein Kofferradio ITT Touring 102 erstanden - in sehr schlechtem Zustand. Es spielte nicht; mit einem Signalverfolger waren schnell der Treiber (BC 108B) sowie der Koppelkondensator (1µF) als Ursache gefunden. Ich habe dann noch die beiden 1000µF Elkos getauscht. Alle 4 Teile sind im Schaltplan-Ausschnitt markiert:

Nun zu meiner Frage:
Die beiden Elkos habe je 1000µF Kapazität bei 16 Volt Nennspannung:

Warum hat man unterschiedliche Bauformen gewählt?
Ich habe sie gegen gleiche Typen getauscht, der Koppelkondensator ist jetzt ein Tantal.

Ich werde noch viel Spaß bei der Restauration haben - der Antrieb des AM-Drehkondensators sagt alles:
heute habe mal eine Frage zu Kondensatoren. Ich habe ein Kofferradio ITT Touring 102 erstanden - in sehr schlechtem Zustand. Es spielte nicht; mit einem Signalverfolger waren schnell der Treiber (BC 108B) sowie der Koppelkondensator (1µF) als Ursache gefunden. Ich habe dann noch die beiden 1000µF Elkos getauscht. Alle 4 Teile sind im Schaltplan-Ausschnitt markiert:
Nun zu meiner Frage:
Die beiden Elkos habe je 1000µF Kapazität bei 16 Volt Nennspannung:
Warum hat man unterschiedliche Bauformen gewählt?
Ich habe sie gegen gleiche Typen getauscht, der Koppelkondensator ist jetzt ein Tantal.
Ich werde noch viel Spaß bei der Restauration haben - der Antrieb des AM-Drehkondensators sagt alles:
Gruß, Peter
