Yamaha CA-1010 Verstärker in der Midlife Crisis

      Ich mag das ganze Problem nicht.
      Obwohl durch meine Hände kaum zählbare Gerätschaften gingen habe ich es auch nie gehabt.
      Von SOT-25 handhabte ich sicher Abermillionen, in NF und HF, nicht einmal gab es damit ein Problem.
      Heutige Altgeräte beinhalten sie, meine Ersatzteilmagazine beherbergen noch so einige, das Problem verschont mich vollständig und macht freiwillig einen Bogen um mich.

      Was für mich als einzig wirklich (handgreiflich) faßbar überbleibt ist das zu generalisierende AKAI-Transistor Problem, die sind schon alle Schrott oder gehen bald zu Dutt, jedes einzelne AKAI-Gerät das ich je als Altgerät in Händen hielt war davon mehr oder weniger gestört.
      Zu erledigen ist es so einfach das man sich die Augen reiben könnte, man besorgt die entsprechenden Kleinsignaltypen als Neuware, ersetzt die merkwürdigen kleinen Klohäuschen damit und schon ist alles wieder in Ordnung. Kauft man stattdessen koreanische Neuware, auch in jenem abgeflachten Häuschen, dann existiert das Problem ebenfalls nicht, die Nachahmer können es besser als die einstigen Originalhersteller.
      Imho ist die Bondingtechnik besser geworden, mehr ist das imho nicht und war das auch nie und Europa bondete schon damals wesentlich sicherer, wowas gab es nie bei ITT(Intermetal), TFK, Siemens solange es sich um Planar-Epitaxial-Technologie handelt.

      (Das heißt nur was es heißt, und nichts anders! Es heißt vor allen Dingen nicht das Hitachi es generell nicht könnte, ganz im Gegenteil wo wäre die japanesische Audiotrechnik damals gewesen ohne die ausgezeichnet rausch- und verzerrungsarmen Audio-OPAMPS für Vorverstärker von Hitachi, zu einer Zeit als man hier noch TBA231 in die Geräte ballerte, die so eben noch laute TA-magn. konnten ohne das es wild rauschte und mehr als 0,3% verzerrte machten die schon -100dB S/N und ,0001% k-ges)

      Nachtrag an Achim:
      Ferranti baute solche Knieselchen schon ab etwa Beginn der Siebziger, die gingen zu abertausenden durch meine Hände, damals noch so nebenbei für einen Großversand, selber baute ich auch Muster damit auf, da auch Baugruppen nach Elektor geliefert werden konnten und einer gucken mußte ob das so alles seine Ordnung hat. Es gab niemals Probleme mit den "Reiskörnern", später kamen modernere als PBC-Typen mit Schwimmring drum herum und noch später wieder "Reiskörner", alles völlig problemlos. Und ich rede hier von richtigen Mengen nicht von Omas einer alter Dampfnudelmöhre.

      Gruß Jogi,
      der im Forum von jedem dahergelaufenen Neuling verspottet, beleidigt und als charakterlos tituliert werden darf.

      Dieser Beitrag wurde bereits 1 mal editiert, zuletzt von „Jogi“ ()

      Jogi schrieb:

      Ich mag das ganze Problem nicht.
      Obwohl durch meine Hände kaum zählbare Gerätschaften gingen habe ich es auch nie gehabt.
      Von SOT-25 handhabte ich sicher Abermillionen, in NF und HF, nicht einmal gab es damit ein Problem.

      Lieber Freund Jogi.
      Niemand geht Dich damit an! Es war eine Quizfrage, die mit eigenen Erfahrungen angereichert wurde.
      Was für die Leser den Vorteil hat, dass es im Gegensatz zu "Fremd-Daten" den grossen Vorteil hat, dass der Wert der Aussagen der Poster eigentlich jedem bekannt sein sollte.Der Wahrheistgehalt ist daher sehr gross.

      Gruss vom hans
      So, jetzt habe ich ein Rätsel. Die Transistoren sind alle eingebaut, alles nochmal nachgeprüft, Platine mit Lötlack geschützt (auch als Geruchssperre) und dann den Endstufenbaustein mühsam wieder eingebaut.
      Eingeschaltet, Schutzschaltung gibt frei, Musik erkling, sehr schön.
      ABER: Die Spannung an den Messpunkten TP1 und TP2 (über einem Emitterwiderstand) liegt bei 0,65V! Mit den Trimmpotis zur Ruhestromeinstellung lässt sie sich nicht beeinflussen.
      Das ist eine Verlustleistung von 76W pro Transistor, also rund 300W für die linke Endstufe. Der Kühlkörper wird auch innerhalb einer Minute heiß.
      Da scheint also etwas nicht ganz zu stimmen ;)
      Achim

      nightbear schrieb:

      Ich vermute mal, der gezeigte Körting war schaltungstechnisch auch nicht der große Wurf.


      Da hat Achim sehr recht.
      Körting gibt deshalb in der technischen Beschreibung keine Daten, schreibt nur "HiFi nach DIN 45500". Das mag heissen: Besser als 47dB S/N bei Stereo hatte er möglicherweise sowieso nicht. Das ist aufgrund meiner Beobachtung auch dem Stereodecoder zuzuschreiben, der mit Ach und Krach nur 26dB Kanaltrennung bei 1 kHz schaffte (lt. Service Anweisung) und so bestückt war, dass er in der Deemphasis auch zu starken Höhenabfall bewirkte (damit lässt sich ein Rauschproblem ein wenig verstecken).

      Da jetzt ein Haufen Kritik auf mich niederprasselt:
      Ich hatte nicht geschrieben, dass ich den/einen rauschenden Transistor ausgemacht/identifiziert hätte sondern dass ich das Problem durch Wechsel des Stereodecoders "gezähmt" hatte.
      Mein Quiz war lediglich als ein Hinweis darauf angelegt, dass es schlechte Erfahrung mit Transistoren der SOT-25 Bauform hinsichtlich Rauschen gibt, so wie es auch die schlechte Erfahrung mit den Hitachi-Schrägdach Packages mit versilberten Beinchen gibt und mit OC75 Ge-Transistoren sowie AC125, AC151 Ge-Transistoren bzgl. Rauschen.

      Jogi,
      ich hatte aber ein Akai Transistor Problem noch nie!

      Heisst das Statement, das es das deshalb nicht gibt? Nimm es doch einfach mal so hin, wenn jemand schreibt, welche Beobachtung/Erfahrung er gemacht hat, statt sofort zu kontern "aber ich hatte das noch nie". Schätze Dich glücklich, dass Du einer der seltenen Besitzer von über 30, 40, 50 Jahre alten Gerätschaften bist, die nie kaputtgehen, Deine Bauteile, die Du schon millionenfach verbaut hast, die Fehler nicht zeigen und nicht gewechselt werden müssen, während wir anderen armen unkundigen Küchentischbastler offenbar ständig von Problemen heimgesucht werden, die es Deiner Meinung nach gar nicht gibt und von denen Du nichts hören magst.

      Reinhard

      Dieser Beitrag wurde bereits 1 mal editiert, zuletzt von „oldiefan“ ()

      Hallo Reinhard und Mitstreiter,

      das kommt, wie wir wissen, immer auf die Stichprobe, mit der man es zu tun hat, an. Je nach sachlicher, zeitlicher und räumlicher Zusammensetzung der Stichprobe und ihrer Größe(!), kommt man zu unterschiedlichen Aussagen über Ausfallwahrscheinlichkeiten.
      Ich habe zum Beispiel über die Jahrzehnte weit über 1000 Grundig Farbfernseher repariert (Angfang 70er bis Ende 90er, Rhein Main Gebiet), dafür kaum Tonbandgeräte (zweistelliger Bereich). Dementsprechend unterschiedlich ist die Treffsicherheit von Aussagen, die ich zum ein oder anderen Bereich mache.

      Die Aussagen im Artikel des englischen Kollegen sind aus seiner Stichprobe heraus bestimmt valide, sie betreffen allerdings, was das ("dumpfe") Rauschen angeht, ausschließlich NF-Verstärker - und da hat Dein Körting Tuner ja gerade die vom englischen Kollegen hoch gelobten BC108 drin.
      Im HF-Bereich, wo beim Körting alles BF194 / BF195 ist, spricht er nur von Totalausfällen bzw. schlechter Empfindlichkeit, letzteres ein zielführendes Symptom bei jedem defekten Transistor in der Vorstufe bis hin zu den BF9xy.
      Ich meine, dass es Probleme bei (NF-) Lockfits geben mag, dass sie jedoch beim Körting eher nicht als Erklärung für das Stereo Rauschen taugen, sondern wohl, wie Du ja auch schreibst, der eher einfache Schaltungsentwurf und der Spar-decoder (den Du konsequent ersetzt hast).

      Das Probem beim Yamaha war zum Glück harmlos. Der T310 (jetzt ein BC327B-25), der eine entscheidende Rolle bei der Ruhestromregulierung spielt, muss an den Beinchen gedreht werden, wie alle anderen auch, aber, damit er wieder wie sein Vorgänger mit seiner abgeflachten Seite am Kühlblock anliegt, muss er noch einmal um 180° gedreht werden, so dass sich eine etwas diffizilere Anschlussanpassung ergibt, als bei den übrigen 7 ersetzten Transistoren. Hier muss man doppelt aufpassen!
      Ich habe jetzt einen neuen passend zurechtgebogen und diesmal richtig eingebaut, die Ruheströme lassen sich wieder sauber einstellen.
      Zum Glück ließ sich diese Korrektur machen, ohne die ganze Endstufe wieder auszubauen und vom Kühlkörper zu trennen.





      So sehen die neuen Halbleiter aus - Anschlüsse verzinnt; rechts ist markiert, was alles ersetzt wurde:



      Wie man sieht, bekam der Basisanschluss der ersetzten Transistoren immer einen Glasgewebeschlauch spendiert, um sicher Kurzschlüsse zwischen den fast gekreuzten Anschlussdrähten auszuschließen, wenn z.B einmal Jemand daran herumbiegt.
      Ich hatte auch noch sämtliche Dioden ersetzt, den "Thermistor" durch zwei 1N4148 in Serie, die meisten anderen Dioden durch 1N4148, eine 1N4007, 2 x BA159 (wo original ein schneller Typ für hohe Spannungen verbaut war) und eine 6,2V Z-Diode.

      Weiterhin habe ich alle 4 Endstufentransistoren nochmal ausgebaut, komplett gereinigt und mit neuen Glimmerplatten und neuer (dezidiert NICHT leitender) Wärmeleitpaste wieder eingesetzt.
      Bei der Revision letztes Jahr hatte ich "Kerafol K9" Paste verwendet, die einen traumhaft guten Wärmeleitwert hat, aber, wie ich später feststellen musste, vom Hersteller ausdrücklich als "leitend" ausgewiesen ist. Mit dem FET-Ohmmeter kann ich das zwar nicht nachvollziehen, aber so ein Material sollte man bei plusminus 56V nicht an den Anschlussbeinchen bei 1mm Abstand zum Kollektor haben. Und wer weiß, wie sie sich mit der Zeit verändert. Vermutlich enthält sie Metallpartikel.

      Jetzt ist die brennend interessante Frage, ob es noch knistert. Ich beobachte bzw. belausche. Erst dann kommt die rechte Endstufe unters Messer. Auch ein paar andere Kleinigkeiten will ich bei dieser Gelegenheit erledigen.

      Während der Verstärker jetzt über ein Jahr nur über den AUX Eingang lief, ist der Phonovorverstärker im linken Kanal ausgefallen. Rechts hört man bei Vollaussteuerung ein voluminöses Rauschen, links ist nur ein leises fieses Brummen, sonst Stille. Aber auch im Phonoverstärker sitzen VD1212 und zwei 2SA673A...

      Ich bin sonst nicht unbedingt ein Verfechter des prophylaktischen flächendeckenden Bauteilersatzes von als kritisch bekannten Komponenten, schon gar nicht bei meinen eigenen Geräten, die ich ja jederzeit reparieren kann. Von daher hätte ich am liebsten mit K75 und Föhn den konkreten Bösewicht gesucht und nur ihn ersetzt. Aber das Ausbauen dieses grottenschweren Verstärkers aus dem Rack, das ganze Handling und Wuchten, das Zerlegen, das Ablöten und Ausbauen der Platinen ist dermaßen mühsam und auch für das Gerät letztlich schädlich, dass ich hier lieber mit größeren Bauteilgruppen arbeite, um das ganze Prozedere nur einige wenige Male durchziehen zu müssen.
      Achim

      Dieser Beitrag wurde bereits 13 mal editiert, zuletzt von „nightbear“ ()

      Hallo Achim, Hans, Mitleser,

      Nur noch diese Bemerkung zur Klarstellung bzgl. BF194/BF195 - dann ist hierzu von mir Schluss.

      Zum Teil wurde der verlinkte Artikel "Transistors in Vintage Radios" von Euch so gelesen, dass bei den HF-Typen BF194/195 ja nur von Totalausfällen die Rede wäre. Das ist aber nicht richtig. Ich darf deshalb die betreffende Passage hier im originalen Wortlaut wiedergeben und in Übersetzung:

      Zitat:
      "Regarding the BF194/5 types, when these partially fail, the symptom is a loss of sensitivity in the receiver. Whether it's actually the same problem (rising noise giving the impression of less sensitivity), or some other effect, I haven't tried to determine. But, when faced with low sensitivity, it's normally a Lockfit transistor at fault."

      Übersetzt:
      "Bezüglich der Typen BF194/5 (gilt), wenn diese teildefekt werden, zeigt sich das (d.h. dieser Teildefekt) durch einen Empfindlichkeitsverlust im Empfänger. Ob das tatsächlich das gleiche (Rausch-)Problem ist ( d.h. erhöhtes Rauschen macht den Eindruck einer verringerten Empfindlichkeit) oder ob eine andere Ursache (vorliegt), habe ich nicht versucht, herauszufinden. Allerdings, wenn geringe Empfindlichkeit, (dann) ist es normalerweise ein defekter Lockfit Transistor."

      "partially fail" heisst hier "teildefekt werden" -also nicht ganz ausfallen - funktioniert noch aber nicht mehr so, wie er soll. Deshalb funktioniert der Empfang noch,aber es rauscht das wäre bei Totalausfall nicht möglich.
      Die Übersetzung als "wenn diese Typen... teilweise defekt werden (im Sinne, manche Totalausfall, ander i.O.) macht der Rest des Satzes keinen Sinn, denn totaldefekte erlauben keinen Empfang mehr, auch keinen verrauschten.

      Das Symptom ist Rauschen, was auch bei schlechter Empfindlichkeit resultiert. Der Autor schreibt, er habe nicht versucht, herauszufinden, ob tatsächlich schlechte Empfindlichkeit vorlag und deshalb Rauschen als Folge dessen oder ob bei an sich guter Empfindlichkeit Rauschen überlagert war. Der Eindruck "wenn es rauscht" ist geringe Empfindlichkeit. Der Eindruck kann aber auch täuschen.

      Jeder kann aus Erfahrungsberichten selbst Schlüsse ziehen oder auch ganz ignorieren.


      Zurück zum Yamaha:
      Achim, da hast Du einen gründlichen Rundumschlag gemacht. Ich hatte ja schon geschrieben, dass ich nach meinen Erfahrungen mit diesen Hitachi-Transistoren nach Ersatz durch Äquivalenztypen hinterher immer Ruhe hatte und deshalb überzeugt bin, dass Du hier das gleiche Erfolgserlebnis haben wirst.

      Elektrisch leitende Wärmeleitpaste (für MPs bei PCs), ein Kapitel für sich. Vor Jahren hatte ich mich mal festgelegt, dass mir die nicht ins Haus kommt, ich benutze weiterhin die "mittelmässige" Silikonpaste oder gleich Silikonpads, die keine Paste brauchen. Eben weil man verleitet ist, die leitende Paste dann auch einzusetzen, wo man es besser nicht täte, weil man im entscheidenden Moment vielleicht mal nicht daran denkt.

      Gruß
      Reinhard

      Dieser Beitrag wurde bereits 1 mal editiert, zuletzt von „oldiefan“ ()

      Hallo Reinhard, Hallo Hans,

      den Text habe ich auch so verstanden. Dieses "teilweise Ausfallen", sprich Einbußen bei der Leistungsfähigkeit bei HF-Transistoren, so dass die Verstärkung zu gering ist, es rauscht etc. habe ich aber bei HF Transistoren aller Hersteller und Serien gefunden. Siemens, TFK, Valvo etc. Unzählige BFs, auch FET habe ich aus TV-Tunern und ZF-Verstärkern geholt mit eben solchen Symptomen.
      Dazu kommt in Empfangsteilen noch der zerstörerische Einfluss von Überspannungen über den Antenneneingang - das kann jeden Vorstufentransistor swchädigen oder zerstören.

      Ich war immer und bin der Meinung, dass diese Transistoren wegen der hohen Frequenzen einfach sensibler reagieren, wenn sich Übergangswiderstände, Kapazitäten bilden. Vieleicht ist es sogar typisch, dass wo ein NF-Transistor infolge Unterbrechung tot ist, ein HF-Typ durch kapazitive Kopplungen immer noch auf halber Kraft laufen kann. Nur eine Häufung bei den Locktype Typen konnte ich nicht feststellen, gerade bei TVs, wo ZF, Farbteil, Impulsteil etc gestopft voll damit waren. Das wäre aufgefallen. Vielleicht hat Stefan (Klarz.) da Erfahrungen.

      Die Kerafol Wärmeleitpasten haben sich irgendwann bei mir eingeschlichen, als ich nur Transistoren mit Kunststoffmantel, oder einzeln auf Kühlblechen sitzende TO-220 und ähnliche hatte, wo es keine Rolle spielt, ob die Paste leitet, die hervorragende Wärmeleitung aber günstig war. Alles was flach ist, hinten die Kühlfläche und seitlich die Anschlüsse hat ist da unempfindlich, es sei denn man trägt die Paste in Unmengen auf.
      Bei TO3 ist aber Schluss mit lustig, weil die B und E Stifte praktisch durch die satte Paste hindurchlaufen und der Kontakt untereinander und vor allem zum Kollektor leicht erfolgen kann. Da habe ich letztes Jahr nicht geschaltet. Nun ja, ist jetzt korrigiert.

      Diskutieren kommt zwar zusehends aus der Mode, aber wir praktizieren es hier zum Glück noch.
      Wenn sich kein Konsens findet, behält man die Frage im Hinterkopf und so manches Mal ergeben sich mit der Zeit zusätzliche Erfahrungen, die wieder Bewgung in die Sache bringen.
      Achim

      Dieser Beitrag wurde bereits 2 mal editiert, zuletzt von „nightbear“ ()

      Mein Diskutieren zu diesem Thema ist jetzt beendet auch wenn wir nicht in Mamgela Ferkels Kabinett hausen scheinen Gegenmeinungen und Gegenerfahrungen, sprich das Normalste auf der Welt in einer pluralistisch organisierten Gesellschaft, auch hier mittlerweile nur noch unter Murren angenommen zu werden.

      Ich find es war nicht nötig hier deshalb dem Ton einen höheren Klirrfaktor beizufügen.

      Hans, du hast völlig Recht. Wozu überhaupt irgend etwas diskutieren, wenn man einfach nur postulieren muß und die Anzahl von Fällen jegliche Relevanz gegenüber wenigen Einzelerlebnissen verloren hat.

      Leider kann man, wenn man es gewohnt ist das diskutiert werden kann, nicht immer beliebig den Schnabel halten.
      Ich werde es mir vielleicht antrainieren und gleich das Verhalten einer Ente mit, oben über dem Wasserspiegel die Ruhe des Sees nicht mit Wellen zu belästigen dabei unter Wasser fleißig treten und trampeln.

      Achim, bei nicht verunreinigten Halbleitern, die dann noch ganz andere Störungen hervorrufen würden, ist es im HF-Einsatz oft sehr einfach mit dem tauber werden, es steigt schlicht die Kapazität der BC-Strecke im Verlaufe der Alterung.
      Aufgrund Fortschritte in der Herstellung ist das Problem bei maskierten, dotierten und geätzten Epitaxie-Verfahren (moderne SI-Transistoren ab ca. 1970) fast nur noch bei HF auffällig, wenn überhaupt. Viele Reparaturfälle älterer Fernseher gehen auf ältere Herstellungsverfahren zurück und wenn es nur MESA Technik ist, auf noch frühere mechanisch zusammengesetzte Spitzen-Technologie will ich erst garnicht zurückfallen.
      Das bemängelte Rauschen kann man eng eingrenzen, jedenfalls aus der Bauteilkunde heraus. Es handelt sich um das sog. Funkeln, es ist erst überhaupt nicht da, dann ist es meßtechnisch erfaßbar aber noch nicht hörbar oder funktionsstörend, dann wird es irgendwann leist hörbar, dann lauter, dann setzt der Transistor immer wieder mal aus und macht diverse andere Problem und dann bleibt es irgendwann ganz stumm. Das Phänomen wurde schon in der frühesten Phase der Halbleitertechnik bei Schottky usw. wahrgenommen und beschrieben, einen Reim konnte man sich damals noch nicht machen. Heute weiß man (Ingenieure bekamen das schon vor mehr als 40 Jahren eingetrichtert) das die Zerstörung der BC-Strecke durch langsames Einsickern und Durchdringen von Ladungsträgern dafür verantwortlich ist. Sozusagen eine klein beginnende und dann zunehmende Anreihung von kleinen Second Breakowns auf atomarer Ebene (Bohrsches Kugelwolkenmodell beachten).
      Verhindert wird das in der Fertigung heute durch
      erstens reinere Verfahren und sauberere Dotierung ohne verbleibende Resttzuschläge
      zweitens Abdeckung der geäzten Flächen
      drittens hermetischen Abschluß der PIN-Durchführungen
      viertens evt. Gasfüllung oder weitere Füllungen von Hohlräumen.

      In keinster Weise, bis auf die unzureichenden Abschlüsse der PINs, sehe ich da auch nur den kleinsten Zusammenhang mit dem bekannten Schrottanfall bei gewissen, von allgemein verfügbaren Chargen abweichenden Lieferungen an eine engumrissene Menge an Hersteller.
      Wäre das Problem allumfassend gewesen dann würde heute kaum noch eine Japanelektronik in Funktion, aber meine Geräte (ich vermeide diesmal bewußt die Anführung der großen großen Menge an Nicht-meine-Geräte) jender Provenience laufen alle, allein die von AKAI nicht, d.h. die laufen mittlerweile schon lange wieder aber mit gerupften originalen Transistoren wie sie ab Werk verbaut waren.

      Aber - Disclaimer
      Dies ist nur meine private Meinung, nicht beeinflußt von irgendwelchen größeren Chargen von was auch immer,
      sie ist keinesfalls höher einzustufen als irgendeine andere private Meinung
      und zu allem Überfluß distanziere ich mich auch gleich vorausgreifend und alle nungeahnten Fällen vorbeugend davon.
      (Ein bisschen noch rhetorisch daran gefeilt und das kann in die Signatur, vorauseilend deeskalierend)
      Gruß Jogi,
      der im Forum von jedem dahergelaufenen Neuling verspottet, beleidigt und als charakterlos tituliert werden darf.
      Hallo die Runde,

      zurück zum eigentlichen Thema und damit ulkigerweise wieder zu einem Halbleiterproblem.

      Der linke Phonovorverstärker arbeitet nicht, beim ersten Einschalten nach der Endstufenüberarbeitung stand das Gerät Phono, es waren Grummelgeräusche und Rascheln zu hören, dann plötzlich Stille.
      Die erste Stufe ist es nicht, denn dann liefe Phono2.
      Also hab ich mir die Gleichspannungen der folgenden Stufen angesehen.



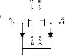
      Alles unauffällig BIS auf die Tatsache, dass an den Pins 3 und 5 des IC103 nicht -0,06 sondern knapp 20V plus stehen. Die Vorwiderstände von der -31V Spannung rösten daher natürlich vor sich hin. Defekte an den TR101, 103, 105 und 107 sind messtechnisch nicht auszumachen. Zwischen Pin 3 und 7 des IC ist ein Innenwiderstand von 20 Ohm - fast Kurzschluss.

      Dieses IC103 (und IC104) ist im Schaltbild gar nicht bezeichnet. Seine Aufschrift ist "Y-K100", eine Yamaha Nummer für das baugleiche "2SK100" einen Differenzialverstärker mit 2 JFEts, für das ich noch kein Datenblatt gefunden habe. Lieferbar ist es so gut wie nicht.
      Da gilt es wohl, einen Ersatztyp zu finden. In einem asiatischen Forum wird das 2SK389 genannt, anderes Gehäuse, nicht pinkompatibel, auch schon nur noch zu Samnmlerpreisen zu bekommen.
      Achim

      Dieser Beitrag wurde bereits 1 mal editiert, zuletzt von „nightbear“ ()

      Herrlich, das sind Herausforderungen.
      Darin sind imho zusammen diffundierte V-FET, heute praktisch nicht mehr bekannt und verbreitet, war das um 1980 herum der letzte Schrei, Siemens hatte da auch die Nase weit vorgestreckt. Die letzten mir bekannten Typen dieser Art nutzte ich Mitte der Achziger in vierquadranten-gesteuerten NF-Stellern, die Abschnürung war so ideal das im cut-off kaum Verzerrungen das zu steuernden Signals auftraten, also elektronische Pegelvoreinsteller in verstärkern usw.
      Abgelöst wurden sie durch EEPOTs (völlig irrelevante Nebeninformation, die mir aber dennoch Spaß über die Erinnerungsauffrischung bereitet)

      Speziell daran ist die v-förmige Auslegung im Abschnürbereich die niedrigste On, höchste Off Äquivalenzimpedanzen bei hoher Linearität bereitstellen konnten und durch die extrem schmale Übergangszone wenig Rauschen generieren.
      Mein goldenes Buch über V-FET beinhaltet diese speziellen Chips nicht, weil sie integriert sind.
      Ersetzungsversuche mit BD512/522 V-CMOSFET werden wohl an Beschaffungsproblemen scheitern, die sind seit den Achzigern abgekündigt.
      Gruß Jogi,
      der im Forum von jedem dahergelaufenen Neuling verspottet, beleidigt und als charakterlos tituliert werden darf.
      Hallo Achim,

      im Netz wird für den Ersatz des 2SK100 dieser Vorschlag gemacht:

      diyaudio.com/forums/solid-stat…cement-yamaha-2sk100.html
      "2SK389, if you can find them, or a matched pair of 2SK170, high BL grade or V grade, will do."

      Der 2SK389 (den Vorschlag hattest Du ja auch schon gefunden) schwirrt für 11-12 € (CN/HK) oder 30-40€ (EU) in der Bucht.
      Er soll nach seinen Daten ein geeigneter 2SK100 Ersatz sein, würde aber eine Adapterplatte benötigen.
      Zitat:
      "I have once measured the four 2sk100, labeled Y-K100, of an Yamaha A1 and the Yfs is in the range of 25 mS, IDss about 10mA to 15mA. Therefore I think 2SK389, if you can find them, or a matched pair of 2SK170, high BL grade or V grade, will do nicely."

      Der 2SK150 soll auch ein möglicher Ersatz sein, hat offenbar das gleiche Pin-out wie der 2SK100.
      datasheetspdf.com/pdf-file/903390/ETC/2SK150/1

      NEC µPA68H soll dem 2SK100 schaltungsmässig "ähnlich" sein, hat aber andere Daten. Der ist in der Bucht für 8€ von "KleineDiode" aus UK zu bekommen.
      4donline.ihs.com/images/VipMas…6E3902B6ED9A73243A3159BB0
      Der 2SK100 ist ein 7-pin Typ, da wird wahrscheinlich das Datenblatt des NEC UPA68H die zutreffende Schaltung mit den beiden zusätzlichen Dioden zeigen. PIN 4 ist beim CA-1010 aber nicht angeschlossen. Die beiden Dioden braucht es deshalb nicht.




      Es käme auf einen Versuch an. Allerdings, auch wenn es funktionieren würde, glaube ich, wir würden uns damit nicht 100% wohlfühlen.

      Es scheint es läuft auf die Lösung mit dem gematchten und thermisch gekoppelten Paar 2SK170 hinaus. Die ist wenigstens schon erfolgreich als 2SK100 Ersatz getestet.
      Hier gibt es eine Umbauempfehlung mit Hinweis zum JFET-Matchen in Schwedisch (übersetzt nach Englisch):
      faktiskt.io/phpBB3/viewtopic.php?f=19&t=64335&full=1

      faktiskt.io/phpBB3/download/fi…0e08fa87f492efa72e04386fd


      "I would replace them with (2) 2SK117 (hier: 2SK170) JFETs. You will have to match them. You can just match them for Idss.

      Make a fixture using an electronics proto board where you can plug the components into sockets.
      Put a 1K resistor in series with the drain of the JFET, and tie the gate and source to ground.
      Apply 12V to the free end of the resistor and measure the voltage drop across the resistor. That voltage is the Idss in mA. Use antistatic precautions when handling the JFETs and do not plug the FETs in with the power supply turned on. In fact, don't switch the power supply on, but ramp it up to 12V. Switching the supply on can generate spikes that kill the FET.
      Been there, done that. Try to match them within 1mA.
      If you want to go crazy you can put a 10K pot from the supply to ground, with the wiper in series with a 1K resistor on the gate, and match the fets for pinchoff voltage, the voltage where the drain current drops to a point where it reaches a minimum value.
      When you solder the FETs in, solder S, then D then G."


      Gruß
      Reinhard

      Dieser Beitrag wurde bereits 21 mal editiert, zuletzt von „oldiefan“ ()

      Hallo Reinhard,

      herzlichen Dank für die erschöpfende Recherche zum 2SK100. Wer in Zukunft hierauf stößt, findet jede Menge zielführende Informationen zum Ersatz.
      Ich hatte den 2SK100 gestern ausgebaut und mit meinem Transistortester überprüft - der zeigte 2 mal JFET ohne Befund, alles prima. Der niedrige Übergangswiderstand zwischen Pin 1 und 7 war auch nicht mehr messbar. Pin 4 ("Substrat") ist beim Yamaha übrigens belegt, der liegt mit Pin 3 und 5 zusammen.
      Als nächstes habe ich sicherheitshalber alle 4 2SA673A ersetzt, damit es in Zukunft keinen Ärger gibt. Ebenso die beiden "Thermistor"dioden auf dem Board. R177 war durch die ständige Überlastung rissig, R175 stark verfärbt. Daher wurden die Widerstände in der Beschaltung des IC103 auch ersetzt.
      Dann, weil das IC plötzlich ohne Befund war, habe ich der Rehe nach alle 7 Transistoren in diesem Schaltungsteil ausgebaut und getestet (außer den beiden Ersetzten). Alle in Ordnung, bis auf den letzten in der Reihe, den TR113!
      Er hat auf allen Strecken 20 Ohm.
      Nun ist der 2SA872A Stromverstärkungsklasse "E" heute nicht mehr so gebräuchlich. Er "hann" 120V, hier ist die Ub aber nur +-31V. Daher habe ich ihn, zumindest vorübergehend, durch einen BC556B ersetzt. Der ist mit 65V etwas knapp, was aber nur im Fehlerfall relevant sein sollte, denn im Betrieb ist die Uce nur 30V. Sein hfe ist mit 240 kleiner ale die E-Klasse des 2SA872A (mit 400 - 800) aber seien wir mal großzügi.)
      Nach dem Wiedereinbau des EIngangsboards liefen beide Kanäle bei Phono wieder einwandfrei.

      Nächste Baustelle:
      Schon vor Beginn dieser Endstufenreparatur war mir aufgefallen, dass der rechte Kühlkörper immer deutlich wärmer wird als der linke. Ich vermutete eine nicht mehr korrekte Ruhestromeinstellung oder eben die gealterten Transistoren, was sich nach der Revision jetzt aber klären müsste.
      Heute habe ich nun auch die rechte Endstufe exakt so überarbeitet wie die linke. Das ist alles sehr schön geworden.
      Nach dem Einbau wurden die Ruheströme für Class A und Class B richtig eingestellt und siehe da, der linke Kühlkörper bleibt wiederum deutlich kühler!
      Nehmen wir das Beispiel Class A. Es wird über die Testpunkte TP1 und 2 ein Spannungsfall von 280 mV eingestellt. Damit sieht man natürlich nur den Spannungsfall über einem Emitterwiderstand eines Endstufentransistors von Vier.
      Also habe ich mir die Spannungsfälle über den anderen Emitterwiderständen angeschaut.
      An TR320 (Messpunkte) = 280mV
      an TR318 = 0mV
      an TR321 = 146 mV
      an TR319 = 146 mV
      Man erkennt gleich, dass man so den Ruhestrom systematisch zu niedrig einstellt, da sich der Strom in der "positiven" Endstufenhälfte nicht aufteilt und damit nicht halbiert. Und hier wird dann zuviel gemessen.
      Weiter zeigte sich, dass TR318 keine Basisspannung bekommt.
      So fehlt nicht nur die Verlustleistung des einen Transistors, sondern durch das systematische zu niedrig Einstellen des Ruhestroms durch den Fehler auch noch die Hälfte der Verlustleistung von 2 weiteren Transistoren in der "negativen" Hälfte. Kein Wunder, dass der Kühlkörper deutlich weniger warm wird.
      Ich werde die linke Endstufe wohl nochmals ausbauen müssen und den Basiswiderstand sowie den Transistor selbst prüfen müssen.
      Man sieht hier wieder: Es gibt keine 100% funktionierenden Geräte, nur unzureichend untersuchte. Wer weiß wie lange die Endstufe schon auf drei Zylindern läuft
      Achim

      Dieser Beitrag wurde bereits 5 mal editiert, zuletzt von „nightbear“ ()

      Hi Achim,

      na prima --- in meiner Schachtel mit "Halbleiter Japan" fanden sich dann noch 4 Stück 2SK389, aber keiner mehr vom Typ 2SK100. Zum Glück brauchst Du den ja auch nicht mehr. Vermutlich habe ich dann damals auch die oben schon erwähnte Ersatzlösung probiert ... oder, weil noch 4 da sind, es war so wie bei Dir, und die waren gar nicht kaputt. Kann mich leider nicht mehr erinnern.

      Besten Gruss,

      Michael
      Hallo Michael,

      ich bin froh, jetzt um die Suche nach einer passenden Ersatzlösung für dieses IC herumzukommen. Dennoch Danke für´s Nachschauen.

      Der Endstufenfehler ist jetzt auch gefunden.



      Am TR318 fand sich ein kaum zu erkennender Haarriss, in etwa entlang der roten Linie. Hier ist die TO3 Steckfassung eingelötet und von oben mit dem Transistor verschraubt. Hier könnten mechanische Spannungen bestanden haben, die über die Jahrzehnte das Material ermüdet haben. Es könnte letztlich bei einer der Demontagen aufgebrochen sein, denn auch wenn die Lötösen freigelötet sind muß die Platine meist mit sanfter Gewalt getrennt werden, da dae Kollektorkontakt extrem starr ist.
      Ich kam darauf, als ich von der Bestückungsseite aus die Verbindung vom 4,7 Ohm Basiswiderstand zum Basisanschluss gemessen habe und immer ein Widerstand von ca. 1 Ohm bestand.
      In eingebautem Zustand war die Bruchstelle wahrscheinlich offen. Hätte ich in einem höheren Ohmbereich gemessen, wäre es gar nicht aufgefallen.

      Jedenfalls habe ich die betroffenen Leiterbahnen mit Schaltdraht verstärkt, alles wieder(!) eingebaut, worauf sich die Ruheströme nach dem Einstellen brav in gleicher Höhe auf alle 4 Transistoren verteilten. Beide Kühlkörper werden jetzt wieder gleich warm bzw. im Class A Betrieb gleich heißßßß.
      Puh - was für ein Theater.
      Achim
      Ja, das ist letztlich immer ein Grund, warum mir Endstufen in Class A suspekt sind ... die Thermik. Ich habe eine selbstaufgebaute Doppel-Mono-Endstufe "Trimodal" (nach Douglas Self), die man umschalten kann. Und trotz recht geringer Leistung (20 W) und wirklich grosser Kühlkörper wird die in A so heiss, dass ich die Bewegungen der Platine fast sehen kann. Da sie auch ausserhalb des A-Modus sehr gut spielt, wird die Heizung selten angeworfen ...

      Besten Gruss,

      Michael

      nightbear schrieb:

      Es gibt keine 100% funktionierenden Geräte, nur unzureichend untersuchte


      Hallo Achim,

      ich hoffe doch sehr, dass es nicht immer stimmt. Aber bei alten Geräten ab einer bestimmten Komplexität ist es wohl so.

      Es freut mich, dass der Doppel-JFET doch ok war und Du so schnell den eigentlichen Fehler finden konntest. Es scheint, dass die relativ höhere Betriebstemperatur im Inneren dieses Verstärkers im Laufe der Zeit Folgen hinterlassen hat und der Renovierungsaufwand entsprechend groß ist. Der Haarriss war sicher auch nicht schnell zu sehen. Auch über die Ruhestromeinstellung macht man sich gewöhnlich keinen Kopf. Einstellen - fertig. Dass sich solche Tücken dort verbergen können, kann man ja nicht ahnen.

      Aber Du wirst wohl jetzt alle Wehwehchen kuriert haben und dann ist er bereit für die nächsten 10 oder 20 Jahre, hoffentlich fehlerfrei. Yamaha hatte ja damals solide Bauqualität.

      Gruß
      Reinhard
      Man sieht hier wieder: Es gibt keine 100% funktionierenden Geräte, nur unzureichend untersuchte. Wer weiß wie lange die Endstufe schon auf drei Zylindern läuft


      Das sagte mein alter Hausarzt auch immer, wenn ich Einwände gegen die Verschwendung meiner Zeit erfunden habe.
      Nun weilt er schon lange nicht mehr unter uns und ich bin noch immer da, auch wenn es vorne pfeift und hinten klappert.
      Völlig Fehlerfreie Geräte sind langweilig, keines Blickes wert und nur was für Heuler und Jammerer.

      Mein Tip, mal kurz mit dem Schraubendreher über die Leiterplatten und sich freuen das es wieder etwas zu tun gibt.

      (Mein Gott ich höre schon den Shitstorm am Horizont heran brausen)
      Gruß Jogi,
      der im Forum von jedem dahergelaufenen Neuling verspottet, beleidigt und als charakterlos tituliert werden darf.
    • Benutzer online 10

      10 Besucher