2 Probleme mit Saba Continental 410US

      2 Probleme mit Saba Continental 410US

      Saba Continental 410US (Export-version des Freiburg 14 Vollautomatic (beide von 1963))
      Ich hatte mein erstes 410US hier restauriert: radio-antiks.com/IndexRadio-Antiks_Saba_410US.htm
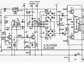
      Die Schaltung ist hier: radiomuseum.org/r/saba_saba_continental_410us.html , der Dekoder ist hier: radiomuseum.org/r/saba_multiplex_decoder_14.html . 2 Probleme konnte ich bis jetzt fuer mein zweites 410US nicht loesen: 1. Der E14 Stereo Dekoder arbeitet, die zugehoerige Anzeigeroehre EM87 zeigt jedoch keinen Ausschlag. 2. Die Interstationsrauschunterdrueckung funktioniert nach ein paar Sekunden nach Einschalten nicht mehr.
      Zu 1.: Alle beruechtigten AF 117/118 wurden erfolgreich repariert (Whisker), zeitweiser Ersatz durch AF126 aenderte nichts, 4 kritische Elkos wurden ersetzt. Die Ausgangssignale an MPX1 und MPX9 sind vorhanden, das 38kHz signal ueber C21 fehlt jedoch, sodass MPX7 auf nur -0.4 liegt. Ein schwaches 19kHz signal (Vss=0.5V) ist am Kollektor von T2 und auch ueber C7 vorhanden, jedoch kein 38kHz signal mehr an pin MPX8, der auf +2.5V liegt. Die beiden AA119 Verdopplerdioden Gr1 und Gr2 sowie L2 (31 Ohm) und L3 (2x20 Ohm) sind ok. T3 hat somit kein Eingangssignal und der nachfolgende Diodenschalter funktioniert nicht. Mir scheint, dass ich an MPX8 einen negativen Bias haben sollte, um GR1 und GR2 zu oeffnen. Aber woher soll dieser Bias kommen? MPX8 liegt ueber R314 auch an Gitter 9 der EBF89, mit welchem Zweck?
      Kann mir jemand sagen, was ich quantitativ an Kollektor T2, MPX8 und MPX7 vorfinden sollte (Gleich- und Wechselspannung)?
      Zu 2.: Die Stummschaltung soll die beiden EF86 sperren. Welche Spannung sollte ich an der Verbindungsstelle von R415 und R515 haben?
      Den Beitrag radiomuseum.org/forum/saba_a_freiburg_studio2.html habe ich ausfuehrlich studiert, aber meine Fragen sind noch unbeantwortet. Ich waere sehr erleichtert diese beiden Probleme geloest zu finden. Vielen Dank

      Dieser Beitrag wurde bereits 1 mal editiert, zuletzt von „chriswch“ ()

      Ich danke decoder (Hans) fuer seine Empfehlung, mich erstens kurz vorzustellen, und zweitens die Diskussion ueber dieses Thema oeffentlich zu fuehren. Hier ist die Vorstellung: Kris aus Kanada und hier die Fortsetzung des Themas: decoder schlaegt vor, Pin 8 des Dekoders E14 freizulegen und wieder zu berichten. Die Spannung an Pin 8 des Novalsteckers geht von ca +2V auf ca +15V hoch. Ich war zuvor auch seiner Empfehlung gefolgt, versuchshalber pin 1 der EM87 ueber 100kOhm mit F (-8.6V) zu verbinden. Dies bringt die EM87 zu korrektem Ausschlag. Ich habe auch noch einmal die 2 Dioden GR1 und GR2 geprueft, sie sind ok. Vielen Dank an alle, die dieses Thema verfolgen.
      Platzhalter fuer einen Kommentar. zu:
      2 Probleme mit Saba Continental 410US
      Post #1
      Hallo Kris und Freunde.

      Kris lebt in CANADA und pflegt dort unter Anderem auch SABA Modelle, wobei er sein Wissen öffentlich weitergibt.

      Nachdem keiner, auch ich nicht, auf seine Fragen hier reagiert haben, hat er via Mail angefragt ob ich ihm was raten kann. Meine Tätigkeit im RMorg. hat ihn dazu veranlasst.

      Ich habe ihm erklärt, dass ich und eventuell auch andere, nicht einer anonymen „Anzeigetafel“ antworten wollen, mit einem persönlichen Kontakt wohl, um das Ergebnis dann auch an dieser
      „Anzeigetafel“ das SABA Forum für Alle darstellen.

      Kris hat nun seine Unkenntnis beseitigt, sich hier im Forum vorgestellt und den Beitrag Continental 14 jetzt namentlich gestartet.

      Die Fragen :
      Die Ausgangssignale an MPX1 und MPX9 sind vorhanden, das 38kHz signal ueber C21 fehlt jedoch, sodass MPX7 auf nur -0.4 liegt. Ein schwaches 19kHz signal (Vss=0.5V) ist am Kollektor von T2 und auch ueber C7 vorhanden, jedoch kein 38kHz signal mehr an pin MPX8, der auf +2.5V liegt.

      Habe ich via Mail einstweilig beantwortet.

      Wenn er das ausgeführt hat, das Ergebnis hier bekannt macht und es auch szutrift, werde ich das im Detail zum drittenmal im FORUM erklären.
      Dabei wird auch das,
      MPX8 liegt ueber R314 auch an Gitter 9 der EBF89, mit welchem Zweck?
      mit erwähnt.

      Im Prinzip steht das schon zweimal im SABA Forum
      Anlage und hier
      Seite (1) und 2 bis 3
      Stereo-Dekoder E1

      Stumm: Zu 2.: Die Stummschaltung soll die beiden EF86 sperren. Welche Spannung sollte ich an der Verbindungsstelle von R415 und R515 haben?Am Verbindungspunkt R41/417 sollen im Betrieb –1,4Volt DC und bei Suchlauf (stumm) –7,4 Volt DC anliegen.Das sollte genügen.
      Dateien

      Dieser Beitrag wurde bereits 13 mal editiert, zuletzt von „decoder“ ()

      Lieber Hans
      Vielen Dank fuer Ihre Antwort. Ich glaube, nun alle relevanten Forumsbeitraege gelesen zu haben, einschliesslich der von Ihnen unten genannten Artikel. Wie ich Ihnen schon geschrieben hatte, gleicht mein Fall am meisten dem von Herrn Carl Clauss beschriebenen (radiomuseum.org/forum/saba_a_freiburg_studio2.html; fehlendes 38kHz Signal, vorgefundene Spannungswerte an MPX7 und MPX8, gleicher Fehler nach Unterbrechung von MPX8). Nachdem sich die Schuldigsprechung von C14 als ein "Schuss ins Ofenrohr" erwiesen hatte, ist das Geraet schliesslich offenbar von Ihnen repariert worden. Leider habe ich nicht verstanden, was nun eigentlich die Ursache des Fehlers war und wie Sie sie behoben haben. Das andere von Ihnen kommentierte und reparierte Radio war ein FB Studio A mit E14 Dekoder von Otto, das neben zwei weiteren Radios von Volker und Dieter im Beitrag Stereo-Dekoder E1 behandelt wurde. Hier waren offenbar defekte AF117/118 Transistoren die Hauptursache. In meinem Fall habe ich alle relevanten Komponenten (Transistoren, Dioden, Widerstaende, Kondensatoren, Spulen) getestet und fuer akzeptabel erachtet. In Gegensatz zu Ottos's Radio erweckt bei mir das Abloeten von MPX8 die Stereo-Anzeige nicht zum Leben. Auch die Verdopplung von R315 auf 4.5MOhm bringt keine Aenderung. MPX8 bleibt mit +2 bis 2.5V zu positiv. Nach Lesen auch von saba-forum.dl2jas.com/index.ph…541-Final-Decoder-V2-pdf/ stelle ich fest, dass mein Grips wohl nur fuer das Lesen der Tages-Zeitung ausreicht. Ich habe nicht verstanden, warum einige von Ihren Kunden pin MPX8 einfach abgeloetet haben und nun zufrieden sind. Bei mir bringt das nichts. Koennte es sein, dass die Signale aller UKW-sender in meiner Gegend (Lower Mainland, 100km oestlich von Vancouver) einfach zu schwach sind? Das 19kHz Signal an Kollektor T2 ist wie gesagt nur ca 0.5Vss.
      Was die Stummschaltung durch Sperrung der beiden EF86 betrifft, ist es tatsaechlich so, dass sich bei Druecken einer der Langsam-tasten die Basen der beiden EF86 nach einer Weile auf nur -1.8V (statt -7.4V) einstellen. Gehe ich richtig in der Annahme, dass bei Schnelllauf keine Stummschaltung stattfinden soll?
      Nochmals meinen grossen Dank fuer Ihre unersetzliche Hilfe.
      Kris
      Hallo Kris,

      könnte es sein, dass der Elko (5µF) am Emitter von T2 defekt ist? Der Fehler war hier schon berichtet.

      Saba Freudenstadt 14 Stereo "Stereoproblem"



      Saba_DecoderE16.pdf

      Ob 0,5Vss MPX (Soll lt. SABA Schaltbild: 1,4Vss) hier für Stereo ausreichend sind, kann ich nicht sagen, Hans kann es vermutlich.

      Gruß
      Reinhard

      Dieser Beitrag wurde bereits 2 mal editiert, zuletzt von „oldiefan“ ()

      Lieber oldiefan. das war's, Hurrah und Danke. Beim E14 ist dieser Kondensator C6. Ich habe ihn z.Zt. gegen einen neuen 25uF/16V ausgetauscht, und bekomme nun ein wenn auch kleines MPX8 36kHz Signal und eine Stereo Anzeige bei einigen Sendern. Die beiden Enden von C21 haben nun auch ein 38kHz Signal, allerdings nur ~6Vss (statt 18Vss), und der EM87 Balken schliesst sich teilweise, aber nie ganz. Mir war dieser Elko unverdaechtig, da er nicht zu der schwarzen Sorte gehoert, die ich alle ersetzt hatte. Auch testet er exakt 5uF auf dem C-tester und hat keine messbaren Leaks auf Widerstandsbereich 200MOhm. Nun muss ich versuchen, das 38kHz Signal etwas aufzupolieren. Soll ich die Verdopplung von R315 wiederholen? Und dann kommt das Stummschaltungsproblem dran. Zum Schluss beabsichtige ich, lediglich einen Nachabgleich des Steuerfilters durchzufuehren, da der Suchlauf etwas asymmetrisch ablaeuft (Sender, die beim Runterfahren gefunden werden, werden dies nicht alle beim Rauffahren).
      Hallo Kris und Reinhard. DECODER 14Laut SABA -Daten sollen vor dem R1 47 Kohm ein MPX Signal mit 6Vss angelegt werden.Ich halte das für falsch. Meine Norm, vor dem R1 (47k) 2,2Vss MPX (left) anlegen. Der Pilotton =19Khz hat dann einen Pegel (bei 10% = 7,5KHz anteiligem Hub) von 150mV eff.Damit liefern Typen 1 und 14 brauchbare Werte, aber nicht die Daten im Schaltbild vom EINSATZ 14, allen Pins.
      hans

      Bild "
      oben, MPX links only, mit 19KHz (bei 7,5KHz Hub)
      unten, am Ausgang 1Khz decodiert links,

      Bilder
      • LoderR_mit 19.jpg

        20,29 kB, 390×357, 19 mal angesehen
      Dateien

      Dieser Beitrag wurde bereits 4 mal editiert, zuletzt von „decoder“ ()

      Hallo Kris,

      Betreff Stummschaltung EF86: gehe ich recht der Annahme das beide NF-Kanäle an g1 der beiden EF86 während der Sendersuche nur -1,8V anstatt -7,4V erhalten?
      Sollte dem so sein, gilt es in erster Linie die zuständigen Schaltkontakte der Steuerschalters zu prüfen, oft sind die Kontakte stark korridiert. In zweiter Linie den Strompfad vom Steuerschalter bis zum g1 der beiden EF86. Hier befinden sich einige in Serie geschaltenen Widerstände. Ausganspunkt sind die 17,5V~ Wechselspannung an Punkt B, diese gelangt über R 729 (10K) an die beiden Schließerkontakte im Steuerschalter weiter zum Punkt H, von dort über R 604 (820K) und P 601 (500k) an Punkt J. Die Nachfolgenden Siebglieder (R 415 C406 R416) sowie ( R 515 C509 R 516) sind zu vernachlässigen wenn sich an beiden EF86 an g1 die gleiche Spannung einstellt, wäre sehr unwahrscheilich das beide Siebglieder den gleichen defekt hätten. Zu prüfen wären die Schaltkontakte (Steuerschalter) die Widerstände R 729, R604, un P 601

      Nachtrag: das gilt sowohl für Suchlauf als auch für Schnelllauf, lediglich im Schnelllauf wird R 726 (220K) kurzgeschlossen und der Bremswiderstand R 723 (18K) wirkungslos.
      Nur wer gegen den Strom schwimmt gelangt zur Quelle, tote Fische schwimmen mit dem Strom!

      Gruß "Plastik" Franz

      Dieser Beitrag wurde bereits 1 mal editiert, zuletzt von „Lollocat“ ()

      Hallo Hans, Kris,

      ich hatte oben das Servicemanual für den SABA Decoder 14 und 16 verlinkt. Darauf bezog ich mich, als ich schrieb, MPX lt. Saba 1,4Vss. Diese 1,4Vss sind vor dem R1 (47kOhm).
      Hier eine besser lesbare Kopie des Schaltbilds:





      Hans, Deine 2,2Vss MPX ist der praxisnahe Wert für einwandfreies Stereo, Dein Anhang zeigt es (Geräuschspannungsabstand 60dB).

      Davon abgesehen...mit den Saba-Messbedingungen:
      Mit 1,4Vss MPX und 150mVeff Pilot sollen lt. Schaltbild 17Vss 38kHz an R21 anliegen. Kris, bei Dir sind es 6V, also 35% - das passt, denn Dein MPX ist ja nur 0,5Vss, ebenfalls 35% vom Saba Wert 1,4Vss. Der 38kHz Pegel ist also jetzt korrekt und amit auch die Steuerspannung für die Stereoanzeige. Der Decoder sollte damit einwandfrei arbeiten können und tut es jetzt wohl auch.

      Ich frage mich, ob die Stereosender zu schwach reinkommen (so dass nur 0,5Vss MPX) oder ob es (noch) einen anderen Grund gibt (im HF- oder ZF-Bereich), der dazu führt. dass der MPX Pegel nur 0,5Vss ist. Kris, Du müsstest das mit einem anderen Stereo-Radio feststellen können, ob Du unter Deinen Empfangsbedingungen eigentlich guten Stereo-Empfang mit dem Saba haben solltest oder ob prinzipiell der Empfang bei Dir für rauschfreies Stereo bei ähnlichen Empfängern nicht gut genug ist. Oder mit einem stereo-fähigen Prüfsender, wenn Du hast.

      Saba Service:
      Bei 100µV HF-Eingangsspannung (Antenneneingang), Stereo, soll (bei Saba Röhrengeräte der Serie 16) das magische Band der Stereo-Anzeige gerade voll ausgesteuert sein. Trifft das für Freiburg 14 auch zu? Mglw. nicht.

      Gruß
      Reinhard

      Dieser Beitrag wurde bereits 4 mal editiert, zuletzt von „oldiefan“ ()

      Lieber Reinhard.
      Du zeigt eine Nachentwicklung 14/16 oder 1/16 das sind Decoder auf der Basis des 16er
      Der hat mehr Gain, daher nur 1,4,Vss.
      Kris hat den Einsatz 14, mit AF117 und AF118, dort sagt SABA 6,6Vss vor dem 47Kohm
      Das ist nicht die Praxis.
      Daher meine 2,2 Vss MPX und 154mV von 19Khz.
      hans
      Nachtrag von früher im FORUM
      Dateien

      Dieser Beitrag wurde bereits 4 mal editiert, zuletzt von „decoder“ ()

      Hallo Hans, Reinhard und Franz
      erst heute bin ich dazu gekommen, an dem Radio weiterzumachen. Nach Ersatz eines AF117 (er hatte ok getestet und aufgesaegt keine Whisker gezeigt) durch einen AF126, Ersatz der schwarzen Elkos und von C6, anderen Aufraeumarbeiten am E14 Dekoder sowie Verdopplung von R315 laeuft die Stereoanzeige nun vorbildlich, insbesondere fuer meine weit von starken Sendern entfernte Lage. Ich hatte bereits einen modernen PLL Dekoder gekauft, bin aber froh, dass ich nun eine analoge Stereoanzeige habe.
      Das Stummschaltproblem ist noch nicht geloest. Angehaengt ist die Spannungsverteilung, wie von Franz vorgeschlagen. Die Schaltkontakte sind gereinigt und die Versorgungsspannungen und Widerstandswerte sind ok.
      Bilder
      • Untitled-1.jpg

        26,41 kB, 699×201, 29 mal angesehen

      Dieser Beitrag wurde bereits 1 mal editiert, zuletzt von „chriswch“ ()

      Hallo Kris,

      danke für die Meldung, dass die Stereoanzeige es jetzt wieder gut tut.
      Bei der Stummschaltung kann ich leider nicht helfen, ich lasse die Finger vom Röhrenteil und kenne die Schaltungstechnik dafür nicht gut genug.

      Mit Hans, Franz und anderen röhrentechnisch kundigen Mitlesern und Kennern des Gerätetyps hast Du aber beim Stummschaltungsproblem bestmögliche professionelle Unterstützung.

      Viel Erfolg!

      Reinhard
      Vielen Dank, Reinhard, fuer Deine grosse Hilfe. Zum Stummschaltproblem ist noch folgendes zu bemerken und zu fragen:
      1. Auch die Stummschaltung mittels Fernbedienung funktioniert gleich wenig
      2. Die beiden EF86 testen hervorragend: 120 und 140 auf meinem Eico 666)
      3. Eine Nachmessung der Hochspannungen (mit Netzwaehler auf 115V~) ergibt: +1: 277V (Soll 295V), +2: 250V (Soll 275V), +3: 209V (Soll 235V), +5: 167V (Soll 190V). Sie sind zwischen 12% und 6% zu niedrig. Sollte ich deshalb vielleicht den Se Gleichrichter B250C250 durch einen Si Brueckengleichrichter (mit 1N4007 Dioden, 4 AM Rauschen unterdrueckenden Kondensatoren (22nF) und einem 3Watt Serienwiderstand von ca 40Ohm) ersetzen?
      4. Was bestimmt eigentlich den Basisstrom der beiden EF86?
      Hallo Kris,
      die -8,3V an Punkt J sind vollkommen ok, nur halt nicht die -1,8V an g1 der EF86 bei Stummschaltung. Eine Frage steht noch offen, sind an beiden EF86 an g1 nur -1,8V bei Stummschaltung zu messen ? Nach Punkt J folgen noch 2 mal 1Mohm in serie zum Gitter 1 der beiden EF86, zwischen den 2 Widerständen liegt ein Kondensator C509 (C409) gegen Masse. Diese beiden Kondensatoren haben die Aufgabe über den je vorgeschteten 1Mohm Widerstand das Gitter der EF86 langsam zu und langsam wieder aufzufahren. Irgendwo muss ja die Negativspannung nach J -8,3V eleminiert werden, daher ist es naheliegend das a die Serienwiderstände je 1 Mohm oder b der dazwischenliegende C 509(409) einen defekt haben.
      Der Arbeitspunkt der beiden EF86 wird über G -1,4V und den Serienwiderstand R 517 (417) 2,2Mohm eingestellt.
      Nur wer gegen den Strom schwimmt gelangt zur Quelle, tote Fische schwimmen mit dem Strom!

      Gruß "Plastik" Franz
      Hallo Franz, Kris,

      da ich von Röhren nichts verstehe, wollte ich mich abmelden.

      Aber nun haben Kris und Du hier die Frage gestellt, die es docheinfach mit der Stromverzweigungsregel und dem guten alten Ohm zu erschlagen ist.

      Da Du, Franz, schreibst, dass die -8,3V an J ok sind, beträgt der Strom durch R604 (nominal 820k) 7-8 µA. Diese 7,8 µA teilen sich in zwei Zweige jeweils hälftig zu ca. 3,5-4 µA auf, über R415/R416 im ersten Zweig und über R515 und R516 im zweiten Zweig. Man kann also mit den von Kris genannten Spannungsabfällen (dU) über jeden Widerstand nachrechnen, ob die Ströme wie erwartet sind., nämlich in jedem Zweig 3,5-4 µA. Und das sind sie im Rahmen einer 10%igen oder 20%igen Toleranz der Widerstände. Über die Kondensatoren fliesst nichts ab. Mit den von Kris angegebenen Spannungen sind die in Ordnung. Franz, die Spannung von -8,3 nach J wird durch die Spannungsabfälle über die 1 MOhm Widerstände bis auf -1,8V eliminiert, durch die ja der Strom von 3,5-4 µA fliesst.

      Unter der Voraussetzung dass ein Strom von 3,5-4 µA über das Gitter der EF86 realistisch ist, wäre die Spannung von -1,8V bzw. -1,9V am Gitter stimmig. Nur wenn Ihr sagt, dass über das Gitter kein oder nur ein viel niedrigerer Strom fliesst, wäre es nicht stimmig. Dann dürfte aber auch -8,3V an J nicht ok sein, es sei denn der Strom durch die 1MOhm Widerstände fliesst über R417 und R517 und dann über Punkt "G" statt über das Gitter. Im Plan des Freiburg 14 steht -1,4V /-7,4V am Gitter. Was gilt? Ist dann 25% mehr(-1,8V) wie bei Kris ein klarer Fehlerindikator?

      Der Anhang (2 Seiten) zeigt zwei Modell-Szenarien für Widerstandstoleranzen, auf dem 1. Blatt für R604 mit 950k statt 820k (+15%) und die 1MOhm Widerstände innerhalb 10%. Auf dem 2. Blatt mit R604 genau auf Nennwert, aber die 1 MOhm Widerstände mit bis zu 20% Toleranz.

      Gruß
      Reinhard
      Dateien
      • Ströme a.pdf

        (59,27 kB, 15 mal heruntergeladen, zuletzt: )

      Dieser Beitrag wurde bereits 3 mal editiert, zuletzt von „oldiefan“ ()

      Hallo zusammen,

      meiner Meinung nach ist der Gitterstrom für die dargestellte Ansteuerung (-8,4 V über 2 MOhm an G1) ungewöhnlich hoch. Nennenswerte Gitterströme entstehen doch nur, wenn das Steuergitter nicht oder nur sehr geringfügig negativer ist als die Kathode.

      Frage 1: Stimmt meine Annahme: Kathode liegt auf 0 Volt? Was sagt die Messung?

      Frage 2: Eigentlich trivial, aber zur Sicherheit: Messgerät ausreichend hochohmig für Messungen an G1? Bei 2 MOhm in Summe für die Vorwiderstände sollte das Multimeter 20 MOhm Eingangswiderstand im relevanten Spannungsbereich aufweisen.

      Viele Grüße,
      Christian
      **************************************************
      2 + 2 = 5 (für extrem große Werte von 2)
      Hallo Reinhard,
      du hast natürlich vollkommen recht, was die Aufteilung der Ströme und den Spannungsabfällen der Serienwiderstände betrifft.
      Auf Grund dessen habe ich mir ein Chassis auf den Tisch geholt und selbst an den markanten Punkten gemessen (siehe Anhang).
      Im Gegensatz zu den von Kris gemessenen Werten ist die Spannung an Punkt J viel höher als -8,3V, auf Grund dessen sollte man am Knotenpunkt J die beiden Kondensatoren C 604 (0,1µ) und C 605 (47n) unter die Lupe genommen werden.
      Bilder
      • stumm01.jpg

        26,36 kB, 699×201, 25 mal angesehen
      Nur wer gegen den Strom schwimmt gelangt zur Quelle, tote Fische schwimmen mit dem Strom!

      Gruß "Plastik" Franz
      Hallo Franz und Kris,

      ja, jetzt ist es klar, wenn Spannung an J bei Kris doch falsch ist und höher sein muss, liegt eindeutig ein Fehler des Isolationswiderstands beider Kondensatoren C409/C509 vor!

      Ich habe mal die Situation bei Euch beiden genauer analysiert. Anhang pdf, 2 Seiten.

      Kris, mit meiner Simulation finde ich, dass nicht nur die beiden von Franz schon identifizierten C409/C509 einen fehlerhaft niedrigen Isolationswiderstand (=Parallelwiderstand) von ca. 2 MOhm haben müssten, sondern auch, dass R416/R516, also die beiden 1MOhm Widerstände direkt vor dem Gitter (etwas) zu hochohmig sein müssten. Sonst erreiche ich keinen Spannungsabfall, der gross genug ist, um am Gitter auf -1,9V zu kommen. Es könnte sich bei R416/R516 um (Vitrohm?) Kohlemassewiderstände handeln. Ich rate unbedingt, diese auch zu erneuern. Danach P601 neu einstellen.

      Bei Franz komme ich auf einen Gitterstrom von 2,9 µA, bei Kris nur auf 2,1 µA. Ich denke aber, DAS hat erstmal keine Bedeutung.

      Situation Kris und Franz.pdf

      Gruss
      Reinhard

      Dieser Beitrag wurde bereits 2 mal editiert, zuletzt von „oldiefan“ ()

      Hallo zusammen,

      anbei die relevanten Schaltplanauszüge aus dem Original. Ich kann verkürzt schlecht denken. Aus meiner Sicht gibt es eine wahrscheinlichere Ursache für die geringe Spannung am Gitter als die bisher diskutierten Kondensatoren. Die folgende Theorie greift nur bei Widerständen, die einigermaßen im Zielbereich liegen.

      Bis zu den Gittern der EF86 sind die Spannungen und Ströme zwar abweichend, aber nur plausibel, wenn die Kondensatoren C409 und C509 keinen Feinschluss haben. C604 und C605 kommen meines Erachtens auch nicht in Frage, da der Strom von 7,8 µA über R604 den Knoten J über die beiden 1 Megaohmwiderstände mit je ca. 3,5 µA wieder verlässt, ein gewisser Verlust ist zwar zu verzeichnen, aber nicht so hoch, dass die geringen Spannungen zustande kommen können.

      Ich hätte einen Alternativvorschlag: Neben erhöhtem Gitterstrom gibt es den Pfad über R417 (Linker Kanal) / R517 (Rechter Kanal) zum Punkt G. Dort kann der 0,1µF C615 lecken. Das müsste sich aber auch in einem deutlich geringeren Vorspannungsbetrag an den Steuergittern der EF86 beim Nichtsuchlauf äußern. Wahrscheinlicher ist ein Leck in C411, im Koppelkondensator zum Lautstärkepoti. Merkmal dort: Eine Änderung der Potistellung müsste eine Änderung der Gittervorspannung nach sich ziehen.
      Dagegen spricht allerdings, dass beide Kanäle gleich fehlerhaft sind. Beide Koppelkondensatoren defekt? Das wäre ein seltsamer Zufall.

      Viele Grüße,
      Christian
      Bilder
      • rel_Ausschnitt.JPG

        226,73 kB, 1.557×899, 22 mal angesehen
      **************************************************
      2 + 2 = 5 (für extrem große Werte von 2)

      Dieser Beitrag wurde bereits 3 mal editiert, zuletzt von „chriss_69“ ()

    • Benutzer online 1

      1 Besucher