Hallo, liebe Forums- Mitglieder,
habe am letzten WE auf einem endlich
wieder
stattfindendem Flohmarkt obiges Gerät erstanden.
Nach einigen Eingriffen und zwischenzeitlichem guten Spielen auf
UKW, nimmt das Gerät viel zu hohen Strom auf am
Trenntrafo und Wirkleistungsmesser. MW,KW,LW tot. -->evt. später prüfen.
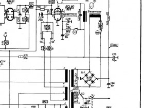
C81/82 abgelötet ( über Netzschalter), C84 (+ seitig hinter GLR Teerbombe)
getauscht. Fehler zeigte sich immer noch, Trafo wird rasch heiß.
Ach so, bis auf 2x EC92 alle Röhren gezogen. Selen GLR durch Brücken- Silizium GLR
ersetzt und Spannungsanpassung mit ausgemessener Widerstands- Reihenschaltung
angepaßt, ~ 150 Ohm.
Ich vermute Trafo durch!!
Anfangs schon Sicherung geprüft, zu hoch abgesichert,
soll 0,5 AT, ist 2AT.
Vermutlich Trafo vor geschädigt...
Nun meine Frage, was meint Ihr?
Und final, hat einer von Euch einen guten Trafo?
Ich war schon lange nicht mehr im Forum.
Ich hoffe Euch geht es gut!
Sitze seit Monaten im Home Office.
Bitte bleibt Alle gesund!
Gut das es noch das terrestrische Radio gibt.
In diesen Zeiten wird es hoffentlich Einigen bewußt
was man davon hat. Öffentlich Rechtliches Radio.
Wie schön wäre es wenn wir jetzt noch Mittelwelle
in Deutschland hätten. NWDR, SWR, AFN (hab ich unter der Bettdecke gehört),
Beromünster (CH), Radio Luxemburg (L), Hilversum (NL) (ja ich weiß Piraten Sender, auf einem Schiff!!)...
Wünsche Allen eine geruhsame Nacht.
Viele liebe Grüße
Martin
habe am letzten WE auf einem endlich
wiederstattfindendem Flohmarkt obiges Gerät erstanden.
Nach einigen Eingriffen und zwischenzeitlichem guten Spielen auf
UKW, nimmt das Gerät viel zu hohen Strom auf am
Trenntrafo und Wirkleistungsmesser. MW,KW,LW tot. -->evt. später prüfen.
C81/82 abgelötet ( über Netzschalter), C84 (+ seitig hinter GLR Teerbombe)
getauscht. Fehler zeigte sich immer noch, Trafo wird rasch heiß.
Ach so, bis auf 2x EC92 alle Röhren gezogen. Selen GLR durch Brücken- Silizium GLR
ersetzt und Spannungsanpassung mit ausgemessener Widerstands- Reihenschaltung
angepaßt, ~ 150 Ohm.
Ich vermute Trafo durch!!
Anfangs schon Sicherung geprüft, zu hoch abgesichert,
soll 0,5 AT, ist 2AT.
Vermutlich Trafo vor geschädigt...
Nun meine Frage, was meint Ihr?
Und final, hat einer von Euch einen guten Trafo?
Ich war schon lange nicht mehr im Forum.
Ich hoffe Euch geht es gut!
Sitze seit Monaten im Home Office.
Bitte bleibt Alle gesund!
Gut das es noch das terrestrische Radio gibt.
In diesen Zeiten wird es hoffentlich Einigen bewußt
was man davon hat. Öffentlich Rechtliches Radio.
Wie schön wäre es wenn wir jetzt noch Mittelwelle
in Deutschland hätten. NWDR, SWR, AFN (hab ich unter der Bettdecke gehört),
Beromünster (CH), Radio Luxemburg (L), Hilversum (NL) (ja ich weiß Piraten Sender, auf einem Schiff!!)...
Wünsche Allen eine geruhsame Nacht.
Viele liebe Grüße
Martin
