Saba CS 2000 Netzteilplatine 500 mA Sicherung
-
-
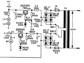
Nach Schaltplan hat das CS 2000 zwei Sicherungen sekundärseitig am Trafo.
Si 1 hat 1A und sichert die 31V - Versorgung ab
Si 2 hat 800 mA und sichert Motoren und deren Steuerung ab.
Dieser Beitrag wurde bereits 1 mal editiert, zuletzt von „oldiefan“ ()
-
-
Bei bessern Geräten war das durchaus üblich.
AndreasWas bedeutet DL2JAS? Amateurfunk, www.dl2jas.com -
-
-
-
Also die 500 MA Sicherung bleibt heil wenn man sie auf dem Steckplatz 500 mA Träge reinsteckt .
Wenn man umgekehrt aber die 500 mA Sicherung auf dem 800 mA Steckplatz reinsteckt dann brennt sie sofort durch .
Die Tastatur geht aber wenn man die Tasten drückt dann schaltet das Tape sofort ab,.etwas blockiert
Die Beleuchrung geht auch nicht .
-
-
-
-
Wie ich schon schrieb, es hilft nur Systematik.
Da muß man gezielt suchen und eins über das andere ausschließen.
Solche Laufwerke machen die Rastung über Klinken die entweder mechanisch oder elektromagnetisch gehalten werden.
Wenn die Tasten sich also normal in ihrer Betätigungsposition bewegen lassen, also gerade nicht blockieren, dann kann die Kommutierung oder der Rastmechanismus daran schuld sein.
Die Kommutierung sieht man hier im Forum in Threads über dieses Deck, man kann daraus Vergleiche und Rückschlüsse ziehen.
Es ist nicht zuviel verlangt sich da selber nach umzusehen.
Ist bspw. der Riemen zum Kommuntator abgerissen, dann kann es nicht gehen.
Das ist einfach zu kontrollieren, wo hingegen Ablauffehler, Defekte, Elektronikprobleme damit Fachkenntnis erfordern.Gruß Jogi,
der im Forum von jedem dahergelaufenen Neuling verspottet, beleidigt und als charakterlos tituliert werden darf. -
Also brennt die 800 mA Sicherung durch? Da gehören andere Sicherungswerte rein (nach Schaltplan):
Si 1 = 1A
Si 2 = 800 mA
Dieser Beitrag wurde bereits 2 mal editiert, zuletzt von „oldiefan“ ()
-
Jogi schrieb:
Wie ich schon schrieb, es hilft nur Systematik.
Da muß man gezielt suchen und eins über das andere ausschließen.
Solche Laufwerke machen die Rastung über Klinken die entweder mechanisch oder elektromagnetisch gehalten werden.
Wenn die Tasten sich also normal in ihrer Betätigungsposition bewegen lassen, also gerade nicht blockieren, dann kann die Kommutierung oder der Rastmechanismus daran schuld sein.
Die Kommutierung sieht man hier im Forum in Threads über dieses Deck, man kann daraus Vergleiche und Rückschlüsse ziehen.
Es ist nicht zuviel verlangt sich da selber nach umzusehen.
Ist bspw. der Riemen zum Kommuntator abgerissen, dann kann es nicht gehen.
Das ist einfach zu kontrollieren, wo hingegen Ablauffehler, Defekte, Elektronikprobleme damit Fachkenntnis erfordern.
Es ist nicht zu viel verlangt auf Fragen zu Antworten .Es geht darum falls das dem Schreiber nicht überfordert eine Frage zu stellen ob das ein bekannter Fehler ist und ob es hier Leute gibt die bereits so ein ähnliches Problem schon einmal hatten bzw haben und wie sie den Fehler gelöst haben es ist normal die Frage zu stellen ob jemand die Frage beantworten kann welche Aufgabe zb von Feinsicherungen haben ich hoffe das der Schreiber deshalb nicht überfordert wird wenn man hier eine Frage stellt.
Es wurde auch nicht beschrieben das der Riemen gerissen ist.auch das wurde nicht beschrieben.
Dieser Beitrag wurde bereits 1 mal editiert, zuletzt von „Bayernposter“ ()
-
Eine systematische Suche wurde bereits durchgeführt und bisher ist es nicht zu erkennen woran der Fehler liegen kann weil bisher optisch ein Fehler nicht zu erkennen ist .Es gibt bzw.es kommt vor das es ein bekannter Fehler vorliegt .Deshalb habe ich die anfrage gestellt ob das ein bekannter Fehler ist .Die Riemen sind tadellos, sie haben keinen Abrieb.Es geht daher um die Grundsatzfrage ob die Motorsteuerung einen Defekt hat ?? Da auch keine Reaktion erfolgt wenn die Feinsicherung raus oder reingesteckt wird.Auch die Kontaktgeber funktionieren egal mit oder ohne Kassette.Nur etwas sperrt sich .
-
Mein lieber Bayernposter!
Hier wird auch Laien geholfen.
Deine Beiträge machen auf mich einen verwirrenden Eindruck.
Kannst Du mit einem Multimeter umgehen?
Im gezeigten Schaltplanausschnitt sind Spannungen angegeben.
Man kann auch mal aussagekräftige Bilder vom Gerät machen.
Das wären z.B. Laufwerk und der Bereich Netzteil.
Andreas, AdminWas bedeutet DL2JAS? Amateurfunk, www.dl2jas.com -
Gerne Allerdings ist der Sachverhalt einfach zu erklären damit auch der Laie und der Profi es verstehen kann
Wenn ich das Kassettendeck einschalte bleiben die V-UMeter Anzeigen dunkel
Das Kassettendeck lässt sich einschalten
Die Andruckrolle läuft so bald man das Kassettendeck einschaltet.
Man kann die Tasten drücken die Tasten rasten ein Start , oder Rücklauf oder Vorlauf kann gedrückt werden aber die Tasten springen gleich wieder raus.
Ich habe deshalb geprüft woher der Fehler herkommt.
Das Netzteil hat eine eigene Platine ,die habe ich abgeschraubt .
Dort befinden sich 2 Fein-Sicherungen eine 500 mA Träge und eine 800 mA Träge
die 500 mA aber zeigt keine Reaktion.Ich habe die 500 mA Feinsicherung ausgetauscht
Daher habe ich gefragt was für eine Funktion hat diese 500 mA Sicherung ?
Ich habe die 500 mA Sicherung gewechselt.Das Resultat bleibt gleich .
Daher habe ich gefragt kann der Fehler am Netzteil liegen oder ist ein Kurzschluß auf der Platine ??
Also der Motor läuft .Aber das Laufwerk zeigt keine Beschädigungen.
Auch die Riemen sind nicht ausgeleiert.
Aber wenn ich mit einer Batterie an die Leuchtdioden rangehe leuchten diese auf ,trotzdem bleiben sie sonst dunkel .
Ein Multimeter habe ich nicht
-
Da kann ich Andreas nur beipflichten.
es gibt hier keine generellen Ressentiments,
es gibt notwendigerweise Schulterzucken bei Nichtklarlegung des Wissenstandes.
Oder kurz ausgedrückt, wir helfen hier gerne aber wir sind nicht dazu da Würmer aus Nasen zu ziehen.
Die Kommutierung hast du bestimmt nicht geprüft, nicht nachgesehen nach welchem Ablaufschema die gewünschte Funktion des Laufwerks überhaupt funktionieren kann, ob diese Bedingungen überhaupt erfüllt werden können usw.
Im Zweifel hilft es ein Funktionsdiagramm anzufertigen und abzuarbeiten, aber schon der Begriff wird bestimmt wieder Gejammer hervorrufen.
Mach einfach ein Foto von Verdachtsschwerpunkten wie diesen und anderen, die Erfahrenen werden dann sehen...Gruß Jogi,
der im Forum von jedem dahergelaufenen Neuling verspottet, beleidigt und als charakterlos tituliert werden darf.
-
Benutzer online 4
4 Besucher
