Forenfreunde,
bei gerade vorgenommenen Einstellungen am ZF-Modul des SABA Tuners MD292 (identisch auch im SABA 9260) sind mir im SABA-Schaltplan Druckfehler aufgefallen, von denen zwei nach meiner Erinnerung hier im Forum noch nicht genannt wurden:
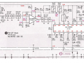
1) Die Widerstände R314 und R317 sind im Schaltplan vertauscht!
Beide haben den Wert von 330 Ohm, deshalb fällt das nicht sofort auf. Aber wenn man Spannungen misst und mit dem Plan vergleicht oder die Leiterbahnen auf der Platine mit dem Schaltplan vergleicht, merkt man es.
Im SABA-Layout-Plan der Platine sind R314 und R317 richtig eingezeichnet.
2) Die Spannung an PIN 5 des IC CA3053S ist falsch angegeben. Sie beträgt nicht 1,4 V sondern 8,7 V.
3) Bereits früher wurde hier im Forum der im Schaltplan fehlende Koppelkondensator C322 beim Bandfilter des Demodulator-IC genannt. Er hat 3,9 pF.
Die gemessenen Spannungen bei genau auf Sender abgestimmtem Tuner bei korrekt abgeglichenem ZF-Modul und die genannten Schaltplankorrekturen:

Ist das ZF-Modul nicht richtig abgeglichen oder der Sender nicht genau eingestellt, gibt es an den PINs 6, 7 und 12 des IC 3189 grössere Abweichungen zu den gezeigten Spannungen.
Um bei einer evtl. Fehlersuche festzustellen, ob die beiden Transistorstufen für die ZF-Verstärkung, IC CA3053S und die Keramik-ZF-Filter einwandfrei arbeiten, die ZF also mit korrektem Pegel an PIN 1 des CA 3189E anliegt, ist dieser Sollwert (gemessen) zum Vergleich hilfreich:
Mess-Sender auf 100 MHz mit Pegel von 47 dBµV (53 dBµV EMF) an Antenneneingang des MD292.
Exakt den Sender einstellen (AFC aus).
Oszilloskop (mind. 20 MHz Bandbreite) an PIN 1 von CA3189E: Gemessen wird die 10,7 MHz ZF mit ca. 14 mV(eff), entsprechend Amplitude von 20 mV(s) am Oszilloskop.
Wird der HF-Pegel am Antenneneingang auf 60 dBµV = 1 mVeff (66 dBµV EMF) erhöht, steigt der ZF-Pegel an PIN 1 des CA3189E auf 59 mV(eff), also proportional zur Eingangs-HF-Spannung.
ZF-Messung bei HF-Eingangspegel von 47 dBµV (53 dBµV EMF). Es wird auf dem Bildschirm die ZF-Frequenz von 10,67 MHz bei dem vorliegenden Modul angezeigt. Der SABA-Aufkleber auf diesem Modul sagt: 10,66 MHz

Gruß
Reinhard
bei gerade vorgenommenen Einstellungen am ZF-Modul des SABA Tuners MD292 (identisch auch im SABA 9260) sind mir im SABA-Schaltplan Druckfehler aufgefallen, von denen zwei nach meiner Erinnerung hier im Forum noch nicht genannt wurden:
1) Die Widerstände R314 und R317 sind im Schaltplan vertauscht!
Beide haben den Wert von 330 Ohm, deshalb fällt das nicht sofort auf. Aber wenn man Spannungen misst und mit dem Plan vergleicht oder die Leiterbahnen auf der Platine mit dem Schaltplan vergleicht, merkt man es.
Im SABA-Layout-Plan der Platine sind R314 und R317 richtig eingezeichnet.
2) Die Spannung an PIN 5 des IC CA3053S ist falsch angegeben. Sie beträgt nicht 1,4 V sondern 8,7 V.
3) Bereits früher wurde hier im Forum der im Schaltplan fehlende Koppelkondensator C322 beim Bandfilter des Demodulator-IC genannt. Er hat 3,9 pF.
Die gemessenen Spannungen bei genau auf Sender abgestimmtem Tuner bei korrekt abgeglichenem ZF-Modul und die genannten Schaltplankorrekturen:
Ist das ZF-Modul nicht richtig abgeglichen oder der Sender nicht genau eingestellt, gibt es an den PINs 6, 7 und 12 des IC 3189 grössere Abweichungen zu den gezeigten Spannungen.
Um bei einer evtl. Fehlersuche festzustellen, ob die beiden Transistorstufen für die ZF-Verstärkung, IC CA3053S und die Keramik-ZF-Filter einwandfrei arbeiten, die ZF also mit korrektem Pegel an PIN 1 des CA 3189E anliegt, ist dieser Sollwert (gemessen) zum Vergleich hilfreich:
Mess-Sender auf 100 MHz mit Pegel von 47 dBµV (53 dBµV EMF) an Antenneneingang des MD292.
Exakt den Sender einstellen (AFC aus).
Oszilloskop (mind. 20 MHz Bandbreite) an PIN 1 von CA3189E: Gemessen wird die 10,7 MHz ZF mit ca. 14 mV(eff), entsprechend Amplitude von 20 mV(s) am Oszilloskop.
Wird der HF-Pegel am Antenneneingang auf 60 dBµV = 1 mVeff (66 dBµV EMF) erhöht, steigt der ZF-Pegel an PIN 1 des CA3189E auf 59 mV(eff), also proportional zur Eingangs-HF-Spannung.
ZF-Messung bei HF-Eingangspegel von 47 dBµV (53 dBµV EMF). Es wird auf dem Bildschirm die ZF-Frequenz von 10,67 MHz bei dem vorliegenden Modul angezeigt. Der SABA-Aufkleber auf diesem Modul sagt: 10,66 MHz
Gruß
Reinhard
Dieser Beitrag wurde bereits 3 mal editiert, zuletzt von „oldiefan“ ()