Saba Clock G einschalten?

      Saba Clock G einschalten?

      Hallo zusammen,

      bin momentan dabei einen Saba Clock G Klappzahlen Wecker herzurichten.
      Mein erster Radiowecker.

      Leider funktioniert das Gerät nicht so wie es soll.
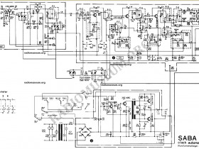
      Einen Schaltplan dazu hab ich leider keinen.
      Die Uhr läuft.
      (ob sie genau geht oder wie bei meinem Oldtimer nach einem Tag 5 Minuten hinterher hinkt hab ich noch nicht probi.)


      Zum Problem:
      Es schaltet sich nur ein, wenn der Schalter für die Zeitautomatik "aufgezogen" ist.
      (ganz gleich wie die Schalter an der Oberseite stehen)

      Anders kann man den Radio leider nicht einschalten.

      Der Ein/ Aus Schalter würde lt ohm Meter allerdings durchschalten, aber leider passiert nichts.



      Weitete Frage:
      Weiß evtl zufällig jemand welche Glühlampen hinter der Skala und welche GlimmLampen bei der Uhr verbaut sind?
      Die sind beide kaputt.


      Grüße
      Andreas

      Dieser Beitrag wurde bereits 1 mal editiert, zuletzt von „da_anda“ ()



      Was besseres hab´ ich leider im Netz nicht gefunden .
      Die Lämpchen für die Scala haben 14Volt /80mA + hinter den Klappzahlen sind 220/230V Glimmlämpchen
      Gibts alles bei Reichelt : z.B. reichelt.de/glimmlampe-drahten….html?&trstct=pos_1&nbc=1 +
      reichelt.de/subminiatur-gluehl…html?&trstct=pos_14&nbc=1
      Bauformen aus dem Gerät sind ja im Schaltbild nicht ersichtlich . Da müsstest du dann mal Bilder einstellen .

      Evtl. bekommst du hier : hifi-forum.de/viewthread-84-15276-3.html#144
      noch ein paar nützliche Hinweise.

      Dieser Beitrag wurde bereits 2 mal editiert, zuletzt von „humax5600“ ()

      Danke für die schnelle und hilfreiche Antwort.
      Der Schaltplan hat mir sehr geholfen.
      Es waren die Kabel am Schalter für die Schlummer Funktion falsch angeschlossen.
      Nach dem umlöten kann man das Gerät nun manuell und per Wecker Funktion einschalten.
      :)

      Warum auch immer das falsch angeschlossen war.
      Laut Vorbesitzer "voll funktionsfähig"...


      Anbei noch ein Bild der Skalen Lampe.
      Glaub sowas wirds nicht mehr geben.
      Vielleicht bau ich eine Fassung ein um in Zukunf die Birnen einfacher wechseln zu können.

      Grüße
      Andreas
      Bilder
      • _20220820_144346.JPG

        52,57 kB, 658×580, 10 mal angesehen

      Dieser Beitrag wurde bereits 1 mal editiert, zuletzt von „da_anda“ ()

      Nachtrag:
      Als Skalen Beleuchtung sind nun zwei Fassungen eingebaut um die Birndl später einfacher wechseln zu können.

      Die GlimmLampen muss ich noch bestellen, davon hab ich nichts vorrätig.

      Die rote Markierung zeigt nun auch auf die richtige Weckzeit.
      Langsam wirds :)

      Ist es sinnvol gleich alle Elkos prophylaktisch zu wechseln wenn scho alles zerlegt, oder kann ich mir den Aufwand sparen?
      Bilder
      • _20220820_164436.JPG

        73,46 kB, 720×538, 5 mal angesehen
      • _20220820_164508.JPG

        152,53 kB, 953×720, 11 mal angesehen
      Der Eine sagt so , der Andere so .
      Zum Thema Elkos tauschen gibt es unzählige Threads im Netz :
      hier z.B. einer davon : http://www.hifi-forum.de/viewthread-185-15248.html


      Zitat daraus :
      "Faustformel" für einen Elko-Tausch in Klassikern der 80er/90er Jahre:

      Elkos, bei denen der Überzug weitergeschrumpft ist. Das deutet auf hohe Wärmebelastung, innerlich oder äusserlich, hin.
      Elkos, die neben heißen Bauteilen / Kühlkörpern stehen, bzw. in deren Abluftstrom.
      Elkos, die an den Beinen Korrosion (u.a. Grünspan) haben, etwa durch säurehaltigen Klebstoff.
      Elkos, die aufgrund der Netzspannungsumstellung 1987 von 220V auf 230V (+/- 10%) jetzt an ihrer Nominalspannung oder darüber betrieben werden.
      Elkos, wo man tatsaechlich sieht, dass sie auslaufen und sich der Ausfluss nicht als Kleber identifizieren laesst.
      Elkos, die aufgrund ihres Typs/Fabrikates dafür bekannnt sind, dass sie gerne ausfallen (z.B. weinrote Roederstein im Plastikgehäuse).
      Elkos, die in SMD Bauform in Geräten der 90er Jahre verwendet wurden (frühe SMD-Elkos). Diese laufen häufig aus.
      Elkos, die Anzeichen von Überdruck zeigen. z.B. gewölbter Deckel.
      Elkos, die eine Spannunsgfestigkeit von <16V haben, diese sind sehr häufig durch Alterung unzuverlässig
      Elkos, bei denen der Verdacht besteht, dass sie PCB (Dioxin) enthalten. Bis Anfang der 1980er Jahre wurde dieses in Kondensator-Ölen verwendet, dann verboten.
      Elkos, die in Leistungselektronik verbaut sind nach 10 Jahren, z.B. frühe Schaltnetzteile in Klassikern.
      Elkos, deren Kapazität Messwert außerhalb der Spezifikation liegt (zu gering).
      Elkos, deren ESR Messwert außerhalb der Spezifikation liegt (zu hoch).
      Elkos, die einen hohen Leckstrom haben.

      Dachte nur da in dem einen Beitrag alle Elkos getauscht wurden.
      Optisch schauen alles gut aus.
      Funktionieren tut bis jetzt auch alles.

      Glaub lass sie mal alle drin.

      Bei meinen 70er Jahre Autoradios hab ich immer gleich alle getauscht, da jeweils einer pro Gerät einen Durchgang hatten und was andres dadurch kaputt ging.
    • Benutzer online 1

      1 Besucher