Antennenverstärker für Radio UKW

      Antennenverstärker für Radio UKW

      Wer hat Interesse an einem Mastverstärker UKW?

      Am ehesten will ich hiermit die Radio-DXer ansprechen.
      Man bekommt UKW-Verstärker zu kaufen, die sind aber häufig eher (teurer) Müll.
      Ich meine einen Mastverstärker, den man möglichst direkt hinter die Antenne setzt.
      Nicht meine ich Aufholverstärker, die in größeren Anlagen eher die Kabel- und Verteilverluste ausgleichen sollen.

      Es geht hier um einen möglichst rauscharmen Empfangsvorverstärker.
      Geringfügig hole ich aus, damit man das Problem versteht.
      Nehmen wir alte analoge Studiotechnik vom Studio bis zur Schallplatte.
      Der Moderator im Radio legte die LP auf und wir Jugendlichen zeichneten die Hits mit Kassettenrekorder auf.
      Spätestens ab Kopie von Kassette wurde langsam das Rauschen unangenehm.
      Damals wurde im Studio natürlich auch auf Band aufgezeichnet, jedoch mit recht hohem Signalrauschabstand.
      Der war hoch genug, damit man es selbst auf einer sehr guten Vinylpressung nicht merkte.
      Bleiben wir bei der Kette vom Studio über LP und Radio zum Jugendlichen mit seinem Kassettenrekorder.
      Würde man bei der Kette im Studio den Kassettenrekorder des Jugendlichen nehmen, ist sofort das Rauschen hoch!
      An den beteiligten Geräten hat sich nichts geändert, wohl jedoch die Reihenfolge.

      Bei Hochfrequenzübertragung ist es das gleiche Prinzip.
      Nur hört man nicht das HF-Rauschen direkt mit dem Ohr.
      Starkes HF-Rauschen bedeutet, schwache Radiosignale hört man nicht mehr, liegt nicht nur am Radioempfänger.
      Hebt man frühestmöglich das HF-Signal mit einem rauscharmen Verstärker an, wird das was mit dem Empfang.

      Ich mache mir gerade Gedanken zu einem Umsetzer Amateurfunk, für den ich einen rauscharmen Eingangsverstärker benötige.
      Folgender MMIC wird es vermutlich werden, der auf den Namen PGA-103 hört:
      box73.de/product_info.php?products_id=3711
      Interessierte wie Hans, Reinhard... können sich dort auch das Datenblatt von Mini-Circuits herunterladen.
      Eigentlich ist der für 50 und nicht für 75 Ω, wie in der Rundfunktechnik üblich.
      Gestern probierte ich mit einem HF-Simulator herum, dem PGA-103 kann man auch 75 Ω beibringen.

      Erst mal die Frage, besteht Interesse an so einem Verstärker?
      Die Kosten bei Selbstbau sind nicht hoch, mit Gehäuse vermutlich unter 20 Euro.
      Fertige Verstärker mit Rauschmaß kleiner 3 dB bekommt man fast nicht, außer bei Fachhändlern Radio-DX.
      Der mit dem PGA-103 wird etwa auf 0,5 dB Rauschen kommen bei 20 dB Verstärkung.
      Ich habe noch zwei ähnliche Verstärker im Hinterkopf.

      Bitte unverbindlich Interesse bekunden oder auch Nichtinteresse.
      Bei genügend Interesse wird vermutlich ein Prototyp im Herbst aufgebaut.

      Andreas
      Was bedeutet DL2JAS? Amateurfunk, www.dl2jas.com
      Das Thema ist ja eingeschlagen wie eine Bombe!

      Kommen wir zu einem praktischen Beispiel.
      Für Radio-DX ist so eine Antenne geeignet:
      dl2jas.com/antennen/ukwfm/yagi_ukw.html
      Recht ähnliche Antennen bezüglich Länge und Gewinn gibt es auch fertig zu kaufen.

      Nehmen wir an, wir nehmen so eine Antenne mit rauscharmem Verstärker.
      Ein thermisches Rauschen, All und Erde, ist immer gegeben.
      Hier setze ich mal 4 dB Rauschmaß für das nicht vermeidbare Rauschen an.
      Der Vorverstärker ist gut 1 m von der Antenne platziert.
      Er hat 20 dB Verstärkung und sein Rauschmaß noise figure beträgt 1 dB.
      Um das Gesamtrauschen zu errechnen, gibt es ein nettes Helferlein onliche:
      minicircuits.com/applications/microwave_calculator.html
      Dort "Cascade Noise Figure" anklicken.
      Man betrachte die Antenne als Verstärker mit -1 dB und Rauschmaß 4 dB.
      Der Mastvorverstärker verstärkt um 20 dB und hat selbst ein NF von 1 dB.
      Wir kommen über alles auf 19 dB Verstärkung und Rauschen 4,5 dB.
      Das ist ein schöner Wert, ernsthaft besser geht kaum.

      Bei üblichen Dachantennenanlagen sieht es meist wesentlich schlechter aus.
      In dem Fall setze ich 6 dB Rauschen an und -2 dB für Verluste wie Antennenkabel.
      Wir nehmen einen handelsüblichen UKW-Verstärker, auch wieder 20 dB.
      Nur sind die selten rauscharm, NF von 7 dB ist realistisch.
      So kommt man beim Rauschen bis Eingang Radio auf 10,1 dB.
      Das sind knapp 6 dB Unterschied, entspricht etwa einer echten S-Stufe.

      Was bedeutet das in der Praxis, Verbesserung von 10,1 zu 4,5 dB?
      Man hört so Radiosender, die zuvor komplett im Rauschen untergingen.
      Andere Sender, die man zuvor schwach hörte, bekommt man jetzt eher in Stereo.

      Andreas
      Was bedeutet DL2JAS? Amateurfunk, www.dl2jas.com
      SABA-Klassik und BrüllFM

      Wir schreiben das Jahr 2025.
      Viele UKW-Sender sind abgeschaltet, es werden aber weiterhin Sendefrequenzen vergeben.
      Letztens kam im Forum die Meldung, daß SABA-Klassik in Villingen den Sendebetrieb aufgenommen hat.
      Leider wohne ich was weit weg, ich kann aber auf 99,7 MHz den Sender mit dem Runddipol empfangen.
      Ist zwar nur mono, dafür aber deutlich über dem Rauschen.
      Das wurmte mich, stereo soll schon sein.
      So baute ich die Yagi für UKW eines bekannten Funkamateurs nach.
      Volltreffer, nach Ausrichtung empfange ich jetzt SABA-Klassik in stereo!
      Leider hielt die Freude nicht lange an.
      Letzten Monat ging der neue Sender BrüllFM auf 100 MHz in Betrieb, 300 kHz darüber.
      BrüllFM knüppelt meinen geliebten Sender SABA-Klassik nieder, 30 dB, 5 S-Stufen.

      Ich kontaktierte den Funkamateur, ob man da was machen kann.
      Er fragte mich, wo die Sender stehen, zeichnete sie in ein Antennendiagramm ein.



      Die Antwort war: Ja, da geht was!
      Wusste ich damals noch nicht, unerwünschte Sender kann man in ein Minimum drehen.
      Der Funkamateur zeichnete ein weiteres Antennendiagramm der Yagi.
      Grün eingezeichnet ist SABA-Klassik und rot BrüllFM, den die Kinder manchmal hören.



      Haken an der Sache, ich drehte die Antenne um 45 °, SABA-Klassik wird noch schwächer als früher.
      Immerhin, BrüllFM ist jetzt fast weg, kaum noch hörbar im Rauschen.
      Von der Theorie her kann man den unerwünschten Sender ganz auf 0 bekommen.
      In der Praxis, wenn keine ernsthaften Reflexionen auftreten, sind gut 30 dB realistisch.
      Der Funkamateur riet mir zu einem rauscharmen Vorverstärker direkt hinter der Antenne.
      Er entwickele gerade welche mit typisch etwa 1 dB Rauschmaß.
      Sollte ich einen weiteren Verstärker auf dem Dachboden haben, möge ich den umgehen.
      Er erzählte was von 20 dB Verstärkung und typisch 6 dB Gewinn beim Rauschen.
      6 dB sei eine S-Stufe, entscheidet häufig, daß dann auch guter Stereoempfang möglich ist.
      Bei schwächeren Sendern sei das Rauschmaß meist wichtiger als die Verstärkung.

      Andreas
      Bilder
      • azi100ukw1.png

        30,48 kB, 850×660, 12 mal angesehen
      • azi100ukw2.png

        30,69 kB, 850×660, 7 mal angesehen
      Was bedeutet DL2JAS? Amateurfunk, www.dl2jas.com
      Kommen wir zum ersten rauscharmen Verstärker!

      In den letzten Wochen habe ich mehrere konstruiert, alle noch auf Ebene Schaltplan.
      Stimmt nicht ganz, sie sind mit einem HF-Simulator entwickelt, der was taugt.
      Was der Simulator ausspuckt, kommt fast immer auch gut in der Praxis hin.
      Demnächst werde ich weitere Verstärker vorstellen.


      Verstärker mit HF-Transistor BFR193

      Der BFR193, Bipolartransistor, ist recht brauchbar erhältlich, sogar bei Conrad.
      Eine andere Quelle ist der Service der Zeitschrift Funkamateur, 60 Cent pro Transistor:
      box73.de/product_info.php?products_id=3908
      Man kann da auch das Datenblatt von Infineon herunterladen.
      Grundsätzlich rate ich, HF-Zeugs wegen möglicher Plagiate nur bei verlässlichen Quellen zu kaufen.

      Der Verstärker ist für 75 Ω ausgelegt, 20 dB Verstärkung und ca. 1 dB Rauschmaß, noise figure.
      Das Rauschmaß kann ich nur sinnvoll schätzen, nicht für 100 MHz in den Datenblättern angegeben.



      Möglicherweise klingelt es jetzt bei den mitlesenden Funkamateuren, was für 2 m, 144 - 146 MHz.
      Bei mir hat es auch geklingelt, eine ähnliche Schaltung für 2 m und 50 Ω ist geplant!



      Bei HF-Simulatoren, ich nahm hier RFSim99, sieht das Schaltbild etwas anders aus.
      Simulatoren für Streuparameter, s2p, SPAR, kennen keine Betriebsspannung!
      Auch kennen sie nicht direkt Transistoren, ist da eine Art "black box"
      Das ist der Kasten, in dem Fall 0 = Emitter, 1 = Basis und 2 = Kollektor.
      Auch die Betriebsspannung ist Masse, wenn man ein Hochfrequenzsignal betrachtet.
      Im Schaltbild die Masse nach oben wird an stabilisiert +12 Volt angeschlossen.
      Da die Schaltung im A-Betrieb nur 20 mA benötigt, reicht ein üblicher 78L12.
      Keinesfalls mit den Kondensatoren am Ausgang sparen, damit der 78L12 nicht schwingt.
      Folienkondensatoren sind ungeeignet, es sollen schon gute Keramikkondensatoren sein!

      Statt des Widerstands 200 Ω kann man auch zwei Widerstände 100 Ω in Serie nehmen.
      Die Spule 1 µH ist nicht kritisch, da kann man gern eine mit 20 % Toleranz nehmen.
      Mit den beiden Widerständen 33 kΩ und 3,3 kΩ stellt man den Arbeitspunkt DC ein.
      Idealerweise 8 Volt und 20 mA, darf zwischen 7,5 und 8,5 sowie 18 und 22 mA schwanken.
      Ist man zu weit vom Arbeitspunkt entfernt, diese Widerstände etwas ändern!

      Die Kondensatoren im Schaltbild sollten schon gute Keramikkondensatoren sein.
      Die mit 1 nF sind von der Toleranz nicht kritisch, 20 % ok.
      Bei den beiden 22 pF und 4,7 pF aufpassen, die bestimmen die Anpassung!
      Der Auskoppelkondensator 220 pF sollte 10 % haben, 5 % oder besser muss nicht sein.

      Die Spule 4 nH am Eingang ist keine echte Spule, Induktivität der Drahtenden Kondensator.
      Kritisch ist die Spule 75 nH, muss per Hand gewickelt werden!
      Das geht einfach mit Kupferdraht und einem Bohrer als Wickeldorn, reiche ich nach.
      Die 12 nH am Ausgang sind ein extra langes Drahtende des Widerstands 22 Ω, reiche ich nach.

      Später mehr zu weiterer Theorie und tatsächlichem Aufbau.
      Alle Verstärker werden etwa Streichholzschachtelgröße, Platinen eher kleiner.
      Noch im Herbst, eher im Winter, werde ich mehrere Verstärker aufgebaut zeigen.

      Andreas, DL2JAS


      Edit, Nachreichung Induktivitäten
      Es ist ratsam, dieses Programm herunterzuladen, was auch Luftspulen berechnen kann:
      dl2jas.com/downloads/dl5swb/minirk12_install.exe
      Einfaches Programm für Win, funktioniert auch mit Emulator unter Linux.
      Luftspule Zylinder 75 nH:
      Silberdraht (Kupfer versilbert) 0,8 mm, Spulendurchmesser 5,5 mm, Länge 12 mm, 6 Windungen
      oder
      Silberdraht (Kupfer versilbert) 0,8 mm, Spulendurchmesser 8,5 mm, Länge 11,5 mm, 4 Windungen
      Als Wickeldorn nimmt man Bohrer, hier 5 oder 8 mm, passt dann mit 0,8 mm Drahtdurchmesser.

      Spule 12 nH, hier wird die Zylinderspule zu ungenau, besser den geraden Leiter nehmen.
      Silberdraht gerade, Durchmesser 0,8 mm bei 16,4 mm Länge ergibt 12 nH.
      Das nicht zu genau nehmen, dürfen auch 14 oder 18 mm werden.


      Edit: Simulationsdatei für den Verstärker mit RFSim99 angehängt, .txt entfernen!
      Bilder
      • bfr193-s21a.png

        8,13 kB, 675×647, 15 mal angesehen
      • bfr193-scha.png

        16,63 kB, 990×620, 19 mal angesehen
      Dateien
      Was bedeutet DL2JAS? Amateurfunk, www.dl2jas.com
      Wie konstruiere ich einen Hochfrequenzverstärker?

      Triggerwarnung, für die meisten Leser langweiliges Zeug!
      In drei Sätzen lässt sich das nicht erklären, man benötigt dafür schon ernsthaft Fachwissen.
      Selbst viele Funkamateure mit elektrotechnischer Ausbildung haben da ernsthaft Probleme.
      Sowohl als auch ist bei mir vorhanden, der Weg war steinig mit Bauchplatschern.
      Alte Hochfrequenzweisheit: "Verstärker schwingen immer, Oszillatoren nie!"
      Ich versuche, die Abhandlung kurz und einfach zu halten, eher ein Einblick.

      Als Systemwiderstand ist 50 Ω üblich, beim Rundfunk eher 75 Ω.
      Meist macht man bei HF-Verstärkern Leistungsanpassung, ähnlich wie bei Röhrenverstärkern.
      Das heißt im Klartext, ist der Ausgangswiderstand meines Sendeverstärkers gleich dem der Antenne, wird optimal ohne Reflexion die Leistung übertragen.
      Das macht man hauptsächlich deswegen, weil ja Antenne und Verstärker über Antennenkabel verbunden werden, Antennenkabel haben immer einen festen Wellenwiderstand.
      Herr Smith kam vor vielen Jahren auf die Idee, dafür ein spezielles Diagramm zu entwickeln.



      Es ist gewöhnungsbedürftig, hat man es verstanden, jedoch sehr praktisch.
      Landet man in der Mitte, ist perfekte Anpassung gegeben, sieht man rechts, s22, Ausgang.
      Normalerweise strebt man das auch für den Verstärkereingang an, hier ausnahmsweise nicht.
      Wer sich schon mit rauscharmen NF-Verstärkern beschäftigte, kennt das Problem.
      Fast immer benötigt man eine Fehlanpassung, damit das Rauschen minimal wird.
      Hersteller geben diesen Punkt, abhängig von der Frequenz, an, hier Beispiel BFR193:



      Den muss man sich dann "übersetzen", wie man das in der Schaltung macht.
      Die Zahlenwerte sind Reflexionsfaktor Eingang, Betrag und Winkel, wie in s2p-Dateien üblich.
      Dort der kleinste Wert ist 450 MHz, 1,04 dB als NFmin, Rauschmaß.
      Sind drei Werte (Frequenz) gegeben, kann man auf in dem Fall 100 MHz extrapolieren.
      Genau das machte ich, ermittelte so den Arbeitspunkt gammaopt für 100 MHz.
      Exakt geht meine Methode nicht, ist auch mit Erfahrung verbunden.
      Für den fachkundigen Leser, im Smith-Diagramm liegen alle Punkte (theoretisch) auf einem Kreis.
      Wo genau auf dem Kreis weiß ich nicht, ist sinnvoll geschätzt, extrapoliert.


      Nun zum Aufbau des zuvor gezeigten Verstärkers mit dem BFR193!



      Am Eingang ist die Rauschanpassung, gammaopt, eine Art Transformator, L-Glied.
      Wer sich dafür interessiert, nicht nur L-Glied, auch Pi-Glied und mehr, schaue hier:
      dl2jas.com/selbstbau/anpassungen/anpassungen.html

      Hochfrequenzmäßig sind die beiden Widerstände 33 kΩ und 3,3 kΩ egal.
      Das deswegen, weil sie mit dem Kondensator 1 nF verbunden sind, nahezu Masse für HF.
      Anders gesagt, der Verstärker arbeitet nicht mit einer Gegenkopplung von C nach B.
      Sie sind nur deswegen eingezeichnet, damit man in den richtigen DC-Arbeitspunkt kommt.
      Ähnliches gilt für den Widerstand 200 Ω (100 + 100), auch nur für DC-Arbeitspunkt.

      Am Ausgang, hier Kollektor des BFR193, wird es wieder HF-mäßig interessanter!
      Der Transistor macht bei 100 MHz mächtig Verstärkung, eher für 0,9 oder 1,8 GHz entwickelt.
      In erster Linie wird das Signal am Ausgang abgeschwächt, um auf gewollte 20 dB zu kommen.
      Der Kondensator 220 pF dient hauptsächlich zur Auskopplung, Trennung DC und HF.
      Etwas bestimmt er auch die Verhältnisse am Ausgang, hier optimale Anpassung.
      Die beiden Widerstände 56 Ω und 22 Ω sind sowohl Spannungsteiler als auch Anpassung.
      Die Spule 12 nH zur Antennenbuchse Ausgang kompensiert den restlichen Blindanteil.
      Wie man beim zweiten Smith-Diagramm sieht, Ausgang, ist der Marker in der Mitte, 75 Ω.

      Andreas, DL2JAS
      Bilder
      • bfr193smith.png

        11,73 kB, 1.080×570, 11 mal angesehen
      • bfr193-noise.png

        14,86 kB, 360×175, 6 mal angesehen
      Was bedeutet DL2JAS? Amateurfunk, www.dl2jas.com
      Sehr rauscharmer Verstärker mit ATF10136

      Zu erwarten ist ein Rauschen (NF, noise figure) von etwa 0,3 dB.
      Arbeitspunkt Uds = 2 Volt, Ids = 25 mA.
      Das ist der rauschärmste Verstärker, den ich vorstelle.
      Man schießt da aber mit Kanonen auf Spatzen, zumindest terrestrisch.
      Vom Nachbau rate ich jedoch aus mehreren Gründen eher ab.
      Möglicherweise baue ich damit was für Amateurfunk, 144 oder 432 MHz.



      Der ATF-10136 kam vor etwa 30 Jahren auf den Markt, ein GaAs-FET.
      Ganz einfach bekommt man den nicht, eine Quelle hier, aktuell 2,95 Euro:
      box73.de/product_info.php?products_id=2025
      Solche FETs sind Mimosen, neigen zum Schwingen.
      Auch macht man die schnell kaputt, wenn sie elektrostatische Ladung abbekommen.
      Man benötigt eine negative Gatespannung für den richtigen Arbeitspunkt.
      Alternativ setzt man Gate auf GND und Source auf positives DC-Potential.
      Die Version sieht man im Schaltbild, Gate DC auf Masse über die Drossel.



      Die Schwingerei habe ich dem FET oberhalb 100 MHz in der Schaltung abgewöhnt.
      Positiv, mit steigender Frequenz geht die Verstärkung steil nach unten.
      Haken an der Sache, die Anpassung ist kritisch, man muss den Punkt 100 MHz treffen.
      Was unterhalb 100 MHz passiert, weiß ich nicht, gibt die Simulationsdatei s2p nicht her.

      Wer es doch mit der Schaltung versuchen will...
      Angehängt ist die Simulationsdatei für RFSim99, .txt am Ende entfernen!
      Im Schaltplan ist Source auf Massepotential, gilt nur für HF, nicht für DC.
      Man setzt einen Widerstand von Source nach GND, damit Ugs negativ wird.
      Parallel zum Widerstand Kondensatoren, z.B. zweimal 470 pF Keramik.
      So hat man für HF Source auf Massepotential und für DC positiv gegenüber GND.
      Genaue Spannung DC Source -> GND weiß ich nicht, steht auch nicht direkt im Datenblatt.
      Vom Hersteller Hewlett Packard gibt es für den FET Application Notes.
      Im Schaltbild sieht man den Widerstand 136 Ω, ist zweimal 68 Ω in Serie.
      Nimmt man bedrahtete Widerstände, sind die 9 nH dahinter die Anschlussdrähte.
      Ähnliches gilt für den Widerstand 150 Ω, die 9 nH auch wieder großzügig Drahtlänge.

      Kleiner Ausflug, wie man den Arbeitspunkt Gammaopt, NFmin abschätzt!
      Zuvor schrieb ich, die Punkte mit NFmin liegen auf einem Kreis im Smith-Diagramm.
      HP gab NFmin für 0,5 GHz bis 8 GHz an, grüne Punkte.
      Von mir extrapoliert sind die rosa Punkte bis hinunter 100 MHz.
      Ich weiß lediglich, daß auch sie auf dem Kreis liegen müssen, nicht die exakte Stelle.
      Die Stelle kann man häufig gut schätzen, gerade bei einem FET und fallender Frequenz.
      Üblicherweise steigt dann der Realteil Eingangswiderstand und der Blindteil sinkt.
      Oder anders ausgedrückt, passt hier prima, geht die Frequenz gegen 0, landet man auf der X-Achse!

      Andreas

      P.S.: Mindestens zwei weitere Verstärker stelle ich noch vor!
      Bilder
      • ATF10136PIC.JPG

        165,32 kB, 800×600, 8 mal angesehen
      • 10136-scha.png

        8,15 kB, 800×400, 8 mal angesehen
      • 10136-s21a.png

        11,33 kB, 673×690, 7 mal angesehen
      • 10136-gopt5.png

        18,07 kB, 535×560, 7 mal angesehen
      Dateien
      Was bedeutet DL2JAS? Amateurfunk, www.dl2jas.com
      Diesmal ein Verstärker mit PGA-103, mein Favorit!

      Beim PGA103 handelt es sich um einen Monolithic E-PHEMT MMIC Amplifier von Mini Circuits.
      Ganz einfach bekommt man den nicht, hier wieder die Quelle für aktuell 4,10 Euro:
      box73.de/product_info.php?products_id=3711
      Dort kann man sich auch das Datenblatt herunterladen.
      Angegeben ist er mit 0,5 dB Rauschen im Bereich 50 bis 400 MHz.



      Eigentlich kommt dieser Schaltkreis mit minimaler Beschaltung aus, keine extra Rauschanpassung.
      In Einfachstbeschaltung benötigt der Schaltkreis lediglich Koppelkondensatoren und eine Spule, über die er mit der Betriebsspannung verbunden wird, 5 bzw. hier 4,75 Volt.
      Bei mir sind es ein paar Bauteile mehr geworden, Anpassung an 75 Ω.
      Auch habe ich den Ausgangspegel um ca. 6 dB abgeschwächt, sollen wieder 20 dB sein.
      Der PGA103 macht ordentlich Bumms, gut 20 dBm bei 1 dB Kompression.
      Auch ist IP3 angegeben, ca. 37 dBm, ebenfalls bei 100 MHz.
      Von beiden Pegeln 6 dB abziehen, gilt ohne Abschwächer in der Schaltung.
      Deshalb mein Favorit, Rauschen bei nur 0,5 dB und hohe Reserve bezüglich Übersteuerung.
      Bei 60 dBµV hat man satten Stereoempfang.
      Größere Verstärker für Antennenanlagen in Mehrfamilienhäusern sind auf ca. 120 dBµV ausgelegt.
      120 dBµV entspricht an 75 Ω 13 mW, gut 10 dBm.

      Kurze Beschreibung der Schaltung
      Das Massesymbol, was nach oben zeigt, wird an +9 Volt angeschlossen, z.B. 78L09.
      Nach dem Widerstand 47 Ω sollte die Spannung 4,75 Volt betragen.
      Am Eingang wird wieder transformiert, damit es mit den für den PGA103 unüblichen 75 Ω passt.
      Ähnlich die Beschaltung am Ausgang, Anpassung an 75 Ω und Abschwächung.
      Die Induktivitäten 5 nH sind parasitäre Induktivitäten, bedrahtete Bauteile.
      Wickeldaten Kupferdraht versilbert, 0,8 mm Durchmesser:
      100 nH: D = 6,5 mm, L = 7,5 mm, 5,0 Windungen oder D = 8,5 mm, L = 7,5 mm, 4,0 Windungen
      145 nH: D = 6,5 mm, L = 11 mm, 7,0 Windungen oder D = 8,5 mm, L = 8,5 mm, 5,0 Windungen
      50 nH: D = 5,5 mm, L = 7,0 mm, 4,0 Windungen oder D = 7,5 mm, L = 6,5 mm, 3,0 Windungen
      150 nH: D = 6,5 mm, L = 10,7 mm, 7,0 Windungen oder D = 8,5 mm, L = 8,3 mm, 5,0 Windungen

      Das Bild pga103-s21a zeigt die Verstärkung, 21 dB bei 98 MHz.
      Die Smith-Diagramme zeigen die Reflexion, Eingang und Ausgang.
      Ein- und Ausgang sind gut an 75 Ω angepasst, praktisch keine Reflexion.

      Andreas
      Bilder
      • pga103-scha.png

        7,94 kB, 720×400, 222 mal angesehen
      • pga103-s21a.png

        14,39 kB, 675×700, 6 mal angesehen
      • pga103-s11a.png

        21,39 kB, 675×700, 4 mal angesehen
      • pga103-s22a.png

        21,11 kB, 675×700, 5 mal angesehen
      Dateien
      Was bedeutet DL2JAS? Amateurfunk, www.dl2jas.com
      Freut mich, erste Resonanz!

      Ich weiß, "so Hochfrequenzgedöns" ist ein recht spezielles Thema.
      Selbst viele Ingenieure Elektrotechnik verstehen da eher Bahnhof.
      Deshalb versuche ich, Schaltungen und Beschreibungen möglichst einfach zu halten.
      So auch mein Rat, den ATF10136 eher nicht zu nehmen.
      Der letzte Verstärker mit dem MMIC PGA103 sollte recht nachbausicher sein.
      Bei HF-Schaltungen muss man sehr aufpassen mit parasitären Kapazitäten und Induktivitäten.
      Die kalkulierte ich mit ein, z.B. die Induktivitäten (Drahtenden) 5 nH bei Bauteilen.
      So ist dem Aufbau an Schärfe genommen, ungewollte Schwingereien.

      Andreas
      Was bedeutet DL2JAS? Amateurfunk, www.dl2jas.com
      Tommy, interessante Idee!

      Bei UKW Berichte werde ich allerdings ein etwas anderes Niveau wählen.
      Kann man da machen, Leserschaft hauptsächlich Funkamateure mit Fachwissen.
      Grundwissen Smith-Diagramm, Transformationen... kann man da voraussetzen.
      Das wird dann was 50 Ω für Amateurfunk, Bänder wie 2 m und 70 cm.
      Interessantes Thema könnte die Geschichte mit Kreis und noise figure werden.
      Zu dem Thema habe ich bis jetzt recht wenig gefunden, eine Publikation bei Siemens/Infineon.
      Wenn man das etwas einfacher erklärt, dürfte das recht interessant für OMs sein.
      Auch überlege ich, was bei Funkamateur oder CQ DL zu veröffentlichen.
      Bei mir auf der Homepage werde ich bestimmt was zum Thema schreiben.

      Andreas, DL2JAS
      Was bedeutet DL2JAS? Amateurfunk, www.dl2jas.com
      Nicht ganz zum Thema, interessant für die Funkamateure hier, die selbst bauen!

      Gerade bin ich dabei, eine kleine Sendeendstufe für 145 MHz zu entwickeln.
      Viel soll die nicht machen, so etwa 5 bis 10 Watt, allerdings linear, nicht FM.
      Mitsubishi hat recht brauchbare Sendetransistoren zu bezahlbaren Preisen.
      Leider scheinen die nur noch FETs zu haben, linear geht mit denen auch.
      Der erste Schaltungsentwurf mit RD15HVF1 sieht gut aus, habe ich vorrätig.
      Es gibt leistungsmäßig ähnlich den Transistor RD16HHF1 für Kurzwelle laut Datenblatt.

      Offensichtlich sind beide FETs identisch, nur umgelabelt und zu unterschiedlichen Preisen!

      Kommissar Zufall war am Werk, beide FETs verhielten sich identisch in der Simulation.
      Die Dateien S-Parameter, s2p, angesehen, Textdateien, offensichtlich identisch.
      Gleiches stichprobenmäßig mit den S-Parametern im Datenblatt gemacht, auch identisch.
      Die Kurzwellenversion (Aufdruck) kostet weniger als die für VHF/UHF, beide gleiches Gehäuse.
      Möglicherweise wurde selektiert, die im unteren Bereich mit Stempel für Kurzwelle.

      73 de DL2JAS
      Was bedeutet DL2JAS? Amateurfunk, www.dl2jas.com
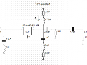
      Bitte Ergänzung/Korrektur zum Eingang G2 am Ende lesen!

      Interessanter Verstärker mit FET BF1009!

      Der Verstärker ist deswegen interessant, weil man mit ihm eine Verstärkungsregelung aufbauen kann.
      Gate 1 ist der eigentliche Eingang, Gate 2 ist für die Verstärkungsregelung.
      Lässt man G2 offen, mit Kondensator an Masse, stellt sich maximale Verstärkung ein, diese Schaltung.
      Steht nicht explizit im Datenblatt, 1 nF dürfte ein guter Wert sein.
      Interessierte sollten sich das Datenblatt herunterladen.
      Beschaltet man Gate 2, einfache Steuerspannung DC, ist eine Verstärkungsregelung gut 40 dB realisierbar.
      Der FET ist vom Typ self biased, er stellt sich seinen Arbeitspunkt selbst ein.



      Auch der Verstärker bringt um die 20 dB Verstärkung, Rauschen (Noise Figure) ca. 1 dB.
      Vergaß ich im Schaltplan einzuzeichnen, man sollte zur DC-Trennung einen Kondensator setzen.
      Den lötet man direkt hinter der Buchse Antenneneingang ein, 220 bis 470 pF ist ein guter Wert.
      Die Spulen 3 nH sind wieder parasitäre Induktivitäten, so etwa 5 mm Draht Anschlussbeinchen.
      Ähnlich bei 5 nH, hier sollten 8 mm passen.

      Beim Verstärkerkasten S2P ist 0 = Souce, 1 = Gate 1 und 2 = Drain.
      G2, den Steuereingang Verstärkung, sieht man hier nicht.
      Am Eingang 3,9 pF und 330 nH sollten geringe Toleranz haben, rauscharme Anpassung.
      Bei der Induktivität 470 nH kann man eine fertige Spule nehmen, wenn die Güte für UKW passt.
      Am Widerstand 220 Ω fallen ca. 3 Volt ab, ergibt einen Drainstrom von 14 mA.
      Die HF-Masse, die nach oben zeigt, ist die Betriebsspannung 12 Volt, Festspannungsregler.
      Die Serienschaltung 1 pF + 3 nH + 330 Ω ist nicht so wichtig, verringert die Schwingneigung.
      Der Kondensator 4,7 pF bestimmt den Frequenzgang, man nehme eine niedrige Toleranz.
      Beim Widerstand 110 Ω kann man zweimal 220 Ω parallel nehmen.

      Wie man am Bild mit der Verstärkung sieht, ist der Verstärker auf Band UKW Hörfunk optimiert.
      Das verringert die Schwingneigung und benachbarte Fernsehsender, etc. werden unterdrückt.
      Deswegen aufpassen bei den Toleranzen der frequenzbestimmenden Bauteile!
      Im letzten Bild die Ausgangsimpedanz, praktisch keine Fehlanpassung im Hörfunkbereich.

      Die Luftspule 330 nH wird wieder von Hand gewickelt, versilberter Kupferdraht 0,5 mm.
      Man nehme als Wickelkern einen Bohrer 5 mm.
      Sie ist dann rechnerisch 11,9 mm lang und hat 13 Windungen.
      Kleiner Trick, durch Auseinanderziehen oder Zusammendrücken kann man die Induktivität variieren.
      Bei 11 mm kommt man auf 350 nH und bei 13 mm auf 305 nH.
      Die Spule 470 nH ist bezüglich Toleranz unkritisch, wir nehmen auch wieder den Bohrer 5 mm.
      Versilberter Draht 0,5 mm ist nicht notwendig, man kann auch 0,5 mm Kupferlackdraht nehmen.
      Die Spule wird dann 17 mm lang und hat 18 Windungen.
      Man kann sie auch 21 mm lang machen, sind dann 20 Windungen.

      Andreas


      Nachtrag

      Ich schrieb zuvor, daß ich den Koppelkondensator DC-Trennung vergaß, anbei die Schaltungskorrektur.
      Der Widerstand 10 kΩ ist hochfrequenztechnisch uninteressant.
      Er dient lediglich dazu, statische Aufladung vom FET fernzuhalten.



      Fälschlicherweise schrieb ich, Anschluss G2, AGC, bleibt bis auf den Kondensator offen.
      Dem ist nicht so, ist nicht self biased wie G1, wie sich bei einem Nachbau herausstellte.
      Man setze G2 mit einem hochohmigen Spannungsteiler auf ca. 5,5 V, Kondensator 1 nF bleibt.
      Es bietet sich ein Spannungsteiler +12V --> 120 kΩ --> G2 --> 100 kΩ --> GND an.

      Bilder
      • bf1009-scha.png

        7,57 kB, 650×330, 176 mal angesehen
      • bf1009-s21a.png

        13,69 kB, 672×700, 7 mal angesehen
      • bf1009-s22a.png

        20,8 kB, 670×700, 6 mal angesehen
      • bf1009-sch2a.png

        7,59 kB, 580×330, 190 mal angesehen
      Was bedeutet DL2JAS? Amateurfunk, www.dl2jas.com
      AGC, automatic gain control, Verstärkungsregelung



      Im Blockschaltbild sieht man die prinzipielle Anschlussweise.
      Es wird ein Doppel-FET sein, jedoch mit etwas zusätzlicher interner Beschaltung.
      Gate 1 der eigentliche HF-Eingang und Gate 2 Steuerspannung für die Verstärkung, Drainstrom.



      Im Prinzip stellt man am Steuereingang den Drainstrom ein.
      Variiert der, ändert sich natürlich der HF-Pegel am Ausgang.
      Zuvor gab ich mindestens 40 dB laut Datenblatt an, typisch sind 50 dB bei 800 MHz.
      Bei "niedrigen" Frequenzen bis UKW dürfte der Bereich größer sein.


      Für was kann man so eine Schaltung nutzen?


      In der Schaltung zuvor kann man so den Pegel für das Radio einstellen.
      Man kann es aktiv als Regelung machen oder selbst mit Poti den gewünschten Pegel einstellen.
      Man nutzt z.B. die volle Verstärkung nur bei schwachen Sendern.
      Laute Ortssender will man nicht unnötig verstärken.
      Geht UG2 gegen 0, kann man sogar den Pegel um mindestens 20 dB gegenüber Antenne absenken.

      Ein paar Anmerkungen zum BF1009.
      BF1009S und BF1009SW sind soweit identisch, unterscheiden sich lediglich in der Pinbelegung.
      In der Simulationsdatei s2p sind Frequenzen ab 10 MHz angegeben.
      Auch weit darunter lässt sich der Transistor nutzen.
      Mit dem Transistor baute ich mal einen Vorverstärker/Impedanzwandler für LMK, Aktivantenne.
      Passt man den Eingang nicht an, beträgt die Verstärkung etwa 10 dB bis UKW.
      Der FET ist selb biased, bei 9 Volt Drainspannung stellt sich ein Strom von ca. 14 mA ein.
      Dies gilt, wenn man G2 bis auf den Kondenstor unbeschaltet lässt.
      Wie man im Diagramm sieht, beträgt der zulässige Bereich Steuerspannung 0 bis +6 Volt.

      ZF-Verstärker 10,7 MHz UKW-Radio
      So eine Schaltung ist mit dem FET ohne viel Aufwand möglich.
      Man nehme einen HF-Gleichrichter, die so entstehende DC-Spannung ist die Istspannung.
      Kleine Regelung mit OPV invertierend, damit wird dann der BF1009 angesteuert.

      Einfacher Modulator AM, z.B. Testsender
      Man nehme einen Quarzoszillator passender Frequenz, gibt es fertig als Vierbeiner.
      Meist werden die für den Takt bei Logikschaltungen wie TTL verkauft, Rechteckschwinger.
      Da auf Grundwelle filtern und Pegel hinreichend absenken, das Signal an G1 des FETs.
      An G2 kommt dann die NF, mit der unser Senderchen moduliert werden soll.
      Schaut man sich das Diagramm zuvor an, gibt es einen weiten praktisch linearen Bereich.

      Andreas
      Bilder
      • bf1009sw-block.png

        12,17 kB, 420×175, 4 mal angesehen
      • bf1009agc.png

        14,61 kB, 390×440, 2 mal angesehen
      Was bedeutet DL2JAS? Amateurfunk, www.dl2jas.com
      Hier rechnete ich mit etwas Resonanz, Kommentaren!

      Die vorgestellten UKW-Verstärker sind zugegebenermaßen wirklich was speziell.
      Spätestens beim Modulator AM dachte ich, da wird angebissen.
      Dafür benötigt man keine Smith-Diagramme oder ähnliches HF-Wissen!
      Auch ZF 10,7 MHz geht noch gut mit üblichem Verständnis Analogelektronik.
      Leider habe ich bis jetzt noch kein SPICE-Modell zum BF1009 gefunden, hätte ich verlinkt.
      Wie ich schon schrieb, der FET macht von unruhig DC bis UKW ca. 10 dB an 50/75 Ω.
      Damit meine ich Gate 2 offen mit Kondensator und ohne Anpassung HF-Quelle an Gate 1.
      Man kann ihn somit über einen Koppelkondensator direkt an die HF-Quelle anschließen.

      Teuer ist der FET nicht, kostet hier aktuell 50 Cent:
      box73.de/product_info.php?products_id=2341
      Auch ist dort der Link zum Datenblatt BF1009SW.
      Vor Jahren kaufte ich mal eine größere Menge der Transistoren, Kleinserienfertigung.
      Von denen habe ich noch einige übrig, natürlich auch Siemens/Infineon.
      Bei Bedarf via Privater Nachricht bei mir melden, 12 Stück für 5 Euro.
      Fremde Anfragen unerwünscht, nur kleinere Mengen privat für Mitglieder.

      Andreas
      Was bedeutet DL2JAS? Amateurfunk, www.dl2jas.com
      Verstärker mit BFP196W, ca. 1,3 dB noise figure, Rauschen



      Sehr rauscharm ist der Verstärker nicht, sollte mindestens 10 dBm bei 1 dB Kompression liefern.
      Heißt, man kann ihn auch für größere Häuser mit Verteilungsverlusten gut nehmen.
      Wer bis hier durchgehalten hat, das Schaltbild sollte halbwegs selbsterklärend sein.
      Die Masse, die nach oben zeigt, ist wieder die stabilisierte Betriebsspannung, 12 Volt.
      Ein einfacher 78L12 reicht, am Ausgang wie gehabt Kondensatoren vorsehen.
      Direkt vor dem Widerstand 120 Ω machen sich 470 pF + 4,7 nF Keramik + 4,7 µF Tantal ganz gut.
      Keinesfalls auf die Kondensatoren verzichten!
      Sonst schwingt schnell der Verstärker und die Verstärkung ist für den Mülleimer.

      Beim Kasten S2P ist 0 der Emitter, 1 die Basis und 2 der Kollektor des Transistors BFP196W.
      Am Eingang ist die Rauschanpassung, Leistungsanpassung deutlich besser als bei FETs.
      Der Ausgang, S22, ist praktisch perfekt über einen weiten Bereich an 75 Ω angepasst.

      Die beiden Widerstände 150 und 120 Ω am Ausgang sind ein Abschwächer, um auf 20 dB zu kommen.
      So etwa 3 dB Pegel und Verstärkung kann man noch gefahrlos herausholen.
      Übertreiben sollte man es nicht, 6 dB sind möglich, die Schwingneigung geht dann rasant hoch.
      In der vorgestellten Version ist der Verstärker "uncoditionaly stable", keine Schwingneigung.

      Mit den beiden Widerständen 10 kΩ und 820 Ω wird der Basisstrom eingestellt.
      Es sollte sich +- 10 % ein Kollektorstrom 50 mA und Kollektorspannung 6 Volt einstellen.
      Bei zu starker Abweichung ändert man etwas die Widerstandskombination.
      Die beiden Induktivitäten 4 nH sind wieder parasitär, berücksichtigen die Anschlussdrähte.
      Die 7 nH sind eine eher echte Induktivität, ca. 10 mm Draht als Verbindung zur Antennenbuchse.

      Andreas

      Nachtrag Spulen
      Die werden wieder per Hand gewickelt, versilberter Kupferdraht ist empfehlenswert.
      Mehrfach setzte ich den Link, Spulen Ringkern und Luftspulen, älteres Programm Windows:
      dl2jas.com/downloads/dl5swb/minirk12_install.exe
      50 nH: Wickelkörper (Bohrer) 5 mm, Draht 0,5 mm Durchmesser, Länge 6,5 mm, 4 Windungen
      60 nH: Wickelkörper (Bohrer) 5 mm, Draht 0,5 mm Durchmesser, Länge 5 mm, 4 Windungen


      Bilder
      • bfp196w-scha.png

        7,59 kB, 680×240, 114 mal angesehen
      • bfp196w-s21a.png

        8,73 kB, 676×648, 5 mal angesehen
      • bfp196w-s22a.png

        16,46 kB, 670×648, 4 mal angesehen
      Was bedeutet DL2JAS? Amateurfunk, www.dl2jas.com
    • Benutzer online 3

      3 Besucher