Mehr Wumms mit dem BFP196W!

Zuvor erwähnte ich, mindestens 3 dB kann man noch gefahrlos herausholen.
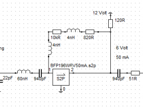
Ich probierte es mit 6 dB, hier die Schaltung, kaum Änderungen.
Der Abschwächer ist natürlich etwas anders geworden, dämpft nur noch leicht.
Der Widerstand 51 Ω darf auch gern 50 Ω sein, zweimal 100 Ω parallel.
Etwas passte ich den Ausgang an, jetzt Induktivität 30 nH.
Die Koppelkondensatoren sind jetzt 2 x 470 pF = 940 pF statt 1 nF.
Der Hintergrund ist ganz einfach, so etwa ab 1 nF kann für HF Keramikmaterial ungünstig werden.
So, mit jeweils zweimal 470 pF parallel, ist man eher auf der sicheren Seite.
Am Rauschen (noise figure) ändert sich nichts, der Verstärker hat jetzt 26 statt 20 dB Verstärkung.
Die maximal mögliche Leistung am Ausgang bei 1 dB Kompression sollte mindestens 15 dBm sein.

Zuvor verlinkte ich den Mini-Ringkern-Rechner, sehr nützliches Helferlein!
Als Beispiel die Spule 30 nH, die sich wegen Anpassungsgründen am Ausgang merklich änderte.
Im Bild sieht man, bei Spulendurchmesser 5,3 mm und 6 mm Länge kommt man auf 3 Windungen.
Bei D gibt man den mittleren Spulendurchmesser unter Berücksichtigung des Drahtdurchmessers an.
Mehrlagige Luftspulen kann das Programm nicht, wurde ursprünglich nur für Ringkerne entwickelt.
Auf meine Anregung hin wurde das Programm um Luftspule und gerader Leiter erweitert.
Bei den Ringkernen sind viele Typen direkt anklickbar, gängige Typen.
Bei anderen Kernen kann man die relevanten Daten aus dem Datenblatt per Hand eingeben.
Andreas
Zuvor erwähnte ich, mindestens 3 dB kann man noch gefahrlos herausholen.
Ich probierte es mit 6 dB, hier die Schaltung, kaum Änderungen.
Der Abschwächer ist natürlich etwas anders geworden, dämpft nur noch leicht.
Der Widerstand 51 Ω darf auch gern 50 Ω sein, zweimal 100 Ω parallel.
Etwas passte ich den Ausgang an, jetzt Induktivität 30 nH.
Die Koppelkondensatoren sind jetzt 2 x 470 pF = 940 pF statt 1 nF.
Der Hintergrund ist ganz einfach, so etwa ab 1 nF kann für HF Keramikmaterial ungünstig werden.
So, mit jeweils zweimal 470 pF parallel, ist man eher auf der sicheren Seite.
Am Rauschen (noise figure) ändert sich nichts, der Verstärker hat jetzt 26 statt 20 dB Verstärkung.
Die maximal mögliche Leistung am Ausgang bei 1 dB Kompression sollte mindestens 15 dBm sein.
Zuvor verlinkte ich den Mini-Ringkern-Rechner, sehr nützliches Helferlein!
Als Beispiel die Spule 30 nH, die sich wegen Anpassungsgründen am Ausgang merklich änderte.
Im Bild sieht man, bei Spulendurchmesser 5,3 mm und 6 mm Länge kommt man auf 3 Windungen.
Bei D gibt man den mittleren Spulendurchmesser unter Berücksichtigung des Drahtdurchmessers an.
Mehrlagige Luftspulen kann das Programm nicht, wurde ursprünglich nur für Ringkerne entwickelt.
Auf meine Anregung hin wurde das Programm um Luftspule und gerader Leiter erweitert.
Bei den Ringkernen sind viele Typen direkt anklickbar, gängige Typen.
Bei anderen Kernen kann man die relevanten Daten aus dem Datenblatt per Hand eingeben.
Andreas
Was bedeutet DL2JAS? Amateurfunk, www.dl2jas.com