UVG 2 Universal-RC-Generator von Radio-Fernsehen-Elektronik Marienberg

      UVG 2 Universal-RC-Generator von Radio-Fernsehen-Elektronik Marienberg



      Der UVG 2 ist ein NF-Frequenzgenerator, der Sinus- und Rechteckspannungen ausgeben kann. Laut Bedienungsanleitung erzeugt er Frequenzen zwischen 10 Hz und 100 kHz mit Uss in den Stufen von 1V, 10V und 30V. In den einzelnen Bereichen lässt sich die Amplitude stufenlos zwischen 10% und 100% mittels Poti verstellen. So weit ist das Gerät also nicht unbedingt bemerkenswert. Bis auf die niederohmige Ausgangsstufe für den 10-Volt-Bereich. Diese hat einen Innenwiderstand von 10 Ohm und ist damit durchaus in der Lage, einen Lautsprecher direkt zu betreiben. Auch für das Testen von Trafowicklungen auf Windungsschluss sollten das gute Voraussetzungen sein. Das Gerät kam Ende der 1970er auf den Markt und wurde mit den damals verfügbaren Komponenten in der DDR-Welt konzipiert. In der diskret aufgebauten Spannungsregelung und in einem der Leistungsverstärker finden sich noch Germaniumtransistoren.
      Das Gerät wurde zur Nutzung als Unterrichtsmittel konzipiert, in Kombination mit einem simpel gehaltenen Einstrahl-Oszilloskop und einer Vorschalteinheit, die die gleichzeitige Darstellung von zwei Signalen erlaubte. Beides gehörte zum Geräteprogramm der Radio-Fernsehen-Elektronik PGH in Marienberg. Für diese Zwecke war weder eine exakte Frequenzanzeige notwendig, noch hifi-würdige niedrige Klirrfaktoren.

      Lang fristete das Gerät ein Schattendasein in meiner Garage, nachdem ich es vor dem Sperrmüll bewahrt hatte. Nun habe ich es herausgekramt und wieder zum Leben erweckt.

      Schaltung und Bedienungsanleitung sind hier zu finden:

      bee.mif.pg.gda.pl/ciasteczkowypotwor/Inne/UVG2.pdf

      Zum Schaltungskonzept:

      Ein Wien-Brücken-Generator, aufgebaut mit drei Kleinsignal-Transistoren und Amplitudenstabilisierung per Glühlampe 6 V, 50 mA, erzeugt das Rohsignal. Die Kondensatoren der Wienbrücke können in vier Dekaden umgeschaltet werden, ein Doppelpoti sorgt für die lückenlose Durchstimmbarkeit in einer Dekade. Die Ausgangsspannung des Oszis liegt bei maxial ca. 5 Vss Maximum, will man keine zu hohen Verzerrungen.

      Das Oszillatorsignal wird für den Sinusausgang zwei separaten Verstärkern zugeführt. Der eine befindet sich noch mit auf der Oszillatorplatine und erzeugt 30 Vss mit einem relativ hohen und unüblichen Innenwiderstand von 1 kOhm. Der andere hat einen separaten Einschub spendiert bekommen und erzeugt mittels einer Class-A-Schaltung mit Darlingtonkonfiguration 10 Vss mit besagten 10 Ohm Innenwiderstand. Trotz Class A erzeugt die Schaltung schon nennenswerten zusätzlichen Klirr in der Größenordnung von 1%.

      Das Rechtecksignal wird, ebenfalls noch auf der Oszillatorplatine, mittels einer Schmitt-Trigger-Schaltung in Differenzverstärkerkonfiguration aus dem Sinussignal abgeleitet. Auch hier schließen sich für 30 Vss und 10 Vss jeweils separate Verstärkerstufen an. Die Einstellung der Amplitude dieser Rechteckspannungen erfolgt durch Änderung der Versorgungsspannungen dieser Verstärker.



      Schaltung des Oszillators und Rechteckformerstufe



      Nahaufnahme der Oszillatorplatine


      Sowohl Sinus- als auch Rechteckausgang für 1 V werden über Spannungsteiler von den 10 Volt abgeleitet.

      Aufbau:

      Das Gerät ist in einem DDR-typischen Normgehäuse mit Rahmen und Steckkarten, beplankt in lebensfrohem Grau, untergebracht. Innen sieht es erstaunlich aufgeräumt aus. Geflochtene Leiterbäume und Steckkarten sorgen für Ordnung. Einzig die Kondensatorplatine mit den Frequenzbereichsschaltern ist nicht steckbar ausgeführt. Die interne Verschaltung ist leider zum allergrößten Teil mit einheitlich gelb isolierten Drähten ausgeführt worden. Auch finden sich keinerlei Nummern der Steckkontakte an den Leiterzügen im Schaltplan. Das erschwert die Fehlersuche etwas, aber zu schlimm ist das auch nicht. Die Steckkarten sind von drei Seiten zugänglich und man kann so an alle wichtigen Meßstellen herankommen und den Bestückungsdruck erkennen. Das Gehäusekonzept ermöglicht nach Entfernen von nur je zwei Schrauben in Boden und Deckel die Abnahme aller vier Seitenteile. Weitere vier Schrauben, und die Hinterwand ist aus dem Weg, und man kann die Karten herausziehen.

      Mein Exemplar wurde nach 1987 gebaut. Darauf lassen die Datumscodes auf den Bauteilen schließen. Die angefundenen Bauformen der Widerstände und Elkos unterstützen dies. Ein paar vorgefundene Transistoren vom Typ SF826, verwendet als Ersatz für SF126 gab es ebenfalls erst Ende der 1980er Jahre. Noch etwas fällt auf. An mehreren Stellen wurde getrickst, um Widerstände größerer Bauart als ursprünglich geplant auf die Platinen zu bringen. PGHs standen mit am unteren Ende der Zuweisungshierarchie sozialistischer Betriebe. Daraus folgten immer wieder mal Probleme, exakt passende Bauteile für die Produktion zu beziehen.

      Kontakte, Steckverbinder und Schalter erwiesen sich als erstaunlich sauber. Einzig die solide gebauten Stufenschalter hatten Kontaktprobleme. Schuld war nicht etwa eine Oxidschicht, sondern verharztes Fett. Etwas Tunerspray und Wattestäbchenbehandlung, und an dieser Front herrschte Ruhe.

      Abgleich:

      Mein Gerät wies etwas Nachgleichbedarf auf. Der Sinus der Oszillatorschaltung hatte einen flachen Boden, auch in anderen Bereichen passte der Arbeitspunkt nicht.
      Durch die gesamten Schaltungsteile hat der Entwickler großzügig Einstellwiderstände verteilt. Für einige Exemplare gibt es spärliche Angaben im Text der Bedienungsanleitung. Aber eine richtige Abgleichanweisung existiert leider nicht. Bei mehreren Potis funktioniert nach nur geringem Verstellweg der zugehörige Schaltungsteil nicht mehr, so z. B. der Rechteckformer, die Oszillatorschaltung und auch der Sinusverstärker.
      Eine sinnvolle Abgleichreihenfolge und entsprechende Hinweise für die korrekte Sollstellung werde ich deshalb bei Gelegenheit hier noch posten.

      Edit - Ergänzung:
      Weiter unten im Thread ist nun mein Vorschlag zum Abgleichvorgehen zu finden:

      UVG 2 Universal-RC-Generator von Radio-Fernsehen-Elektronik Marienberg

      Viele Grüße,
      Christian
      Bilder
      • Draufsicht.JPG

        100,3 kB, 593×716, 15 mal angesehen
      • RFT_Steckverbinder.JPG

        50,86 kB, 677×476, 12 mal angesehen
      • Steckkarten.JPG

        91,94 kB, 802×602, 31 mal angesehen
      **************************************************
      2 + 2 = 5 (für extrem große Werte von 2)

      Dieser Beitrag wurde bereits 5 mal editiert, zuletzt von „chriss_69“ ()

      chriss_69 schrieb:

      Trotz Class A erzeugt die Schaltung schon nennenswerten zusätzlichen Klirr in der Größenordnung von 1%.


      Heißt das, das Signal vom Oszillator hat deutlich weniger Klirr?

      Dann könnte man den Kasten gut nehmen, um z.B. Bandgeräte einzumessen.
      Möglicherweise reicht es, das Signal bei 30 Volt abzugreifen.
      Ordentlich Spannungsteiler davor und der Pegel ist im richtigen Bereich.

      Andreas
      Was bedeutet DL2JAS? Amateurfunk, www.dl2jas.com
      Hallo Andreas,

      das lässt sich zumindest aus der Simulation des Sinusverstärkers für 10 Vss schließen. Dort kamen bei ordentlich gesetztem Arbeitspunkt 1% Klirr bei maximaler Amplitude zustande. Beim Abgleichen habe ich auch bemerkt, dass der Arbeitspunkt des Verstärkers sorgfältig in die Mitte des Aussteuerbereiches eingestellt werden muss, sonst verformt sich der Sinus schon sichtbar am Oszi.
      In den technischen Daten finden sich zum Klirrfaktor keinerlei Angaben. Das hatte sicher einen Grund.
      Was schon vom Oszillator kommt, muss ich erst einmal messen, auch was durch den 30 Vss-Nachverstärker dazu kommt.

      Viele Grüße,
      Christian
      **************************************************
      2 + 2 = 5 (für extrem große Werte von 2)
      Ja, dann wird eine Messung interessant!

      Das Gerät ist ja schön modular aufgebaut.
      Wäre es meines, würde ich eine neue Verstärkerkarte mit deutlich weniger Klirr entwerfen.
      Vorteil, man kann die Karten jederzeit tauschen, also wieder in den Originalzustand versetzen.
      Ich mag kein Herumgebastel an historischen Geräten, sollen möglichst original sein.
      So machte ich es in mehreren Fällen bei deutlichen Verbesserungen.
      Deutlich bessere Werte mit moderner Technik, Originalzustand sofort wieder herstellbar.

      Andreas
      Was bedeutet DL2JAS? Amateurfunk, www.dl2jas.com
      Daten zum Klirrfaktor:

      Ausgang des Oszillators, am positiven Pol von C403: 0,05% THD bei 4,4V Vss/ 1kHz und 10 kHz.
      Bei 100 Herz geht der Wert etwas nach oben, aber insgesamt ist das Niveau viel besser, als ich erwartet hätte.

      Die nächste Stufe ist der 30 Vss- Verstärker. Dort sind es bei voller Ausgangsamplitude ca. 1 % THD, gemessen direkt am Ausgang des Gerätes. Eine Belastung des Ausgangs mit Widerständen 100 Ohm und 10 Ohm senkt zwar den Ausgangspegel, aber der Klirrfaktor ändert sich nicht nennenswert. Reduziert man den Ausgangspegel durch das Poti an der Frontplatte, nehmen auch die Verzerrungen deutlich ab. Es wirkt auf den Eingang des Verstärkers, die dadurch geringere Aussteuerung reduziert halt die Verzerrungen der Kollektorstufe.

      Die dritte Stufe, der niederohmige 10 Vss-Verstärker, bringt am Ausgang dann nur noch 0,5% THD, obwohl er sein Eingangssignal aus der 30 Vss-Stufe bezieht. Nur eine zusätzliche Emitterfolgerstufe wurde spendiert, bevor das Signal an die Leistungsverstärkerstufe weitergegeben wird. Es müssen sich also die Verzerrungen der Stufen teilweise untereinander aufheben. Ein interessanter Effekt. Aber noch traue ich dem Ergebnis nicht ganz über den Weg. Wie Reinhard schon manchmal bemerkte, beim Messen des Klirrfaktors mittels Soundkarte gibt es etliche Fehlermöglichkeiten. Vielleicht nehme ich das noch einmal mit den einzelnen Komponenten der Harmonischen auseinander.

      Andreas, in der Tat, der niedrige Klirrfaktor am Ausgang des Oszillators spricht für den Neuaufbau der beiden Sinusverstärker. Das Gerät bietet sehr gute Voraussetzungen dafür. Der Trafo ist reichlich bemessen und bietet mit einer leistungsfähigen 16 V - Wicklung ausreichend Strom für den Betrieb eines solchen Leistungsverstärkers. Den könnte man dann gleich noch einmal deutlich niederohmiger auslegen, quasi eine etwas breitbandigere NF-Endstufe installieren. Ich muss dann doch mal schauen, ob es noch passende Messerleisten gibt.

      Viele Grüße,
      Christian
      **************************************************
      2 + 2 = 5 (für extrem große Werte von 2)
      In der Tat ist es möglich, dass sich in kaskadierten Stufen Harmonische u.U. auch insgesamt mal verringern können, wenn sie eine Phasendrehung bekommen. In der Gegenkopplung von T201 sitzt ein Phasenschieber.
      Das sieht man in der Simulation, wo auch die Phasenlage jeder Oberwelle mit ausgegeben wird.

      Gruß
      Reinhard

      Dieser Beitrag wurde bereits 1 mal editiert, zuletzt von „oldiefan“ ()

      Christian, dann man ran!

      0,05 % ist wirklich gut für so ein Gerät, was eher für einfachen Lehrbetrieb konzipiert wurde.
      Damit geht dann auch Klirrmessung an Verstärkern, die nicht in der Oberliga spielen.
      Bei den Steckverbindern würde ich mal bei Pollin schauen, die haben auch Restposten DDR.
      Wird das nichts, kann ich mal bei mir sehen.
      Mein verstorbener Vater war Modelleisenbahner, da schlummern in Kisten viele Steckverbinder.
      Habe ich nicht direkt was, schaue ich in seinem Fundus, machen wir bei Bedarf über Private Nachricht.

      Andreas
      Was bedeutet DL2JAS? Amateurfunk, www.dl2jas.com
      Hallo Christian,

      Du hast sicher schon Ideen, wie Du es machst.
      Da ich Zeit hatte und Interesse, habe ich auch mal darangemacht. Soll nicht in Konkorrenz zu Deinem Vorhaben stehen, evtl. - nur wenn Du magst - als Anregung oder sonst als Ergänzung / Alternative.

      Erstmal die Originalschaltung von Radio-Fernsehen-Elektro Marienberg:
      Habe ich simuliert (Du evtl. auch schon) und finde, was Du misst: Am Ausgang der 10V-Stufe Klirrfaktor > 0,6 %. Wird sogar noch viel grösser, über 10 %, wenn man auf 100 kHz geht. Auch mit anderen Halbleitern nicht wesentlich besser zu bekommen, Arbeitspunkte optimiert. Am Ausgang der 30 V Stufe konnte ich es besser hinbekommen, bis 0,2 % Klirr bei 1 kHz. Aber bei 100 kHz dort dann auch > 1 %.
      Die Schaltung ist ja nicht für Mess- und Prüfzwecke gedacht, sondern für Demo- und Lehrzwecke. Durch Optimieren ist da nicht mehr viel drin.

      Angeregt durch gerade durchgeführte Untersuchungen an Kopfhörerverstärkern, die mir für die Tests Michael ausgeliehen hatte, und die dabei gemessenen Klirrfaktoren unterhalb von 0,01 %, bei teilweise erheblicher Strompotenz und Breitbandigkeit bis über 100 kHz (teilweise sogar 1 MHz), habe ich auf der Basis OPV mal was entworfen, das sich an einfache KHV-Schaltungen anlehnt.

      Der 30 V(ss) Signalverstärker hat ja einen hochohmigen (1 kOhm) Ausgang, da genügt bereits ein OPV ohne Strombooster-Nachbrenner.
      Für den 10 V(ss) Signalverstärker mit 10 Ohm Ausgang, dessen Ausgangssignal noch mit dem schaltbaren Spannungsteiler auf 1 V(ss) heruntergeteilt wird, sollte höhere Stromlieferfähigkeit und niedrige Ausgangsimpedanz gegeben sein. Das ist leicht dadurch zu realisieren, indem man dem OPV noch eine Stromverstärkerstufe mit Leistungstransistoren auf einem Kühlkörper spendiert (ich habe in der Simulation BD243C/BD244C verwendet, andere sind auch möglich), ähnlich wie hier bei ESP-Entwurf (die dort verwendeten BD139/BD140 sind aber für Deine Anwendung zu schwach): sound-au.com/project113.htm

      Die "über-alles-Gegenkopplung" sorgt für niedrigen Klirrfaktor, hohe Bandbreite von über 100 kHz undsehr niedrige Ausgangsimpedanz. Deshalb wird in Serie noch 10 Ohm nachgeschaltet, um die Original-Spezifikation (10 Ohm Ausgangswiderstand) zu erfüllen und den Ausgang robust zu machen.

      Die beiden OPV-Schaltungen, eine für 30 Vss (1 kOhm), die zweite für 10Vss / 1 Vss (10 Ohm/100 Ohm) lassen sich - wie im Original - auf je einer Platine mit den originalen Versorgungsspannungen von +42 V und +16 V (niederohmige Quellen) in "single-supply" Technik mit virtueller Masse realisieren. Daher sind an den Ausgängen der beiden Verstärker Koppelkondensatoren erforderlich. Beim 30V Verstärker reichen dafür 470 µF, da der Ausgangswiderstand sowieso 1 kOhm beträgt. Aber beim 10 V Verstärker muss auch bei 10 Hz die Ausgangsimpedanz niedrig sein, deshalb dort 4700 µF.
      Die 30V Schaltung versorgt den Eingang des 10V Verstärkers, ähnlich wie wie im Original. Dafür sind die Spannungsteiler passend zwischengeschaltet.

      Es werden ausserordentlich attraktive Klirrfaktoren, von deutlich < 0,01% (teilweise bis zu 0,002 %) erzielt. Solche tiefen Werte habe ich auch an den Kopfhörerverstärkern gemessen, sie sind für diese OPV-Schaltungen typisch.


      So liesse sich das machen:

      Es müssen OPV verwendet werden, die unity-gain stabil sind und +/- 22V Versorgungsspannung vertragen, z.B. NE5532, der dann jeweils nur für je einen OPV beschaltet wird. OPA2134 kann man leider nicht nehmen, da für ihn nur max 36V von V+ zu V- gestattet sind, aber hier beim 30 V Verstärker 42 V anliegen.


      Frequenzgang an den drei Ausgängen:



      Sinussignale an den drei Ausgängen (1 kHz):



      Simulation Klirrfaktoren (THD) bei 100 kHz und 1 kHz, jeweils volle Amplitude (30Vss, 10Vss und 1Vss):


      Dieser Umbau mit den zwei neuen Verstärkerplatinen könnte reversibel ausgeführt werden.


      Gruß
      Reinhard

      Dieser Beitrag wurde bereits 4 mal editiert, zuletzt von „oldiefan“ ()

      Meine fünf Cent dazu:
      Das ganze Gerät lebt und stirbt mit dem Stabiliserungs-PTC, hier in Form eines Glühlämpchens. Gebt gut darauf acht!
      Ich habe einen batteriebetriebenen NF-Generator von Philips mit der (etwa) gleichen Schaltung. Typ PM 5101, etwa Baujahr 1970. Der benutzt ein einem Lämpchen ähnlichen Spezial-PTC, optisch ähnlich wie eine Subminiatur-Röhre. Diese war bei meinem Exemplar defekt. Ich habe viele Lämpchen ausprobiert, und mit keinem funktionierte es nicht einmal ansatzweise brauchbar. Mit sehr viel Glück bekam ich ein Originalteil - mit diesem arbeitete das Gerät sofort einwandfrei.
      Der PTC-Draht stabilisiert - das hört sich harmlos an, Tatsache ist aber, wenn der Wert bzw. die Charakteristik nicht genau passt, schwingt die Schaltung überhaupt nur mit viel Fingerspitzengefühl und die kleinste Frequenzänderung lässt die Amplitude springen und die Schwingung abreissen.

      VG Stefan
      Hallo zusammen,

      nur ganz kurz, da ich diese Woche unterwegs bin:

      Die Steckverbinder weisen eine starke Ähnlichkeit mit den DIN-41617-Messerleisten auf. Bestätigungsmessung kann ich frühestens Samstag durchführen.

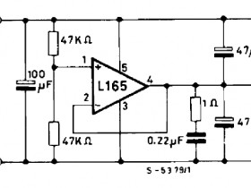
      Schaltungskonzept: So ähnlich wie Reinhard wollte ich das auch angehen. Hallo Reinhard, vielen vielen Dank für die Vorarbeit. Als Leistungsverstärker hatte ich zuerst bei mir reichlich vorhandene L165V ins Auge gefasst. Opamps mit Nachbrenner haben aber bessere Werte.

      Aufteilung: Oszillator, Rechteckformer und 30V-Sinusverstärker befinden sich auf einer Karte, der Leistungsverstärker 10v auf einer zweiten. Beide werde ich neu gestalten.

      Viele Grüße,
      Christian
      **************************************************
      2 + 2 = 5 (für extrem große Werte von 2)
      Zum PTC/ Glühlampe. In der Anleitung finden sich wenigstens zwei Angaben dazu: 6 V, 50 mA. Auf dem Foto der Oszillatorkarte ist sie mit drauf, verbaut wurde ein Telefonlämpchen, T6,8 ist wohl die offizielle Bezeichnung der Fassung. Die kriegt man mit diesen Zahlen auch heute noch, aber Stefans Einwand ist nicht von der Hand zu weisen. Neben dem Widerstand bei Nennleistung spielen hier weitere Eigenschaften eine Rolle, vor allem Verhältnis Kaltwiderstand/ Heißwiderstand und die thermische Trägheit. Da können heutige Typen durchaus abweichen. Das wird sich zeigen...
      Ansonsten: Wenn die Lampe nicht gerade mechanisch Schaden nimmt, in der Schaltung lebt sie nahezu ewig. Sie glüht ja nicht einmal.

      Viele Grüße,
      Christian
      **************************************************
      2 + 2 = 5 (für extrem große Werte von 2)
      Hallo Christian,

      ich hatte auch erst an einen Power-OPV mit dem TDA2030 gedacht. Aber dann im Datenblatt gesehen, dass die Angaben zum Klirrfaktor oberhalb von 20 kHz viele Fragen offen lassen, wenn auch der Bereich gut bedient werden soll. Nach anderen Power-OPVs habe ich dann nicht mehr geschaut.

      Im Thomson Datenblatt vom L165 sehe ich jetzt keine Angaben zum Klirrfaktor.
      Den L165V (SGS Thomson) gab es auch als RFT Nachbau unter der Bezeichnung B165H und B165V (verschiedene Gehäuse/Einbaulagen - horizontal oder vertikal). Im RFT Datenblatt steht zu Frequenzgang und Klirrfaktor gar nichts. Den B165V hatte ich mir mal besorgt, um damit aus einer single supply Versorgung eine leistungsstärkere split-Power-Supply Versorgung zu bauen. Wäre dafür in Deinem Projekt ja auch gut verwendbar.




      Gruß
      Reinhard
      Passt. Angaben zum Klirrfaktor der RFT-Bauelemente findet man beim B165 auch nicht, dafür aber beim A2030. Das Datenblatt zum RFT-A2030 findet man bei einer Googlesuche leicht, deshalb verlinke ich die Daten hier nicht erst. Der B165 ist lediglich ein Ausmesstyp des A2030 hinsichtlich niedriger Eingangsoffsetspannung, die Angaben zum Klirrfaktor dürften damit auch für ihn gelten. Ab 40 kHz nimmt der deutlich zu, auch bei geringer Ausgangsleistung. Deshalb ist Reinhards Lösung die bessere Variante.




      Steckkontakte: Leider ist die DDR-Version nicht identisch mit den 31-poligen Versionen der Norm DIN 41617. Die Stiftreihen haben einen Abstand von 5 mm statt 3,8 mm. Da aber meist nur eine Reihe für die Kontaktierung genutzt wurde, könnte ich tricksen und die Reihe 2 entfernen. Ich bezweifle, dass ich Originale auftreiben kann. Auch die Eigenherstellung einer entsprechenden Stiftleiste liegt im Bereich des Möglichen.

      Lampe als PTC:



      Das ist die Kennlinie der Originallampe: Strom und Widerstand in Abhängigkeit von der Spannung.

      In der Schaltung bekommt die Lampe ihre Spannung über den Kondensator C402, 470 µF, und den Einstellwiderstand W401, der bei mir auf 82 Ohm steht. Damit liegen an der Lampe bei 4,4 Vss am Ausgang ca. 550 mVeff an und sie hat einen Widerstand von ca. 40 Ohm. Der Kondensator ist so bemessen, dass selbst bei unterer Grenzfrequenz von 10 Hz sein Blindwiderstand von ca. 33 Ohm nur einen vernachlässigbaren Einfluss auf die Lampenspannung hat. Ganz wie es sein soll.
      Da ich mit dem 30Vss-Verstärker auch den Rest der Oszillatorkarte nachbauen muss, fange ich mal mit der Erprobung des Sinusgenerators an. Dann wird sich auch zeigen, ob ähnliche Glühlampen in meinem Fundus als PTC geeignet sind. Nach den heutigen Messungen bin ich da zuversichtlich.

      Viele Grüße,
      Christian
      **************************************************
      2 + 2 = 5 (für extrem große Werte von 2)
      Kleiner Tip passende Lämpchen!

      Möglicherweise lesen hier Leute mit ähnlichem Problem, Lämpchen im Schwingkreis.
      Aktuell gibt es bei Pollin Glühlämpchen 9 ... 14 Volt 40 mA, 10 Stück für 35 Cent:
      pollin.de/p/miniatur-gluehlaempchen-4-mm-10-stueck-531600
      Andere sinnvolle Anwendung, Beleuchtung in Aussteuerungsanzeigen, Feldstärke, etc.
      Manche Stereodekoder haben einen Ausgang für Stereoanzeige, Lämpchen, nicht LED.
      Da dürfen nur Lämpchen mit wenigen mA angeschlossen werden, auch dafür geeignet!

      Andreas
      Was bedeutet DL2JAS? Amateurfunk, www.dl2jas.com
    • Benutzer online 2

      2 Besucher