Zähler Stromausfall

      Stromausfallzähler Version 3

      Michael regte an, eine Spannungsversorgung der Schaltung über Netzteil wäre wünschenswert.
      Haken, die Versorgungsspannung ist natürlich dann bei Stromausfall weg.
      So kam ich bald auf die Idee, die Batterie nur noch als Pufferung bei Stromausfall zu nehmen.
      Das ist die simple Schaltung mit den beiden Dioden, die ich zuvor zeigte.
      Damit die Batterie nur als Puffer arbeitet, muss ihre Spannung kleiner als die des Netzteils sein.

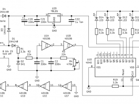
      Die vorherige Schaltung erweiterte ich um diese beiden Dioden 1N4148.
      Da der Trafo mit einer Seite an Masse hängt, geht nur Einweggleichrichtung.
      Das stört nicht weiter, im ungünstigsten Fall fließen höchstens 10 mA.
      Sicherheitshalber vergrößerte ich den Elko C20 von 47 auf 100 µF.
      Davon unabhängig gibt es noch zwei kleine Änderungen.
      C22 hinter dem Regler ist jetzt statt 330 nF ein Tantal 1 µF.
      Beim Poti nahm ich statt 1 MΩ 470 kΩ, kurze Zeiten besser einstellbar.

      Später mehr, ich bin momentan mit Probelauf und Messungen beschäftigt.
      Wer bei Christian eine Platine (Version 2) bestellte, kann die ganz leicht abändern.
      Eine Leiterbahn wird unterbrochen und dann die beiden Dioden D3 und D4 eingelötet.
      Die kleine Änderung zeige ich im nächsten Beitrag mit Bild.

      Andreas
      Bilder
      • stromweg3.png

        126,04 kB, 1.024×582, 17 mal angesehen
      Was bedeutet DL2JAS? Amateurfunk, www.dl2jas.com
      Schaltungstest, Messungen

      Im Bild sieht man gut die kleine Abänderung mit den beiden Dioden D3 und D4.
      Bei einer nahm ich 1N4148 in Ausführung SMD, Mini-MELF, bedrahtet geht natürlich auch.
      Unter der ist die Leiterbahn aufgetrennt, die Verbindung von Bat+ zum Elko C20.
      Die andere geht vom Trafoanschluss ebenfalls zum Elko C20.

      Das Steckernetzteil ist eins mit konventionellem Trafo und Gleichrichter ohne Siebelko.
      Gleiches Netzteil baute ich zum Testen um auf AC, also Gleichrichter entfernt.
      Der Gleichrichter stört hier nicht, es darf nur kein Glättungskondensator vorhanden sein.

      Mit beiden Netzteilen ergibt sich am Elko C20 eine Spannung von ca. 15 Volt, guter Wert.
      Im Oszillogramm sieht man die Spannung über dem Siebelko C20, alle LEDs leuchten.
      Ich nahm das AC-Netzteil, also nur Einweggleichrichtung, wenig Brummspannung.
      Bei 15 V über Netzteil ist gegeben, daß die Spannung von der Batterie 9 V niedriger ist.
      Liegt an Bat+ mindestens 7,5 Volt an, ist ein üblicher 78L05 im Arbeitsbereich.
      Kleiner Test, ich zog das Netzteil, die Stützbatterie Block 9 V war nicht angeschlossen.
      Ist die Unterbrechung unter einer Sekunde, bleibt der Zählerstand erhalten und zählt weiter.
      Die LEDs leuchten bald nicht mehr, jedoch hält der 4040 den Zählerstand.
      Ist die Pufferbatterie angeschlossen, merkt man nichts, sieht nur das Weiterzählen.
      Bald kommt das leicht abgeänderte Platinenlayout mit den beiden zusätzlichen Dioden.

      Andreas
      Bilder
      • mod-dioden.jpg

        79,47 kB, 600×450, 12 mal angesehen
      • c20oszi.jpg

        45,42 kB, 600×450, 8 mal angesehen
      • stromweg+nt.jpg

        100,08 kB, 600×450, 9 mal angesehen
      Was bedeutet DL2JAS? Amateurfunk, www.dl2jas.com
      Platinenlayout Version 3 Stromausfallzähler

      Die Platine ist mit den beiden Dioden D3 und D4 gerade mal um 1/10 Zoll breiter geworden.
      Größtenteils behielt ich das Layout bei, optimierte noch ein wenig.
      Beim Elko C20 ist jetzt mehr Platz und es passen welche mit 2,5 sowie 3,5 und 5 mm Raster.
      Ähnlich bei den Folienkondensatoren, jetzt Lötaugen für 1/10 bis 3/10 Zoll.
      Statt üblichem Poti stehend oder liegend passen jetzt auch stehende Spindeltrimmer.
      Dem Taster gönnte ich ein paar mehr Lötaugen, viele gängige Printtaster passen.
      Weiterhin ist die Schaltung für Punktraster geeignet, nur eine Brücke (rot) erforderlich.
      Es ist wieder die Layout-Datei herunterladbar, wie gewohnt .txt entfernen.

      Andreas
      Bilder
      • stromweg-lay5.png

        40,86 kB, 800×650, 10 mal angesehen
      Dateien
      Was bedeutet DL2JAS? Amateurfunk, www.dl2jas.com
      Heute die fertig aufgebaute Schaltung der Version 3!

      Gestern kam die Platinenlieferung, Christian bestellte netterweise für mich mit.
      Recht bald war die Platine bestückt und dann auf volle Funktion getestet.
      Mittelschweres Herzrasen, eine LED wollte nicht leuchten, Layoutfehler?
      Es war die LED selbst, hochwertige Industrieware, kein billiger Bastelkram aus Pingpong.

      Wie ich schon schrieb, jetzt übernimmt der Trafo, bzw. AC-Netzteil, auch die Stromversorgung.
      Dafür sorgen die beiden zusätzlichen Dioden D3 und D4, beide 1N4148.
      Die Batterie 9 Volt ist nur noch für die Überbrückung bei Stromausfall nötig.
      Geringfügig änderte ich das Layout, der Platz ist jetzt besser genutzt, siehe Bild.
      Jetzt passen Elkos bis 10 mm Durchmesser und gleichzeitig Poti liegend.
      Auch ist jetzt Platz für gängige Printtaster liegend, wie man sieht.
      Beim Folienkondensator nahm ich versuchshalber einen WIMA mit Pinabstand 7,5 mm, passt gut.
      Es passen natürlich auch Kondensatoren mit 2,5 oder 5 mm Pinabstand, zusätzliche Lötaugen.
      Die Kontaktanschlüsse für den Trafo versetzte ich etwas, nun auch diverse Steckverbinder möglich.
      Spaßeshalber lötete ich bleifrei mit 0,8 mm Weller WSW SCN M1 (SN0.6CU0.05NI), Löttemperatur 350 °C.
      Das Lot ist zwar teuer, aber durchaus empfehlenswert, wenn man bleifrei löten will oder muss.
      Vermutlich biete ich den Stromausfallzähler demnächst hier im Forum als kompletten Bausatz an.
      Da muss ich aber noch Material bestellen, habe nur noch welches für wenige Bausätze.

      Andreas
      Bilder
      • stromweg3plat-top.jpg

        96,13 kB, 600×450, 7 mal angesehen
      • stromweg3plat-bot.jpg

        79,69 kB, 600×450, 10 mal angesehen
      Was bedeutet DL2JAS? Amateurfunk, www.dl2jas.com
      Löttemperatur, nicht Schmelzpunkt!

      Bei üblichem SN60PB40 stelle ich meist eine Temperatur zwischen 350 und 380 °C ein.
      Niedrige Temperatur gibt schönere Lötstellen, reicht aber meist nicht bei größeren Flächen wie Masseanschlüssen.
      Der Bereich diente mir als Orientierung bei dem Bleifrei-Lot.
      Bei der Zählerplatine sind ja keine größeren Kupferflächen.
      Ich probierte halt, ob es mit dem Zeugs von Weller ähnlich ist.
      Ist die Temperatur zu hoch, ist bald die Oberflächenspannung weg, wird klumpig.
      Bei zu niedriger Temperatur produziert man schnell mürbe Lötstellen, Übergang zum Wackelpudding.
      Soweit ich mich erinnere, kam der Tip mit 350 °C von Mia, die reichlich Berufserfahrung hat.
      Kann sein, daß ich das Lot mal bei Mouser bestellte, sollten aber auch deutsche Firmen anbieten.
      Nebenbei, Mouser hat auch noch Lote SN60PB40, die Amis sehen das anders...

      Andreas
      Was bedeutet DL2JAS? Amateurfunk, www.dl2jas.com



      Weiterer Aufbau der Version 3!

      Vor einigen Tagen kam mit reichlich Verzögerung das bestellte Material, alles leider nicht.
      Es dauert nicht mehr lange, dann biete ich im Forum die Schaltung als günstigen Bausatz an.
      Der Teilesatz wird dann so oder sehr ähnlich aussehen, wie die Platine im Bild bestückt ist.
      Es sind hochwertige Bauteile, ich kaufte wieder teilweise echt günstig ein, kein Bastelkrams.
      Ich bekam Taster mit höherem Drückknopf, passen prima auch bei ICs in Fassungen.
      Dem Bausatzt werden Fassungen beiliegen und die IC-Beinchen werden ausgerichtet sein.

      Etwas wird es noch dauern, bis ich den Bausatz anbiete, habe gerade wieder wenig Zeit.
      Noch nicht fertig, ich schreibe an einer Anleitung, wie man sie von guten Bausätzen kennt.
      Der Bausatz ist dann auch für Anfänger geeignet, die halbwegs Löterfahrung haben.
      Eventuell gibt es zwei Versionen, auch eine mit zusätzlichem Steckernetzteil und Batterie.
      Dann hat man wirklich alles komplett, Rundumsorglospaket für baldige Inbetriebnahme.

      Andreas
      Bilder
      • stromweg3+.jpg

        116,67 kB, 600×450, 205 mal angesehen
      Was bedeutet DL2JAS? Amateurfunk, www.dl2jas.com