Ins Schema der z.B. Freundenstadt 7 gibt es Elementen in den Symbolen für Zwischenfrequenz Transformatoren, wofür ich eine Legende suche.
Kann jemand erklären was die Bedeutung ist von die kleine "o" mit eine "T" darauf oben rechts ?
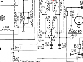
Diese Symbole findet man genau oben oder in der Nähe von Symbole für die Ferritkerne.
Falls die eine Kupplung bedeuten sollten, verstehe ich nicht warum sie fehlen bei anderen, z.B. L8-L9 in rote Ecke.
Zusetzlich:
Kann jemand erklären was die Bedeutung ist von die kleine "o" mit eine "T" darauf oben rechts ?
Diese Symbole findet man genau oben oder in der Nähe von Symbole für die Ferritkerne.
Falls die eine Kupplung bedeuten sollten, verstehe ich nicht warum sie fehlen bei anderen, z.B. L8-L9 in rote Ecke.
Zusetzlich:
- wofür stehen die Marken 'A' und 'E' ? Vielleicht ist 'E' für erdseitig ?
- was ist den Unterschied zwischen zwei separate Punktlinien (wie in Fi.2) oder eine Doppelpunktlinie (wie in Fi.1) an der Stelle des Kernes?