RF-Pegelmesser mit AD8307 zum Vergleichen von Piezofiltern

      RF-Pegelmesser mit AD8307 zum Vergleichen von Piezofiltern

      Hallo die Runde,

      Seit den 70er Jahren wurden oft Keramikfilter in der ZF-Selektion verwendet. Diese drei- oder vierbeinigen Bauelemente ersetzten die bis dahin üblichen Bandfilter weitgehend. Meist gibt es mindestens noch einen klassisch aufgebauten Bandfilter in der ZF-Kette, um die Weitabselektion zu verbessern. Dort liegt nämlich eine der Schwächen dieser Bauteile.
      Beim Reparieren von FM-Empfängern kommt man ab und an mit defekten Piezofiltern in Berührung, besonders RFT-Geräte zeigten sich anfällig, die eingesetzten Filter aus DDR-Produktion fallen öfters aus, indem sie das ZF-Signal nicht mehr übertragen. Bei westlichen Fabrikaten (Murata, Toko u.a.) kommt es allenfalls zu Alterung und einer damit verbundenen Frequenzdrift von einigen 10 kHz.

      Falls mehr als ein Keramikfilter im Gerät verbaut ist, muss der Ersatz zum vorhandenen Filter passen, will man nicht den kompletten Satz tauschen. Leider gibt es, anders als bei Kondensatoren oder Widerständen, keine einheitliche Kennzeichnung dieser Bauteile, auch die Typbezeichnung selbst ist nur mit viel Datenbuchlesen entschlüsselbar. Hier kann eine Messung Abhilfe schaffen.

      Es interessieren vor allem zwei Kenngrößen: Mittenfrequenz und Bandbreite, genauer gesagt die 3-dB-Bandbreite. Die dritte relevante Kenngröße, die Einfügedämpfung, spielt in der Reparaturpraxis kaum eine Rolle. Sie hängt mit den ersten beiden Kenngrößen zusammen und kleinere Schwankungen bleiben durch die hochverstärkende ZF-Kette meist ohne große Folgen. Um den Frequenzgang eines Filters zu messen, führt man ihm eine in der Frequenz variable Wechselspannung mit konstanter Amplitude zu und schaut dann, was nach dem Filter noch davon übrig ist. Für Ersteres ist ein RF-Generator notwendig, für die Messung nach dem Filter eine entsprechende Analyseeinheit, die in der Lage ist, über mehrere Zehnerpotenzen hinweg die Signalamplitude zu messen. Wichtig bei der Geschichte ist außerdem, dass man die Keramikfilter mit passender Impedanz betreibt, sowohl am Eingang, als auch am Ausgang. Abweichungen vom Soll, in aller Regel 330 Ohm, führen zu einer Verschiebung der gemessenen Mittenfrequenz.

      Die Analyse lässt sich mittlerweile relativ komfortabel mit einem IC von Analog Devices bewerkstelligen, dem AD8307. Dieses IC formt eine RF-Signalamplitude in eine Gleichspannung am Ausgang um, die mit jedem handelsüblichen Multimeter gemessen werden kann. Die Besonderheit besteht darin, dass dies logarithmisch geschieht. Man bekommt also eine lineare Änderung der Ausgangsspannung in Abhängigkeit von der Eingangsamplitude in dB. Das hat den großen Vorteil, dass ohne jegliche Umschaltung Amplitudenwerte mit einem Hub über 70-80 dB angezeigt werden. Der AD8307 packt bei sauberem Aufbau eine Spanne von ca 30 dB bis zu ca. +122 dB (µV).
      Man kann eine solche Durchlasskurve statisch aufnehmen: Frequenz des Meßsenders durch den interessierenden Bereich durchstimmen und mit dem Multimeter die Ausgangsspannung am AD8307 notieren. Die Wertepaare kann man grafisch aufnehmen. Komfortabel wird es aber erst mittels Wobbelfunktion und Oszi.

      Es gibt fertig aufgebaute Sets mit dem AD8307, man kriegt den Chip aber auch einzeln. Ich habe mich für den Selbstbau entschieden und dabei weitgehend die Anwendungsschaltung aus dem Datenblatt genutzt, siehe angehängtes Bild. Die Koppelkondensatoren C1 und C2 an den Eingängen können im Bereich von 1-10 nF liegen. Wichtig ist der Widerstand Rt. Um den Keramikfilter mit dem zulässigen Lastwiderstand zu versehen, muss dort ein 510-Ohm-Widerstand verbaut werden. Parallel zu den 1,1 kOhm Eingangswiderstand des ICs ergibt sich der richtige Wert.
      Bei den fertig aufgebauten Modulen sitzt dort in der Regel ein abweichender Wert. Der sollte ersetzt werden.
      Die Stromversorgung erfolgt via Spannungsregler 5 Volt, ein 78L05 mit den üblichen Kondensatoren an Ein- und Ausgang funktioniert wunderbar, die Speisung kann mit einem Labornetzteil oder auch mit einer 9-V-Batterie erfolgen.





      So sieht die Geschichte bei mir aus. Da ich den AS5 von Grundig nutze, der 75 Ohm Ausgangsimpedanz aufweist, muss ich die Speisung anpassen. Hier geschehen mit einem Widerstand von 82 Ohm von der Koaxseele zu Masse und einem 270 Ohm - Widerstand in Reihe in Richtung Keramikfilter. Das ergibt ca. 310 Ohm Impedanz und knapp 12 dB Dämpfung.

      Für einen Generator mit 50 Ohm Ausgang kann man 56 Ohm Richtung Mantel und 300 Ohm in Reihe zwischen Filtereingang und Koaxseele schalten.

      Messbeispiele folgen.

      Viele Grüße,
      Christian
      Bilder
      • Schaltung.JPG

        30,58 kB, 510×300, 13 mal angesehen
      **************************************************
      2 + 2 = 5 (für extrem große Werte von 2)

      Dieser Beitrag wurde bereits 9 mal editiert, zuletzt von „chriss_69“ ()

      Hier sind die ersten Messkurven, mittlerer Eingangspegel von ca. 80 dB(µV) am AS5F.
      Leider steht die Kurve nicht bei höheren Wobbelfrequenzen, irgendwo ist da noch ein Speichereffekt versteckt, den ich noch nicht eliminieren konnte. Durch das langsame Durchlaufen des Frequenzbandes kann man den Effekt zwar minimieren, aber damit lässt sich nicht gut fotografieren. Ab und zu fehlt deshalb auch mal ein Kurvenstück, man sieht dem Oszistrahl quasi bei der Arbeit zu.

      Man sieht trotzdem deutliche Unterschiede in der Bandbreite und auch bei der Mittenfrequenz. Beides lässt sich für eine Filterauswahl ausreichend exakt ermitteln. Abweichungen von 10-20 kHz sind da meines Erachtens akzeptabel, wenn man zwei oder mehr Filter in einem Gerät hat. Auch die Kurvenform lässt sich betrachten. Der Verlauf beim Toko-Filter kommt dem Ideal ziemlich nahe: Steile Flanken, abgeflachtes Dach.

      Der RFT-Filter mit vier Beinen (Intern handelt es sich um zwei Dreibeine) zeigt starke Alterungserscheinungen. Die Mittenfrequenz ist nach rechts gewandert und weist mit ca. 10,9 MHz einen Wert auf, den selbst die keramischen Werke Hermsdorf nicht mehr verkauft haben. Auch die beiden internen Filterelemente passen nicht gut übereinander, was man am asymmetrischen Buckel erkennt. Beim Abgleich eines solchen Radios rein nach Maximum wird man nicht froh. Nach einer Seite fällt der Empfangspegel relativ schnell ab, die andere Seite ist zu breit. Das dürfte man beim Beobachten des Mitteninstrumentes und der Feldstärkeanzeige schon sehr deutlich bemerken. AFC und ggf. feldstärkeabhängiges Muting arbeiten nicht mehr sauber bei schwachen Sendern, bei Pegelspitzen kann es anfangen zu spratzeln.
      Bilder
      • Kurven01.JPG

        174,33 kB, 1.449×819, 13 mal angesehen
      **************************************************
      2 + 2 = 5 (für extrem große Werte von 2)

      Dieser Beitrag wurde bereits 1 mal editiert, zuletzt von „chriss_69“ ()

      Hallo Christian,

      schöne Messungen!
      So ein Filter Test-Jig für Keramikfilter wollte ich auch schon lange bauen. Deine Angaben sind dafür sehr hilfreich!

      In vielen Applikationsbeispielen für den AD8307 und auch in den angebotenen Fertigmodulen (die Christian erwähnt hat) ist an dessen Ausgang nach Masse ein Kondensator (z.B. 100 nF) geschaltet (zur Glättung). Der darf aber für diese Wobbelmessung nicht vorhanden sein oder falls doch, muss er < 10 nF sein, denn er erzeugt eine hier nicht erwünschte Trägheit (= Zeitkonstante) der Spannungsänderung am Ausgang des AD8307,so dass das Wobbelsignal (z.B. bei 50 Hz Wobbelfrequenz) zeitverschoben wird. Dadurch wandert die am Oszilloskop gemessene Durchlasskurve nach rechts (zu höherer Frequenz verschoben) und wird auch etwas unsymmetrischer.

      In den sog. HF-power meter modulen und AD8307 evaluation boards, die man z.B. über die bekannten Handelsplattformen für kleines Geld kaufen kann, ist der hier unerwünschte Kondensator (meist C= 100 nF) enthalten, so dass man diese Platinen für Wobbelmessungen nur nehmen kann, wenn man ihn ersatzlos entfernt oder durch < 10 nF ersetzt.

      Hier ist also C9 unbedingt zu entfernen (und R4 soll auch nicht bestückt sein!):





      Gruß
      Reinhard

      Dieser Beitrag wurde bereits 1 mal editiert, zuletzt von „oldiefan“ ()

      Chris, schönes Thema Messtechnik!

      Auch ich messe meist mit dem AD8307, kaufte bei Funkamateur ein fertiges Platinchen.
      Momentan vergriffen, im Zulauf, kostet aktuell 9,80 Euro:
      box73.de/product_info.php?products_id=4824
      Alternativ nimmt man einen AD8310, sehr ähnlicher Schaltkreis, hier Modul:
      box73.de/product_info.php?products_id=4386
      Klickt man auf die Links, kommt man auch an die Datenblätter.
      In beiden Fällen wird man auf der Platine den Eingangswiderstand RT ändern, kein Problem.
      Für den Widerstand sollte man SMD 0805 nehmen, richtige Baugröße und induktivitätsarm.

      Von den Modulen mit AD8310 werde ich vermutlich noch zwei weitere bestellen.
      Ein Modul werde ich auf 75 Ω umrüsten und eins ohne RT für eher hochohmige Messungen.

      Bevor Christian das Thema startete, hatte ich eine ähnliche Idee in der Richtung.
      Bei den Messverstärkern baute ich welche, mit denen man von 50 auf 75 Ω kommt und umgekehrt.
      Man kann natürlich Widerstandsanpassung machen, man verliert jedoch einige dB.
      Besteht Interesse, denke ich über ein Verstärkerchen 75 auf z.B. 300 Ω nach.

      Andreas
      Was bedeutet DL2JAS? Amateurfunk, www.dl2jas.com
      Hallo Andreas,

      das von Dir verlinkte Platinchen von box73.de hat genau das von mir genannte Problem, dass das Ausgangssignal durch den SMD-Kondensator "langsam" wird, so dass dieser Kondensator entfernt werden muss, wenn man die Platine für Wobbeln verwenden möchte. Verwendet man sie für Power-Messung, ist dagegen der Kondensator unschädlich, da es dabei ja nicht auf die Anstiegs-/Abfallgeschwindigkeit der DC-Flanke ankommt, anders als beim Filter-Wobbeln.



      Lässt man den Kondensator am AD8307 Ausgang drin, wird die Wobbelmessung damit grob falsch. Ich bin anfangs selbst darauf reingefallen, da ich auch zunächst glaubte, ich könnte so ein Fertigplatinchen unverändert mit einer Wobbelmessung verwenden.

      Seinerzeit hatte ich hier darüber berichtet: HF-Powermeter für kleine Leistungen
      (Dort: Mein Beitrag vom 2. Nov. 2012)

      Man kann das sehr schön sehen, wenn man den Ausganswiderstand des AD8307 z.B. mit 12 kOhm annimmt, die Last als hochohmig (Oszilloskop, 1 MOhm) und den Einfluss auf ein 50 Hz - Rechteck (als Extremfall einer Durchlasskurve beim Wobbeln mit 50 Hz Wobbelfrequenz) ohne und mit 100 nF nach Masse am AD8307 Ausgang anschaut:



      Der 100 nF Kondensator verzerrt die Flanken und verschiebt auch das Durchlass-Maximum.


      Gruß
      Reinhard

      Dieser Beitrag wurde bereits 5 mal editiert, zuletzt von „oldiefan“ ()

      Hallo Andreas,

      mit Parallelwiderstand zum C geht's wohl nicht gut genug.
      AD8307 hat nach Datenblatt 12,5 kOhm von PIN 4 (Ausgang) nach Masse. Ist also nicht möglich, dazu nochmal 10 kOhm parallel zu schalten, ohne den Ausgangspegel stark zu beeinflussen, bzw. den Chip zu überlasten. In Simulation würden selbst 4,7 kOhm parallel noch nicht ganz reichen, um die Flanken steil zu bekommen, wenn C = 100 nF verbaut sind.

      Gruß
      Reinhard
      Oh, der Kondensator am Ausgang ist bei mir vermutlich mit drin und wird der Grund für meine wandernden Kurven beim Wobbeln mit Frequenzen > 5 Hz sein.

      Hintergrund ist: Ich habe das Ding die letzten Tage nicht von Grund auf gebaut, sondern umgemodelt. Das Originaldesign sah am Eingang noch einen FET-Sourcefolger vor, der hochohmige Messungen ermöglichen sollte.

      mikrocontroller.net/attachment…LOGARITHMIERER_AD8307.pdf

      Damit hatte ich jedoch derart grottenschlechte verbrummte Signale, dass das Kästchen ein paar Jahre in der Ecke lag. Erst durch Andreas' Beschreibung des Bausteins vor Kurzem in der Messverstärkerecke habe ich ihn wieder hervorgeholt.

      Viele Grüße,
      Christian
      **************************************************
      2 + 2 = 5 (für extrem große Werte von 2)
      Impedanzanpassung mit Widerstandsnetzwerk 75 Ω <--> 300 Ω

      Man sieht es im Schaltbild, geht recht einfach, kleine Lötübung.
      Bei den Bauteilwerten nahm ich gängige Werte E12, deshalb die Parallelschaltungen.



      Das passive Netzwerk funktioniert natürlich in beide Richtungen und ist frequenzunabhängig.
      Man muss kein SMD nehmen, bedrahtet (merkliche parasitäre Induktivität) geht bei ZF 10,7 MHz auch.
      Wer KiCad hat, klicke den PCB-Kalkulator an, der kennt RF-Dämpungsglieder.
      Im zweiten Bild der richtungsabhängige Pegelverlust bei der Spannung, nicht bei der Leistung.
      Von 75 auf 300 Ω hat man 6 (5,92) dB und umgekehrt, also von 300 auf 75 Ω, 18 (17,96) dB.
      Möglicherweise entwickele ich einen Verstärker 300 auf 75 Ω mit 6 dB Spannungsverstärkung.
      Nimmt man den und das Widerstandsnetzwerk, landet man bei 0 dB, recht angenehm bei Messungen.
      Was man dann an Dämpfung hat, kommt vom Filter, dessen Einfügedämpfung.
      Vorteil, man kommt mit einem AD8307 oder AD8310 aus, dem man 75 Ω beigebracht hat.

      Andreas
      Bilder
      • 75r300r-sch.png

        2,82 kB, 460×160, 54 mal angesehen
      • 75r300r-dia.png

        8,18 kB, 925×630, 4 mal angesehen
      Was bedeutet DL2JAS? Amateurfunk, www.dl2jas.com
      Reinhard, ich schaute gerade in die Datenblätter!

      Für Wobbelzwecke ist der AD8307 nicht die erste Wahl, hoher Ausgangswiderstand, typisch 12,5 kΩ.
      Auch ist die Linearität von HF Eingang zu DC-Ausgang mit +/- 1 dB angegeben.

      Der von mir vorgeschlagene AD8310 macht sich wesentlich besser.
      Da steht bei HF zu DC +/- 0,4 dB im Datenblatt, schon interessant, wenn man -3 dB untersucht.
      Sein Ausgangswiderstand liegt bei annähernd 0 Ω, direkt Operationsverstärkerausgang.
      Übertreiben darf man das nicht, Strom am Ausgang maximal 25 mA.
      Auf dem Platinchen von box73 ist am Ausgang, Pin 4, kein Kondensator vorhanden.
      Man sieht es im Bild, Link zuvor, ein Kondensator 0805 kann optional nachträglich bestückt werden.

      Andreas
      Was bedeutet DL2JAS? Amateurfunk, www.dl2jas.com
      Hallo Andreas,

      der schädliche Kondensator ist allerdings auf dem AD8307 HF-Power-Meter Mini-Platinchen von box73 drin, das Du verlinkt hattest, und ja nicht zu übersehen.
      Ich hatte extra noch das Foto der Platine von box73 gezeigt und ihn darauf gekennzeichnet (gelbes Kreuz).

      saba-forum.dl2jas.com/index.ph…57bf250cf402400e48623c811


      Der AD8310 ist fürs Wobbeln besser, stimmt.
      Und bei der Platine mit dem AD8310 von box37 ist der Kondensator nicht bestückt (anders als bei der AD8307 Platine). Das hatte ich bei der AD8310 Platine nicht gesehen und da hast Du recht.
      Und auch noch sehr schön: Für den AD8310 gibt es sogar ein brauchbares LTSpice Simulationsmodell. Das kann man als gute Näherung auch für Schaltungen mit dem AD8307 verwenden.


      Hallo Christian,

      die von Dir verlinkte Schaltung mit dem AD8307 (mikrocontroller.net/attachment…LOGARITHMIERER_AD8307.pdf) hat sogar 1 µF nach Masse hinter dem Ausgang! Wenn Du den noch drinnen hast, wundert es nicht, dass Du nur mit < 5 Hz Frequenz wobbeln kannst, ohne dass es Probleme gibt. So langsam wobbeln geht allerdings mit vielen Wobblern nicht (Grundig AS(F) 5 kann es offenbar), die meisten haben entweder eine feste Wobbelfrequenz von 50 Hz (z.B. mein Radiometer Copenhagen re101) oder sie ist ab ca. 20 Hz als untere Frequenzgrenze und höher bis 100 Hz (oder auch mehr) einstellbar.

      Hier für Rechteck bei 10 Hz:
      grün: ohne C
      blau: 100 nF
      rot: 1 µF



      Man erkennt: Mit 1 µF ist 10 Hz Wobbelfrequenz bereits zu hoch, selbst 5 Hz ist damit gerade nur "grenzwertig".

      Die Schaltung nach Bernhard.Erfurt aus dem microcontroller Forum ist m.E. sowieso seltsam: HF über einen 10 µF Koppelelko (Tantal)? Und die FET-Eingangsstufe mit hoher Eingangsimpedanz? Für vernünftige Powermessung (dBm) braucht man doch immer richtige Impedanzanpassung an den Messkopf. Die hochohmige FET-Eingangsstufe macht dafür doch keinen Sinn, ist sogar dafür schädlich - oder verstehe was ganz falsch?

      Grüße
      Reinhard

      Dieser Beitrag wurde bereits 15 mal editiert, zuletzt von „oldiefan“ ()

      Hallo Reinhard,

      Die Schaltung von Bernhard Erfurt sollte meiner Erinnerung nach als universaler logarithmischer Verstärker für einen Oszi oder einen Eigenbau-Spektrum-Analyzer dienen. Für diesen Zweck scheint mir der FET am Eingang vorgesehen zu sein. Aber die Trägheit durch den Kondensator am Ausgang verbietet eigentlich die Nutzung der Schaltung für solche Zwecke. Ich habe sie damals, ohne viel nachzudenken, einfach übernommen. Für den Kondensator am Ausgang verwendete ich einen SMD-Kerko mit 150 nF. 1 µF hatte ich damals nicht zur Verfügung. Aber auch der hat gereicht, dass das Oszibild nicht stand. Heute habe ich ihn entfernt, danach veränderte es sich nicht mehr, egal ob die Wobbelfrequenz nun bei 5 Hz oder 50 Hz lag.

      Die Unterschiede zwischen einzelnen Filterexemplaren lassen sich nun gut ermitteln, 5 kHz Ablesefehler bei der Mittenfrequenz und ebenso bei der 3-dB-Bandbreite lassen sich so in Verbindung mit dem AS5 erzielen. Allerdings habe ich den Verdacht, dass noch eine systematische Abweichung von ca. 20 kHz aus dem Aufbau resultiert. Ich habe 25 Stück 4-Elementfilter von Murata (SFJ 10.7) mit 220 kHz Bandbreite da, gekennzeichnet mit einem roten Punkt (Selektionsklasse 10,7 MHz +- 30 kHz). Die messe ich zwischen 10,700 und 10,760 kHz bei der Mittenfrequenz. Das ist konsistent mit weiteren einzelnen Exemplaren, bei denen ich von der Beschriftung her auf die nominale Mittenfrequenz schließen kann. Alle weisen eine Verschiebung von ca. 20-30 kHz hin zu höheren Frequenzen auf.



      Die angehängte Datensammlung von Murata ist noch etwas jüngeren Datums und enthält Angaben zu den Messbedingungen und zu den Folgen, wenn die Impedanzen nicht stimmen oder die kapazitive Last am Ausgang 10 pF übersteigt. Dafür ist kein Farbcode mehr erwähnt. Zu den Filtern im Metallgehäuse, SFW 10.7... habe ich leider keine Unterlagen.

      Viele Grüße,
      Christian
      Dateien
      **************************************************
      2 + 2 = 5 (für extrem große Werte von 2)

      Dieser Beitrag wurde bereits 2 mal editiert, zuletzt von „chriss_69“ ()

      Hallo Christian,

      bei "nur" +20 kHz systematischer Abweichung Deiner gemessenen bist Du jedenfalls schon ganz nah dran. Und das Entfernen des schädlichen Kondensators hat die erwartete Verbesserung gebracht.

      Die noch bestehende Abweichung kann nach Angaben von Murata durch
      • entweder etwas zu hohe Summe aus Generator-Ausgangsimpedanz + Serienwiderstand vor dem Filtereingang
      • oder etwas zu hohem Widerstand nach Masse am Filterausgang
      • oder mehr als 10-15 pF Streukapazität + Kabelkapazität + Eingangskapazität der AD8307 Schaltung hinter dem Filterausgang
      verursacht werden.

      TOKO Angaben zum Messaufbau:


      Murata Angaben zum Messaufbau (wie TOKO):


      Für die geforderten max. 10-15 pF Kapazität hinter dem Filterausgang wäre eine relativ kurze Koaxkabel-Verbindung (bis ca. 10 cm) zum AD8307-Eingang nötig.

      Abweichungen aufgrund Impedanz-Fehlanpassung am Ein- bzw. Ausgang:





      Du hast am Ausgang des Filters = Eingang des AD8307 rechnerisch 348 Ohm (510 Ohm parallel zu 1,1 kOhm Eingangswiderstand des AD8307), also leicht mehr als der Sollwert von 330 Ohm. Diese Abweichung ist wahrscheinlich für sich alleine nicht groß genug, um +20 kHz Verschiebung der Mittenfrequenz zu erklären.
      Du schreibst, dass Du auf eine Eingangsimpedanz am Filtereingang von 310 Ohm abgezielt hast. Hast Du die 75 Ohm Ausgangsimpedanz des Generators bei 10,7 MHz dabei eingerechnet? Die ist zum 270 Ohm Serienwiderstand an der Koax-Leitung noch hinzuzurechnen. Wenn nicht, kämst Du insgesamt auf 385 Ohm am Filtereingang. Auf den Wert komme ich auch, wenn ich es rechne, die Generatorausgangsimpedanz ist dabei.
      In der Simulation sehe ich für die kleine Abweichung der Impedanzen vom 330 Ohm Sollwert aber keine Verschiebung der Durchlasskurve, die in die Größe von 20 kHz kommen kann.

      Was aber in der Simulation einen großen Einfluss hat, ist die Kapazität hinter dem Filterausgang. Deshalb soll sie ja (einschliesslich Streuinduktivitäten) den Wert von 10 pF (15 pF) keinesfalls überschreiten. Auch bei 10 pF sehe ich schon merkliche Kurvenverschiebung. Letztlich hiesse das: Die AD8307 Schaltung sollte möglichst direkt (ohne Kabel) an den Ausgang des Filters angeschlossen werden (Stecker-Buchse-Verbindung ohne Kabel dazwischen).

      Wenn ich die Lastkapazität hinter dem Ausgang des Keramikfilters in der Simulation nur auf 25 pF erhöhe, verschiebt sich dadurch die Durchlasskurve schon um 17 kHz zu grösserer Mittenfrequenz:

      5 pF Lastkapazität am Filterausgang (rot)
      25 pF Lastkapazität am Filterausgang (türkis)



      Wenn ich die Lastkapazität auf 30 pF weiter erhöhe, bekomme ich +20 kHz Verschiebung gegenüber 5 pF. Man kann also die These wagen: Es ist wahrscheinlich die Kabelverbindung (Koax-Kabel?) zwischen Filter-Ausgang und Eingang der AD8307 Schaltung, die entscheidenden Einfluss ausübt. Die Impedanzanpassung ist dagegen gut genug.

      Dieses Verhalten benutzt man ja zum sog. "Ziehen" der Mittenfrequenz eines Keramik- oder Quarzfilters, um bei leichten Unterschieden der Mittenlagen kaskadierter Filter bestmögliche Mitten-Übereinstimmung zu erreichen.
      Die genaue Messung ist offenbar nicht trivial. denn Murata schrieb auch, dass Kunden ihre Messmethode anhand von Referenz-Filtern mit der des Herstellers abstimmen sollten, so dass beide zum gleichen Ergebnis kommen.

      Daten zu den alten Filtertypen im Metallgehäuse habe ich bei meiner Suche auch nicht gefunden.

      Gruß
      Reinhard

      Dieser Beitrag wurde bereits 18 mal editiert, zuletzt von „oldiefan“ ()

      Von mir auch eine Murata-Liste!

      Die ist geringfügig jünger und umfasst deutlich mehr Filter.
      Man beachte relativ weit am Ende die Liste mit Filter, Hersteller und IC.
      Dürfte manchmal hilfreich sein, wenn man zum Tuner keine vernünftigen Schaltungsunterlagen hat.
      Das Deckblatt fehlt, musste ich entfernen, um eine Dateigröße kleiner 1 MB zu erreichen.

      In Christians Liste wird ebenfalls darauf eingegangen, was bei (absichtlicher) Fehlanpassung passiert.
      Es ist nicht nur die Mittenfrequenz, man kann auch die Durchlasskurve etwas beeinflussen.
      Interessant bei Filtern hintereinander, wenn man auf glatten Durchgang trimmen will.

      Andreas
      Dateien
      • murata-filter2.pdf

        (946,99 kB, 5 mal heruntergeladen, zuletzt: )
      Was bedeutet DL2JAS? Amateurfunk, www.dl2jas.com

      dl2jas schrieb:

      Es ist nicht nur die Mittenfrequenz, man kann auch die Durchlasskurve etwas beeinflussen.
      Interessant bei Filtern hintereinander, wenn man auf glatten Durchgang trimmen will.

      Andreas



      Hallo Andreas,
      da haben wir uns mit demselben Gedanken überschnitten! (Filter "ziehen" mit Lastkapazität an dessen Ausgang).

      Die Simulation kann es reproduzieren, siehe oben. Es kommen durch ein Verbindungskabel und weitere parasitäre Kapazitäten schnell 20-30 pF zusammen. Und das reicht lt. Simulationsergebnis für 20 kHz Verschiebung der Mittenfrequenz, die auch mit etwas Verformung der Kurve einhergeht.

      Gruß
      Reinhard

      oldiefan schrieb:

      Was aber in der Simulation einen großen Einfluss hat, ist die Kapazität hinter dem Filterausgang. Deshalb soll sie ja (einschliesslich Streuinduktivitäten) den Wert von 10 pF (15 pF) keinesfalls überschreiten.


      Hallo ihr beiden,

      Das mit der Kapazität am Filterausgang wird es sein. Mein Aufbau ist nicht frei von Streukapazitäten. Schon die IC-Fassung bringt da etwas mit. Die Steckkontakte sind breit und lang, dadurch lässt sich zwar problemlos und zuverlässig kontaktieren, aber Masse und Ausgangspin laufen in geringem Abstand ca. 10 mm parallel. Das Ganze passiert zweimal, um 3-Bein und 4-Bein-Filter ohne Umlöten stecken zu können. Die Masse von der Fassung ist mit einem Stück Draht an das Blechgehäuse gelötet. Der Ausgang führt mit einem ca. 4 cm langen Draht zum Eingang der Meßschaltung.
      Die Eingangsbeschaltung bringt weitere parasitäre Kapazitäten anzu. Am stärksten dürften die beiden Kondensatoren vor den Chipeingängen zu Buche schlagen. Auf die kann man jedoch nicht verzichten.
      So tragisch ist es ja auch nicht. Wenn einem die Abweichung bekannt ist, kann man sie vom ermittelten Wert abziehen.

      @Reinhard: Wie simulierst Du einen Keramikfilter?

      Schön wäre noch, die Weitabselektion sichtbar machen zu können. Das scheiterte bisher an einem zu hohen Grundpegel. Wenn kein Filter in der Fassung steckt, und man den Eingangspegel anhebt, sieht man irgendwann, dass der AD8307 trotzdem sein Ausgangssignal anhebt. Dadurch komme ich mit dem aktuellen Aufbau nur auf ca. 40 dB nutzbaren Anzeigehub. Wenn ich die große IC-Fassung entferne und die Filter mit kurzen Drähten mit der Meßschaltung verbinde, sollte das meines Erachtens besser funktionieren.

      Viele Grüße,
      Christian
      **************************************************
      2 + 2 = 5 (für extrem große Werte von 2)

      chriss_69 schrieb:


      ...
      @Reinhard: Wie simulierst Du einen Keramikfilter?
      ...
      Viele Grüße,
      Christian



      Hallo Christian,

      Du kommst auf den interessanten Punkt!
      Ich hatte mich anlässlich der Aufgabe, einen ZF-Trafo (sog. IFT) für einen Grundig Satellit 700 zu wickeln, vor einiger Zeit mit der Simulation dieses ZF-Trafos im Zusammenspiel mit dem nachgeschalteten Keramik-ZF-Filter befasst. Darüber hatte ich berichtet, bin aber hier im Forum nicht näher auf das LTSpice Modell für das Keramikfilter eingegangen, sondern hatte nur einige Ergebnisse dazu gezeigt.

      Das war hier: GRUNDIG Satellit 700 defekt

      Es gibt keine "fertigen" Simulationsmodelle für Quarz- oder Keramikfilter, die man einfach einsetzen könnte. Aber man kann auf die grundlegende Ersatzschaltbild eines Quarzfilters zurückgreifen, das verwendet wird, um modellhaft die Eigenschaften eines solchen Filters abzubilden. Dieses Ersatzschaltbild habe ich verwendet. Keramikfilter werden grundsätzlich mit dem gleichen Ersatzschaltbild modelliert wie Quarzfilter, lediglich deren Güte ist geringer.

      Das Ersatzschaltbild sieht folgendermassen aus:


      (Quelle: Horst Steder, DJ6EV "Klassische und Moderne Quarzfilter", Januar 2009)


      Es gibt verschiedene Filter-Topologien, wie die Quarze zusammengeschaltet werden:


      In unserem Fall, bei den "Dreibeinern" (mittlerer Pin = Masse) trifft die Topologie n=2 zu. D.h., es sind zwei identische Quarze, bzw. Keramikschwinger, in einem Gehäuse verbaut. Man schaltet also, wie in der Topologie gezeigt, zwei Schwingelemente, besser gesagt, deren Ersatzschaltungen, entsprechend zusammen.

      Meist ist es so, dass für reale Filter die Parameter der Ersatzschaltung ermittelt werden, um das Filter damit zu charakterisieren. Dafür gibt es Programme, die das iterativ machen. Ich bin umgekehrt vorgegangen. Ich weiss ja, welche Durchgangsdämpfung, Mittenfrequenz und -3 dB Bandbtreite so ein 10,7 MHz UKW-ZF-Filter haben soll. Entsprechend habe ich (durch systematisches Probieren) die Werte für die Kapazitäten, Induktivitäten und Widerstände im Ersatzschaltungsmodell für die Topologie n=2 ermittelt, die für 330 Ohm Impedanz der Signalquelle und für 330 Ohm Abschlussimpedanz am Filterausgang die gewünschten Filtereigenschaften ergibt.

      Das Ergebnis war dies:
      (X1 und X2 bezeichnet jeweils die Ersatzschaltung für das betreffende Quarz-/Keramik-Ersatzschaltbild)


      Ob dieses 10,7 MHz Keramik (Quarz)-Filter-Modell die gewünschten Eigenschaften hat, lässt sich dann einfach in der Simulation testen: Schaltung A) bzw. B). B) ist identisch zu A), lediglich die Generator-Ausgangsimpedanz ist separat ausgewiesen.




      Das Ergebnis ist einigermassen plausibel/brauchbar. Lediglich im Fernab-Bereich geht die simulierte Durchlasskurve mit diesem Modell stärker und schneller glockenförmig auseinander als das reale Filter. Anders gesagt, das Modell ist nur bis höchstens -20 dB unter dem Durchlassmaximum brauchbar. Bei -30 dB oder noch weiter darunter ist die Selektion des realen Filters sehr viel besser als es das Modell ergibt. Aber für die wichtigen Eigenschaften, wie -3 dB Bandbreite, Mittenfrequenz und Flankensteilheit im oberen Durchlassbereich (bis -20 dB) ist das Modell ganz brauchbar. So auch z.B. für die Vorhersage, wie sich eine Lastkapazität von 5, 10, 20 oder 30 pF auf die Position und Form der Durchlasskurve auswirkt.

      Gute Übersicht zu Quarzfiltern bei:
      Horst Steder, DJ6EV "Klassische und Moderne Quarzfilter", Januar 2009
      bartelsos.de/_media/filter/quarzfilter/quarzfilter_rev2a.pdf

      sowie die Links in:
      bartelsos.de/filter/quarzfilter/quarzfilter-dj6ev



      Besten Gruß
      Reinhard

      Dieser Beitrag wurde bereits 4 mal editiert, zuletzt von „oldiefan“ ()

      Hallo Mitleser,

      Danke, Reinhard, für Deine Ausführungen zur Filtersimulation. Die werden mir gute Dienste leisten.


      Die Bastelrunde heute ergab noch folgende Verbesserungen:

      Die Verbindung zum Signal-Eingang des Chips muss kurz und möglichst geschirmt sein. Das hat für deutlich mehr Ruhe gesorgt und den unteren Anzeigebereich nutzbar gemacht. Ich habe nun drei Präzisionskontakte zum Einsetzen der Filter angelötet:



      Die Verbindung zum Oszi übernimmt ein fest angelötetes Kabel mit BNC-Stecker und damit kann der Abschirmdeckel schaltungsseitig wieder drauf. Auch das sorgt für etwas weniger Störungen.

      Das Entfernen des Sockels und auch die Änderung der Eingangskondensatoren von 150 nF auf 1 nF (für 10, 7 MHz noch ausreichend niederohmig) hat nichts an den gemessenen Mittenfrequenzen geändert.
      Sie sind nach wie vor 20-30 kHz zu hoch im Vergleich zum Sollwert der Bauteile.




      Wenn man statt eines Filters einen 1 nF-Kondensator in die Fassung steckt (Pin 1 auf Pin 3), kann man den oberen Pegel auf die höchste Skalenlinie im Oszi setzen und auch gleich überprüfen, ob der Frequenzgang im überstrichenen Frequenzbereich gerade ist.





      Für einen danach eingesetzten Filter kann man dann die Einfügedämpfung abschätzen. In diesem Bild kann ist nun auch die Dämpfung weitab der Mittenfrequenz sichtbar. Wie man sieht, es kommt bei den 3-Beinen schon noch etwas durch, erkennbar an den Zipfeln neben der Durchlasskurve. Zur Abschätzung: 60 dB Dynamik verteilen sich auf 8 Skaleneinheiten --> 7,5 dB/ Skalenteilung. Der Frequenzhub liegt beim maximal Möglichen des AS5: 9,6 - 12,4 MHz --> 280 kHz pro Skalenteilung. Der eingesetzte Filter weist also ca. 7,5 dB Einfügedämpfung auf. Die Weitab-Frequenzen machen sich ab ca. 45 dB unterhalb des Eingangspegels bemerkbar.

      Viele Grüße,
      Christian
      **************************************************
      2 + 2 = 5 (für extrem große Werte von 2)

      Dieser Beitrag wurde bereits 7 mal editiert, zuletzt von „chriss_69“ ()

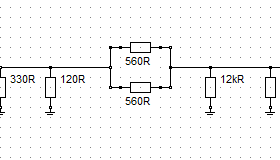
      Weitere Widerstandsanpassungen!

      Bei der ersten Anpassung ging ich von 300 Ω aus, hatte ich als ungefähren Richtwert im Kopf.
      Die beiden sind jetzt für 330 Ω, also typische Sollimpedanz, nicht nur Murata.
      Auf Diagramme verzichtete ich, Fehlanpassung, Reflexion ist in allen Fällen besser -50 dB.
      Mein Ziel, in der Richtung Generatoreingang auf Ausgang zum Filter möglichst gut 6 dB zu treffen.
      Die Widerstandsanpassungen funktionieren natürlich auch rückwärts, jedoch deutlich mehr Dämpfung.
      In den Schaltbildern sieht man die richtungsabhängigen dB-Angaben.
      Die beziehen sich auf die Spannung, nicht auf die Leistung, die ist in beiden Richtungen gleich.





      In beiden Fällen wieder handelsübliche Widerstände E12.
      Aufpassen, eine Version ist für Generatoren 50 Ω und die andere für 75 Ω wie z.B. AS5(F).
      Ich werde SMD-Widerstände nehmen, da die wesentlich weniger Induktivität als Bedrahtete haben.
      Nicht näher überprüft, bedrahtet sollte je nach Typ bei 10,7 MHz noch brauchbar sein.

      Andreas
      Bilder
      • 50r330r-sch.png

        3,28 kB, 330×150, 36 mal angesehen
      • 75r330r-sch.png

        3,22 kB, 330×150, 208 mal angesehen
      Was bedeutet DL2JAS? Amateurfunk, www.dl2jas.com
      Andreas, hat es einen Grund, weshalb Du ein Pi-Netzwerk nutzt? Ich hatte mit dem Kicad-Rechner eine Anpassung mittels T-Glied berechnet.

      75 Ohm auf 330 Ohm:

      0,06 Ohm -- 290,1 Ohm
      |
      86 Ohm
      |
      ----

      Die Dämpfung liegt bei etwas krummen 11,9 dB, dafür habe ich auf den 0,06-Ohm-Widerstand verzichtet und habe frei verdrahtet.

      Viele Grüße,
      Christian
      **************************************************
      2 + 2 = 5 (für extrem große Werte von 2)
    • Benutzer online 1

      1 Besucher