ERFOLG-->> SABA Freiburg Telecommander G, Problem mit dem Druckknopf U
-
-
-
-
Hallo Reinhard.
C47 und C48 finde ich nicht. Ich habe zwei Aludeckelchen abgenommen (UKW-Demodulator dabei?), auf den Platinen sind aber keine Bezeichnungen der Bauteile.
Wie kann ich die richtigen Elkos identifizieren?
VG PitDas Leben steckt voller Überraschungen.Dieser Beitrag wurde bereits 1 mal editiert, zuletzt von „pitberlin“ ()
-
Noch etwas: Ist C 903 ein Elko?
Kein Tantal? Oder ist ein Tantal auch ein Elko?
VGDas Leben steckt voller Überraschungen.Dieser Beitrag wurde bereits 1 mal editiert, zuletzt von „pitberlin“ ()
-
Hallo Pit,
Da hast Du nicht genau genug hingeschaut.
Die beiden Elkos C47 und C48 sitzen als axiale Elkos (10 µF) unter dem Poti P31 auf der rechten FM-ZF-Platine, an der Du die Haube schon abgenommen hast. Die sind oft kaputt.
Die Platine nicht ausbauen! Man kann die Elkos an der stehenden Platine mit Geduld und Geschick auslöten. Das weiss ich, weil ich es schon gemacht habe. Aber dabei keinen starken Druck auf die Platine ausüben, sonst bricht sie. Die korrekte Polung beachten, die ist wichtig und bei beiden Elkos verschieden, ist auf der Platine nicht aufgedruckt. Wenn man so wie auf dem Foto auf die Lötseite blickt, hat der linke Elko sein + oben und der rechte Elko das + unten.
C903 ist ein Tantal-Elko. Das ist auch ein Elko, kann auch durch einen Aluminium-Elko ersetzt werden.
Gruß
Reinhard
Dieser Beitrag wurde bereits 5 mal editiert, zuletzt von „oldiefan“ ()
-
Danke, alles klar.
VG PitDas Leben steckt voller Überraschungen.Dieser Beitrag wurde bereits 1 mal editiert, zuletzt von „pitberlin“ ()
-
-
Hallo Pit,
dann solltest Du auch noch die Elkos C901 (220 µF), C917 und C922 sowie C918 im Stereodekoder ersetzen.
Um die korrekte stabile Versorgung des Decoder-ICs zu überprüfen, misst Du am Messpunkt 5 (an C928) die Spannung. Sie muss 12 V betragen, auch, das ist wichtig, nachdem die Stereoleuchte ausgegangen ist.
Wenn diese Spannung nicht stabil bleibt, also absinkt, bis die Stereolampe ausgeht, ist der Defekt in der Spannungsversorgung für den Decoder-IC.
Bleibt die Spannung an Messpunkt 5 aber konstant, geht es so weiter:
Die beiden Potis, P901 und P903 im Stereodecder, bei denen Du am Anfang probiert hast, ob sie einen Einfluß haben, sind in Ordnung? D.h. die Schleifer sitzen stramm auf der Kohleschichtbahn? Defekt wäre eins, wenn es sich beim leichten Verdrehen labberig anfühlt, der Schleifer also keinen festen Kontakt mehr auf der Widerstandsbahn hätte. Das bitte auch noch bei P902 und P904 im Stereodekoder prüfen. Vorher Stellung markieren und genauso wieder einstellen!
Wenn also die Potis ok und auch noch die weiteren hier genannten Elkos/Tantals im Stereodekoder ersetzt sind und der Fehler weiter besteht, bleibt Dir ohne weitere Messmittel und Messmöglichkeit (z.B. MPX-Signal messen) nur die Vermutung, dass evtl. der Stereodecoder IC (IC901, MC1305P) defekt sein könnte. Da der nicht gesockelt ist, ist der Ausbau mühsam und erfordert Löterfahrung und noch mehr Entlöterfahrung bei ICs. Hast Du die? Der erste Versuch, einen IC zu wechseln sollte das nicht sein, sondern Du solltest das schon mehrfach gemacht haben, sonst reisst Du beim Auslöten die Leiterbahnen ab. Man muss den IC vorsichtig mit Entlötlitze auslöten.
Und Du brauchst vorher natürlich auch noch den neuen IC. Kein Pappenstiel, die sind nicht mehr an jeder Ecke aufzutreiben.
Es gibt für den MC1305P diese Ersatztypen (pinkompatibel):
µA729
UA729
ECG720
NTE720
SN76105
HA1120
LM1305
MC1305
ULN2122
HEP595
Motorola 15-34379-1
FUN14LH026
HEP-C6068P
RE320-IC
SK9014
TR2327422
U6A7729394
Alle sind inzwischen selten und teuer geworden (um 10-15 €). Bei ebay sehe ich gerade einen SN76105.
Gruß
Reinhard
Dieser Beitrag wurde bereits 4 mal editiert, zuletzt von „oldiefan“ ()
-
Hallo Reinhard.
Danke, ich besorge die 3 Elkos (C922 ist ja bereits ersetzt), baue diese ein, messe und prüfe die 4 Potis.
Könnte man die 4 Potis nicht auch noch mit einem Tropfen Ballistol behandeln?
(Aus-)Löterfahrung mit Litze und ICs habe ich leider nicht. Benutze immer eine Absaugpumpe. Aber auf einem Video sieht das nicht so schwierig aus, traue ich mir zu.
Beim ggf. Einbau des ICs einen Sockel verwenden?
Aber so weit ist es ja noch nicht.
VG PitDas Leben steckt voller Überraschungen.Dieser Beitrag wurde bereits 5 mal editiert, zuletzt von „pitberlin“ ()
-
pitberlin schrieb:
Aber so weit ist es ja noch nicht.
... mein tip für solche Auslötaktionen - direkt am Körper des defekten Bauteils die Anschlüsse abtrennen (Teppichmesser oder Kleinseitenschneider ohne Wate), dann kann man einen Pin nach dem Anderen vorsichtig herauslöten. Viel Erfolg dabei!
btw. MC1310P ist ein sehr verbreiteter Stereodekoder von Motorola und Du könntest von mir einen in NOS abbekommen gegen Zusendung eines frankierten geeigneten Rückumschlags - bei Interesse Adresse per PN
... oh, MC1305P, hab 's übersehen, der MC1310P ist der Neuere Typ, keine Abstimm-Kreise nötig, einfachere Schaltung, bessere Daten - aber leider nicht Pinkompatibel!
Gruß HorstDieser Beitrag wurde bereits 7 mal editiert, zuletzt von „Obelix2007“ ()
-
-
Danke.Das Leben steckt voller Überraschungen.
Dieser Beitrag wurde bereits 6 mal editiert, zuletzt von „pitberlin“ ()
-
Ballistol: Ist in der Tat nicht generell zu empfehlen. Aber wenn die Potis etwas kratzen ohne Brüche in der Kohleschicht zu haben, dann hilft oft Sprühöl 88 (sparsam angewendet). Es bildet sich ein Film, die Probleme verschwinden (meistens), und der Staubfangeffekt ist zwar da, hält sich aber in Grenzen.
Übrigens auch bei blauen ALPS Potis immer einen Versuch wert, wenn die zu kratzen beginnen. Man muss sie nicht immer gleich tauschen, oft leben die nach so einer "Behandlung" erst einmal einige Jahre problemlos und ohne kratzen weiter ...
Besten Gruss,
Michael -
Michael, so auch meine Erfahrung!
Das Sprühöl 88 bildet einen neutralen Schutzfilm, schützt vor weiterem Angammeln.
Vielfach wird Ballistol eine ähnliche Eigenschaft nachgesagt.
Ich bin da aber vorsichtig, enthält was wie Weißöl oder Vasilin.
Auf der Basis mischt die Apotheke Salben, etc. an, Emulsionen.
Gerade bei hochohmigen Potis will man natürlich keine Feuchtigkeit auf der Schleiferbahn haben.
AndreasWas bedeutet DL2JAS? Amateurfunk, www.dl2jas.com -
Danke Euch.
Hallo Reinhard.
Habe die 3 Elkos eingelötet und die 3 Potis sind stramm, bei P 904 weiß ich nicht, wie man es verstellt. Sieht aber auch stramm aus.
Nach ca. 45 min wieder die gleichen Symptome, Stereo geht weg. Die Spannung bleibt konstant bei 11,5V am Messpunkt 5 (an C928), auch nachdem Stereo ausgeht.
Ich besorge und tausche nun das IC. Es (MC1305P) ist gesockelt! Das macht es leicht.
VG PitDas Leben steckt voller Überraschungen. -
Hallo.
Ich habe noch einen anderen Telecommander G mit Zustand unbekannt. Der geht gar nicht erst an. Hineingeschaut und festgestellt, der hat das identische gesockelte IC. Ich habe dieses (gebrauchte) IC in den Patienten eingebaut.
Spannnung!
Nun: Der Fehler bleibt, er tritt nur schon früher ein, nach knapp einer halben Stunde geht Stereo weg.
Lieber Reinhard, soll ich zur Sicherheit ein neues IC besorgen, um ganz sicher zu gehen? Das dauert aber...
Komisch ist schon, dass mit einem anderen IC der Fehler (sehr ähnlich) bleibt.
Bin jetzt ein ganz klein wenig deprimiert. Was soll ich zuerst tun?
VG PitDas Leben steckt voller Überraschungen. -
-
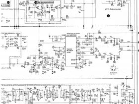
kugel-balu schrieb:
Gibt es einen Schaltplanauszug ?
... nicht ganz so sauber, aber müsste wohl ausreichen?
Gruß HorstDieser Beitrag wurde bereits 1 mal editiert, zuletzt von „Obelix2007“ () aus folgendem Grund: Bild eingefügt
-
-
Benutzer online 2
2 Besucher
