Saba Telewatt TS-100A (neu) - Versuch, ein etwas zerbasteltes Gerät zu retten.

      Hi Michael !

      kugel-balu schrieb:

      Prima Story, schon einmal ein gutes Ende. Ende ?


      Weiß man nicht.

      Vielfach ist es so, daß man in sehr alte Geräte reinguckt und sich die Pläne anguckt und die mental dann erstmal in der richtigen Ebene projizieren muß, weil frühe Transistorschaltungen mit ihren PNP-Gräbern immer Plus an Masse hatte, wie britische Nachkriegsautos. Und dann sind die Schaltpläne nach keinerlei DIN gezeichnet und man muß lernen, in der richtigen Stromrichtung zu denken. Und dann fällt einem auf, was die früher für Handstand im Eimer gemacht haben.

      Der TS-100A in der 2. Variante ist einer der ersten kommerziellen Verstärker mit "Eisenloser Endstufe und symmetrischer Speisung". Also ohne Ausgangselkos. Aber so richtig symmetrisch ist der selbst auf der Treiberstufe nicht. Die beiden Transis, die als Phasenumkehr fungieren - die hängen zwischen Plus und Minus und die Endtransis sind wieder quasi-komplementär und haben mal -24V als Bezugspunkt ... und mal den Ausgang. Das ist die alte Treiberstufe erweitert um eine positive Spannung - um den Ausgangselko zu eliminieren. Aber von "Vollsymmetrischem Aufbau" noch ein paar Dekaden entfernt.
      Auf der Platine existieren noch Bauteilbedruckungen von Drahtbrücken und alternativen Positionen die, meines Wissens nach, für einen unsymmetrischen Aufbau mit +48V gedacht waren. Dieses Ding ist also mit der ganz heißen Nadel gestrickt worden.

      So alte Designs haben naturgemäß ihre Schwächen. Braucht man nie lange suchen.
      Frühe Transistorverstärker kamen ja noch mit Ausgangs- und Zwischen-Übertrager.

      Und man darf von diesen Designs auch nicht die gleiche Stabilität erwarten, die man z.B. von Hybridverstärkern kennt, die monolitisch aus einem Si-Block erzeugt werden. Es sind zum Beispiel noch die ganzen alten Widerstände drin. Zum Glück die "guten Roten", nicht die zylinderförmigen braunen, die z.B. Marantz sehr gerne verwendet hat und die ich "Widerstände mit verbiegbarer Kennlinie" nenne: Man rüttelt an einem Draht und der Widerstandswert ändert sich. Es sind Preßkohle-Widerstände, die mit einer Art Kopfkontakt mit Anschlußdraht in einem Gehäuse verschmolzen werden. Wenn die altern ändern sich die Werte z.T. dramatisch.

      Für eine wirklich vollständige Renovierung muß man *jedes* Bauteil anfassen.
      Verbinder, Kabel, Keramik-Kondis, Leiterplatten, Lötstellen.
      Alles.

      Was ich da gemacht habe, ist das Gerät erstmal wieder zum Laufen zu bringen.
      Und zwar so weit, daß die Funktionen alle grundsätzlich da sind. Alle Eingänge, alle Regler, alle Filter.
      Da ist man mit einer Elko-Kur bei den "üblichen Verdächtigen" eigentlich schon mal gut davor. Namentlich Elkos im Signalweg führen zu seltsamen Problemen. Die reinen Stütz- und Sieb-Elkos sind davon weniger betroffen. Es sind zum Beispiel noch die originalen Sieb-Elkos erhalten. Die haben ihre Kapazität, einen leicht erhöhten ESR- und Verlustwert, aber die sind auch von 1965.

      Dann habe ich beim "durchklingeln" der Verstärkerstufen ein paar angeschlagene Transistoren entdeckt. Nicht wirklich zufällig die, hinter denen größere Koppelelkos gesessen haben, die Fritte waren. Diese Transistoren wurden paarweise ausgetauscht. Da hilft keine falsche Sparsamkeit.

      Ja: und dann kam die Endstufe dran. Und das war eigentlich das größere Abenteuer.
      Aber dank freundlicher Unterstützung und unbeschreiblich wertvollen Hilfen ist es ja erstmal gut ausgegangen.
      Es folgt jetzt die Phase des Feintuning, wie ich vorher schon beschrieben habe. Der Verstärker wird genutzt, die Funktionen werden genutzt, es werden weitere Geräte angeschlossen (Bandgerät zum Beispiel) und dann wird im Detail geprüft.
      Wenn es eine einfach umsetzbare Möglichkeit für eine bessere thermische Stabilisierung gibt, würde ich die sogar umsetzen. Ich bin mit Stand von heute aber noch gar nicht sicher, ob das überhaupt erforderlich ist. Ich zweifele eher an den im Gerät vorhandenen Stolperfallen.

      Aber: gucken wir. Erkenntnisse landen hier.

      :)
      @ Wacholder

      Haben wir den Ruhestrom übersehen?
      Kannst Du den Ruhestrom nach Si-Umbau korrekt einstellen?


      Meine Simulation sagt nämlich: Ruhestrom nach Si-Umbau Ist viel zu klein und auch nicht auf Sollwert einstellbar. Die Si-Endtransistoren brauchen ja für ordentlichen Ruhestrom mehr Bias als die ursprünglichen Ge-Typen. Hatte ich leider vorher noch übersehen.
      Eine Lösung dafür habe ich bereits. dafür sind dann aber tatsächlich noch etwas mehr Bauteile in ihren Werten zu ändern. Einfach nur einen Widerstand ändern, das reicht leider doch nicht.

      Ist mir bei der Simulation der Temperaturkompensation aufgefallen, als ich den Temperaturgang von DC-Offset und Ruhestrom vergleichen wollte.
      Bevor ich hier die Änderungen für korrekten Ruhestrom für die Si-Variante poste, wollte ich aber erst hören, ob Du das Problem auch tatsächlich bestätigst.

      Die Temperaturkompensation stimmt für die Ge-Version. Und, Glücksfall, für die Si-Version arbeitet sie sogar noch einen Tick besser! Dafür besteht also kein Änderungsbedarf, nur noch für den Ruhestrom, m.E.

      Tatsächlich beeinflusst Temperaturanstieg den DC Offset stärker als den Ruhestrom. In der Simulation nimmt der DC-Offset um 63 mV zu, wenn die Temperatur von 27°C auf 50°C ansteigt. Das gilt sowohl für die Si-Variante als auch die Ge-Version.

      In der Ge-Version steigt auch der Ruhestrom auf das Doppelte des Wertes bei Raumtemperatur, während er in der Si-Variante nur um ca. 10 % ansteigt. Beides für Ruhestrom von 15-20 mA simuliert. Daraus folgt für den TS-100(A) : Den DC-Offset erst bei betriebswarmem Verstärker einstellen. Und anschliessend erst den Ruhestrom.

      Gruß
      Reinhard

      Dieser Beitrag wurde bereits 4 mal editiert, zuletzt von „oldiefan“ ()

      Hi Reinhard !

      oldiefan schrieb:

      Haben wir den Ruhestrom übersehen?
      Kannst Du den Ruhestrom nach Si-Umbau korrekt einstellen?


      Übersehen haben wir den nicht und - Ja - er läßt sich im Wesentlichen einstellen.

      Das "im Wesentlichen" bezieht sich darauf, daß der Einstellbereich auf dem Poti in einem vergleichsweise kleinen Drehwinkel nahe dem einen Viertel kurz vor dem physischen Dreh-Ende liegt. Lange Zeit tut sich gar nicht viel, dann kommt man in den Bereich von 20 - 40 mA und dahinter steigt der Wert rapide an und bis zu 120mA müßten machbar sein, wenn ich mich recht entsinne. Bei einem 2.5 K Poti würde ich nach grober Geometrie schätzen, das der wirksame und nützliche Einstellbereich so bei um 200 Ohm auf dem Poti liegt.

      Bei 0.68 Ohm Emitterwiderständen und 40mA müssen rund 27mV daran abfallen. Ich hatte beide Kanäle nach 5 Minuten Warmlauf auf etwa 25mV eingestellt, die dann lustig immer so 5 - 6mV in beiden Richtungen gependelt haben, bis ich die beiden DIN-Schaltbuchsen zur direkten Strommessung mal etwas durchgestochert und mit Teslanol eingesuppt habe. Danach hat sich das etwas beruhigt, pendelte danach immer so um 2mV pro Seite.

      oldiefan schrieb:

      Die Temperaturkompensation stimmt für die Ge-Version. Und, Glücksfall, für die Si-Version arbeitet sie sogar noch einen Tick besser! Dafür besteht also kein Änderungsbedarf, nur noch für den Ruhestrom, m.E.


      Dem würde ich aufgrund des praktischen Versuches absolut zustimmen.
      Einmal auf einen vernünftigen Wert eingestellt scheint der Verstärker stabil und mit wenig Hitze zu laufen. Nach sechs Stunden Dauerbetrieb mit mittelmäßiger Lautstärke laufen alle vier Transistoren mit knapp über 30°C auf den Außenkappen der TO3-Gehäuse.
      Leider können wir in allen theoretischen Betrachtungen nicht den Einfluß der fast 60 Jahre alten Widerstände und Klein-Kondensatoren berücksichtigen.
      Ich bin fast sicher, daß z.B. die Widerstände mehr Einfluß auf das Verhalten unter Erwärmung nehmen, als modernere Bauteile.

      oldiefan schrieb:

      In der Ge-Version steigt auch der Ruhestrom auf das Doppelte des Wertes bei Raumtemperatur, während er in der Si-Variante nur um ca. 10 % ansteigt. Beides für Ruhestrom von 15-20 mA simuliert. Daraus folgt für den TS-100(A) : Den DC-Offset erst bei betriebswarmem Verstärker einstellen. Und anschliessend erst den Ruhestrom.


      So halte ich es im allgemeinen auch.
      Ich teste im ersten Durchgan auf exorbitante Abweichungen, die dann vorläufig korrigiert werden, um die Verstärker nicht schon in der Warmlaufphase zu verheizen. Dabei werden kritische Komponenten wie End- und Treibertransistoren mit dem IR-Thermometer überwacht, ggf. auch einzelne Vorwiderstände.
      Nach 5 bis 10 Minuten wird der Ruhestrom abgeglichen wozu ich zwei Multimeter gleichzeitig angeklemmt habe um ggf. Rück- und Wechselwirkungen aufzunehmen.
      Dann wird der DC-Bias eingestellt während die Meßgeräte für den Ruhestrom immer noch angeklemmt sind und beide Werte notfalls so lange nachgestellt, bis bei DC nahe Null der Ruhestrom paßt.

      Da gab es beim TS-100A aufgrund der Meßbuchsen ja ein paar Turbulenzen.
      Das wird aber nochmal ordentlich geprüft, wenn der Verstärker vielleicht am Montag wieder auf den OP-Tisch kommt.

      Danke Dir & ein schönes Wochenende erstmal. Ich werde berichten !

      :)
      Na dann haben wir bei der Ruhestromeinstellung ja noch mal Glück gehabt.

      Die Simulation ist da ganz klar weniger "forgiving", die reale Schaltung verhält sich gutmütiger. Sicher liegt das auch daran, dass ich in der Simulation die Bias-Dioden und die Treibertransistoren durch Ersatzmodelle substituieren musste. Die tatsächlich verbauten Dioden werden etwas mehr Vf haben und die Treibertransistoren werden etwas weiter aussteuern als in der Sim. Glücklicherweise passt es dann noch gerade.

      Gruß
      Reinhard

      Dieser Beitrag wurde bereits 1 mal editiert, zuletzt von „oldiefan“ ()

      Hi !

      Der TS-100A läuft jetzt ein paar Tage im Testbetrieb. Bislang ist zumindest Endstufen-seitig kein Problem festzustellen und mit dem inzwischen umgetopften FM2000A und dem Dual 701 Serie 1 an den Isophon B50/4 macht er einen Sound, an den man sich wirklich gewöhnen kann.



      Dafür bahnt sich an anderer Stelle Ungemach an:
      Im Phono-Betrieb gibt der Verstärker ein tieffrequentes Grummeln von sich, was an den Boxen die Baßmembranen fühlbar ausschlagen läßt, Drückt man den Rumpelfilter rein, dann ist das weg ... aber auch der gesamte Tieftonbereich. Der Rumpelfilter setzt anscheinend sehr weit oben an. Das Störgeräusch *scheint* auf beiden Kanälen vorhanden zu sein und das macht mich ein wenig stutzig. Die Elkos in der Stromversorgung sind ja alle neu gekommen. Und es tritt sowohl bei Phono 1 als auch bei Phono 2 auf - die jedoch den gleichen Vorverstärker nutzen, nur separate Anschlüsse verwenden und umgeschaltet werden.

      Zieht man den Plattenspieler ab, ist das Geräusch weg.
      Damit müßte der identische Fehler auf beiden Kanälen vorhanden sein. Das spricht zwar an sich gegen einen Transistorfehler, aber man hat ja schon Pferde kotzen sehen. Und die ganzen Elkos auf der Entzerrerplatine B18 waren allesamt ziemlich verrottet. Könnte also sein, daß z.B. die Ausgangstransistoren davon einen Dauerschaden weg bekommen haben - wenn es nicht doch irgendwie aus der Stromversorgung eingeschleppt wird.
      B18 ist die einzige Platine, die die -18V von der Stromversorgung ganz am Ende der Siebkette zugeführt bekommt. Der Rest arbeitet mit den -22.5V aus dem vorigen Abschnitt. Dazwischen liegt der R5 auf der Basisplatine mit 680 Ohm. Und dieses Störgeräusch ist z.B. bei Radiobetrieb meines Wissens nicht hörbar.

      Ich werde das nochmal in Ruhe untersuchen und wollte im Laufe des Tages den Verstärker sowieso zur Überprüfung der Einstellungen nach hinten auf den OP-Tisch bringen.
      Gucken wir mal.

      :)
      Hi Michael !

      kugel-balu schrieb:

      Hast Du noch einen anderen Plattenspieler, den Du mal anschliessen kannst ?


      Der 701 obendrauf ist ein "Kundengerät", was zu einem Service da war und was ich wieder in Gang gebracht habe.
      Am Tag vorher hatte ich einen Dual 1229 dran, der wegen mechanischer Gebrechen reinkam und vom Besitzer abends gleich wieder mitgenommen wurde.
      *Davor* lief ein Dual CS650 daran, den die sorglosen Lieferatoren beschädigt hatten und der umfangreiche Reparaturen brauchte.

      Insgesamt habe ich so ungefähr 60+ Plattenspieler zur Auswahl, die "da noch so rumstehen". :D

      Die beiden "alten" Duals hatten originale DIN-Stecker, den 650 hatte ich mit einem Cinch-auf-DIN Adapter konvertiert und ich habe zwischendurch auch mal den Verdacht gehabt, daß es eventuell eine schlechte Masseverbindung sein könnte und separat Masseverbindungen angebracht, aber nichts davon hat am grundlegenden Problem irgendwas geändert.
      Ach so: man hört das Geräusch auch - oder besonders gut - wenn der Dreher abgeschaltet hat und der Arm auf der Ablage liegt.
      Der "Hund" liegt also irgendwo in der Technik des TS-100A begraben. Da muß ich also nochmal wieder dran.

      Wegen der Lacherei: ein inzwischen fünf Jahre altes "Horror-Video".



      :)

      Dieser Beitrag wurde bereits 2 mal editiert, zuletzt von „Wacholder“ ()

      Also das tieffrequente Grummeln hast Du mit verschiedenen Plattenspielern und mit verschiedenen Verbindungskabeln?

      Dass es bei abgezogenem Verbindungskabel verschwindet, könnte darauf deuten, dass es entweder an einem defekten Kabel liegt oder die Kabelkapazität einen Einfluß auf die Erzeugung der Störung hat. Ist das Grummeln eher periodisch (Schwingung) oder statistisch? Bei statistisch, würde ich den AD139 im Netzteil mit in die Untersuchung einbeziehen. Bei den -22,5 V für den Vorverstärker wirkt sich das nicht so stark aus (daher bei Radiobetrieb nicht auffällig) wie bei den -18 V beim Phono-Pre, weil der Phono-Pre sehr viel mehr verstärkt.

      Ich hatte mal den Fall (ein anderer Verstärker), dass jemand die Koppelkondensatoren vom Phono-Pre zur Verstärker-Vorstufe erneuert hatte. Dabei hat er sich verlesen, auf den Elkos stand .1µ also die US-amerikanische Schreibweise für 0,1 µ (Amerikaner lassen ja die Null vor dem Dezimalpunkt weg, was ihm aber nicht bekannt war). Er hat die aufgedruckte Kapazität deshalb falsch als 1 µF gelesen. Also hat er an dieser Stelle neue 1 µF eingebaut. Folge war: Es gab bei Phono starkes tieffrequentes Motorboating (wie das laute Tuckern des Motors eines Motorboots, also periodische Schwingung), aber nur auf einem Kanal und nur in einem begrenzten Bereich vom Balancesteller. Ob das Motorboating auftrat, war also noch von anderen Randbedingungen in einem ganz anderen entfernten Schaltungsbereich abhängig und auch von der Siebkapazität der Versorgungsspannung am Phono-Pre. Eigentlich hätte es Balance-unabhängig und in beiden Kanälen auftreten müssen. Korrekte Koppelkapazität eingebaut - und der Spuk war vorbei! Bei nicht bekannter Vorgeschichte kann man ganz schön lange suchen.

      Du wirst es finden.

      Gruß
      Reinhard
      Hi Reinhard !

      oldiefan schrieb:

      Also das tieffrequente Grummeln hast Du mit verschiedenen Plattenspielern und mit verschiedenen Verbindungskabeln?


      Jupp.

      Spielt alles keine Rolex. Es ist ein inkonsistentes, eher breitbandiges Grummeln oder "Knurren", wenn Du so willst.
      Ich hatte vorhin bißchen was anderes auf dem Zettel und habe nur nochmal den Dreher gewechselt, einen Braun PS-450 diesmal über die Cinchbuchsen im Gerät und ohne Adapter etc.pp.
      Ändert sich nix.

      oldiefan schrieb:

      Bei statistisch, würde ich den AD139 im Netzteil mit in die Untersuchung einbeziehen. Bei den -22,5 V für den Vorverstärker wirkt sich das nicht so stark aus (daher bei Radiobetrieb nicht auffällig) wie bei den -18 V beim Phono-Pre, weil der Phono-Pre sehr viel mehr verstärkt.


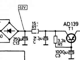
      Die "Regelung" mit dem AD139 ist sowieso ein bißchen ein Witz. Sie nennen das in den Unterlagen "elektronische Siebung". Großartig.
      Ein dicker Elko und ein Vorwiderstand an der Basis - das ist eher eine Einschaltverzögerung, mehr nicht. Der Grad der Stabilisierung ist dabei eher mau.
      Ich überlege, ob ich den Elko und Vorwiderstand verkleinere und dem Kreis eine Z-Diode spendiere ....

      Wie ich schrieb: ich hatte die Elkos alle ersetzt, weil zumindest zwei davon stark angeschlagen waren und ein 1000µF / 15V als Stabilisator an den -18V hängt - und das ab Werk so ist. Was stimmt da also nicht ? Der TS-90, den ich vorher behandelt habe, hatte exakt das gleiche Layout und da war bei vollaufgedrehten Reglern und angeschlossenem Plattenspieler nur ein leises Rauschen und - schlimmstenfalls - mal ein leises Brummen zu hören, wenn Kabel, Steckerkontakte und Abschirmung nicht so ganz perfekt waren.

      Beim Begucken der technischen Anleitung ist mir aufgefallen, daß der Rumpelfilter schon bei 50Hz minus 3dB abdämpft. Die Eckfrequenz ist 100Hz. Boah !

      Mal schauen, ob ich morgen zu irgendwas sinnvollem komme.
      Der Tag ist schon wieder ziemlich ausgeplant.

      :rolleyes:
      Der AD139 macht ja keine Stabilisierung. Dafür brauchte es noch z.B. eine Zenerdiode. Es wird auf gute Siebung abgestellt, Stabilisierung steht nicht im Vordergrund.
      Elektronische Siebung ist also ganz richtig. Es ist ein sog. Kapazitätsvervielfacher und dafür sehr wirksam. Die Kapazität an der Basis wird mit dem Verstärkungsfaktor multipliziert. Heute oft in Vergessenheit und unterschätzt.





      en.wikipedia.org/wiki/Capacitance_multiplier

      sound-au.com/project15.htm

      Gruß
      Reinhard

      Dieser Beitrag wurde bereits 2 mal editiert, zuletzt von „oldiefan“ ()

      Hi Reinhard !

      oldiefan schrieb:

      Heute oft in Vergessenheit und unterschätzt.


      Das ist dieser antike analoge Scheiß, den heute keiner mehr kennt. :D

      Das Prinzip ist mir durchaus vertraut, aber es gibt kaum Anwendungen dafür. Oder sie sind mir entgangen.
      Mit dem größeren Aufkommen von Z-Dioden hat dieses Verfahren schnell an Bedeutung verloren.

      Beim FM2000 haben sie das gleiche Verfahren verwendet und *dann* an den letzten Abgriff der Siebkette noch eine fette 12V Z-Diode angehängt, um aus den +12.4V noch die letzten Unebenheiten rauszukriegen. ZL12 mit Sechskantgehäuse - ein echter Trecker von einer Diode. Schon witzig.

      Ich baue mal das ganze Arrangement auseinander. Ich will die Nullspannung und den Ruhestrom prüfen und gucken, ob ich die blöden Meßbuchsen besser überbrücken sollte, weil die schon mal so viel Unruhe in die Sache reingebracht haben. Dann ziehe ich mal die B18 Entzerrerplatine und gucke mir die Bestückung an. Vielleicht sollte ich mal die Transistoren rauspflücken und durch den Tester schieben. Ich hatte das ja schon mal, daß die nachfolgenden desolaten Koppelkondis Transistoren überlastet haben und die nachher ziemlich Fritte waren. Ich habe nur keine AC125R mehr. Aber auch keine Nicht-R mehr.

      :)
      Also, diese kleine Schaltung findet man in so einigen Verstärken, auch jüngeren Datums. Z-Dioden haben ihre eigenen Probleme, die nicht zu unterschätzen sind, nicht zuletzt auch das Rauschen. Eine durchaus verbreitete Einsatzstelle findet sich in Endstufen, wenn von der Spannung eine glattere Version für die Eingangsstufe abgeleitet wird. Die will man nicht auf eine unnötig verkleinerte Spannung setzen, also nimmt man gerne den Kapazitätsvervielfacher. Haben wir hier z.B. beim Vollverstärker Ikarus so gesehen.

      Michael
      Hi Michael !

      kugel-balu schrieb:

      Die will man nicht auf eine unnötig verkleinerte Spannung setzen, also nimmt man gerne den Kapazitätsvervielfacher.


      Ulkigerweise habe ich gerade einen aktuellen Fall, wo sowas auch eingesetzt wird:



      Da ist der Transistor der aus einer doppelten RC-Kette angetrieben wird.
      Die Leitungen gehen dann weiter zum Phono-Vorverstärker und ich meine zum Stereodecoder.

      Das ist die Stromversorgung eines "etwas älteren" Marantz 2215, den der Ernst aus Belgien gerade von einem Schrotthaufen zu voller Funktion renoviert.
      Jeder hat so seine Vorlieben.

      :)
      Seit Beginn des Transistorzeitalters.


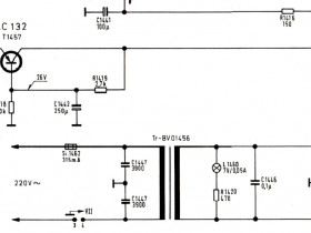
      Hier noch mit Ge-Transistor (Körting 1966):


      (Achtung: + ist GND, Versorgung ist -)
      Eingesetzt zur Gättung der Spannung für Phono-Teil und Vorverstärkerbereich. Gut wirksam.


      Kenwood KA-7002 Verstärker (1971), Si :



      Später hat man dann meist noch eine Zenerdiode parallel zum Elko an der Basis gesetzt, die die Spannung stabilisiert. Auf den Kondensator darf man dann trotzdem nicht verzichten (er darf dann ggf. weniger Kaoazität haben), weil er das Rauschen der Zenerdiode (Lawinendurchbruch!) kurzschliessen muss. Andernfalls macht man sich einen Rauschgenerator (Michael erwähnte es).

      Mit Zenerdiode und parallel geschaltetem Elko zur Rauschunterdrückung:

      Akai (1983):




      Gruß
      Reinhard

      Dieser Beitrag wurde bereits 5 mal editiert, zuletzt von „oldiefan“ ()

      Die sechziger Jahre waren die große Zeit der Z-Dioden, die damals noch Zenerdioden heißen durften (später haber das die Nachfahren von Herrn Zener untersagt, hab ich mal gelesen).
      Leistungs-Z-Dioden, wie die von Wacholder erwähnte ZL 12, waren sehr verbreitet! Die größeren Typen hatten ein Gehäuse mit M3- oder M4-Gewinde zur Kühlblechmontage. Grundig und andere haben die reihenweise eingebaut.

      Der "brutalste" Anwendungsfall findet sich in allen älteren Reihen der Uher report Tonbandgeräte. SIe haben eine ZL 7 (Z-Spannung "7,3 bis 7,7V") direkt im Betriebsspannungseingang - ohne Vorwiderstand! Wenn Batteriesatz, Netzteileinsatz oder Akku übereifrig sind, muss diese jegliche Überspannung totmachen - notfalls Ampereweise. Natürlich ist sie am Chassis festgeschraubt.
      Nachbilden kann man so eine "Dicke" mit einer normalen Z-Diode und einem Leistungstransistor. C an die Spannung, E an Null, die DIode zwischen C und B, fertig.

      Was den Telewatt-Patienten betrifft, verstehe ich euer Vorgehen nicht. So ein grummeln muss doch mit dem Oszilloskop nachweisbar und einzukreisen sein. Und es kommt entweder aus dem Netzteil oder (was ich eher vermute), ein Transistor erzeugt es. Funkelrauschen!!

      VG Stefan
      Hi Stefan !

      Klarzeichner schrieb:

      Was den Telewatt-Patienten betrifft, verstehe ich euer Vorgehen nicht. So ein grummeln muss doch mit dem Oszilloskop nachweisbar und einzukreisen sein. Und es kommt entweder aus dem Netzteil oder (was ich eher vermute), ein Transistor erzeugt es. Funkelrauschen!!


      Was gibt's da nicht zu verstehen ?

      Ich kann an dem Gerät nur arbeiten, wenn ich Zeit habe. Die hatte ich die vergangenen Tage nicht. Also ist nix weiter passiert.
      Was die "übliche Vorgehensweise" betrifft, bin ich gut im Bilde. Ich mache das ja auch nicht das erste Mal.

      Inzwischen hat sich ein weiterer Fehler eingestellt ...
      Wenn der Verstärker einige Zeit gelaufen hat (> 2 Stunden oder so) beginnt ein Knistern und Knacken, was sich über die Zeit soweit steigert, daß man den Karren lieber abschaltet. Es ist unabhängig vom gewählten Eingang, Lautstärke und Kanal. Das war an den ersten Tagen nicht der Fall, nur das "Grummeln" bei Phonobetrieb, was - im Nachhinein und genauer betrachtet - im linken Kanal stärker auftritt.

      Damit hat der TS-100A für die kommende Woche den Reparaturplatz gebucht, wo ich am Wochenende ein paar Dual 701 und 1229 drübergeschleust habe und der im Moment durch ein Siemens RC-777 okkupiert wird, was an diversen Gebrechen leidet. Das kommt dann erstmal an die Seite.

      :)
    • Benutzer online 3

      3 Besucher