Neu
Liebe Freunde,
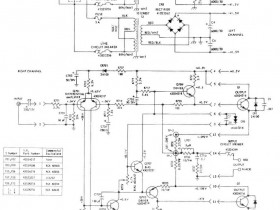
für eine anstehende Reparatur ergeben sich ein paar Fragen zu den alten Transistoren von RCA. Da waere zunächst einmal RCA 40408 --- ein Transistor im TO-5 Gehäuse, der schwer zu beschaffen ist. Es soll auch gut mit 2N3440 gehen, aber den bekommt man auch (fast) nur noch von CDIL, da bin ich bzgl. der Qualität etwas skeptisch.
Dann gibt es in der Schaltung (eine Citation 12) einen 2N5232 als Ruhestromtransistor. Den gibt es noch von CDIL (s.o. ...), und im Prinzip wohl von Motorola. Als Ersatz soll 2SC1775 gut geeignet sein, aber dann muss man Beinchen kreuzen, was ich gerne vermeide.
Im Ausgang sind RCA 40636 drin, die wurden offenbar schon durch MJ 15003 / 15004 ersetzt (die sicher robuster sind als 2N3055 H). Das kann erst einmal bleiben.
Der knifflige Punkt ist die Treiberei ... dort wurde ein RCA 40594 durch etwas anderes ersetzt, was offenbar nicht gut passt, und der Kühlkörper ersetzt. Genauer, er wurde entfernt und durch einen Kühlstern ersetzt, was einfach nicht so gut geht. Die RCA-Typen haben auch TO-5 Gehäuse (oder ähnlich), stecken aber in einer etwas größeren Kühlwanne aus Alu. Da die anderen 3 noch original sind, würde ich hier gerne wieder auf diese Bauform gehen. Problem: Den Transistor bekommt man noch, aber ich finde keine Quelle für die Kühlwanne. Hat noch jemand eine rumliegen ?
Besten Gruss,
Michael
für eine anstehende Reparatur ergeben sich ein paar Fragen zu den alten Transistoren von RCA. Da waere zunächst einmal RCA 40408 --- ein Transistor im TO-5 Gehäuse, der schwer zu beschaffen ist. Es soll auch gut mit 2N3440 gehen, aber den bekommt man auch (fast) nur noch von CDIL, da bin ich bzgl. der Qualität etwas skeptisch.
Dann gibt es in der Schaltung (eine Citation 12) einen 2N5232 als Ruhestromtransistor. Den gibt es noch von CDIL (s.o. ...), und im Prinzip wohl von Motorola. Als Ersatz soll 2SC1775 gut geeignet sein, aber dann muss man Beinchen kreuzen, was ich gerne vermeide.
Im Ausgang sind RCA 40636 drin, die wurden offenbar schon durch MJ 15003 / 15004 ersetzt (die sicher robuster sind als 2N3055 H). Das kann erst einmal bleiben.
Der knifflige Punkt ist die Treiberei ... dort wurde ein RCA 40594 durch etwas anderes ersetzt, was offenbar nicht gut passt, und der Kühlkörper ersetzt. Genauer, er wurde entfernt und durch einen Kühlstern ersetzt, was einfach nicht so gut geht. Die RCA-Typen haben auch TO-5 Gehäuse (oder ähnlich), stecken aber in einer etwas größeren Kühlwanne aus Alu. Da die anderen 3 noch original sind, würde ich hier gerne wieder auf diese Bauform gehen. Problem: Den Transistor bekommt man noch, aber ich finde keine Quelle für die Kühlwanne. Hat noch jemand eine rumliegen ?
Besten Gruss,
Michael
