Durchgangsprüfer Testi

      Durchgangsprüfer Testi

      Testi, einfacher guter Durchgangsprüfer

      Der Durchgangsprüfer ist so konzipiert, daß er mit wenigen Teilen aufbaubar ist.
      Auch kann man mit ihm gängige Dioden wie 1N4148 oder 1N4004 testen.
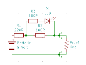
      Wie man im Schaltbild sieht, sind es drei Widerstände und eine LED.

      Indirekt brachte mich Mitglied "Opa Willi" auf die Idee, den zu entwerfen.
      Gerade Anfänger wollen nur wissen, ob Durchgang gut oder schlecht, keinen genauen Wert.
      Er nahm einen ganz simplen, einfach nur ein Widerstand und eine LED in Reihe.
      Nachteil, selbst wenn der Prüfling im Bereich kΩ ist, leuchtet noch die LED.
      Der hier macht das nicht, die Schwelle liegt bei etwa 220 Ω, ab wann die LED leuchtet.
      Das heißt, der hier ist etwa um den Faktor 100 besser, der Prüfling muss niederohmig sein.
      Hat der Prüfling mehr als ca. 250 Ω, leuchtet die LED sicher nicht mehr, auch kein schwaches Glimmen.
      Das entspricht einem Prüfstrom von 16 mA oder weniger, ab wann "kein Durchgang" angezeigt wird.

      Wie funktioniert die Schaltung?
      Ist fast selbsterklärend, wenn man sich das simple Schaltbild ansieht.
      An die Bauteile werden keine besonderen Anforderungen gestellt.
      Es reichen Kohleschichtwiderstände 1/3 Watt und eine Standard-LED rot, grün oder gelb.
      R1 mit 220 Ω dient hauptsächlich zur Strombegrenzung, kann man auch etwas hoch- oder niederohmiger wählen.
      Betrachten wir den Fall mit Prüfling annähernd 0 Ω, also voller Durchgang.
      Der maximal mögliche Prüfstrom beträgt ca. 30 mA, entspricht ca. 6,5 Volt über R1.
      Bei 9 V Batteriespannung fallen somit über R2 mit 100 Ω 2,5 Volt ab.
      Übliche Standard-LEDs leiten ab etwa 1,6 bis 1,8 Volt, abhängig von der Farbe.
      Nehmen wir 1,8 Volt an, fallen über dem Widerstand R3 0,7 Volt ab, LED-Strom 7 mA maximal.
      Im Grenzbereich mit Prüfling 220 Ω wird es interessant, nahezu ein Kipppunkt.
      Durch die gesamte Schaltung fließen dann 17 mA, entspricht 1,7 Volt über R2.
      Das ist genau der Bereich, ab wann die LED leitend wird, anfängt zu leuchten.

      Wie man im zweiten Bild sieht, baute ich die Schaltung mit gelber LED auf einem Steckboard auf.
      Statt des Prüflings nahm ich ein Trimmpoti mit 500 Ω, probierte 0 bis 500 Ω.
      Für das Bild eingestellt ist es auf 140 Ω, Leuchten schon gut wahrnehmbar.
      Die beiden Widerstände 100 Ω sind schwer erkennbar, stehende Miniwiderstände 0204.

      Eventuell erstelle ich noch ein Layout Punktraster für noch einfacheren Nachbau.
      Eigentlich sollte das nicht nötig sein bei gerade mal vier Bauteilen ohne Batterie.

      Andreas
      Bilder
      • testi-sch.png

        3,56 kB, 440×330, 9 mal angesehen
      • testi-stboard.jpg

        58,33 kB, 600×450, 7 mal angesehen
      Was bedeutet DL2JAS? Amateurfunk, www.dl2jas.com
      Hallo Andreas,

      schön das du deinen Durchgangsprüfer reingestellt und erläutert hast.
      Ich werde meinen jetzt dahingehend erweitern.
      Ich habe bloß eine Frage: Das heißt ja wohl, daß ich immer nur Strecken testen kann, in
      dem kein Widerstand zwischengeschaltet ist, oder ? Oder habe ich da einen falschen
      Gedankengang. Ich dachte ja immer nur, daß ich wissen will, ist die Strecke irgendwie
      gänzlich unterbrochen. Ich hatte ja bei meinen Prüfungen auch schon immer unterschiedliche
      Leuchtstärke bei den verschiedenen Strecken. Jetzt würde praktisch gar kein Leuchten der
      Diode eintreten. Bloß der Stromfluß selbst ist ja noch vorhanden , oder. Ich müßte also dann
      mit einem Multimeter den Widerstand messen und schauen, ob der größer ist als die in der
      Strecke vorhandenen Bauteile lt. Schaltplan z.B. , oder ?

      Vielleicht sehe ich das auch nur zu einfach.

      Viele Grüße

      Wilfried
      Durchgang misst man niederohmig!

      Weiß man, daß ein Widerstand vorhanden ist, misst man mit dem Ohmmeter.
      Dann will man den ja wissen, welchen Ohmwert der hat, eventuelle Abweichung vom Sollwert.

      Testi ist dazu da, schnell Verbindungen zu ermitteln.
      Das können gewollte Verbindungen sein oder auch ungewollte wie Kurzschlüsse.
      Nehmen wir als Beispiel gewollte Verbindungen im Röhrenradio.
      Laut Schaltplan gehen an Pin5 einer Röhre ein Widerstand und ein Kondensator.
      Du bist nicht sicher, welcher Widerstand es ist, drei dicht nebeneinander.
      Das misst Du dann sinnvoll!
      Erwischt Du die verkehrte Seite des Widerstands mit 1 kΩ, leuchtet mit Testi die LED nicht.
      Anders mit Batterie, nur ein Vorwiderstand und LED in Reihe.
      In dem Fall würde die LED auf beiden Seiten des Widerstands 1 kΩ fast gleich hell leuchten.

      Andreas
      Was bedeutet DL2JAS? Amateurfunk, www.dl2jas.com