SABA 9140 UKW Problem

      Hallo nochmal,

      sorry, mea culpa, ich hab falsch gemessen, die NF hat keine 1Vss, eher so was in Richtung 0,1Vss... die Spannung an den Meßpunkten sind auch 7,1V, keine 5V...
      doch der Tuner defekt?
      Der Klang ist sauber und klar, die Feldstärke schlägt auch bei einem starken Ortssender bis 7-8 aus. Nur halt viel zu leise und nur Mono.
      Ich nehme an, beide Beiträge beziehen sich auf C4 und D6.

      Bei 0,1 Vss ist das natürlich um Faktor 10 zu wenig.
      400 mV eff ergeben grob 1000 mVss.
      Das mit 7,1 V DC ist erst mal nicht so wild.

      Solche Messfehler sind ärgerlich.
      Man zerbricht sich den Kopf, vermutet dann den Fehler an anderer Stelle.
      Bitte demnächst auch wiederholen, was Du an welchem Punkt gemessen hast.

      Jetzt misst Du an B6 und C2, also vor und hinter dem Kondensator C2047 mit 2,2 µF.
      Das ist auch eine NF, sieht aber meist was merkwürdig aus.
      Die Spannung sollte etwa 400 mVss betragen.
      Miss auch DC, ob das mit 3 und 6 Volt brauchbar hinkommt.
      Den C2047 solltest Du auf jeden Fall wechseln, auch wenn er nicht der Übeltäter ist.
      Es kam der Tip, dort einen Folienkondensator wie WIMA zu nehmen, empfehlenswert.

      Andreas
      Was bedeutet DL2JAS? Amateurfunk, www.dl2jas.com

      Neu

      Richtig, B2 und C6 sind gemeint!

      Da habe ich versehentlich einen kleinen Dreher eingebaut.
      50 mVss ist zu niedrig, nur 1/3 vom Soll.
      Wenn im Schaltplan Spitzenwerte angegeben sind, erreicht man die meist auch bei Radioempfang.
      Gerade bei Popmusik wird senderseitig meist bis in den Grenzbereich ausgesteuert.
      Ich nehme an, die 50 mVss hat Du sowohl vor als auch hinter C2047 gemessen.
      Wenn ja, ist der Kondensator nicht die eigentliche Fehlerursache, würde ich aber wechseln.

      3,2 Volt DC statt 6 Volt an B2 ist mir was zu wenig.
      Wir werden uns jetzt mit dem FM-ZF-Modul beschäftigen.
      Miss an Kontakt 12 des Moduls die Spannung.
      Die Spannung fm15V sollte voll vorhanden sein.
      Dann misst Du an Pin11 des CA3089.
      Im Schaltplan ist nichts eingetragen, ich rechne mit ca. 12 Volt, eigentliche Betriebsspannung des ICs.

      Andreas
      Was bedeutet DL2JAS? Amateurfunk, www.dl2jas.com

      Neu

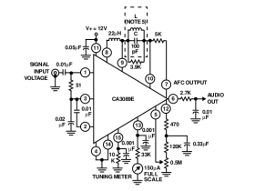
      Was für die technisch interessierten Mitleser!

      Im Bild die Testschaltung rund um den CA3089E aus dem Datenblatt von HARRIS.
      Pin11 ist die Betriebsspannung, typisch 12 Volt.
      Pin1 ist der Eingang für die ZF mit 10,7 MHz.
      In Note 5 steht, daß der Schwingkreis aus C und L für 10,7 MHz bemessen ist.

      Andreas
      Bilder
      • ca3089sch.png

        53,88 kB, 600×430, 6 mal angesehen
      Was bedeutet DL2JAS? Amateurfunk, www.dl2jas.com

      Neu

      Deine gemessenen DC-Werte sind wie erwartet, in Ordnung.

      Jetzt wäre ein zweites ZF-Modul zum Vergleich praktisch.
      Machen wir zwei Tests.
      Kann sein, daß Du schon darauf eingingst.
      Stimme auf einen starken Sender (Ortssender) ab.
      Dann verstimmst Du etwas, leicht links und rechts vom Sender.
      Die Abstimmanzeige für Mitte sollte das deutlich anzeigen.

      Kommen wir zum zweiten Teil, ZF-Spannung.
      Leider ist dazu in der Serviceunterlage wenig angegeben.
      Miss an den Punkten A2 und A4, Gleichspannungen.
      An A2 sollten wieder 14,7 Volt stehen.
      A4 ist mit 1,6 Volt angegeben, die Spannung sollte auf etwa 0,1 Volt stimmen.

      Dann misst Du mit dem Oszi direkt das ZF-Signal, 10,7 MHz.
      Das macht man üblicherweise mit einem Tastkopf 1:10 wegen der parasitären Kapazität.
      Du gehst mit dem Tastkopf, AC-Messung, an A4.
      Leider weiß ich nicht den richtigen Wert, ich rechne mit ca. 1 Vss bei starkem Sender.
      Vermutlich weiß einer der Mitleser, wie hoch die Spannung normalerweise ist.
      Dann verstimmst Du den Sender so weit, bis nichts mehr kommt, also kein Sender.
      Bis auf etwas Rauschen hast Du dann auch keinen ZF-Pegel mehr.
      Gleiche Messung machst Du an Pin1 vom CA3089.
      Das Ergebnis sollte recht ähnlich aussehen, wie zuvor an Messpunkt A4.
      Ist dem so, sollten die ZF-Verstärker mit Filtern in Ordnung sein.

      Andreas
      Was bedeutet DL2JAS? Amateurfunk, www.dl2jas.com

      Neu

      Bei meinem Gerät habe ich an A2 14,8V, an A4 1,58V Gleichspannung gemessen.

      ZF mittels Oszi, Tastkopf 1:10
      A4 (Ausgang Mischteil)
      60 dBuV, Signalstärke 8: 50 mVss
      80 dBuV, Signalstärke 9: 400 mVss

      Pin 1 CA3089, (ZF nach Piezo-Filtern)
      60 dBuV: 100 mVss
      80 dBuV: 200 mVss

      Der letzte Wert ist kein Versehen, bei so hohen Pegeln wirkt schon eine gewisse Begrenzung durch die ZF-Verstärkerstufen.

      60 dBuV entspricht schon einem relativ starkem Sender. Damit muss rauschfreier Stereoempfang kommen. Bei 80 dBuV ist der UKW-Sender quasi in der Nachbarschaft.

      VG, Christian
      **************************************************
      2 + 2 = 5 (für extrem große Werte von 2)

      Dieser Beitrag wurde bereits 5 mal editiert, zuletzt von „chriss_69“ ()

      Neu

      Betrachtungen zum Beitrag von Christian, Begrenzung

      Anbei der Schaltplanauszug dazu, ZF-Verstärker und rechts der CA3089.
      Die Begrenzung des ZF-Pegels ist nur schwer erkennbar, ich überlegte etwas.

      Häufig macht man eine Regelung, Begrenzung, schon im Tuner.
      Das geht prima mit FETs vom Typ Dual Gate.
      Ein Gate ist der eigentliche HF-Eingang und mit dem zweiten kann man die Verstärkung einstellen.
      Je nach FET wie z.B. BF960 bekommt man so mindestens 40 dB hin.
      Die Steuerspannung kommt dann üblicherweise vom ZF-IC, hier der CA3089.
      In dem Fall wäre es Pin15 AGC, wird hier aber nicht verwendet, geht über 10 kΩ gegen GND.

      Bei üblichen Verstärken im A-Betrieb setzt man Uce auf etwa halbe Betriebsspannung.
      Das ist hier nicht der Fall, SABA stellte Uce auf etwa 14 Volt ein.
      Das heißt, man hat nur einen sehr kleinen Bereich für echten A-Betrieb.
      Habe ich jetzt nicht extra ausgerechnet, dürften etwa 200 mVeff sein.
      Der Verstärker hat natürlich noch einige Reserven!
      Er wird bei mehr Pegel zunehmend in den B-Betrieb gezogen, wird unlinear.
      Den Trick macht man teilweise bei Sendeendstufen, gibt wesentlich besseren Wirkungsgrad.
      Haken an der Sache, es wird praktisch nur noch eine Halbwelle verstärkt, gibt Oberwellen.
      Hier juckt das reichlich wenig, da ja hinter den Verstärkern die Filter folgen.
      Solche Verstärker nimmt man gern für CW oder FM, taugen keinesfalls für AM oder SSB.

      Kleine Anmerkung zum hier verwendeten HF-Transistor BF240.
      NOS bekommt man den noch, wird nicht mehr produziert, eventuell noch von CDIL.
      Ein sehr ähnlicher Transistor ist der BF199, der weiterhin produziert wird, leicht erhältlich.
      Seine Daten sind sehr ähnlich, etwas andere maximal zulässige Spannung.
      Beide sind bezüglich Transitfrequenz, Verstärkung, sowie Ein- und Ausgangskapazität fast gleich.
      Bis 25 V Uce kann man eigentlich immer als guten Ersatz einen BF199 nehmen.
      Bei jetziger Ware bevorzuge ich welche von ON (Fairchild).

      Andreas
      Bilder
      • zf-verst9140.png

        82,97 kB, 588×441, 5 mal angesehen
      Was bedeutet DL2JAS? Amateurfunk, www.dl2jas.com
    • Benutzer online 1

      1 Besucher