9241 zerrt neuerdings

      Hallo,
      ich muss mal wieder nachfragen, ob jemand schon Erfahrung hat und mir einen Tipp geben kann:

      Seit kurzer Zeit zerrt einer meiner 9241, nicht viel, aber doch hörbar. Es kommt mir vor allem in den Mitten deutlicher und anhaltender vor, in den Höhen bemerke ich praktisch nichts und der Bass scheint allzu kräftig geworden zu sein und zerrt wie "übersteuert", wenn der Impuls zu stark ist.

      Aufnahmen übersteuern obwohl die Anzeige nicht ausgereizt ist (CD 936).

      Verschiedene LS habe ich natürlich ausprobiert. Ist das ein trocken gelaufener Kondensator?

      Mit der Hoffnung auf eine Antwort.

      Gruß, Klaus
      Hallo,

      kann natürlich ein defekter Koppelkondensator sein, auf dem Weg vom Input ob nun Radio oder externe Quelle durchläuft das Signal schließlich etliche davon.
      Bei meinem 9241 hatte ich aber ein anderes Problem. Auf einem Kanal war die Wiedergabe deutlich leiser und auch kräftig verzerrt, vor allem in den Signalspitzen. Als Ursache hatte ich dann herausgefunden, daß die IC-Fassungen für die Signalquellenumschalter (TDA 1029) sehr schlechten Kontakt hatten (durch Klopfen und Drücken ermittelt). Nach Reinigung der Fassungen geht alles wieder einwandfrei. Habe auch schon überlegt die Fassungen gegen einen Präzisionstyp zu tauschen.

      Vielleicht hilft es, den Fehler einzugrenzen.

      Gruß, Gunnar
      Gruß, Gunnar
      Wie meinst du das, Michael?

      Naja, ist ja auch egal, ich bin "ambitionierter Laie". Ich habe mal gemessen und mit einem anderen 9241 verglichen: Vom Netzteil zur NT-Platine weichen die Spannungen an PIn 6 + 7 erheblich ab: 4,3V bein kaputten, 11V beim heilen 9241. Alle anderen Spannungen sind um max. 1V niedriger.

      6 + 7 sind für das Impulsmodul zuständig, soweit ich dem Plan folgen kann. Nun frage ich ganz klar aus Unsicherheit: Netzteil futsch?

      Gruß,
      Klaus
      Die Fehlersuche im Netzteil ist relativ einfach. Ich gehe davon aus, das Du ein Schaltbild zur Hand hast. (ansonsten bekommst Du es hier im tollen Forum!!) Die Spannungen müssen wie beschrieben vorhanden sein. Sind sie es nicht, sind entweder die dazugehörigen Spannungsregler defekt oder einer der obligatorischen Kondensatoren, die meist nicht die 30 Jahre überleben. Sterben sie langsam, stellen sie auch so eine Belastung für die Schaltung dar, und verfälschen die Ausgangsspannung. Damit lässt sich der Fehler leicht einkreisen.
      Die Fehlersuche im Verstärker ist ohne Vorkenntnisse wesentlich schwerer. Die 92er Technik ist zwar relativ einfach, aber ohne passende Messmittel wird man auch hier schwer auf den eventuell defekten Transistor in der Vorstufe oder einen defekten Kondensator aufmerksam. Und alle Bauteile zu wechseln ist hier auch nicht wirklich zielführend, zumal ja auch mit Kosten verbunden. Daher meine ich - ein Fehler im Netzteil wäre hier der "wünschenswertere" Fehler!
      Gruß
      Michael
      Hallo Klaus - was meinst Du mit 6+7? Gebe doch bitte die Meßpunkte (K oder L-Punkte) an, die im Schaltplan stehen. Dann können wir Dir sicher helfen. Ansonsten redet man leicht aneinander vorbei. Mit einer Antwort von mir kann es allerdings etwas dauern, muß mal kurz weg. Vielleicht ist bis dahin einer der vielen Saba-Kameraden da? Ansonsten melde ich mich nachher!
      Gruß Michael
      So- da bin ich erst mal wieder: Die Spannung ,die Du gemessen hast ist eine der Ausgangssspannungen vom Trafo. Das ist Wechselspannung!!! Ich würde wie oben beschrieben erst mal die Spannungen vom Netzteil selbst prüfen. Am 7815 müssen auch 15V am Ausgang liegen (22,5V gehen rein). In der Mitte von den 3 Anschlüssen befindet sich die gemeinsame Masse. Genauso am 7812: hier müssen 12 V am Ausgang liegen. Dann die mit K und L bezeichneten Messpunkte auf der Grundplatte messen. K7 42 V, K5 -42V, K3 42V, L7 -42V, L6 8V. (Spannungsversorgung des Endverstärkers) Deine Messung an 6+7 mit 4,5 V ist zu klein hier müssen ca. 9V liegen. Messe mal über C633, was da rauskommt und vergleiche notfalls mit Deinem anderen Gerät! Das soll erstmal reichen.

      Gruß
      Michael
      Nichts für ungut, aber ich habe das Gefühl ihr redet im Moment aneinander vorbei.
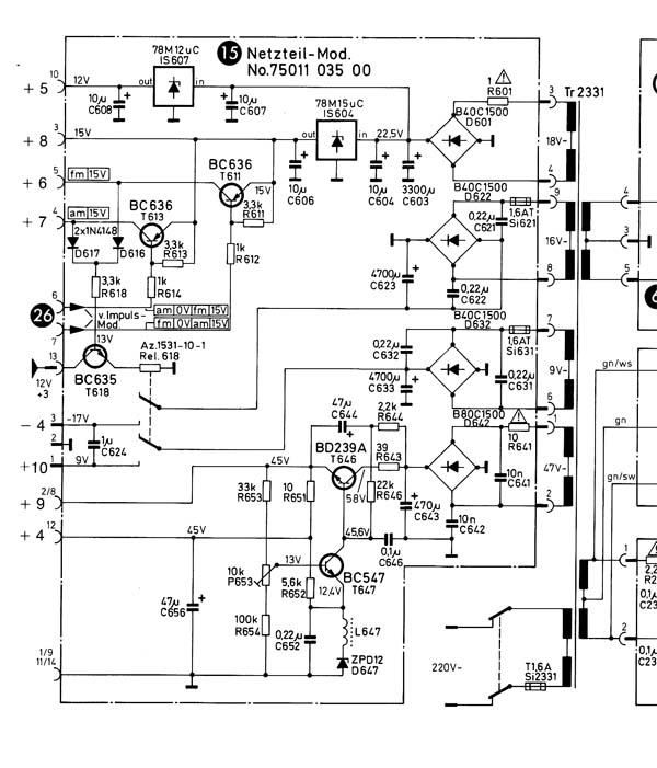
      Schaltbildauszug 9241 Netzteilmodul, erleichtert auf den gemeinsamen Punkt zu kommen



      Edit:
      Hier gibt es
      1. die Trafopunkte 6 und 7,
      2. die Anschlusspunkte des Netzmoduls 6 und 7 (Steuereingang AM/FM, kommt vom Impulsmod.)
      3. die Betriebsspannungen "+6" und "+7" (jeweils 15 Volt, Abhängig von AM/FM)

      Gruß Ulrich
      Hallo Michael,

      danke, dass du dir die Zeit nimmst. Also: am 7815 = 14,2V, 7812 = 11,7V, K7 = 39V, K5 -39,9V, L7 = - 39,9V, L6 = 8,5V. C633 kommt gar nichts raus, aber das kann ja nicht sein, sonst würde ja einiges gar nicht gehen. Alles gemessen mit VC 940 True RMS.

      Hallo Ulrich, genau davon habe ich geredet, nur das kann ja eigentlich nichts mit Verzerrungen auch bei Kassettendeck hören zu tun haben, daher habe ich mal alles gemessen, was Michael da angegeben hat.

      Gruß, Klaus
      Hallo Klaus,
      bevor wir hier viel Zeit verbringen: Nutze doch den großen Vorteil der 92er-Geräte. Es sind doch alles Module. Und wo Du doch einen heilen Receiver hast, tausche doch einfach mal die Netzteil-Platine (nicht die Schrauben unten vergessen). Wenn der Fehler weg oder in Deinen anderen Receiver entschwunden ist, ist der Fehler doch schon mal grob eingekreist. Ist zwar laienhaft, aber so wurde es schon damals mit Erfolg gemacht. Da hätten wir dann schon mal viel Zeit gespart und sehen danach weiter - was meinst Du?
      Michael
      So, ich habs.
      Es war das NF-Filtermodul. Was genau darauf, werden wir noch sehen, aber Fakt ist, dass nun nichts mehr zerrt. Und für eine Sache muss ich mich noch entschuldigen:

      Mit der Spannung auf den von mir genannten PINs 6 + 7, verantwortlich für die Spannung zu den FM und AM-Modulen verhält es sich so: die 108 MHZ-Version hatte immer 4,3V, die 104 MHZ-Verson immer 11V. Gut, wenn man mehrere Geräte hat, schlecht, wennman so dusselig ist, wie ich.

      Also, danke all den Helfern, ich habe wieder ein Stück mehr vom Gerät verstanden.

      Gruß, Klaus
    • Benutzer online 1

      1 Besucher