Saba CD 360

      Externally, the design is matching the look of the SABA 9241, 9260,...etc. receivers. But its interior cassette mechanism is the same as in the UHER CG330 cassette deck (UHER was another German manufacturer). The front plate and the location of the knobs etc. is different. It shows signs of Japanese origin. The schematic shows that Japanese transistor types (2SC....) were used throughout, instead of German/European transistors (BC...). Hence, it is a Japanese construction, although the schematic in the SABA Service Manual was drawn by SABA in Germany, it is not simply a copy of the Japanese original.

      On one side of the cassette mechanism one can find the writing impressed into the metal "Motorola Inc. Japan".
      Motorola, together with Alps, co-owned Alpine (Japan), sold its shares later to Alps (Japan). Alps-Motorola = Alpine (Japan) were quite likely the OEM-Manufacturer of the SABA CD 936 as well as the UHER CG 300 Series, CG 330 and CG 350 cassette decks. For the UHER CG 350 type this origin is documented in a book on UHER history "Die Geschichte der UHER-Werke München". For the CG 330 and the Saba CD 936 it might be concluded from the imprint on the cassette mechanism. It is fair to state that at least the cassette mechanism is from Alpine (Japan) and that the rest (electronics) is also Japanese-made (OEM), either also by Alpine or by another Japanese OEM.

      You can recognize similarities of several features (i.e. the tape run indicator, cassette loading mechanism, etc.) of the SABA CD 936 with the Alpine Maximal 749 cassette deck and also Alpine CJ-600 cassette deck:
      media.karousell.com/media/phot…_ecd9e860_progressive.jpg

      Exactly the same "slot-in" cassette mechanism was also used in cassette players from several rather unknown sales brands offered mostly by warehouse chains. I.e. Wintec (Monarch) CD-760F, AWA, IRRADIO CRD-71, Englebert CDF-1. These could be all made by Alpine or the mechanism was sold by Alpine to other OEMs.

      I don't know if the quality of the CD 936 is better than of the CD 360 or vice versa.

      At least, I found in Alpine's company history: alpsalpine.com/e/about/history_apn.html
      "1977: The CM630 cassette radio is adopted as an OEM component for Lamborghini automobiles." Wow...Lamborghini !!! It means at least that "a respectable level of quality was probably established".
      "1978: Sales subsidiary, Alpine Electronics GmbH, was formed in Germany. Company name changed to Alpine Electronics, Inc."

      alpsalpine.com/j/about/images/images_197700.jpg


      Best Regards,
      Reinhard

      Dieser Beitrag wurde bereits 10 mal editiert, zuletzt von „oldiefan“ ()

      X906 2SC458 (C, D) and X908 2SC458A (C, D) can be replaced by BC550 (B, C). However, obey different pin-out for the BC-type transistors compared with the old Hitachi ones with X-172 slab package.

      (C, D) means hfe > 160 (C) or > 250 (D), according to Hitachi's datasheet. B, C, and D are the hfe (beta) classes of 2SC458.

      Thy type 2SC549A (C,D) is not documented.
      Often (A) stands for "any hfe-class" (not selected). In this case, however, (C, D) is added. That's confusing.
      With BC637 hfe of 40 is too low if class (C, D) is desired. To meet also the gain (hfe) requirement, I would propose BC337-40, which is also on the safe side re. higher voltage and current. BC337-40 has the same pin-out as BC550 (different from 2SC458 in slab package).

      Regards
      Reinhard

      Dieser Beitrag wurde bereits 1 mal editiert, zuletzt von „oldiefan“ ()

      In other words...

      the voltages shown in the schematic require a voltage drop of 8.8 V over 280 Ohm ( = 270 Ohm + 10 Ohm resistor) for bringing 20 V to 11.5 V, assuming that the resistance of L901 and of the transformer primary winding may be neglectably small. The corresponding current for that is 31 mA, which must flow through the middle transformer pin. The 31 mA are split symmetrically into 15.5 mA flowing through each of X908 and X909 transistors (bias current). If no current flows, you must find 20 V instead of 11.5 V as you do.

      Therefore...
      - either X908 and X909, both, have an open C-E junction
      - or R 939 has become open (highly resistive)
      - or X907 is defective or does not switch "on" (did you check, if you find 0.7 V at base of X907?)


      Reinhard
      Check that R939 and R934 are normal,

      Replaced C917 capacitor

      Check X907/C1213, there is a fault. After replacing C1213, the voltage is 0.7v, and the fault is removed,

      The sound of replacing X908 and X909 (c458A) with BC550C is bad and stuffy. The sound of the original c458A is good.

      Now everything is back to normal, and the fault is removed. Thanks again for the teacher's advice, so I learned new knowledge.

      Best wishes to you oldiefan dl2jas !
      Hello teachers,

      I just received a Saba CD360 with the main motor not running,

      I checked the circuit diagram but couldn't find any relevant information, especially for these two small circuit boards.

      May I ask for information on the four wires connecting the motor to the small motherboard? Where can I find them?

      I used a multimeter to measure the four wires connecting the motor: black 11.7v, two light yellow 11.7v, and orange 11.7v,

      Blue 0v, red line 11.7v

      I cannot make a judgment due to the lack of information.

      For advice, thank you.

      " src=" <img src='https://img.alicdn.com/imgextra/i3/1518423/O1CN011XgEPn2C5muzXRG0o_!!1518423.jpg' alt='01.jpg' />">

      Hello Friend,

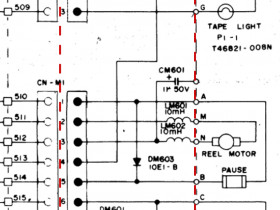
      The board in the lower picture is this motor board (within red dashed frame):



      It is included in the SABA service Manual of the CD360.

      I could not locate the board on your upper picture though. Nevertheless, you can see that the integrated circuit is UPC1003C2, a servo motor driver IC (speed control) made by NEC, Japan. Maybe that IC is defective? It seems to replace the discrete motor drive circuit which was originally used in the CD360. Probably still available through AliExpress, for example.

      The SABA CD360 was made by Sanyo, Japan. Perhaps in some of the Sanyo cassette-decks from 1979-1982 use this circuit also and you can find it in one of thos Sanyo Service Manuals?


      Best Regards
      Reinhard

      Dieser Beitrag wurde bereits 3 mal editiert, zuletzt von „oldiefan“ ()

    • Benutzer online 3

      3 Besucher