Meersburg WIII
-
-
Super. D.h., dass ich die Spannung noch anpassen muss. Leider ist wie gesagt keine Ausschlag zu beobachten egal ob FM oder AM. Da kommt wohl gar nichts an. Ich hoffe mal, dass sich das Problem durch die Kondensatorkur löst, ansonsten seid ihr wieder gefragt, denn ich habe von der Empfangstechnik leider keine Ahnung, ein Signal verfolgen kann ich jedoch.
Gruß JulianBilder: http://tinyurl.com/sabajulian -
Hallo Julian.
Leider hatte ich nicht gesehen, dass das Auge auch bei TA "3/4" zu ist.
In einem solchen Fall, legt man Pin 5 (Gitter1) an Masse.
Jetzt muss der Faecher aufgehen.
Wenn nicht, der 1Meg ist kein 1 Meg, den 1Meg einseitig abloeten; Faecher auf?
Wenn nein: die Fassung hat einen Isolationsfehler oder?
Die 6E5 zieht zu wenig Anodenstrom weil sie Schrott ist.
hans -
Danke für die Tipps. Ich werde das allerdings erst Morgen oder am Sonntag testen, da mein Ultraschall Gerät vorhin gekommen ist und ich gleich mal den schwergängigen Lautstärke Poti gereinigt habe. Der Trocknet jetzt (ja ich weiß, dass kann man das auch in der Backröhre machen, aber das finde ich zu viel Energie für so ein kleines Teil). Nach dem Einbau werden ich mich dann wieder um das Magische Auge kümmern.
Gruß JulianBilder: http://tinyurl.com/sabajulian -
Ich habe z.Z. leider viel um die Ohren (bald sind Semesterprüfungen). Deshalb schreibe ich erst jetzt. Mittlerweile sind alle Teerkondensatoren entfernt und die Reinigung des LS Poti war ein voller Erfolgt. Der TA ist jetzt brummfrei und klar. Der Empfang auf allen Wellenlängen ist weiterhin Tod und ich weiß nicht, wo ich hier ansetzten soll zu messen, da ich von der Empfangstechnik keine Ahnung habe. Hier sind die Experten gefragt. Das Problem mit dem Magischen Auge habe ich auch nicht lösen können. Der 1Meg hat lt. Messgerät 1,096 Mega Ohm. Ich habe mal ein paar Bilder gemacht:
Diese Stellung hat das Auge auf jedem Wellenbereich/TA

So mit Gitter1 auf Masse

Und so habe ich das Ganze beschaltet

Dieses Radio raubt mir noch den letzten Nerv
Gruß JulianBilder: http://tinyurl.com/sabajulian -
-
Hallo Julian,
ich habe vorsichtshalber noch einmal die Umbauanleitung beschrieben und die Beschaltung hochgeladen.
1.) Anschluß 6 (aII/stII Anode 2 + Steuersteg 2) an 1 löten (unbeschaltet), oder isolieren (Widerstand entfernen).
Dieser Anschluß bedient bei der EM34/35 den 2. Sektor und wird bei der 6E5 nicht benötigt.
2.) Anschluß 5 (l Leuchtschirm) auf 6 löten
3.) Anschluß 4 (gT Steuergitter Triode) auf 5 löten
Das wars schon, obwohl ich in deinem Fall gleube, dass einfach keine Steuerspannung ans Gitter gelangt. Das gilt es zu ergründen.

Gruß, DieterGruß, Dieter -
-
Danke für die Antworten. Die 6E5C ist in Wirklichkeit heller. Ich musste das Bild unterbelichten, da bei normaler Belichtung alles grün war und man den Fächer sonnst nicht gesehen hätte. Ja Rot ist die Anode und G1 ist Lila. Wo fange ich am besten an, nach der Steuerspannung zu suchen? Wenn ich das richtig sehe, ist das das gleiche Signal, welches (außer bei TA) auch in das Gitter der EABC80 geht. Das würde auch erklären, wieso auf allen Wellenlängen Stille herrscht.
Gruß JulianBilder: http://tinyurl.com/sabajulian -
-
So endlich habe ich wieder Zeit mich dem Meersburg zu widmen. Die Anodenspannungen der EAF42 und ECH 81 sind ca 20V unter soll, aber vorhanden. Die der EF 80 und EC 92 messe ich nachher, dazu muss ich erst die UKW Box öffnen. Die zu niedrige Spannung liegt daran, dass ich den Gleichrichter noch nicht ersetzt habe. Da muss ich erst einen passenden Vorwiderstand besorgen.
Gruß JulianBilder: http://tinyurl.com/sabajulian -
So die UKW box ist offen. Die EC92 hat überraschenderweise 5V zuviel Anodenspannung (135V). Die EF80 30V zuwenig (180V). Alles gemessen bei UKW. Empfangstechnisch habe ich echt keine Ahnung. Vor und Endstufe funktionieren ja, da die Wiedergabe via TA tadellos funktioniert (gut das Magische Auge ändert sich nicht aber der Ton geht). Ich bräuchte nun einen Hinweis wo ich ansetzten soll zu suchen. Nochmal zusammengefasst:
Magisches Auge hat immer die gleiche Stellung
TA funktioniert
Alle anderen Wellenlängen Stille
Anodenspannungen (wenn auch etwas zu wenig) überall vorhanden
Gruß JulianBilder: http://tinyurl.com/sabajulian -
Hallo Julian,
dass bei TA das Auge erstarrt ist normal, leider kann man es (wie bei manch anderen Radios) auch leider nicht zur Schonung abschalten.
Du solltest das G1 versuchen auf Masse zu legen und beobachten, ob und wie sich der Ausschlag ändert. Ersatzweise könntest du auch das G1 ablöten und eine (Fremd-) gleichspannung zuführen im Bereich bis max 15 V.
Vermutlich zuckt das Auge bei diesen Versuchen wie wild, dann gilt es zu suchen, wo die Steuerspannung rückwärts hängen bleibt.
Gruß, DieterGruß, Dieter -
-
Hallo Julian,
hier lohnt ein systematisches Vorgehen auf jeden Fall. Solange kein einziger der Wellenbereiche funktioniert, ist es wenig sinnvoll, sich um die Anzeige der EM zu kümmern, da die Chance, dass sie funktioniert, wenn der Radioempfang wieder läuft, groß ist.
Genauso ist es müßig, in der UKW-Box zu suchen, solange alle anderen Wellenbereiche auch schweigen. Die Chance, dass ein NF-Fehler oder ein ZF-Fehler in dem Bereich, der für AM und FM zuständig ist, vorliegt, ist groß.
Man muss das Pferd nun von hinten aufzäumen: Erste Frage (der Tread get ja schon länger, hab nicht mehr alles im Kopf) ist, funktioniert die Wiedergabe über den Phono / TA Eingang?Achim -
Ja die Wiedergabe via TA funktioniert tadellos. Mir ist klar, dass ich "von hinten" nach dem Signal suchen muss. Das erste Problem ist schon das lesen des Diagramms vom Tastenaggregat. Ich sehe da nur Punkte und Striche. Woher weiß ich in welchem Zustand sich welcher Kontakt befindet? Ich denke der erste Messpunkt müsste U4 sein, da TA ja funktioniert. Das mit der Signalverfolgung habe ich noch nicht so drauf. Ich habe jedoch einen UKW Sender (FM Transmitter 87,5 bis 108 Mhz einstellbar) und ein Oszilloskop da (sollte das helfen)
Gruß JulianBilder: http://tinyurl.com/sabajulian -
-
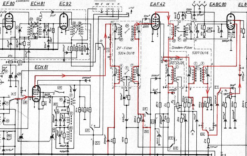
O.k. - hier als Start der skizzenhafte Signalverlauf für LMK:
Die Kontakte T1 und U4 müssen einwandfrei schalten.
Als nächstes ist die Röhre EABC80 interessant, die einerseits mit ihrer Triode verstärkt - das tut sie ja - und zudem über die Diode (rechts) das AM-Signal demoduliert.
Dann kommt die untere Hälfte des Diodenfilters. Du kannst sie zumindest mit dem Ohmmeter prüfen, ebenso die Eingangswicklung des UKW-Filters oben, die durchgängig sein muss.
Dann wären die Gleichspannungsverhältnisse an der EAF42 von Bedeutung...Achim
-
Benutzer online 3
3 Besucher