SABA Receiver 8061 mit seltsamen Fehler

      Wir sollten Dieter zwingen, die Elkos in der Treiberschaltung zu erneuern.
      Ich hatte seit Jahren ein Z- Messgéraet ZP2 von Sennheiser.
      irgendwann wollte das nicht mehr. Ich habe es repariert, kalibriert und in den Schrank gestellt. Ca. 8 Monate danach wollte ich was messen, die Eichung restlos daneben.
      Im Innern 10 Elkos "grau" ROE wie auch in SABA Decodern zu finden.

      oder hier: post 005 http://saba.magnetofon.de/showtopic.php?threadid=5239

      Zwei davon seitlich geplatzt und im pF- Bereich und nahezu zeitgleich.

      hans
      Ja Hans, meine Rede.
      Es gibt wohl fast keine Elkos aus dieser Zeit mehr (ausser manchen Frakos), die noch als "über jeden Zweifel erhaben" gelten können. Und auch wenn sie sich heute noch manierlich aufführen, kann das Ganze in einem Jahr kippen.
      Hohe ESR, Restströme, die nicht mehr aufs Soll abfallen, Kapazitätsverluste...

      Dieter, mach bei einem Kanal einen Rundumschlag bei den Elkos - sind ja nur 5 Stück.
      Achim
      Kein Problem, ich bin ja auch für jeden Strohhalm dankbar. Werde morgen mal drangehen und die Dinger tauschen.

      Hans, ich würde deine Bedenken auch gerne anzweifeln. Aber welche Argumente habe ich noch, wenn der Balanceregler erstens das tut was er soll und zweitens die Signaleinspeisung an meinen roten Pfeilen in beiden Kanälen die gleiche Wirkung hat?

      Aber der Wertstoffhof ist noch weit weg. Man hat ja auch noch ein wenig Ehrgeiz...

      Gruß, Dieter
      Gruß, Dieter
      Hallo Hans, dein post 018 hat mich auch zweifeln lassen.

      Natürlich habe ich die Signaleinspeisung in den Signalweg gemacht, OHNE die Signalleitung aufzutrennen.

      Es läßt einem ja keine Ruhe. Nun habe ich die beiden Signalleitungen ab Balanceschleifer aufgetrennt und die Endstufen bringen Leistung. Schließe ich die Signalleitungen wieder an, zieht es die Leistung in den Keller.

      War wohl eine sch... Idee, direkt in die Signalleitung einzuspeisen

      Nun wissen wir mehr, Hans scharrt ja schon förmlich mit den Hufen...
      Der Signaleinbruch ist also vor dem Balanceregler.

      Wie gehts weiter ??

      Gruß, Dieter

      Edit: wenn mehr Schaltbild gebraucht wird, lade ich das Teil links der Endstufen hoch.
      Gruß, Dieter
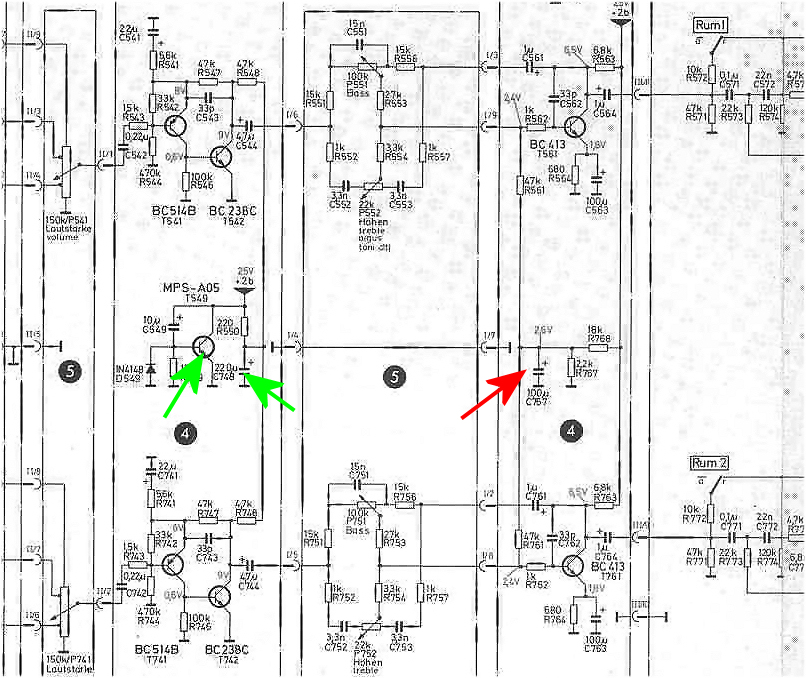
      Genau der T549 und die zwei 1uF am Power- Amp.

      c 592 und 792 habe ich im Auge! Wenn der Bal- Regler ab ist,

      stoert der Restrom nicht der 1 uF Elkos. Daher die Skizze.

      Das hatte ich im Post 002 schon im Auge.

      Wenn die 1uF leck sein sollten, muss aber am Lspr. die Mitte von Null weglaufen !!!!!! Unwahrscheinlich dass der Fehler dort ist. Hm?
      Den T 549 herausnehmen.

      hans
      Hallo Hans,

      da brauchts eigentlich keine Skizze. Da der Phono- und Bandeingang ebenso fehlerhaft reagierten, habe ich mit meinem NF-Generator ein Signal direkt an die beiden Balanceschleifer gehalten, um zu sehen, was die beiden Endstufen machen, that´s it.

      Von da ab suchten wir rechts der Balanceregler, was falsch war.

      Nun gehts nach Westen...

      Gruß, Dieter
      Gruß, Dieter
      Hallo Dieter,

      ich kann nachvollziehen wie es dir geht. Mir ging es so ähnlich mit meinem Verstärker. Leider kann ich der techn. Diskussion nicht mehr ganz folgen, das liegt aber nicht an Euch, sondern an mir.

      Ich erlaube mir dennoch Hinweise zu geben. Es scheint bei meinem Denon Verstärker tatsächlich ein Transistorproblem gewesen zu sein. (ich werde noch berichten) Vielleicht trifft es auch hier zu!?

      2. Wie sieht es mit dem Schalter vor dem Lautsprecherausgang aus? Kurzschluß, Schmutz, Kriechstrom, ...

      Vielleicht mögen die Hinweise als Strohhalm dienen, ansonsten einfach ignorieren.

      Gruß
      Wolfgang
      geht nicht - gibt's nicht!
      Hallo Dieter.

      Jetzt solltest Du einmal am ELKO C 748 die Spannung messen. Das muessen
      20 bis 24 Volt plus sein.
      Auserdem am C 767 die + 2,6 Volt.

      Dann gehen bei mir auch so ganz langsam die Lichter aus.
      Was Wolfgang im Post 029 mit Transitor meint, sind 36 Stueck.

      Und es muessten, wie bei den Turmspringern, synchron Defekte sein. Das glaube ich nicht.

      hans
      Hallo Hans,

      Beharrlichkeit führt zum Ziel - das hatten wir schon mal bei einem ähnlich tricky fault.

      Nachdem am C748 alles stimmte, war ich schon wieder mutlos, aber die ca. 0 Volt am C767 stimmten mich wieder fröhlich.

      Ersetzt und was sage ich, die Kiste trällert erst mal munter ohne Fehler.

      Kann der Transistor wieder rein ? Dem fehlt ja offensichtlich nix.

      Für mein Verständnis, da ich sehr im Dunkeln taste: Wofür dient diese Schaltung mit dem T549 ?

      Danke für deine Beharrlichkeit und Hilfe, Hans !! Du kannst bei dir jetzt alle Lichter wieder anmachen...

      Ganz groß am Pranger. Sorry, meine 1996 Digicam kann nicht näher...



      Gruß, Dieter
      Gruß, Dieter
      Moin,
      der Transistor T549 soll fuer ein geraeuschfreies/-armes Einschalten sorgen, indem die Betriebsspannung der Verstaerker nach dem LS-Poti verzoegert wird. C757 sitzt in der Basistromversorgung T561/761. Kein Wunder, dass man nichts hoert, wenn diese Stufen quasi abgeschaltet werden.

      73
      Peter
      Hallo Dieter.

      Ich verate erstmal nichts.
      Beobachte welche Geraeusche das Radio beim Einschalten bei TB oder TA ohne Musik macht. Aber nach laengerem "AUS"
      Dann den T 549 wieder einloeten, danach nach einer Pause von 3- 5 Minuten einschalten und hoeren was aus dem Lautsprecher kommt.

      Jetzt weisst Du ja fast was der T549 machen soll.

      EDIT: dann kann ich ja austeigen.
      Danke nochmal an Hans.

      Ich fasse nochmal meine Lehren aus diesem Reparaturbeitrag zusammen:

      1. Es ist nicht immer sinnvoll, eben mal ein NF-Signal in den Signalweg zu speisen, ohne den Signalweg aufzutrennen. Hätte ich die zwei Drähtchen abgelötet, hätten wir uns die ersten 20 posts sparen können.

      2. Ohne die kompetente Hilfe der Experten wäre m.A. nach die Reparatur nicht möglich gewesen, da man sich zu sehr auf einen möglichen Fehler rechts der Balance versteift hatte. Erst Hans´ Zweifel ließen den Fall neu aufrollen.

      Nun werde ich noch die anderen Zitronenbonbons und Tantals tauschen und noch mal den Ruhestrom überprüfen, da der ja testweise verstellt wurde.

      Gruß, Dieter
      Gruß, Dieter
    • Benutzer online 3

      3 Besucher