Soundkarten Audiomesstechnik

      Hallo Christian,

      der von Dir verlinkte Bausatz kostet 89 $ plus Versand. Das ist das Zehnfache des Preises des von mir gezeigten China-Oszillators und m.E. schwer begründbar (überteuert), auch, wenn dort das Gehäuse enthalten ist.

      Selbst, wenn die für den Akitika angegebenen 0,0002 % THD stimmen, ist er auch beim THD ja nicht besser (auch dann nicht, wenn er sogar auf 0,0001 % THD = -120 dB kommen sollte, wie in der Beschreibung steht, aber in der gezeigten Messung wird nur -115 dB = 0,00017 % THD bestätigt). Glühbirnen-Stabilisierung ist nach meiner Erfahrung problematisch (Amplitudenstabilität ist schlecht). Ausserdem hängt der Klirrfaktor sehr vom individuellen Lämpchen ab, das man gerade eingesetzt hat. Das war jedenfalls meine Erfahrung mit einem Wienbrücken-Generator von ELV mit Lämpchen-Stabilisierung.

      Wenn man bereit ist, mehr Geld als 14 € für den China-Oszillator auszugeben, fiele meine Wahl stattdessen auf den Victor Generator (vom Entwickler, der mit Vornamen wohl Victor heisst und in Riga ansässig ist). Der ist für 65 € + MWSt, inkl. Versand, nochmal wenigstens 20 dB besser (nämlich besser als -145 dB, angegeben sind sogar -150 dB) als das von mir hier vorgestellte China-Teil mit ca. -124 dB THD und dürfte sich bereits schon an der Grenze des heute Mach- und Messbaren bewegen.

      archimago.blogspot.com/2022/01…illator-as-reference.html
      viccc42.wixsite.com/uld-audio

      Er benötigt allerdings ein 35 V DC-Power-Supply. Für die Leistung spendiert man das aber wohl gerne.

      Gruß
      Reinhard

      Dieser Beitrag wurde bereits 6 mal editiert, zuletzt von „oldiefan“ ()

      Den vorher noch vorhandenen leichten 50 Hz Brummschleifenpeak mit Ausgangspoti habe ich durch besseren Anschluss des Masse-Verbindungskabels zwischen PC-Gehäuse und dem Signalgeneratorgehäuse inzwischen ganz wegbekommen.

      Hier z.B. damit Messung bei Vout = -3dBV (707 mVeff) ist THD = -125 dB = 0,000055 % THD, kein 50 Hz Brumm stört mehr:


      (Messbereich 20 Hz - 22 kHz)

      Gruß
      Reinhard

      Dieser Beitrag wurde bereits 1 mal editiert, zuletzt von „oldiefan“ ()

      oldiefan schrieb:

      Wenn man bereit ist, mehr Geld als 14 € für den China-Oszillator auszugeben, fiele meine Wahl stattdessen auf den Viktor Generator (vom Entwickler, der mit Vornamen Viktor heisst und in Riga ansässig ist)


      Hallo Reinhard,

      ja, das ist einleuchtend. Auf der anderen Seite reicht das Niveau, das du mit dem China-Bausatz zeigst, ja durchaus für anspruchsvolle Hobbyarbeit aus. Cordell hat vor vielen Jahren mal ein DIY-Projekt für einen hochwertigen Audio-Analysator (ohne Analyse per Sound-Interface) entwickelt. Die komplette Baubeschreibung ist noch auf seiner Seite zu finden. Für seinen Prototyp gibt er bei 1 kHz ca. 0,0003% THD an.

      Viele Grüße,
      Christian
      **************************************************
      2 + 2 = 5 (für extrem große Werte von 2)

      Dieser Beitrag wurde bereits 1 mal editiert, zuletzt von „chriss_69“ ()

      Problem Glühlämpchen

      Reinhard sprach es an, der Klirr ist stark vom Lämpchen abhängig.
      Üblicherweise werden die bei recht kleinem Strom betrieben.
      Normalerweise leuchten die nicht, manchmal erahnt man ein Glimmen.
      Es geht ja um den Kaltleitereffekt, daß man da einen guten Arbeitspunkt erwischt.

      Mir geht es jetzt nicht speziell hier um den Oszillator.
      Solche Schaltungen mit Lämpchen findet man immer wieder mal in älterer Messtechnik.
      Manchmal sind die Lämpchen defekt, selten durchgebrannt, eher Drähtchen abgefault.
      Wie kommt man dann an Ersatz, gerade bei sehr speziellen Typen?
      Standardlämpchen wie 6 Volt 100 mA sind in aller Regel ungeeignet, Strom zu hoch.
      Am ehesten passen kleine Indikatorlämpchen, bevor die LED aktuell wurde.
      Die traf man früher z.B. bei Stereoanzeigen an, direkt vom IC angesteuert.
      Auch gab es geeignete Lämpchen für Instrumente bei batteriebetriebenen Geräten.
      Sieht man solche Lämpchen günstig, eventuell Restposten, sollte man die kaufen!

      Andreas
      Was bedeutet DL2JAS? Amateurfunk, www.dl2jas.com
      Bei Cordell kann man sehen, wie die Entwicklung fortschreitet.

      Bob Cordell hat seinen THD-Analyzer 1981 in "Audio" veröffentlicht:
      cordellaudio.com/instrumentation/thd_analyzer.pdf
      Seine Schaltung ist der von mir hier evaluierten kleinen China-Platine gar nicht mal so unähnlich. Beide beruhen auf "state-variable-filter".

      Zu Ende der Artikel zeigt Cordell eine Abbildung "Residual (THD) vs. Level". Wie Christian geschrieben hat, kommt er bei 1 Veff gerade mal nur auf 0,0003 % THD (-110 dB) und bei 300 mVeff auf 0,0008 % THD (-102 dB). Kann man direkt mit den gerade von mir hier gezeigten 0,000055 % (-125 dB) bis 0,0001 % THD (-120 dB) vom China-Platinchen bei 900 Hz und 315 mVeff bis 1 Veff vergleichen. Das simple kleine China-Platinchen ist bis um Faktor 10 x "besser" als die vergleichsweise kompliziertere Cordell Schaltung.
      Aber um fair zu sein, die Cordell-Angaben beziehen sich auf seinen kompletten THD-Analyzer, der beinhaltet ja nicht nur den Signalgenerator, sondern auch den Analysator, der zum Eigenklirr (residual THD) ebenfalls beiträgt, und vermutlich nicht unerheblich.

      Inzwischen unterstützt Bob Cordell mit einem von ihm herausgegebenen Tutorial den schon genannten QuantAsylum QA403 Audio-Analysator, den ich hier ja auch verwende.
      cordellaudio.com/instrumentation/QA403-Tutorial-V4.pdf

      Gruß
      Reinhard

      Dieser Beitrag wurde bereits 1 mal editiert, zuletzt von „oldiefan“ ()

      Es geht nichts über das praktische Probieren!

      Ausgangspoti Typ und Wert
      Ich habe 10k lin und 5k log Poti in der Schaltung erprobt.

      10k lin
      niedriger THD, auch bei starker Abschwächung, aber zu starke Drehwinkelempfindlichkeit im unteren Stellbereich, so dass sich kleine Ausgangspegel nur schwer exakt einstellen lassen.

      5k log
      um 5 dB erhöhter THD bei starker Abschwächung ( auch schon bei 1 V Ausgangspegel), wenig THD Verschlechterung nur bei geringer Abschwächung. Sehr gute Stellcharakteristik, auch bei kleinen Ausgangspegeln. Sogar 5 mV (Phono!) lassen sich noch genau einstellen.

      Fazit:
      Es wird als optimale Lösung ein 10 kOhm, log Poti werden.

      Gruß
      Reinhard

      Dieser Beitrag wurde bereits 1 mal editiert, zuletzt von „oldiefan“ ()

      Optimale Lösung?
      Das hatte ich eigentlich so erwartet - aber so ganz optimal war es nicht. Immer noch etwas zu viel THD, gemessen an meiner Erwartung, dass es nicht schlechter werden sollte als vorher schon mit dem 10 kOhm lin Poti gemessen. In der "idealen Welt", sollte es elektrisch ja keinen Unterschied machen (also auch nicht für den resultierenden THD), ob man 1 V Ausgangspegel mit einem 10 kOhm lin Poti einstellt oder mit einem 10 kOhm log Poti.

      Aber leider war dem nicht so. Das log Poti ist mutmasslich von einem anderen Herstellerals das lin Poti. bis auf die andere Stellcharakteristik sollte es aber keine weitere wesentliche Unterschiede geben. Wie auch immer, die gemessenen THD-Werte waren mit dem log Poti bei gleicher Ausgangsspannung typisch um ca. 3 dB schlechter als mit dem lin Poti.

      Was tun?
      Ich habe die Ausgangslast des Sinusgenerators weiter vermindert, in dem ich in Serie vor den Poti-Eingang noch einen 4,7 k Widerstand gelegt habe. Die logarithmische Stellcharakteristik verschlechtert sich dadurch etwas, auch die max. Ausgangsspannung verringert sich etwas, aber ich profitiere von der dadurch verursachten Verminderung des Klirrs.

      Damit errreiche ich (nach vorausgegangenem sorgfältigen THD-Minimum-Abgleich der drei Trimm-Potis auf der Platine) nun wieder -123 dB bis -125 dB THD bei 1 Veff Ausgangspege (0 dBV), 900 Hz:


      Ebenfalls -123 dB THD bei 707 mVeff (-3 dBV):


      Und auch -123 dB THD bei 500 mVeff (-6 dBV):


      Glückliche -124 dB THD bei 315 mVeff (-10 dBV):


      Bei noch kleinerer Ausgangsspannung kommt der THD - zunehmend aufgrund des immer schlechteren Rauschabstands - "unter Druck".

      -118 dB THD bei 100 mVeff (-20 dBV):


      -102 dB THD bei 10 mVeff (-40 dBV):


      -97 dB THD bei 5 mVeff ( -46 dBV):


      Hinweis:
      Bei allen obigen Frequenzspektren-Darstellungen sind die Signalpegel auf das Basis-Signal (900 Hz) normiert: Anzeige in dBr (r= relativ)

      In allen Fällen (bei den gleichen Amplituden) hat der preiswerte China-Sinusgenerator (für ca. 14 €) mit dieser Lösung für das stufenlos einstellbare Ausgangspoti ungefähr die gleiche Klirrarmut wie der DAC-Ausgang (Generator-out) des (immerhin 700-800 € teuren) QuantAsylum QA403 oder sogar leicht besser. Für Ausgangspegel im Bereich von 200 mVeff bis 4 Veff erreiche ich -123 dB THD (0,00007 %).



      Nach diesem guten Ausgang mit dem günstigen (1 €) Kohleschich-Poti, habe ich auf weiteres Probieren mit anderen Potis (Leitplastik, Cermet, Widerstands-Schaltkaskade, usw.) verzichtet.

      Gruß
      Reinhard

      Dieser Beitrag wurde bereits 8 mal editiert, zuletzt von „oldiefan“ ()

      Wir lernen, Poti ist nicht gleich Poti!

      Beim Drahtpoti war es für mich nachvollziehbar, daß es da Probleme geben kann.
      Da es sich mit Sicherheit nicht um goldbeschichteten Draht handelt, ist mit Oxid zu rechnen.
      Einen Unterschied bei Kohle von lin zu log hätte ich eher nicht vermutet.
      Die Geschichte halte ich im Hinterkopf, sollte auch für Hochfrequenz interessant sein.
      Schwächere Antennensignale sind in der Gegend 1 µV, also 120 dB unter 1 Volt.

      Andreas
      Was bedeutet DL2JAS? Amateurfunk, www.dl2jas.com
      Hallo Reinhard,

      ich habe deine Beiträge zu Soundkarten Audiomesstechnik gelesen. Sie sind für mich sehr aufschlußreich. Danke.
      Ich bin gerade dabei mir einen Messplatz zur Untersuchung von Audioverstärkern einzurichten und möchte das über eine USB Soundkarte (externes Gerät) mit Arta umsetzten. Auf dem Weg dahin bin ich auf die Arta-Meßbox gestoßen. Ich bin mir nicht ganz sicher, ob ich dieses System benötige. Es scheint mir nur für die Untersuchung von Lautsprechern zu dienen. Gehe ich da richtig in der Annahme?
      Um die Spannungswerte (Signale) in den Service Unterlagen zu ermitteln, auch quantitativ, bedarf es auch noch eines weiteren Gerätes, das die Wechselspannungen (RMS) ermittelt. Kann ich diese auch mit der Arta Software messen, oder benötige ich hierzu ein separates Gerät? Klar ist, dass ich ein physikalisches Adapter (Messgerät) benötige.

      Ich freue mich von dir zu hören.

      Beste Grüße

      Martin
      Hallo Martin,

      die ARTA-Messbox in der Version V.2 ist in einer speziell dafür erstellten ARTA Application Note beschrieben
      artalabs.hr/AppNotes/AN1_SwitchBox-Rev05Ger.pdf

      Ich finde sie etwas unübersichtlich und auch nicht optimal, wenn man nur an Verstärkermessung interessiert ist. Tatsächlich wurde die ARTA-Messbox in erster Linie für Lautsprechermessungen (Chassis-Impedanzverlauf und Frequenzgang) entwickelt. Man kann sie aber auch für Verstärkermessungen bei nur kleinen Ausgangsleistungen nutzen, die Schalterstellungen müssen dafür dementsprechend "passend" gesetzt werden.

      Dies ist die ARTA-Messbox in der Version V.2:


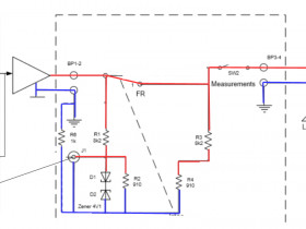
      Verzichtet man auf die Schaltungsteile, die für die Lautsprechermessungen benötigt werden, kommt man mit dem nachfolgenden Stromweg aus (rot = spannungsseitig; blau = masseseitig). Es ist zu beachten, dass die Verstärkermasse und die Soundkartenmasse in der Messbox Schaltung über einen 1 kOhm Widerstand getrennt sind, um eine Masseschleife zu vermeiden (bzw. stark zu bedämpfen). Statt des Lautsprechers verwendet man einen 4 Ohm oder 8 Ohm Lastwiderstand ausreichender Leistung.

      Schaltungsteile (im farbigen Stromlaufplan) und Schalterstellung, die nur für Verstärkermessungen benötigt werden:


      Aber so, wie gezeichnet, ist der Anschluss noch nicht korrekt.
      Denn in der Zeichnung wird der rechte Soundkarteneingang als Messkanal benutzt. Tatsächlich soll aber bei einer Messung eines Verstärkers, bei der die Frequenzgangabweichung der Soundkarte selbst intern kompensiert wird, der rechte Soundkarteneingang als Referenzeingang benutzt werden und der linke Soundkarteneingang der Messkanal sein. Bei ARTA muss man im Menü des Unterprogramms STEPS einstellen, ob man eine Ein- oder Zweikanalmessung macht und im eigentlichen ARTA-Programmteil im "Spectrum Analysis Measurement Setup" welcher Soundkarteneingang (links oder rechts) der Messkanal sein soll. Für genaue Frequenzgangmessung in STEPS muss man eine Zweikanalmessung machen (Kanal bezieht sich hier auf die beiden Soundkarten-Eingänge, nicht auf die Stereokanäle des Verstärkers). Man verwendet also am linken Soundkartenausgang ein Y-Verteiler-Stück, von dem man an den Verstärkereingang geht und auch an den rechten Soundkarteneingang als Referenzeingang abzweigt.

      Also folgendermassen (statt Lautsprecher wird ein Lastwiderstand verwendet):

      (Auf Abb. klicken, damit sie vollständig angezeigt wird!)

      Das ist immer noch etwas unübersichtlich gezeichnet, man kann es vereinfachen. Hier umgezeichnet (nur der Teil ab Verstärkerausgang bis Soundkarteneingang). Man sieht, dass es sich um eine Spannungsteilerschaltung nach dem Lastwiderstand (Dummy-Load) handelt, die die Verstärkerausgangsspannung auf ein für den Soundkarteneingang erträgliches Maß heruntersetzt:


      Da die Serie aus R3 und R4 zusammen dem Lastwiderstand parallel liegt, ergibt sich daraus, dass für Verstärkermessungen auf R3 und R4 in der ARTA Messbox V.2 ganz verzichtet werden kann. Darauf komme ich weiter unten mit einer verbesserten Spannungsteiler-Schaltung noch zurück.

      Mit den im Schema der Messbox V.2 angegebenen Widerstandswerten und einem 4 Ohm Lastwiderstand wird die am Lastwiderstand anliegende Verstärker-Ausgangsspannung im Verhältnis 12,7 : 1 (-22,1 dB) heruntergeteilt.
      Bei einer Verstärkerausgangsspannung von 20 Veff am 4 Ohm Lastwiderstand, das entspricht einer Leistung von P = U^2/R = 100 W beträgt die Spannung am Soundkarteneingang (20 kOhm Soundkarten-Eingangsimpedanz angenommen) demzufolge 1,57 Veff = +3,9 dBV.

      In dem Fall, dass man die Spannungsbegrenzung mit den antiseriell geschalteten Zenerdioden wie eingezeichnet vorsehen möchte, ist zu beachten, dass die für die ARTA-Messbox V.2 vorgeschlagenen 4,1 V Zenerdioden bereits bei 1 Veff eine sehr deutlich messbare Beeinträchtigung des Klirrfaktors (THD) bewirken, da eine leichte Stauchung der Sinus-Amplitudenspitze damit bereits einsetzt, lange bevor die Zener-Nennspannung erreicht wird. Sie ist am Oszilloskop mit blossem Auge lange nicht erkennbar, sehr wohl aber in der empfindlichen Klirrfaktormessung. Das Ausmass hängt nicht nur von der Zenerspannung ab (je niedriger die Zenerspannung, um so größer wird der THD), sondern auch vom speziellen Typ der Zenerdioden.

      Beispiele:
      Mit 3,6 V Zenerdioden (BZX85C3V6) ist bei 1 Veff Ausgangsspannung des Spannungsteilers bereits mit einem Klirrfaktor von bis zu 0,1 % THD zu rechnen. Für Klirrfaktormessungen bei Spannungen > 300 mVeff hinter dem Spannungsteiler schon nicht mehr geeignet.

      Mit 4,7 V Zenerdioden (BZX85C4V7) kann man bei 1 Veff Ausgangsspannung des Spannungsteilers noch bis ca. 0,002 % THD messen.

      Ich empfehle 6,2 V Zenerdioden (BZX85C6V2), die bei 1 Veff Ausgangsspannung des Spannungsteilers in meinen Tests keine Verschlechterung des Klirrfaktors bis zu 0,0001 % (-120 dB) zeigten. Allerdings ist damit erst ein Schutz des Soundkarteneingangs ab 7 Vspitze (Amplituden-Spitzenwert, Clipping-Level) gegeben. Das macht nur Sinn, wenn der Soundkarteneingang eine Spannung von wenigstens 8Vspitze (bzw. wenigstens 6 Veff) noch schadlos verträgt. Das Datenblatt der Soundkarte ist dafür heranzuziehen.

      Angesichts der zunehmenden Verschlechterung des Klirrfaktors bei höherer Spannung hinter dem Spannungsteiler, wenn man den Zenerdioden-Spannungsschutz verwendet, sehe ich die Dimensionierung der Widerstände in der Messbox V.2 kritisch. Will man den Spannungsteiler auf 100 W Ausgangsspannung an 4 Ohm auslegen, ist die Dimensionierung gem. V.2 auch deshalb ungünstig, weil 100 W Vollaussteuerung an 4 Ohm erst bei +3,9 dBV erfolgt. Verwendet man eine 8 Ohm Last, sogar bei noch höherem Wert. Das überfordert u.U. den Eingangs-Headroom einiger Soundkarten und ist ausserdem sehr unpraktisch/umständlich für die Ablesung und Umrechnung von dBV in Volt und/oder Watt.

      Besser ist es, wenn 100 W am Soundkarteneingang bei 1 Veff hinter dem Spannungsteiler erreicht werden. Das entspricht genau 0 dBV, was sich bei ARTA besonders leicht ablesen lässt, jede 10 dB weniger sind dann um den Faktor 1/10 weniger Leistung, also -10 dBV sind 10 W, -20 dBV sind 1 W, -30 dBV sind 0,1 W, usw.
      Auch die Spannungsablesung für die am Lastwiderstand anliegende Verstärkerspannung gestaltet sich damit intuitiv einfach, weil für die Spannung jeder Sprung um -20 dB ein Zehntel an Spannung bedeutet. Die Skalierung in ARTA sollte dafür immer auf dBV (nicht dBFS) eingestellt sein. Auch die Kalibrierung von ARTA mit der betreffenden Soundkarte sollte sich auf dBV beziehen und nicht auf dBFS.


      Verbesserte Schaltung für Verstärkermessung


      Ich empfehle deshalb für Verstärkermessungen statt der ARTA-Messbox diese leicht geänderte Schaltung, die umschaltbar für je einen 4 Ohm / 100 W und 8 Ohm / 100 W Lastwiderstand ausgelegt ist:


      Der Umschalter für die Lastimpedanz sollte für ca. 5 A Strom ausgelegt sein und über eine kontaktfreie Mittelrastung verfügen oder so ausgelegt sein, dass niemals - auch nicht kurzzeitig - Kontakt zu beiden Lastwiderständen gleichzeitig besteht.
      Steht der Umschalter auf 4 Ohm, werden mit dieser Schaltung 100 W Leistung bei - 3 dBV (= 0,71 Veff) der ARTA-Anzeige erreicht (20 kOhm Eingangsimpedanz der Soundkarte angenommen).
      Steht der Umschalter auf 8 Ohm, werden 100 W Leistung bei 0 dBV (= 1,00 Veff) der ARTA-Anzeige erreicht.

      Die Lastwiderstände müssen auf einem ausreichend großen Kühlkörper mit Wärmeleitpaste montiert sein (z.B. dicke Alu-Platte).


      Anzeige der NF-Effektivspannung:
      Bis zu einer Frequenz von 1 kHz sind alle neuzeitlichen Multimeter (selbst sehr preiswerte für nur wenige €) in der Stellung "AC" geeignet. Mir genügt das, weil ich die Pegel immer bei 1 kHz einstelle.
      Für den gesamten Audiobereich bis 20 kHz kann ein True-RMS Multimeter verwendet werden.

      Zur Messung der Verstärker-Ausgangsspannung wird das Messgerät parallel zum Verstärkerausgang (bzw. Dummy-Widerstand) gelegt.
      Zur Messung der Soundkarten-Eingangsspannung wird das Messgerät parallel zu R4 (in der verbesserten, letzten Schaltung) gelegt. Die angezeigten Effektivspannungen am Messgerät parallel zu R4 entsprechen (für Sinus) der Anzeige von ARTA in dBV (sorgfältige vorausgegangene Kalibrierung von ARTA/Soundkarte vorausgesetzt). Beispiel: 0 dBV in ARTA sind 1,0 Veff, -26 dBV sind 0,05 Veff.

      Man sollte in der Umrechnung von dBV in V dafür etwas eingeübt sein. Es gilt: dBV = 20 x log10 (V) ...oder ein Multimeter parallel zu R4 anklemmen.
      ARTA zeigt leider die Spannungen nur in dBV an, nicht in V.

      Bei ARTA sollte im Menü "Generator setup" Level (dBFS) auf -3 dB eingestellt werden.
      Ebenso bei den "swept sine" für Frequenzgang und THD-Messungen in STEPS unter "Measurement Setup" sollte "Generator level (dBFS)" auf - 3 gestellt sein und bei "Measurement System" "Dual Channel-Frequency Response" ausgewählt sein.

      Habe ich Deine Fragen ausreichend beantwortet?
      Sonst bitte weiter nachfragen.

      Gruß
      Reinhard

      Dieser Beitrag wurde bereits 17 mal editiert, zuletzt von „oldiefan“ ()

      Neu

      Hallo.

      Ich bin neu hier im Forum. Habe hier begeistert die Ausführungen gelesen. Ich habe mir auch vor einiger Zeit so einen billigen China Oszillator gekauft. Der aber (wie ich vermute) defekt ist. Das Ding klirrt (auch schon seit Beginn ) extrem und es lässt sich mit keiner Einstellung der Trimmer irgendwie beruhigen. Jetzt habe ich noch Mal so einen bestellt und jetzt wäre für mich interessant wie ich das Ding wirklich richtig einstellen soll. (von den Trimmern). Dankeschön. Grüße aus Österreich Patrick

      Neu

      idealist2002 schrieb:

      vor einiger Zeit so einen billigen China Oszillator gekauft


      Hallo Patrick,

      "irgend so einen"? oder genau den besprochenen Typ?

      Denn der besprochene liefert - so wie er kommt - bereits < 0,001 % THD ohne weitere Feinjustierung. Die Klirrfaktormessung sollte das auch so zeigen (in JEDEM Fall aber < 0,01%). "Klirrt extrem" könnte sonst heißen: Die Geräte oder die Messkette der Klirrfaktormessung oder das +/- 15 V Netzteil haben einen Defekt oder der Signalgenerator selbst ist kaputt. "Extrem" hast Du nicht definiert, was ist für Dich extrem?

      Erst wenn - ohne irgendwelche Änderungen der Einstellung - der genannte Sollwert bestätigt ist, kann man sich von diesem Ausgangspunkt an eine weitere Feinoptimierung (für THD < 0,001%) machen. Wie das geht, hatte ich oben schon beschrieben (Schaltplan: Poti VR).

      Wenn Du allerdings vorher noch nie Klirrfaktor in diesem niedrigen Bereich gemessen hast, solltest Du auch in Betracht ziehen, dass
      a) Deine Messkette gar nicht in der Lage ist, so tief zu messen
      b) Du evtl. einen Bedienfehler (einschl. ggf. Übersteuern des ADC) oder Anschlussfehler gemacht hast

      Was misst Du denn im loop-back (ohne DUT)? Das ist der Ausgangspunkt, den Du wenigstens angeben müsstest.
      Der Generator benötigt eine saubere (geglättete und stabilisierte) symmetrische +/- 15 V Gleichspannungsversorgung (kein schmutziges Schaltnetzteil).

      Und da der Generator einen sehr hohen Pegel von 7,5 Veff (Amplitude von fast 11 V spitze) liefert, hast Du Dich vergewissert, dass Dein ADC-Eingang Deiner Messkette damit nicht bereits übersteuert wird (also im Clipping ist)?

      Selbst wenn z.B. als max. Eingangspegel der Soundkarte/ADC +22 dBu (9,75 Veff) genannt sind, muss das nicht heissen, dass die noch klirrfrei verarbeitet werden. Das hängt ausserdem bei Soundkarten noch von der Kalibrierung ab.
      Beispiel:
      Meine Soundkarte Steinberg UR242 hat lt. Spezifikation einen max. Eingangspegel von +22 dBu =9,75 Veff (soll heissen: bei mehr als 9,75 V eff geht sie u.U sogar kaputt!). Durch die Kalibrierung für Audiomessungen auf 0 dBV = 1,00 V eff sinkt aber die Pegelgrenze, bei der noch Klirrfreiheit besteht auf nur < 2 dBV (< 1,25 V eff). Stelle ich im loop-back also 1,25 V eff Eingangsspannung (1 kHz) ein, bekomme ich bereits einen"extremen" Klirrfaktor von 0,25 % THD. Bei noch höherem Pegel geht der Klirrfaktor dann ganz schnell "durch die Decke". Das heisst: Meine Steinberg Soundkarte UR242 könnte den Klirrfaktor des Signalgenerators, der 7,5 V eff herausbläst gar nicht mehr messen, da sie (im so kalibrierten Zustand) bereits bei knapp über 0 dBV = 1 V eff schon ins Clipping kommt. Daraus ergab sich u.a. der Sinn des nachgeschalteten Potis (Senken des Ausgangspegels des Generators).

      -- Das musst Du also unbedingt beachten! "Klirrt stark" kann auf diesen Effekt deuten, der bei normalen Audiointerfaces, die nicht speziell auf Audiomessungen hin optimiert sind, bei > 1 Veff Eingangsspannung typisch auftritt.

      Stelle ich am Sinusgenerator dessen Ausgangsspannung auf genau 1 V eff ein (also so, dass das Audio-Interface/Soundkarte noch nicht übersteuert), zeigt mein (kalibriertes) Steinberg UR242 Audio-Interface den THD = 0,00062 % an. Das ist aber nicht der "wahre" THD, weil der ADC der UR242 nicht tiefer messen kann. Tatsächlich liegt der Klirrfaktor niedriger, bei < 0,0001 %, wie ich weiter oben mit dem besseren QuantAsylum QA403 Audio-Analyzer gezeigt habe.

      Gruß
      Reinhard

      Dieser Beitrag wurde bereits 15 mal editiert, zuletzt von „oldiefan“ ()

      Neu

      Hmmm...

      hier direkt hintereinander das zweite Mal, dass ich ausführlich auf ein Frage antworte. Aber leider kommt daraufhin auch jetzt wieder keine Antwort mehr zurück.

      Schade.
      Es gab mal so etwas wie einen ungeschrieben Codex, nach dem man auf ein Hilfsangebot und/oder Rat eine Rückmeldung gab, ob die erhaltene Antwort hilfreich war oder das Problem doch ganz woanders lag. Das hat dann beiden was gebracht. Scheint aber immer mehr zu einer Einbahnstrasse zu werden.

      Sorry, das musste jetzt mal raus.

      Gruß
      Reinhard

      Neu

      Hallo Reinhard,

      Dein Unmut ist natürlich verständlich, man fühlt sich schnell "geghostet". Und sicher geht es ja auch darum, dass der Aufwand einer ausführlichen Erläuterung mindestens mit deren Annahme, idealerweise Nutzung honoriert wird.

      Vor genau diesem Hintergrund: Auch wenn der Angesprochene nicht reagiert hat, gibt es ja auch weitere interessierte Mitlesende, wie z.B. mich. Ich arbeite gelegentlich mit der QA403, neulich sind mir aber PA-Endstufen mit bekanntlich sehr hoher Ausgangsleistung in die Hände gefallen, deren Messung eine Anpassung bzw. den Schutz der Soundkarte nach der von Dir ausführlich vorgestellten Schaltung erforderlich macht. Ich verfolge Deine Erfahrungsberichte daher bislang zwar still, aber nichtsdestoweniger aufmerksam und auf kurze Sicht anwendungsnah.

      Dieser Beitrag wurde bereits 1 mal editiert, zuletzt von „DerThomas“ ()

      Neu

      Hallo Reinhard,
      auch ich hatte vor einigen Wochen den beschriebenen 900Hz-Generator von Ali gekauft. Ebenso hatte ich einen step-Up-Regler für 1,50 von 5V auf +- 15 V dazugekauft. Gestern Zusammenschaltung, 15V hatten ca. 2mVss Ripple. Am Ausgangssignal des Generators war das natürlich nicht zu sehen.
      Hattest du deinen Generator schon auf 1kHz umgerüstet? Würdest du meinen für Frei-Porto abgleichen?
      Danken kann ich eben für deinen Beitrag nicht, aber verfolgt habe ich den Thread schon mit Interesse. Obwohl ich kein Gerät besitze, das weniger als 0,01% Klirr verursacht oder gar messen kann.
      Gruß,
      Gerd

      Neu

      Kommentar auch von mir!

      Es gibt Themen, die sind was spezieller.
      Auch ich gehöre in dem Fall eher zu den stillen Mitlesern.
      Das Thema ist dann bei mir im Hinterkopf, wenn ich mal hochauflösend Klirr messen will.
      Normalerweise reicht mir Messmöglichkeit 0,1 %, z.B. für Einmessung Tonbandgeräte.

      Ich schreibe noch in einem Amateurfunkforum, gern mal speziellere Sachen.
      Aktuell untersuche ich dort, ob und wie weit BC550 für HF-Verstärker Kurzwelle taugt.
      Ist zwar auch einfache Nachbauschaltung, allerdings gehe ich eher auf die Simulation mit Streuparametern ein.
      Die Leserresonanz in Form von Beiträgen hält sich in Grenzen.
      Einer meinte, mir erklären zu müssen, wie es geht...
      Der allergrößte Teil der Mitglieder liest einfach nur.
      Interesse ist schon vorhanden, aktuell 2500 Aufrufe in vier Wochen.
      Der Schaltplan wurde über 200 x angeklickt, Größe des Forums ähnlich wie hier das SABA-Forum.
      Für den Nachbau direkt interessierten sich bis jetzt um die 30 Leute, merkte ich an der Klickzahl der Bilder.
      Ich gehe davon aus, viele halten das Thema im Hinterkopf, rufen es nochmals bei Bedarf Jahre später auf.
      So wird das auch hier sein!

      Andreas
      Was bedeutet DL2JAS? Amateurfunk, www.dl2jas.com

      Neu

      gst schrieb:

      Hallo Reinhard,
      Hattest du deinen Generator schon auf 1kHz umgerüstet? Würdest du meinen für Frei-Porto abgleichen?


      Hallo Gerd,

      Habe ich meinen schon auf 1 kHz umgerüstet?
      Nein, werde ich auch nicht. Er läuft jetzt auf 910 Hz. Mir ist maximal niedriger Klirr wichtiger als genau 1 kHz. Die Frequenz kann ich jederzeit exakt bis auf Nachkommastelle(n) im FFT ablesen. Und ob er nun bei genau 1000,0 Hz schwingt oder eben bei 910,2 Hz ist mir dabei gleich.

      Die Frequenz wird durch die Potis R6 und R7 bestimmt. Beide müssen immer genau gleich eingestellt sein. Versuchsweise habe ich probiert, wie weit ich damit die Frequenz in Richtung 1,000 kHz bringen kann. Aber bei ca. 970 Hz war Ende der Fahnenstange. Wollte ich weiter, hätte ich zusätzlich noch die Festwiderstände in Serie zu diesen Potis ändern müssen. Das ist ein ziemlicher Aufwand mit der Justiererei und etwas Einbusse an Klirrarmut hätte ich dabei wohl auch schlucken müssen.

      Es gibt auch - bei offenem Gehäuse - einen leichten Temperaturgang der Frequenz. D.h., dass bei geschlossenem Gehäuse die Frequenz von der mit offenem Gehäuse etwas abweicht. Wollte man exakt auf Sollfrequenz bei geschlossenem Gehäuse abgleichen, wäre das schon deshalb eine sehr mühselige und langwierige Sache.

      Andere Frequenzen: Ist machbar.
      Wenn man z.B. C1 und C2 beide von 47 nF auf 3,9 nF (eng tolerierte/selektierte MKP Folienkondensatoren) ändert und mit R6 und R7 fein einstellt, wird es ein 10 kHz Oszillator.


      Würde ich Dir Deinen auf Klirrminimum abgleichen?
      Selbstverständlich würde ich das. Lass uns über PN darüber weiter kommunizieren.

      Gruß
      Reinhard

      Dieser Beitrag wurde bereits 5 mal editiert, zuletzt von „oldiefan“ ()

      Neu

      Zu denen, die das im Hintergrund verfolgen, gehöre ich auch -- einfach, weil man IMMER etwas lernt, wenn Reinhard mal loslegt. Und er kennt ja nur diesen Modus: Wenn, dann auch richtig ! Das ist ein toller Service fur die gesamte Leserschaft, und viele Dinge findet man NUR in seinen Beiträgen, oder mit einem irren Suchaufwand. Den er betrieben haben muss, plus eigene Erfahrungen ... das mag ich mir nicht einmal vorstellen, wann er das alles macht ! Daher sage ich, sicher im Namen vieler, auch meinen herzlichen Dank !!

      Michael
    • Benutzer online 1

      1 Besucher