Forumsfreunde,
jetzt bin ich endlich zum Messen der Klirr- und Intermodulationswerte gekommen.
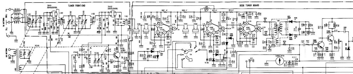
Der NAD Model 300 ist im ZF-Verstärkerbereich vergleichsweise einfach aufgebaut. Im ZF-Verstärkerteil findet sich neben der Einstellung des Feldstärkeinstruments als einziges Abgleichelement die Diskriminatorspule, die man, wie üblich, auf Signalmaximum und minimalen Klirr abgleicht. Statt abgleichbare Bandfilter gibt es vier Keramikfilter.
Im Frontend kann der Abgleich sehr einfach auf Maximum des Feldstärkeinstruments erfolgen, lediglich das Filter am Frontendausgang zum ZF-Verstärker sollte auch hinsichtlich Klirrfaktor abgeglichen werden, wenn man ein optimales Ergebnis erzielen möchte.
Kaum Abgleicharbeit, in wenigen Minuten erledigt.



Hier Frontend/Mischteil und ZF-Verstärker Schaltbild:

Klirrfaktor (THD) und Intermodulationsverzerrungen sind angesichts der Einfachheit der Konstruktion und trotz (oder wegen?) des simplen Abgleichs beeinduckend gering.
Die Werte sprechen für sich:

Sehr gut selbst die Werte bei Stereo und 75 kHz Gesamthub.
Gruss,
Reinhard
jetzt bin ich endlich zum Messen der Klirr- und Intermodulationswerte gekommen.
Der NAD Model 300 ist im ZF-Verstärkerbereich vergleichsweise einfach aufgebaut. Im ZF-Verstärkerteil findet sich neben der Einstellung des Feldstärkeinstruments als einziges Abgleichelement die Diskriminatorspule, die man, wie üblich, auf Signalmaximum und minimalen Klirr abgleicht. Statt abgleichbare Bandfilter gibt es vier Keramikfilter.
Im Frontend kann der Abgleich sehr einfach auf Maximum des Feldstärkeinstruments erfolgen, lediglich das Filter am Frontendausgang zum ZF-Verstärker sollte auch hinsichtlich Klirrfaktor abgeglichen werden, wenn man ein optimales Ergebnis erzielen möchte.
Kaum Abgleicharbeit, in wenigen Minuten erledigt.



Hier Frontend/Mischteil und ZF-Verstärker Schaltbild:

Klirrfaktor (THD) und Intermodulationsverzerrungen sind angesichts der Einfachheit der Konstruktion und trotz (oder wegen?) des simplen Abgleichs beeinduckend gering.
Die Werte sprechen für sich:

Sehr gut selbst die Werte bei Stereo und 75 kHz Gesamthub.
Gruss,
Reinhard