Liebe Forenkollegen,
- beinahe hätte ich gesagt "und Kollegin", aber Lisa ist ja Otto.
Bei meinem 9241 driftet die Abstimmspannung nach dem Einschalten. Erst wenn das Gerät warm ist, nach ca. 30 Minuten ist das zum Ende gekommen.
Das macht zwischen kalt (direkt nach Einschalten) und warm (nach einer halben Stunde) über 300 kHz aus, so viel, dass bei warm korrekt eingestellter Mittenanzeige beim erneuten Einschalten am nächsten Tag die Frequenz ausserhalb des AFC Fangbereichs liegt. Das ist lästig.
Es scheint an der 45 V Versorgung (Netzteil PIN 2/8) zu liegen, die läuft in der halben Stunde nach Einschalten um 1 V auf 46V hoch. Beide 15V Versorgungen sind sehr stabil und den TCA 530 habe ich schon erfolglos getauscht.
C504 im Abstimmspannungsmodul hatte ich vor einiger Zeit bereits erneuert. Sollte ich vielleicht sicherheitshalber nochmal tauschen, für den Fall, dessen Leckstrom wäre zu hoch und würde bei Erwärmung geringer.

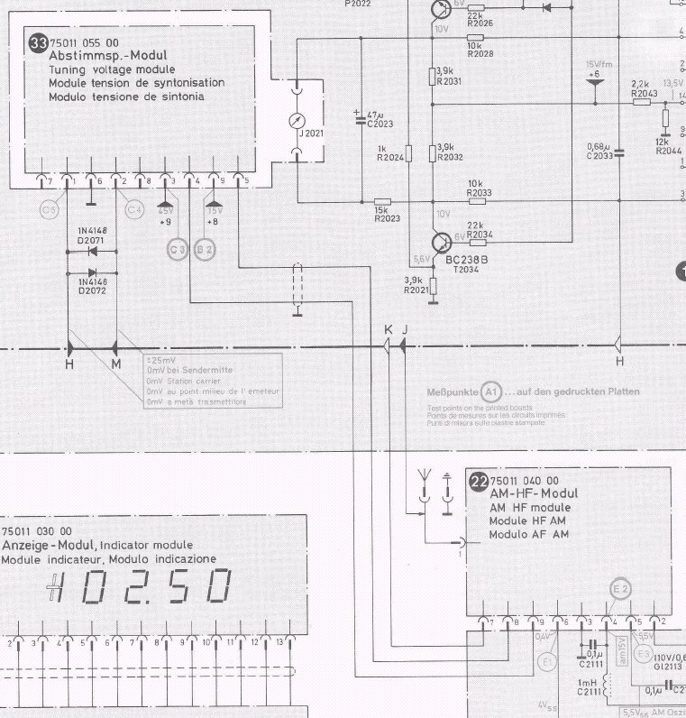
Zum Schaltplanausschnitt:
R 513 muss 68k heissen (nicht 6,8k), Druckfehler!
Bei R511 habe ich bei mir 68k, Plan sagt 1M. Das Driftproblem ist davon unabhängig (zum Testen getauscht). Da Tommy und Vorex dort auch 68k haben, offenbar späte, undokumentierte Serienänderung.
R517 ist bei der 108 MHz Geräteversion 4,7k (oder bei noch späterer Serie Drahtbrücke und dieser Widerstand dann ausgelagert)
C507 muss 1n heissen (nicht 1µ), Druckfehler!
Meine Fragen an die 92xx Kenner und die TCA 530 Kenner:
1. Wie stabil muss die Eingangsspannung (45V) am TCA 530 sein? Sind 1V Drift zu viel, wie ich es vermute?
2. Wie stabil ist bei Euren 92xx die 45 V-Versorgung (PIN 2/8 vom Netzteil) nach dem Einschalten?
3. Was ist im Bereich der 45 V Regelung am häufigsten defekt? Dort möchte ich zuerst ansetzen. Die drei Elkos dort C 643, 644 und 656 sind bereits erneuert.
4. Seht Ihr sonst noch wahrscheinliche Fehlerursachen?

Ich würde sonst die beiden niederohmigen Widerstände im 45V Bereich des Netzteils erneuern, den 10 Ohm Sicherungswiderstand vor dem Gleichrichter, die beiden Regeltransistoren, die Zenerdiode, das 10k Poti und nochmals die drei Elkos sowie den Gleichrichter D642.
Ist es tatsächlich so (und kein Druckfehler im Schaltplan des 9260), dass im 9260 R654 10 kOhm hat und R646 2,2 kOhm? Sollte ich das im 9241 von 100k und 22k ändern?
Herzlichen Gruss,
Reinhard
- beinahe hätte ich gesagt "und Kollegin", aber Lisa ist ja Otto.
Bei meinem 9241 driftet die Abstimmspannung nach dem Einschalten. Erst wenn das Gerät warm ist, nach ca. 30 Minuten ist das zum Ende gekommen.
Das macht zwischen kalt (direkt nach Einschalten) und warm (nach einer halben Stunde) über 300 kHz aus, so viel, dass bei warm korrekt eingestellter Mittenanzeige beim erneuten Einschalten am nächsten Tag die Frequenz ausserhalb des AFC Fangbereichs liegt. Das ist lästig.
Es scheint an der 45 V Versorgung (Netzteil PIN 2/8) zu liegen, die läuft in der halben Stunde nach Einschalten um 1 V auf 46V hoch. Beide 15V Versorgungen sind sehr stabil und den TCA 530 habe ich schon erfolglos getauscht.
C504 im Abstimmspannungsmodul hatte ich vor einiger Zeit bereits erneuert. Sollte ich vielleicht sicherheitshalber nochmal tauschen, für den Fall, dessen Leckstrom wäre zu hoch und würde bei Erwärmung geringer.

Zum Schaltplanausschnitt:
R 513 muss 68k heissen (nicht 6,8k), Druckfehler!
Bei R511 habe ich bei mir 68k, Plan sagt 1M. Das Driftproblem ist davon unabhängig (zum Testen getauscht). Da Tommy und Vorex dort auch 68k haben, offenbar späte, undokumentierte Serienänderung.
R517 ist bei der 108 MHz Geräteversion 4,7k (oder bei noch späterer Serie Drahtbrücke und dieser Widerstand dann ausgelagert)
C507 muss 1n heissen (nicht 1µ), Druckfehler!
Meine Fragen an die 92xx Kenner und die TCA 530 Kenner:
1. Wie stabil muss die Eingangsspannung (45V) am TCA 530 sein? Sind 1V Drift zu viel, wie ich es vermute?
2. Wie stabil ist bei Euren 92xx die 45 V-Versorgung (PIN 2/8 vom Netzteil) nach dem Einschalten?
3. Was ist im Bereich der 45 V Regelung am häufigsten defekt? Dort möchte ich zuerst ansetzen. Die drei Elkos dort C 643, 644 und 656 sind bereits erneuert.
4. Seht Ihr sonst noch wahrscheinliche Fehlerursachen?

Ich würde sonst die beiden niederohmigen Widerstände im 45V Bereich des Netzteils erneuern, den 10 Ohm Sicherungswiderstand vor dem Gleichrichter, die beiden Regeltransistoren, die Zenerdiode, das 10k Poti und nochmals die drei Elkos sowie den Gleichrichter D642.
Ist es tatsächlich so (und kein Druckfehler im Schaltplan des 9260), dass im 9260 R654 10 kOhm hat und R646 2,2 kOhm? Sollte ich das im 9241 von 100k und 22k ändern?
Herzlichen Gruss,
Reinhard











