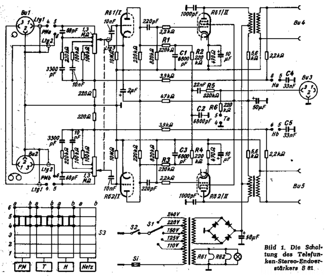
Telefunken S81

      Werte Freunde,

      ich sitze derzeit vor einem Stereo-Zusatzverstärker namens Telefunken S81.
      Laut meiner Recherche wurde das Gerät ca. 1959 auf den Markt gebracht, um bspw. den Mono - Röhrenradios/ Musiktruhen "Stereo" beizubringen. Mit 2 x 2 W Leistung sollten insbesondere Höhen und Mitten wiedergegeben werden, die Bässe von der Truhe quasi als "Subwoover".

      Röhrenbestückung sind 2 x ECL82.

      Nun zu meinem Problem: der (wenn man von oben auf den geöffneten Verstärker blickt) linke Kanal pfeift/schwingt, der Andere funktioniert einwandfrei.
      Bei der Revision fiel mir auf, dass der linke Orginal-AÜ einen Kurzschluss aufwies und von der ECL82 getrennt war (weisse Zuleitung vom AÜ - der Anode mit dem 1000pF Koppelkondensator).

      Ich habe im Zuge der Revision alle Teer und Papierkondensatoren, den Sieb/Ladeelko, Kathodenelkos und den 2µ Elko getauscht.
      Einen intakten AÜ hatte ich aus einem Schlachtgerät übrig.

      Das Pfeifen im linken Kanal bleibt auch wenn ich:

      - den AÜ des rechten mit dem linken Kanal tausche
      - beide ECL82 tausche

      Das Pfeifen ist auch von der Stellung des Lautstärkereglers und vom Höhenschalter abhängig.
      Ich habe die Verdrahtung sorgfältig verglichen/überprüft - einen Fehler meinerseits finde ich nicht (-> jedoch keine Garantie - vor lauter Bäumen sieht man den Wald nicht mehr).
      Ich habe auch alle R`s einseitig abgelötet und nachgemessen -> keine Auffälligkeiten feststellen können.

      Ich bin nun ratlos. Habt Ihr einen Ansatz wie ich dem Fehler doch noch auf die Schliche komme?


      hier der SP und Bilder vom Innenleben:














      Gruss, Ivica, harter Knochen - weiche Birne.
      Dann fehlt aber doch die Masseleitung von der Seite ohne Widerstand 2,2 kohm .
      Wen natürlich ein Lötfehler drin ist, schon vor Dir habe ich keine Chance den Fehler zu finden
      Oder wie es aussieht, dass die weise Leitung eines der Teile am G1 der Triode "sehen kann" peift es auch. Mir scheint die ist falsch verlegt.(letztes Photo)
      muss nach unten weg und möglichst von unten (Boden) nach oben an die Anode gehen.
      Eine der 2 Reihen "blau" ist die vom G1 Triode, zum Potenziometer, die darf von "weis" nicht gesehen werden. Die Verstärkung von blau nach weis ist minimal 1500 fach !!!
      hans


      [
      Einen Teilerfolg kann ich verbuchen:
      Hans, Du lagst wie so oft richtig -> die weisse Anodenzuleitung vom AÜ anders verlegt (am Geräteboden - weg von der grünen Zuleitung zum LS-Potentiometers)
      brachte die ersehnte Ruhe: das Sinuston-artige Pfeifen ist nun weg, allerdings kommt das Signal nur sehr leise an -> dieser Fehler muss noch gefunden werden.

      Deinen Hinweis dahingegend prüfe ich nun: "Dann fehlt aber doch die Masseleitung von der Seite ohne Widerstand 2,2 kohm"
      Gruss, Ivica, harter Knochen - weiche Birne.
      Hallo Ivica.

      Weil der Kanal vorher geschwungen hat, ist es unwahrscheinlich, dass er schwach ist. Der Fehler muss demnach vor dem LS - Steller liegen.
      Verbinden mit einem Stück Draht die beiden oberen Oesen des Stellers.
      Sind jetzt beide gleichlaut, ist der Fehler im Eingangsbereich, wenn nicht, doch hinten. Heute ab 16:00 bis SA 10:00 bin ich nicht daheim.

      hans
      Hans, bitte entschuldige vielmals, dass ich Deine wertvolle Zeit derart unnütz in Anspruch nahm -> der Fehler ist gefunden.

      Ich hatte den Bandeingang mit einem Signal von CD (Cinch auf DIN) getestet ->
      Din ist nicht gleich Din - ich habe dabei einen Din-Adapter verwendet, der eine andere Belegung hatte als die dreipolige Bandeingangsbuchse. Zu dumm, es tut mir leid.
      Deine Hinweise waren mir trotz allem sehr hilfreich -> das Gepfeife hätte ich ohne Deine Hilfe wohl nicht eliminieren können und der Hinweis , dass der Fehler im Eingangsbereich liegt, brachte mich auf die richtige Fährte (ich hätte tagelang nach selbstgelöteten Fehlern im Innern des Geräts suchen können). Mein aufrichtiges Dankeschön gilt Dir!
      Gruss, Ivica, harter Knochen - weiche Birne.
      Der Gleichrichter wurde nun auch noch getauscht:











      Ein vernünftiger Adapter von Cinch/weiblich -> Din -drei polig/männlich wurde auch hergestellt -> nun funktioniert auch die Wiedergabe über Band.
      Ich habe testweise ein paar Saba 35K LS angeschlossen und bin vom Telefunken S81 in meinen Grundig 5050 hineingegangen.
      Interessante Möglichkeiten bieten sich einem da. Ich bin überrascht, muss jedoch noch weiter testen.

      Bei meiner Recherche zum Telefunken S81 bin ich auf folgende Seite gestossen:

      http://www.tube-classics.de/TC/GermanTubeHifi/Integamps/Telefunken%20S81/S81De.htm

      Dort werden einige Modifikationen zur "Hifi-Tauglichkeit" des Geräts empfohlen.
      Was ist davon zu halten?


      "Was man zur HiFi-Tauglichkeit tun sollte:

      1. Die C's von der Triodenanode (pin#9) zur Masse ablöten oder abknipsen. Auf dem Bild ist dies der rosane ERO-Kondensator. (In einigen versionen ist dieser Kondensator an der Anode der Pentode = pin#6 = 1000pF)

      2. Der Ladekondensator ist mindestens 40 Jahre alt und der Übertrager klein. Zur Rettung des Bisschens möglicher Basskontrolle sollte der Ladekondensator (möglichst unsichtbar) ersetzt werden. Wer mehr Basskontrolle braucht wird nicht an mehr Gegenkopplung vorbeikommen."
      Gruss, Ivica, harter Knochen - weiche Birne.
      Ivica - kann es sein, dass Du von dem Verstärker etwas erwartest, was er nicht leisten kann? Es ist ein Hoch/Mitteltonverstärker mit einem Subwooferausgang! Hier sollte damals ein normales Radio angeschlossen werden und der Zusatzverstärker lieferte den Stereoton über 2 Mitte/Hochtöner! Als alleiniger Stereoverstärker kann er nur im oberen Bereich piepsen! Bass liefert er NICHT!!!

      Ich hatte in meiner Jugend auch mal so ein Ding.
      Gruß Heino - der Unkaputtbare
      Hallo Ivica,

      zuerst eine Frage: Wie hast Du den 120 Ohm 17W befestigt? Wärmeleitkleber?

      Modifikationen zur Erreichung von "HiFi Tauglichkeit" würde ich auch ablehnen. Da gibt es dankbarere Objekte.

      Eine Gegenkopplung hat der Verstärker doch bereits und die 1000pF an den Anoden haben ihre Funktion zur Verbesserung der Stabilität (Verhindern von Schwingen).

      Und wenn ich schon lese "möglichst unsichtbar", ist ohnehin jede Glaubwürdigkeit verspielt.
      Achim
      Hallo Achim,

      dass Du Adler Augen hast, wissen wir ja bereits hinlänglich -> Schwachstelle sofort entlarvt.
      Besten Dank für die Anmahnung zur Genauigkeit & Akkuratheit und für Deine ehrliche Einschätzung zum "empfohlenen" Umbau in Richtung "Hifi-Tauglichkeit"!

      Dieser Weg scheint mir gut zu sein:

      Ich habe zur Befestigung die Netztrafo-Befestigungsschrauben verwendet, so kommt man ohne zusätzliche Bohrungen aus.





      Hallo Heino,

      nichts Unmögliches erwarte ich von dem "Kleinen". Ich hatte vor, wenn überhaupt, ihn als Zusatzverstärker zu nutzen. Ein nettes Feature, aber nicht unbedingt notwendig.
      Gruss, Ivica, harter Knochen - weiche Birne.
      Moin,
      macht nicht zuviel mit der "Badezimerwaage", denn so toll ist sie wirklich nicht. "HiFi" schon gar nicht ;)
      Es ist, wie gesagt, wirklich nur ein Stereo-Zusatzverstaerker und dazu noch der schlechtere von beiden. Der andere, naemlich der gleich aussehende S80, hat auf jeden Fall den besseren Netztrafo (Philbert) und ich meine, auch bessere (groessere) Uebertrager. Jedenfalls machte mein S80 besser Musik als mein S81, der dazu auch noch brummt, was anscheinend direkt am Streufeld seines EI-Trafos liegt, Versuche am Netzteil und mit den signalfuehrenden Leitungen waren erfolglos.

      73
      Peter
      Moin,
      ok, dann war es noch nichtmal ein Montagsexemplar. Den S80 habe ich an verschiedenen Lautsprechern ausprobiert, auch bei HiFi-nerdigen Bekannten. Er kann nicht laut, wie auch, bei der Leistung, aber im Rahmen seiner Moeglichkeiten lieferte er ein gut brauchbares Ergebnis ab.
      Wenn der S81 ein Zusatzverstaerker fuer die Satellitenlautsprecher ist, dann stoert sein Brummpegel auch so lange nicht, wie die Lautsprecher darauf Ruecksicht nehmen, also unter 200-300 Hz nichts wiedergeben.
      In der zeitgenoessischen Literatur (Funkschau) habe ich sehr wenig ueber diese(n) Verstaerker gefunden, eigentlich kann ich mich nur an ein Sonderpostenangebot eines Elektronikhaendlers erinnern, der einen Posten fuer 80,-DM/Stueck anbot und dafuer sogar eine halb (oder sogar ganz) -seitige Anzeige schaltete.

      73
      Peter